GM Service Manual Online
For 1990-2009 cars only

Removal Procedure

Important: Clean the fuel and evaporative emission (EVAP) connections and surrounding areas prior to disconnecting the lines in order the avoid possible system contamination.


    Object Number: 1551867  Size: SH
  1. Relieve the fuel system pressure. Refer to Fuel Pressure Relief .
  2. Remove the air cleaner outlet duct. Refer to Air Cleaner Resonator Outlet Duct Replacement .
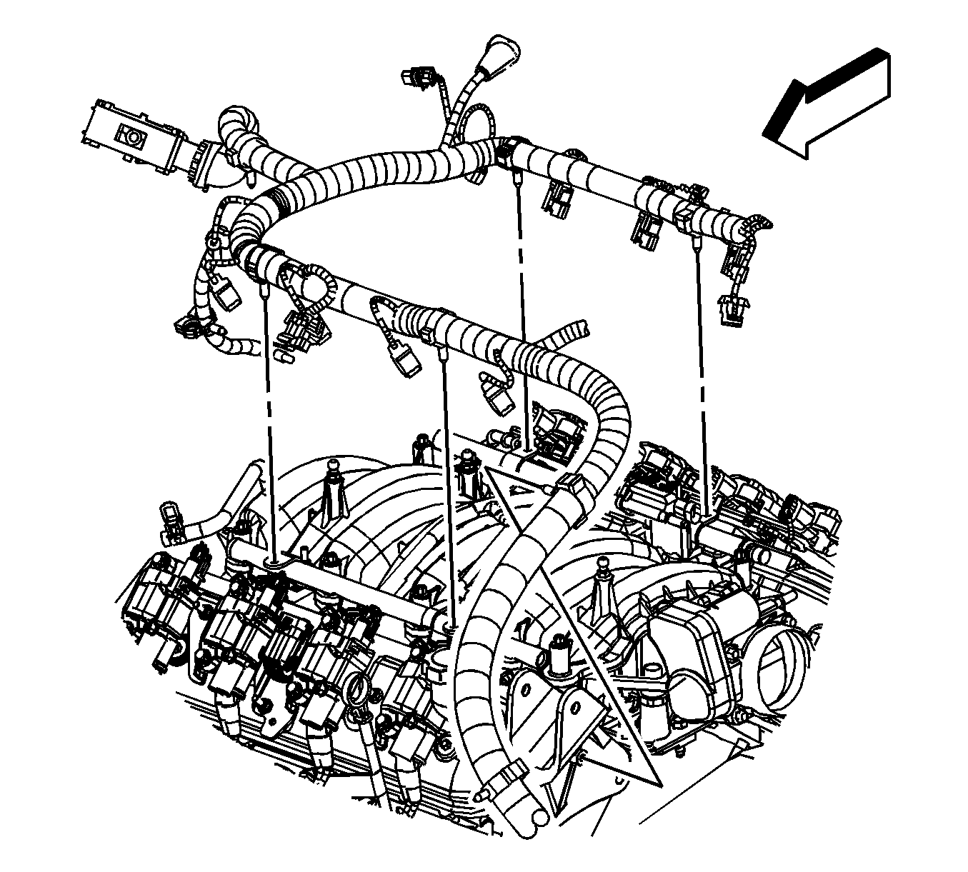
  3. Disconnect the following electrical connectors:
  4. • EVAP purge solenoid (1)
    • Manifold absolute pressure (MAP) sensor (2)
    • Electronic throttle control (ETC) (3)
    • Oil pressure sensor (4)
    • Valve lifter oil manifold (5)

    Object Number: 1552786  Size: SH
  5. Disconnect the generator electrical connector (2).

  6. Object Number: 1551870  Size: SH
  7. Remove the connector position assurance (CPA) retainer (3).
  8. Disconnect the main ignition coil harness electrical connector (4).
  9. Important: Mark the injector connectors to their corresponding injectors to ensure correct reassembly.

  10. Disconnect the fuel injector electrical connectors (1, 2).

  11. Object Number: 1551871  Size: SH
  12. Remove the CPA retainer (3).
  13. Disconnect the main ignition coil harness electrical connector (1).
  14. Important: Mark the injector connectors to their corresponding injectors to ensure correct reassembly.

  15. Disconnect the fuel injector electrical connectors (2, 4).

  16. Object Number: 1551869  Size: SH
  17. Remove the engine wiring harness retainers from the tabs on the fuel rail. Reposition the harness out of the way.

  18. Object Number: 1551868  Size: SH
  19. Disconnect the fuel feed (1) and EVAP (2) lines. Refer to Metal Collar Quick Connect Fitting Service and Plastic Collar Quick Connect Fitting Service .

  20. Object Number: 1411903  Size: SH
  21. Note the location of the fuel rail ground strap (557).

  22. Object Number: 1411905  Size: SH
  23. Remove the intake manifold bolt (512) and ground strap (557).
  24. Remove the fuel rail bolts (511).
  25. Remove the fuel rail (510) with injectors. Lift evenly on both sides of the fuel rail until all injectors have been removed from their bores.
  26. Important: Do not separate the fuel injectors from the fuel rail unless component service is required.

  27. If replacing the fuel rail, remove the fuel injectors. Refer to Fuel Injector Replacement .

Installation Procedure

Important: Do not reuse the fuel injector O-ring seals. Install NEW O-ring seals during assembly.


    Object Number: 1411903  Size: SH
  1. Note the installed location of the fuel rail ground strap (557).

  2. Object Number: 1411905  Size: SH
  3. If replacing the fuel rail, install the fuel injectors. Refer to Fuel Injector Replacement .
  4. If necessary, Lubricate the NEW O-ring seals with clean engine oil.
  5. If necessary, install NEW O-ring seals to the fuel injectors.
  6. Install the fuel rail (510) with injectors. Push firmly on both sides of the rail until all the injectors have been seated into their bores.
  7. Apply a 5 mm (0.2 in) band of threadlock GM P/N 12345382 (Canadian P/N 10953489) or equivalent to the threads of the fuel rail bolts.
  8. Notice: Refer to Fastener Notice in the Preface section.

  9. Install the fuel rail bolts (511).
  10. Tighten
    Tighten the bolts to 10 N·m (89 lb in).

  11. Install the ground strap (557) and intake manifold bolt (512).
  12. Tighten
    Tighten the bolt to 10 N·m (89 lb in).


    Object Number: 1551868  Size: SH
  13. Connect the fuel feed (1) and EVAP (2) lines. Refer to Metal Collar Quick Connect Fitting Service and Plastic Collar Quick Connect Fitting Service .

  14. Object Number: 1551869  Size: SH
  15. Position the harness to the engine. Install the engine wiring harness retainers to the tabs on the fuel rail.

  16. Object Number: 1551871  Size: SH

    Important: Install the marked injector connectors to their corresponding injectors.

  17. Connect the fuel injector electrical connectors (2, 4).
  18. Connect the main ignition coil harness electrical connector (1).
  19. Install the CPA retainer (3).

  20. Object Number: 1551870  Size: SH

    Important: Install the marked injector connectors to their corresponding injectors.

  21. Connect the fuel injector electrical connectors (1, 2).
  22. Connect the main ignition coil harness electrical connector (4).
  23. Install the CPA retainer (3).

  24. Object Number: 1552786  Size: SH
  25. Connect the generator electrical connector (2).

  26. Object Number: 1551867  Size: SH
  27. Connect the following electrical connectors:
  28. • EVAP purge solenoid (1)
    • MAP sensor (2)
    • ETC (3)
    • Oil pressure sensor (4)
    • Valve lifter oil manifold (5)
  29. Install the air cleaner outlet duct. Refer to Air Cleaner Resonator Outlet Duct Replacement .
  30. Connect the negative battery cable. Refer to Battery Negative Cable Disconnection and Connection .
  31. Use the following steps to inspect for leaks:
  32. 21.1. Turn the ignition ON, with the engine OFF, for 2 seconds.
    21.2. Turn the ignition OFF for 10 seconds.
    21.3. Turn the ignition ON with the engine OFF.
    21.4. Inspect for leaks.
  33. Install the engine sight shield. Refer to Upper Intake Manifold Sight Shield Replacement .