GM Service Manual Online
For 1990-2009 cars only
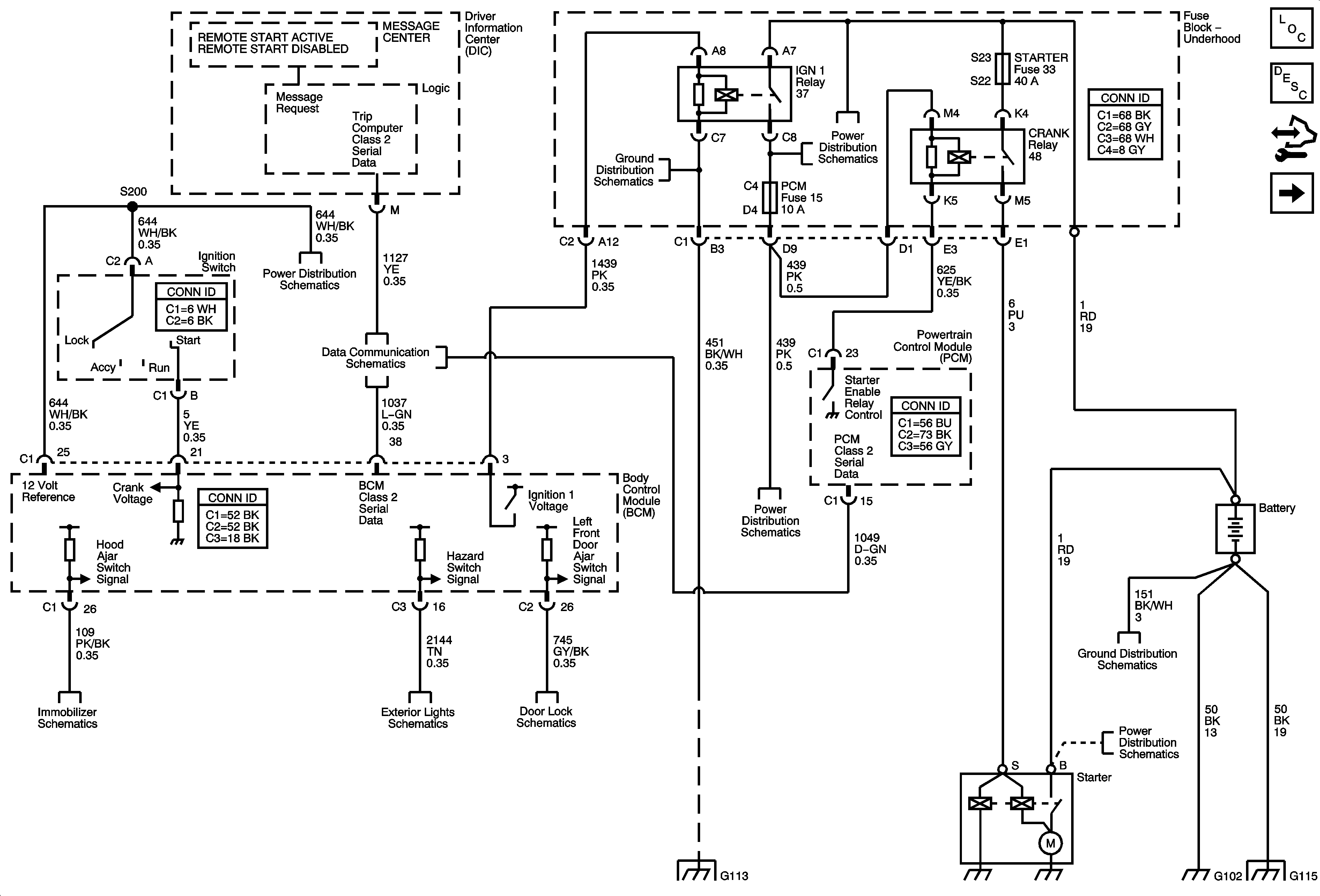
Figure 1:

Starter (L26, L32)


Object Number: 1797924  Size: FS
Master Electrical Component List
Control Module References
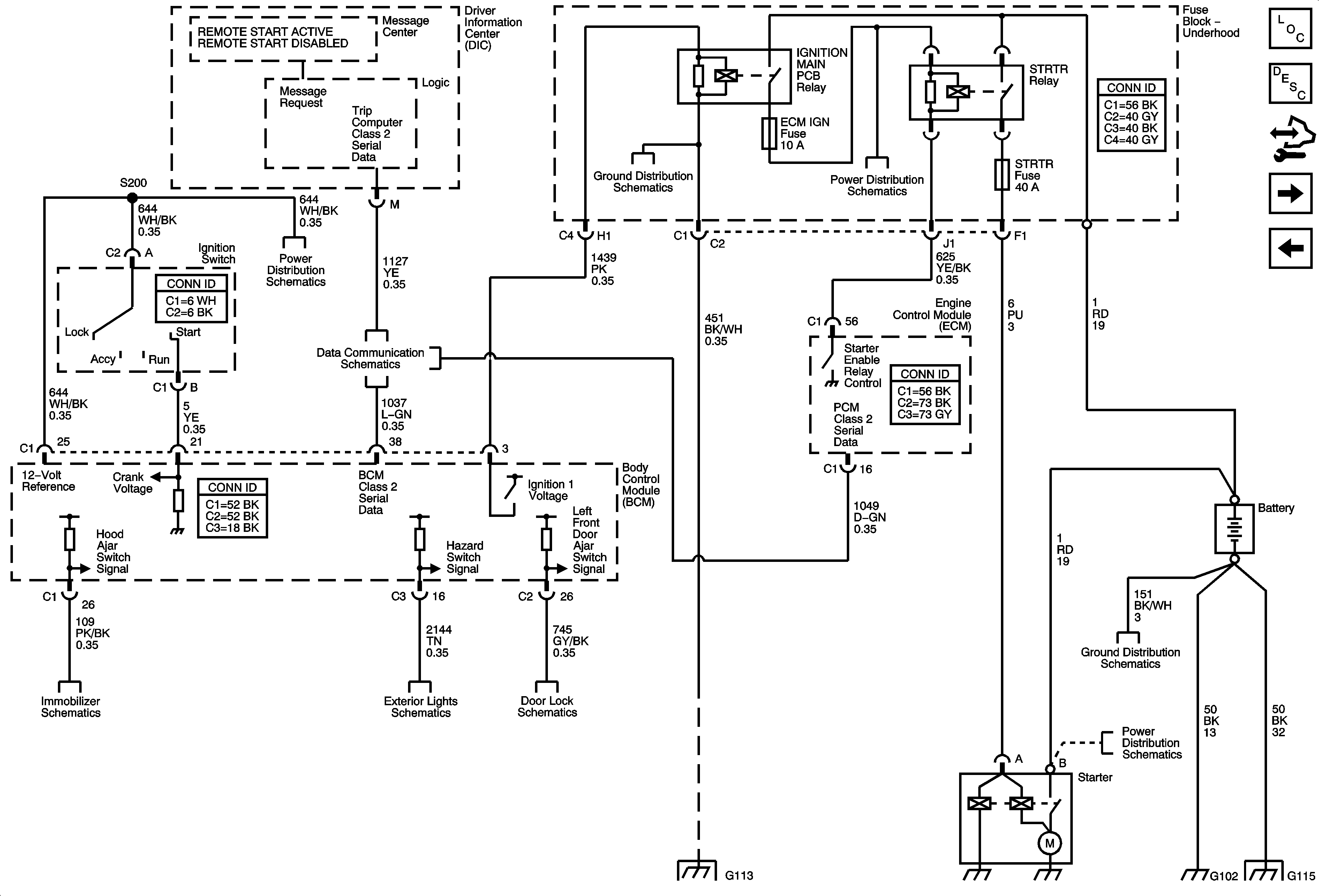
Figure 2:

Starter (LS4)


Object Number: 1797938  Size: FS
Master Electrical Component List
Control Module References
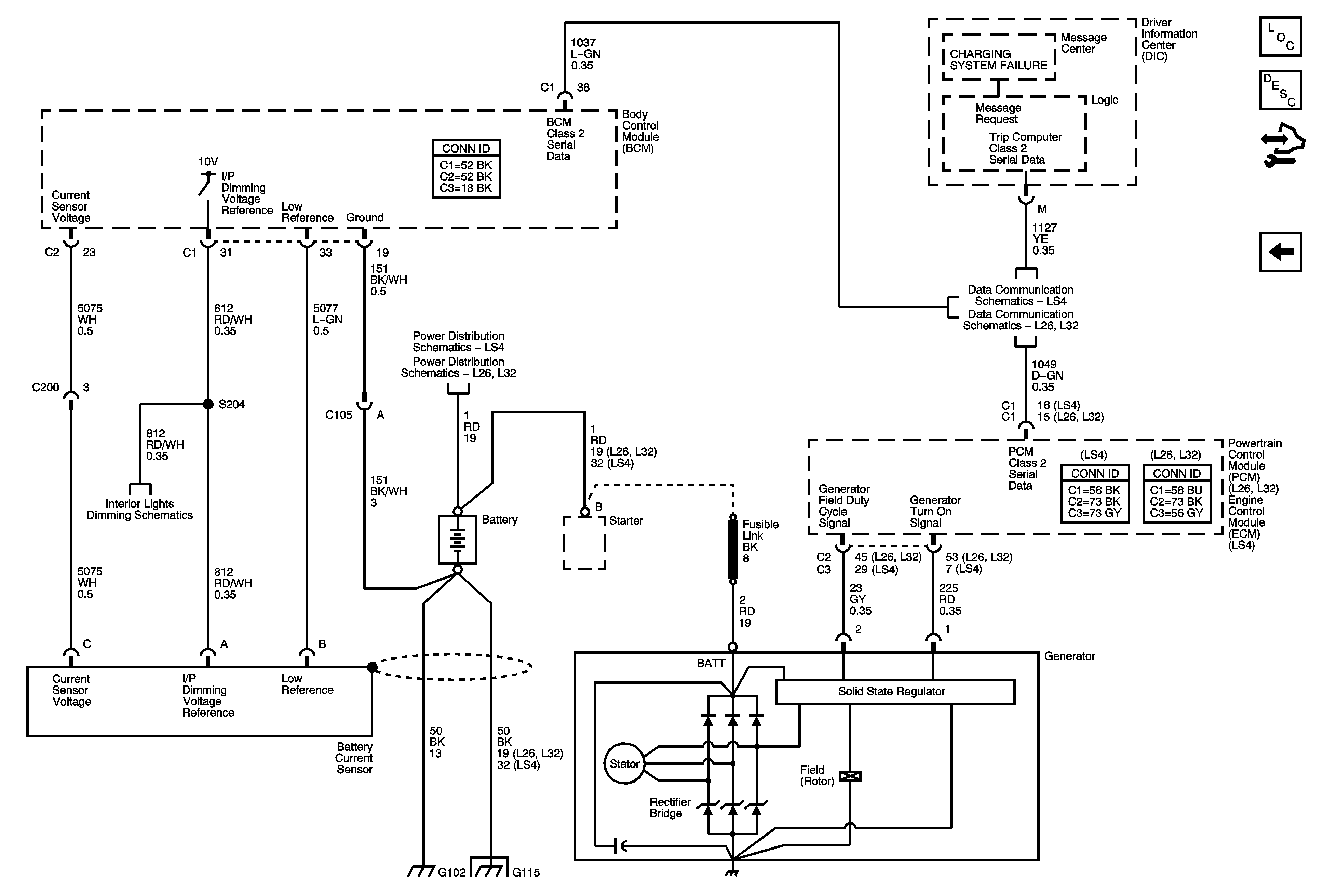
Figure 3:

Generator


Object Number: 1797933  Size: FS
Master Electrical Component List
Control Module References