GM Service Manual Online
For 1990-2009 cars only
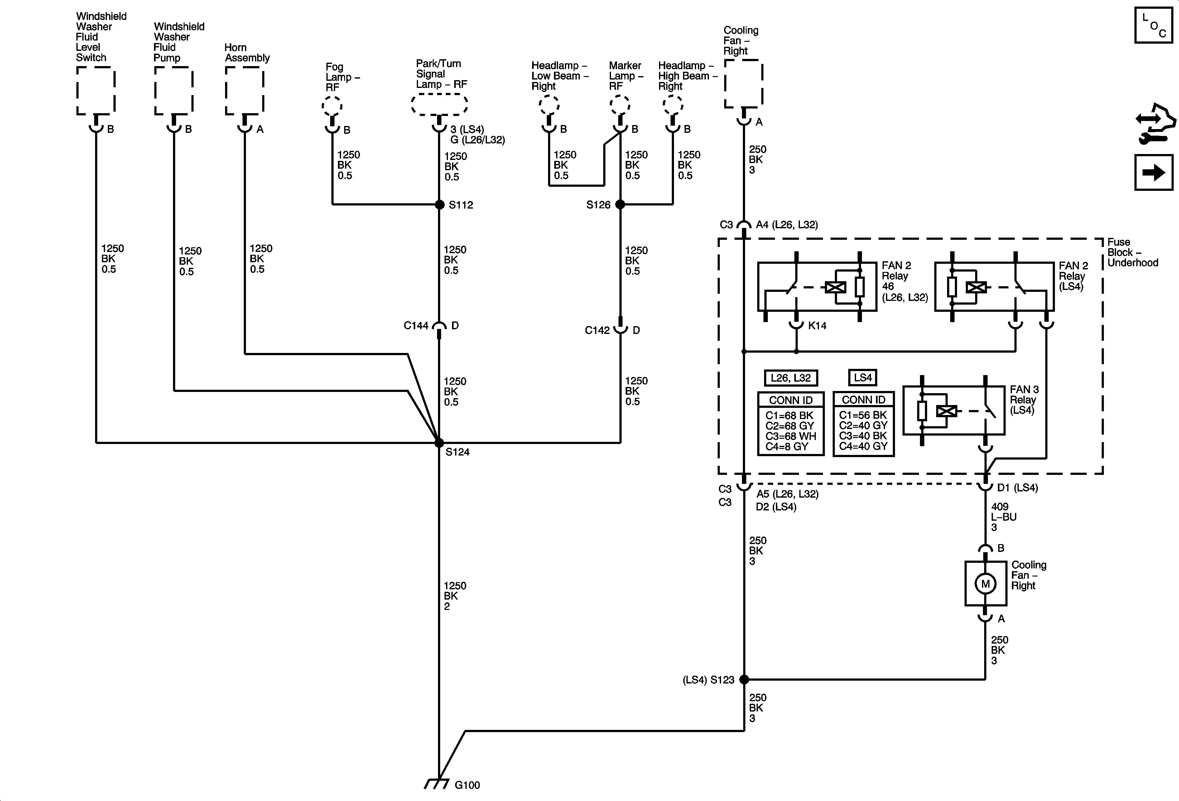
Figure 1:

G100


Object Number: 1799793  Size: FS
Master Electrical Component List
Control Module References
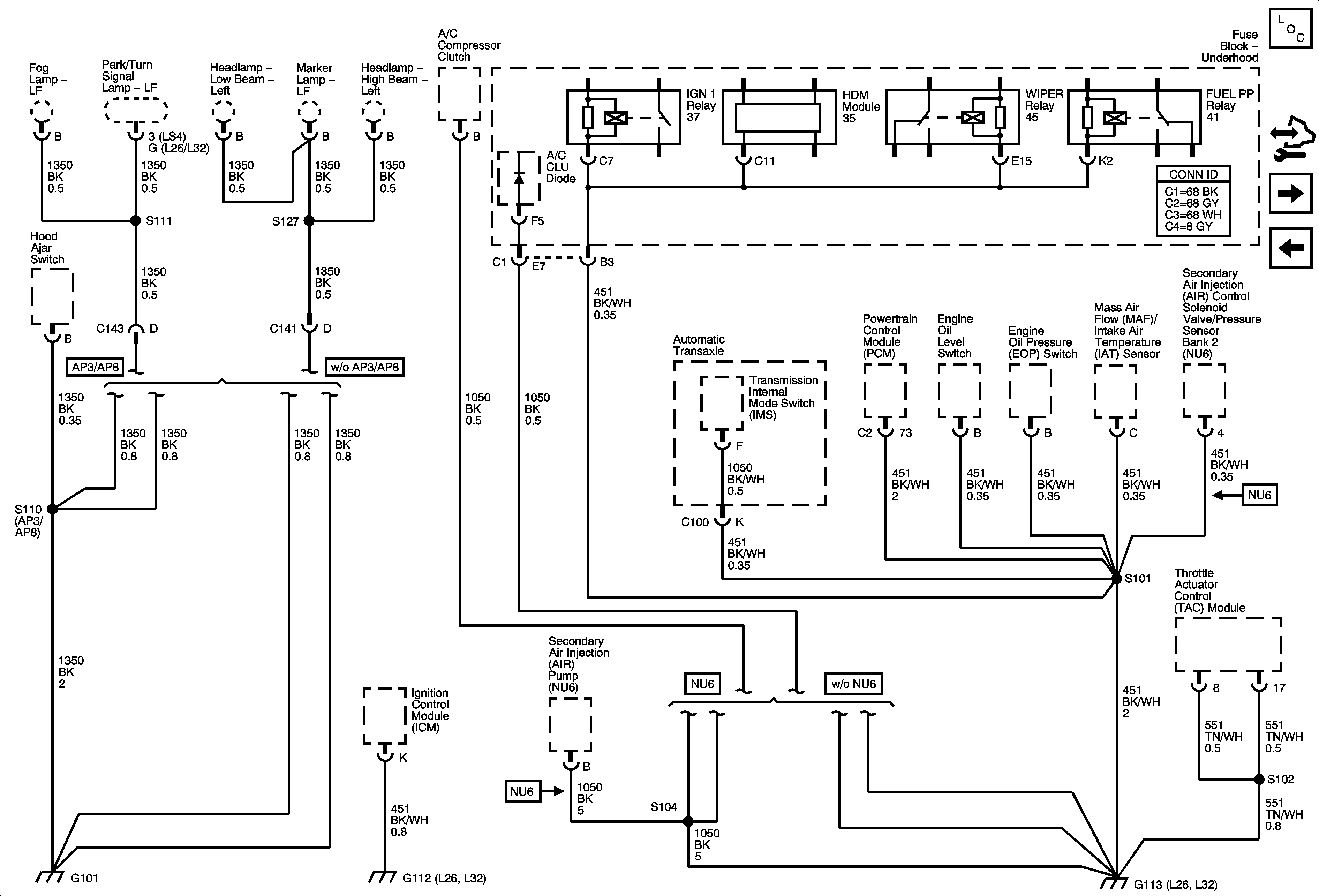
Figure 2:

G101, G112 (L26, L32), and G113 (L26, L32)


Object Number: 1799825  Size: FS
Master Electrical Component List
Control Module References
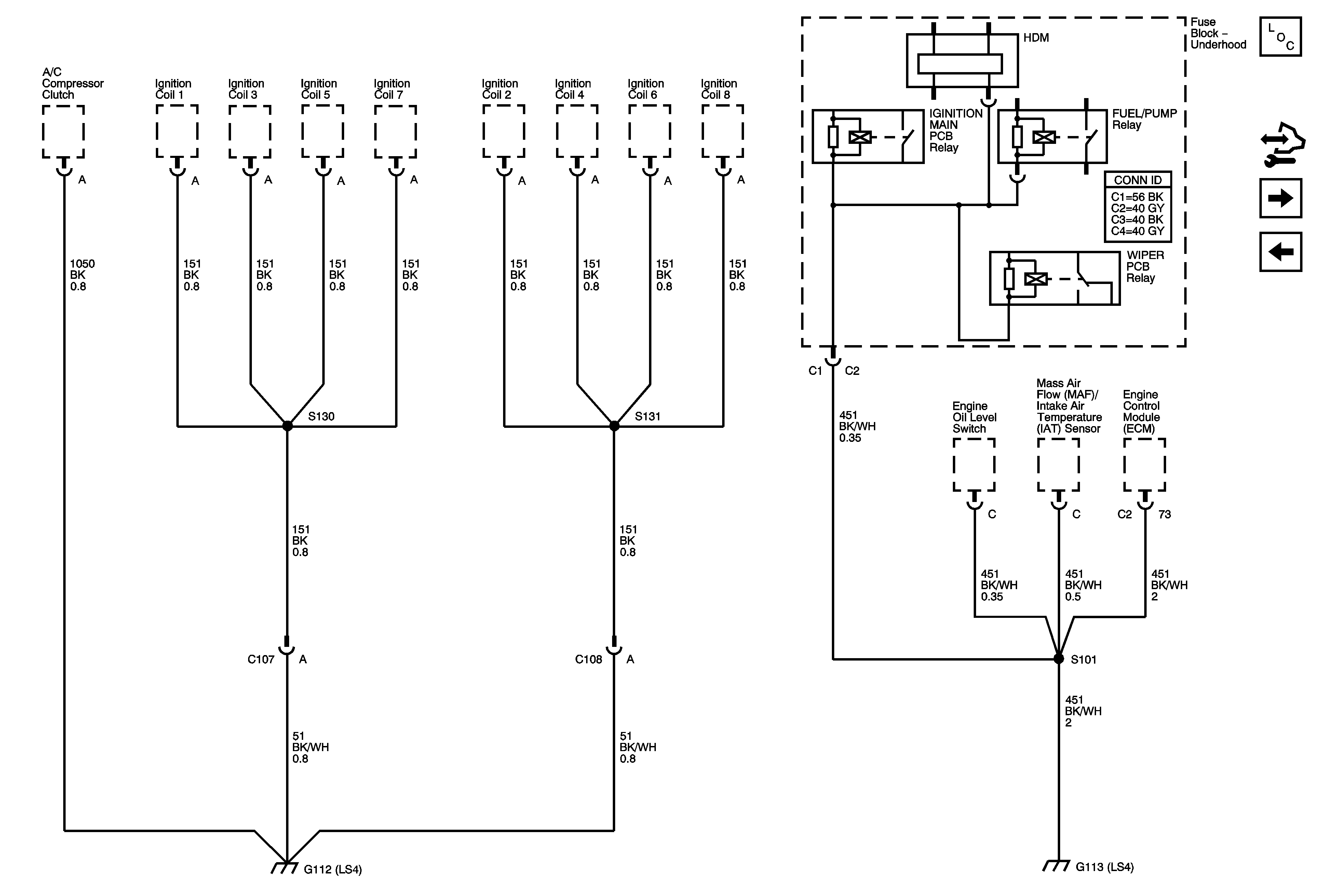
Figure 3:

G112 (LS4), and G113 (LS4)


Object Number: 1799878  Size: FS
Master Electrical Component List
Control Module References
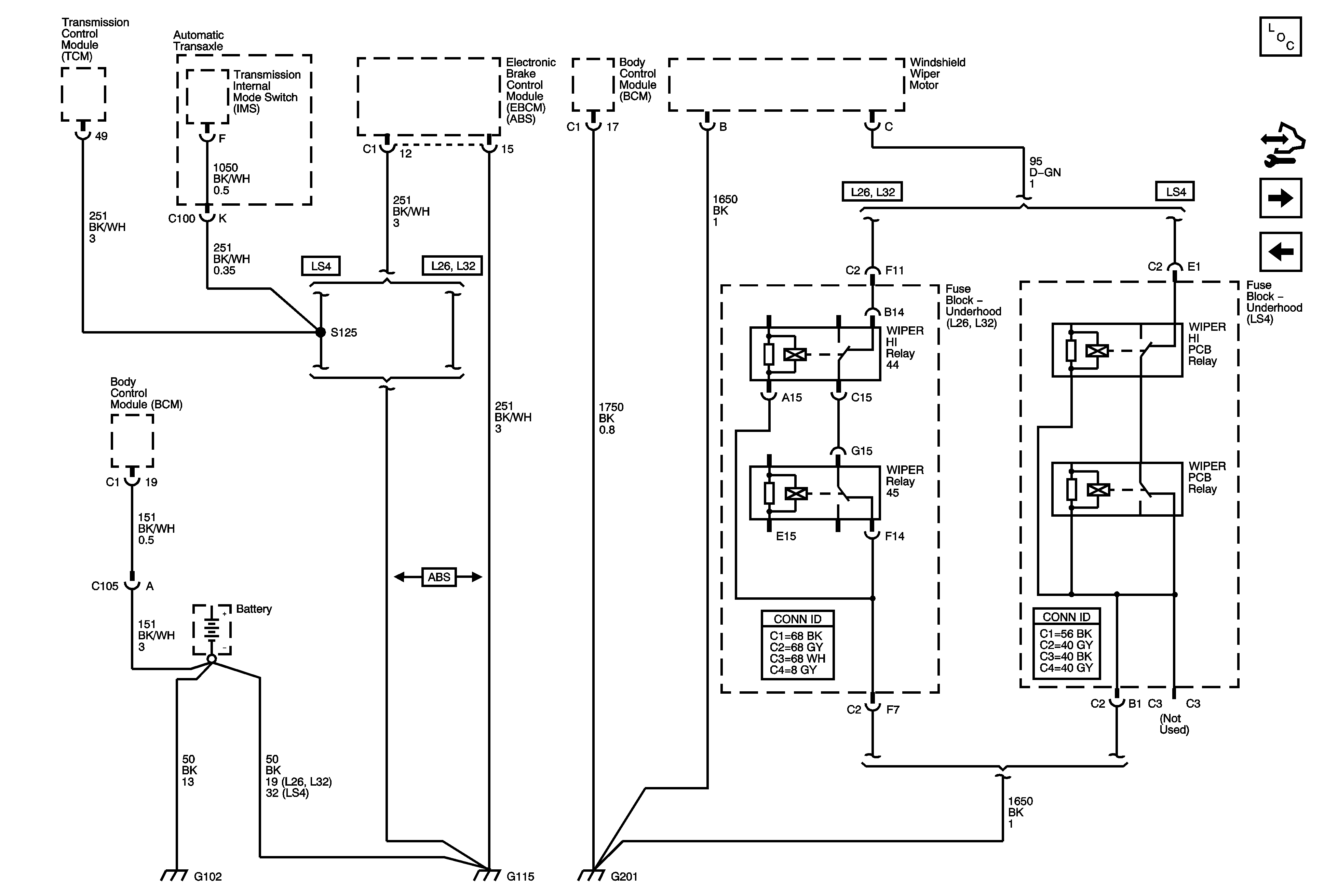
Figure 4:

G102, G115, and G201


Object Number: 1799828  Size: FS
Master Electrical Component List
Control Module References
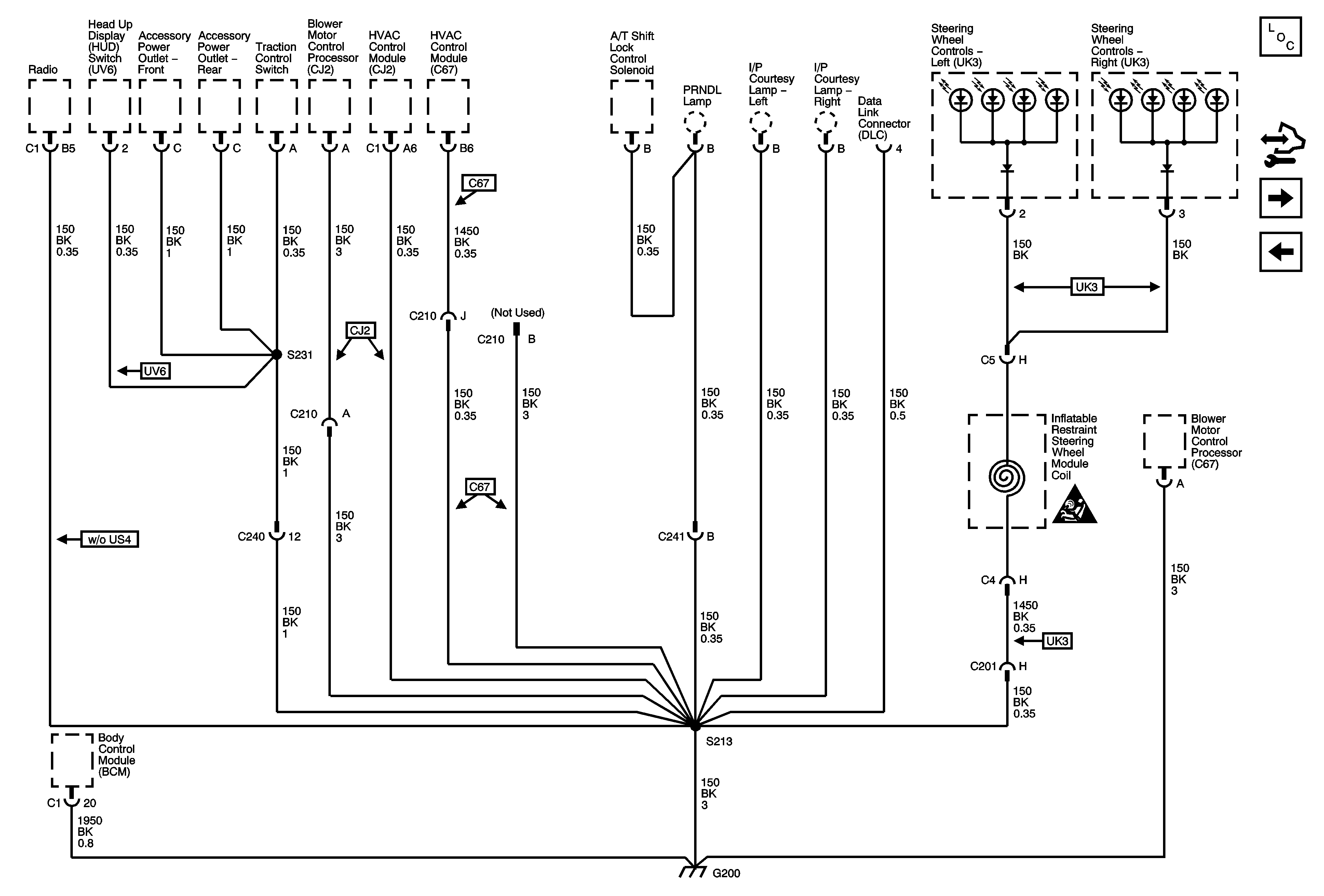
Figure 5:

G200


Object Number: 1799829  Size: FS
Master Electrical Component List
Control Module References
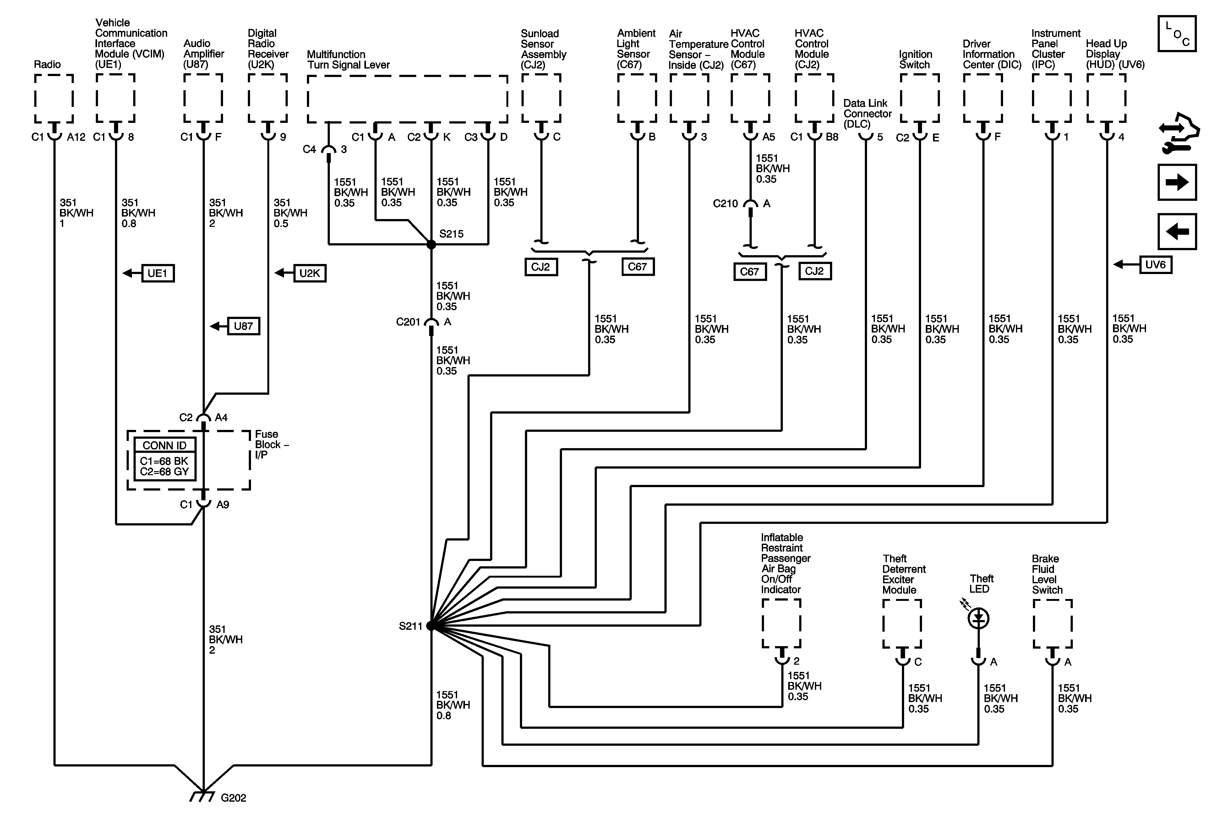
Figure 6:

G202


Object Number: 1799858  Size: FS
Master Electrical Component List
Control Module References
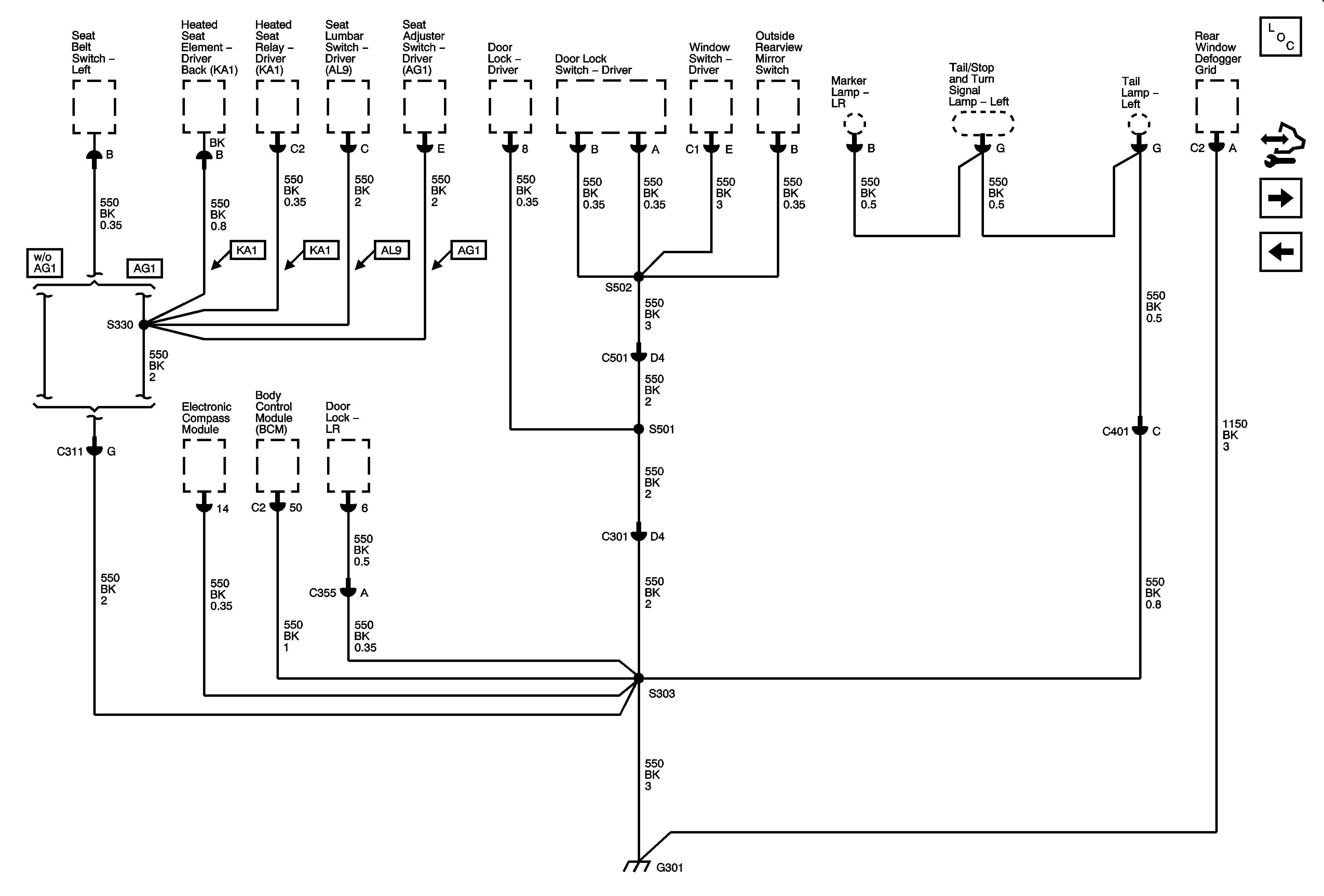
Figure 7:

G301


Object Number: 1799859  Size: FS
Master Electrical Component List
Control Module References
Figure 8:

G302


Object Number: 1799860  Size: FS
Master Electrical Component List
Control Module References