|
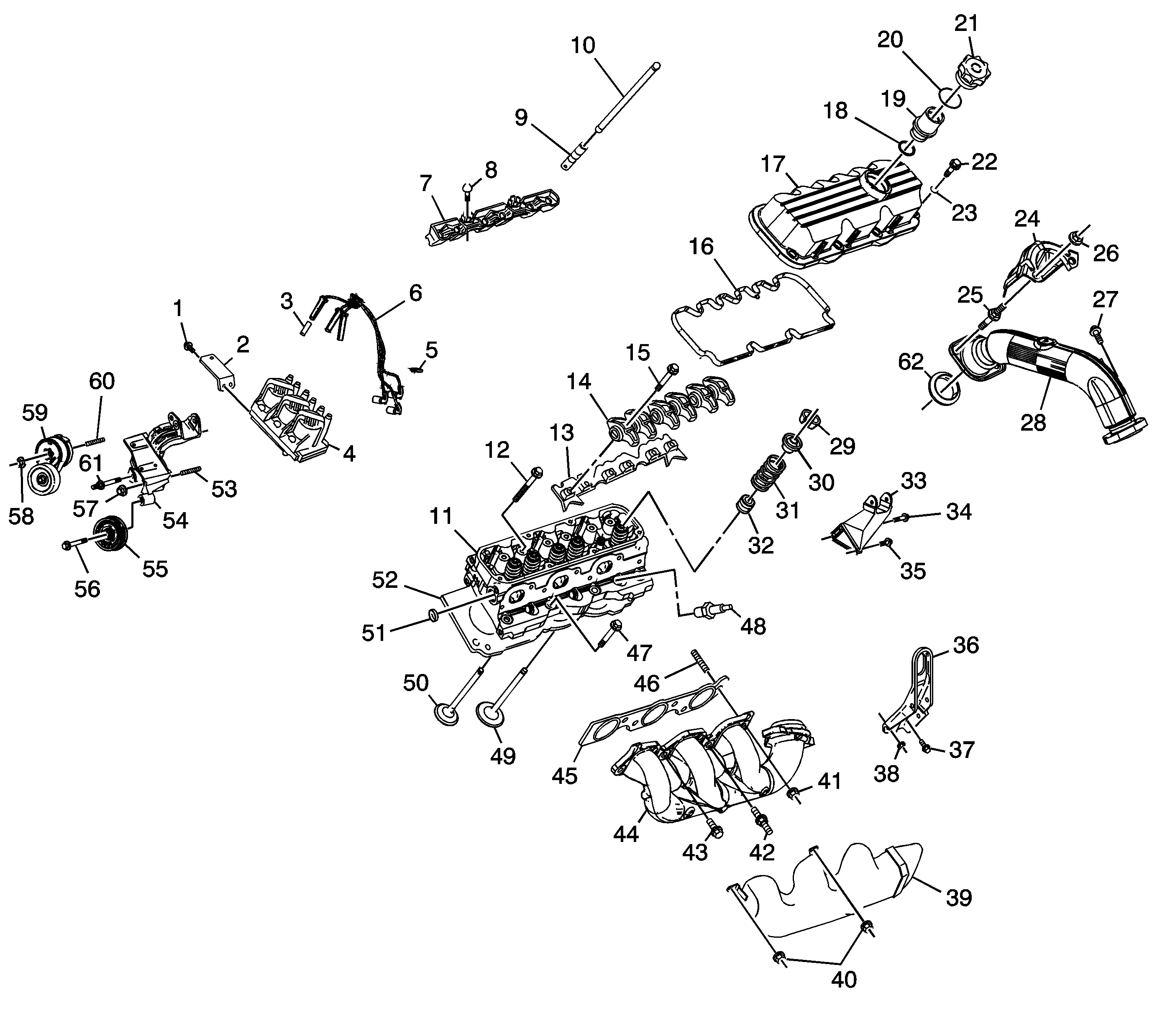
| (1) | Secondary Air Injection Pipe Bolt |
| (2) | Secondary Air Injection Pipe Gasket |
| (3) | Secondary Air Injection Valve |
| (4) | Secondary Air Injection Hose Clamp |
| (5) | Secondary Air Injection Hose |
| (6) | Secondary Air Injection Hose Clamp |
| (7) | Secondary Air Injection Pipe |
| (8) | Secondary Air Injection Hose Clamp |
| (9) | Secondary Air Injection Hose Clamp |
| (10) | Secondary Air Injection Hose Clamp |
| (11) | Exhaust Gas Recirculation Valve Nut |
| (12) | Exhaust Gas Recirculation Valve |
| (13) | Exhaust Gas Recirculation Valve Gasket |
| (14) | Exhaust Gas Recirculation Valve Adapter |
| (15) | Exhaust Gas Recirculation Valve Outlet Pipe |
| (16) | Exhaust Gas Recirculation Valve Outlet Pipe Nut |
| (17) | Exhaust Gas Recirculation Valve Outlet Pipe Bolt |
| (18) | Exhaust Gas Recirculation Valve Adapter Bolt |
| (19) | Cylinder Head |
| (20) | Cylinder Head Gasket |
| (21) | Valve Rocker Arm Cover Gasket |
| (22) | Valve Rocker Arm Cover |
| (23) | Exhaust Manifold Stud |
| (24) | Exhaust Manifold Gasket |
| (25) | Engine Coolant Thermostat Bypass Pipe Seal |
| (26) | Engine Coolant Thermostat Bypass Pipe |
| (27) | Engine Coolant Thermostat Bypass Pipe Seal |
| (28) | Engine Coolant Thermostat Bypass Pipe Seal |
| (29) | Engine Coolant Thermostat Bypass |
| (30) | Engine Coolant Thermostat Bypass Pipe Seal |
| (31) | Drive Belt Tensioner Bolt |
| (32) | Drive Belt Tensioner |
| (33) | Exhaust Manifold |
| (34) | Exhaust Manifold Stud |
| (35) | Exhaust Manifold Nut |
| (36) | Exhaust Gas Recirculation Valve Adapter Pipe Bolt |
| (37) | Exhaust Manifold Heat Shield |
| (38) | Exhaust Manifold Heat Shield Bolt |
| (39) | Engine Lift Bracket |
| (40) | Engine Lift Bracket Nut |
| (41) | Engine Lift Bracket Bolt |
| (42) | Engine Sight Shield Bracket |
| (43) | Engine Sight Shield Bracket Nut |
| (44) | Oxygen Sensor |
| (45) | Secondary Air Injection Pipe Gasket |
| (46) | Secondary Air Injection Pipe Nut |
| (47) | Secondary Air Injection Pipe |
| (48) | Secondary Air Injection Valve Mounting Bracket Bolt |
| (49) | Secondary Air Injection Valve Mounting Bracket |
| (50) | Secondary Air Injection Valve Bolt |