GM Service Manual Online
For 1990-2009 cars only

Removal Procedure

Caution: Remove the fuel tank cap and relieve the fuel system pressure before servicing the fuel system in order to reduce the risk of personal injury. After you relieve the fuel system pressure, a small amount of fuel may be released when servicing the fuel lines, the fuel injection pump, or the connections. In order to reduce the risk of personal injury, cover the fuel system components with a shop towel before disconnection. This will catch any fuel that may leak out. Place the towel in an approved container when the disconnection is complete.

Notice: Servicing of the supercharger unit itself is limited to replacement only. No attempt should be made to disassemble the supercharger, as parts damage may result.


    Object Number: 912661  Size: SH
  1. Disconnect the negative battery cable. Refer to Battery Negative Cable Disconnection and Connection .
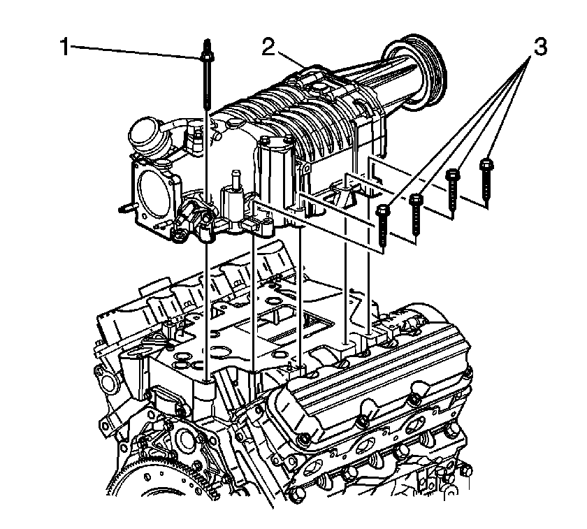
  2. Remove the exhaust gas recirculation (EGR) valve heat shield (1), nut (2), and the bolt (3).
  3. Remove the supercharger drive belt. Refer to Drive Belt Replacement .
  4. Remove the fuel rail assembly. Refer to Fuel Injection Fuel Rail Assembly Replacement .
  5. Disconnect the manifold absolute pressure (MAP) and the barometric pressure (BARO) sensor electrical connectors.
  6. Disconnect the vacuum hoses from the MAP .

  7. Object Number: 1210601  Size: SH
  8. Remove the MAP and BARO sensor bracket bolts.
  9. Remove the MAP and BARO sensor bracket.

  10. Object Number: 910930  Size: SH
  11. Remove the boost control solenoid. Refer to Boost Control Solenoid Replacement .
  12. Disconnect the vacuum lines from the following:
  13. • Supercharger bypass valve
    • Manifold vacuum source
  14. Disconnect the electrical connectors from the following:
  15. • Supercharger bypass valve
    • EGR valve
    • Evaporative emission (EVAP) purge valve
    • Mass air flow (MAF)/intake air temperature (IAT) sensor
    • Electronic throttle control (ETC)
  16. Remove the air cleaner intake duct. Refer to Air Cleaner Inlet Duct Replacement .

  17. Object Number: 911155  Size: SH
  18. Remove the left side supercharger bolts (1, 3).

  19. Object Number: 911157  Size: SH
  20. Remove the right side supercharger bolts (1, 3).
  21. Remove the supercharger.

  22. Object Number: 190548  Size: SH
  23. Remove the supercharger gasket.

  24. Object Number: 190547  Size: SH
  25. Remove the supercharger O-ring seals.
  26. Clean the lower intake manifold-to-supercharger mating surfaces.
  27. If replacing the supercharger remove the following:
  28. • Throttle body
    • Positive crankcase ventilation (PCV) valve
    • Supercharger bypass valve
    • Manifold vacuum source

Installation Procedure

  1. If replacing the supercharger install the following:
  2. • Manifold vacuum source
    • Supercharger bypass valve
    • PCV valve
    • Throttle body

    Object Number: 190547  Size: SH
  3. Install the new supercharger O-ring seals.

  4. Object Number: 190548  Size: SH

    Important: Do not use any sealer on the gasket.

  5. Install the new supercharger gasket.

  6. Object Number: 911157  Size: SH
  7. Install the supercharger.
  8. Install the right side supercharger bolts (1, 3).
  9. Notice: Refer to Fastener Notice in the Preface section.


    Object Number: 911155  Size: SH
  10. Install the left side supercharger bolts (1, 3).
  11. Tighten
    Tighten the supercharger bolts starting from the center and working to the outside of the supercharger to 23 N·m (17 lb ft).

  12. Install the air cleaner intake duct. Refer to Air Cleaner Inlet Duct Replacement .
  13. Connect the electrical connectors to following:
  14. • ETC
    • MAF/IAT sensor
    • EVAP purge valve
    • EGR valve
    • Supercharger bypass valve
  15. Connect the vacuum lines to the following:
  16. • Manifold vacuum source
    • Supercharger bypass valve
  17. Install the boost control solenoid. Refer to Boost Control Solenoid Replacement .

  18. Object Number: 1210601  Size: SH
  19. Install the MAP and BARO sensor bracket.
  20. Install the MAP and BARO sensor bracket bolts.
  21. Tighten
    Tighten the bolts to 30 N·m (22 lb ft).

  22. Connect the vacuum hoses to the MAP sensor.
  23. Connect the MAP and the BARO sensor electrical connectors.
  24. Lightly coat the fuel injectors (3) with clean engine oil.

  25. Object Number: 910930  Size: SH

    Important: Ensure the fuel rail is fully seated in the lower intake manifold assembly.

  26. Install the fuel rail assembly (1) to the lower intake assembly. Refer to Fuel Injection Fuel Rail Assembly Replacement .
  27. Install the supercharger drive belt. Refer to Drive Belt Replacement .

  28. Object Number: 912661  Size: SH
  29. Install the EGR valve heat shield (1) , nut (2) and the bolt (3).
  30. Tighten
    Tighten the nut and the bolt to 10 N·m (89 lb in).

  31. Connect the negative battery cable. Refer to Battery Negative Cable Disconnection and Connection .
  32. Inspect for fluid or vacuum leaks.