GM Service Manual Online
For 1990-2009 cars only
Figure 1:

PCM Power, Ground, MIL, and Serial Data


Object Number: 1797951  Size: FS
Master Electrical Component List
Control Module References
Figure 2:

5-Volt and Low Reference Bussing


Object Number: 1797955  Size: FS
Master Electrical Component List
Control Module References
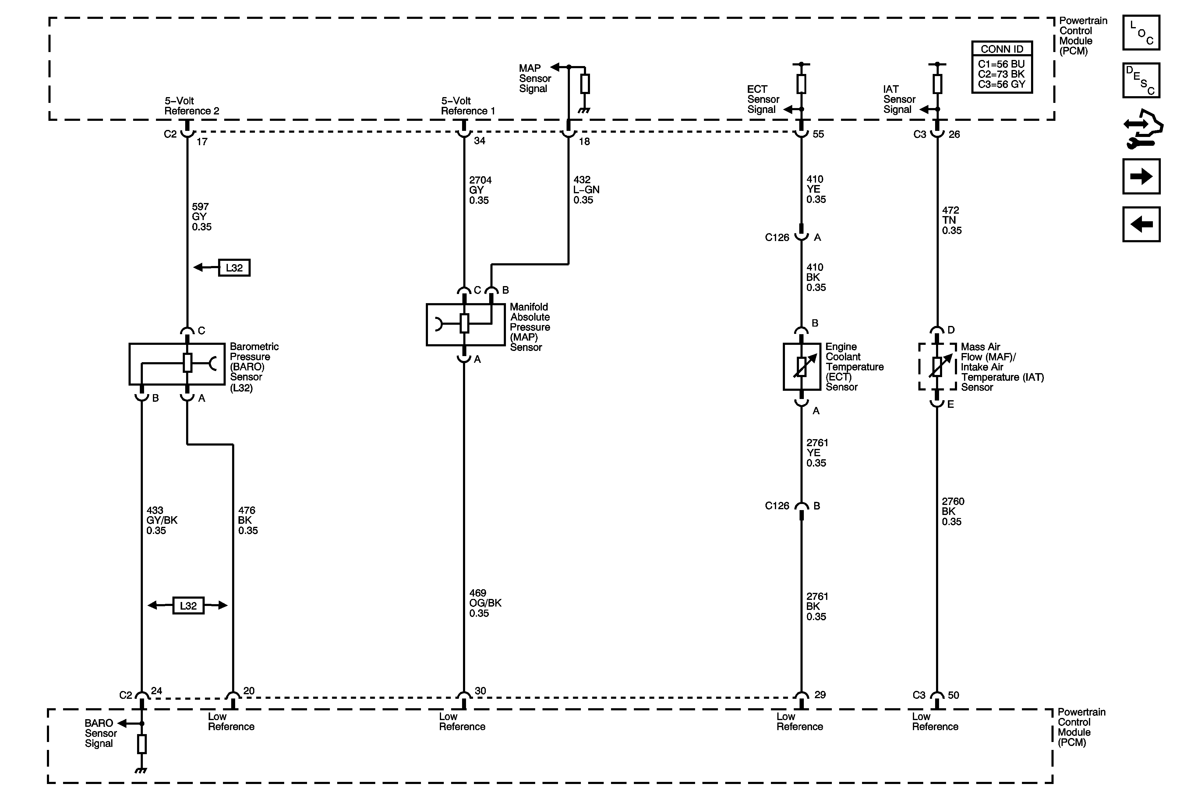
Figure 3:

BARO, MAP, ECT, and IAT/MAF Sensors


Object Number: 1797959  Size: FS
Master Electrical Component List
Control Module References
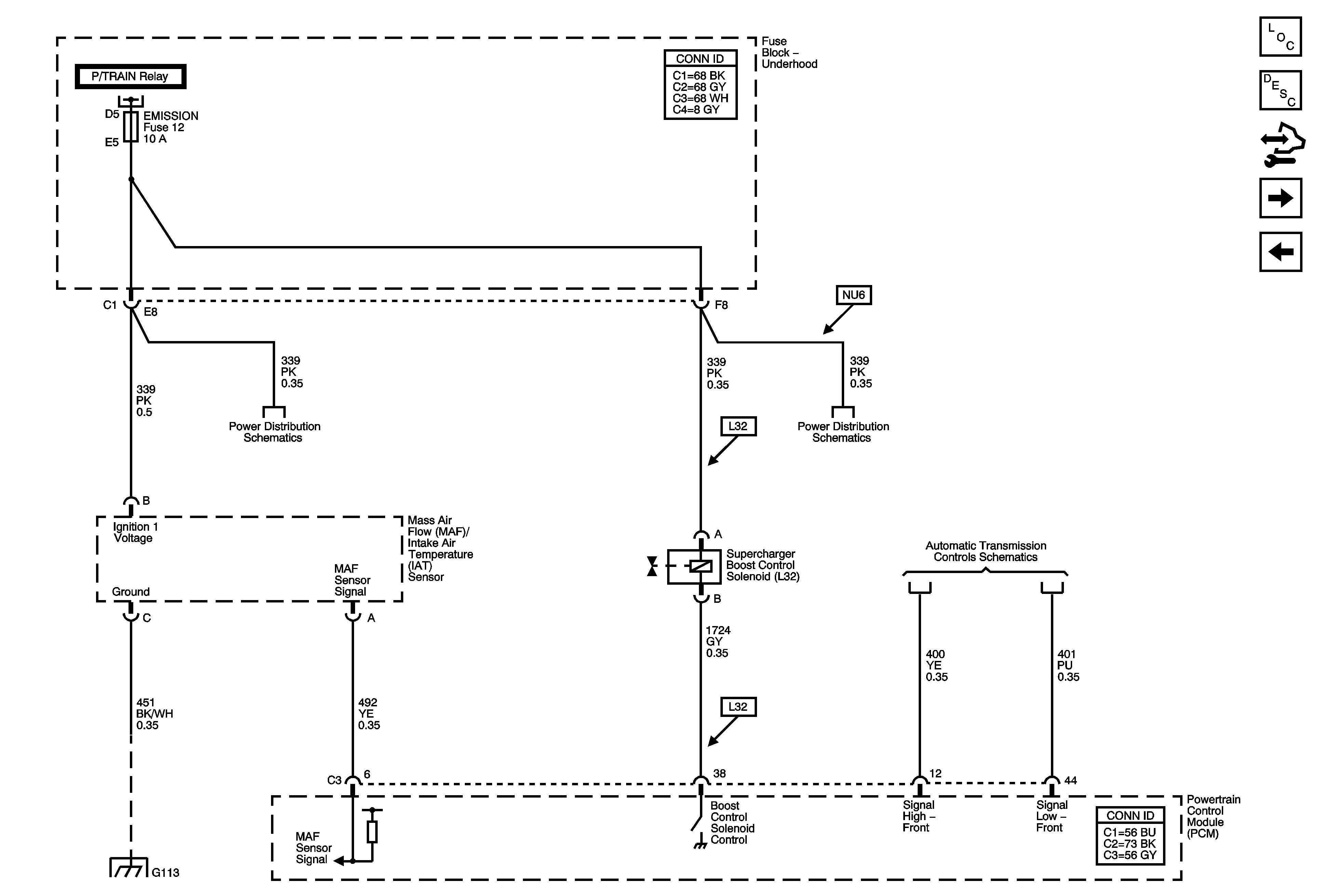
Figure 4:

IAT/MAF Sensor, Super Charger Boost Control Solenoid, and A/T Controls VSS References


Object Number: 1797973  Size: FS
Master Electrical Component List
Control Module References
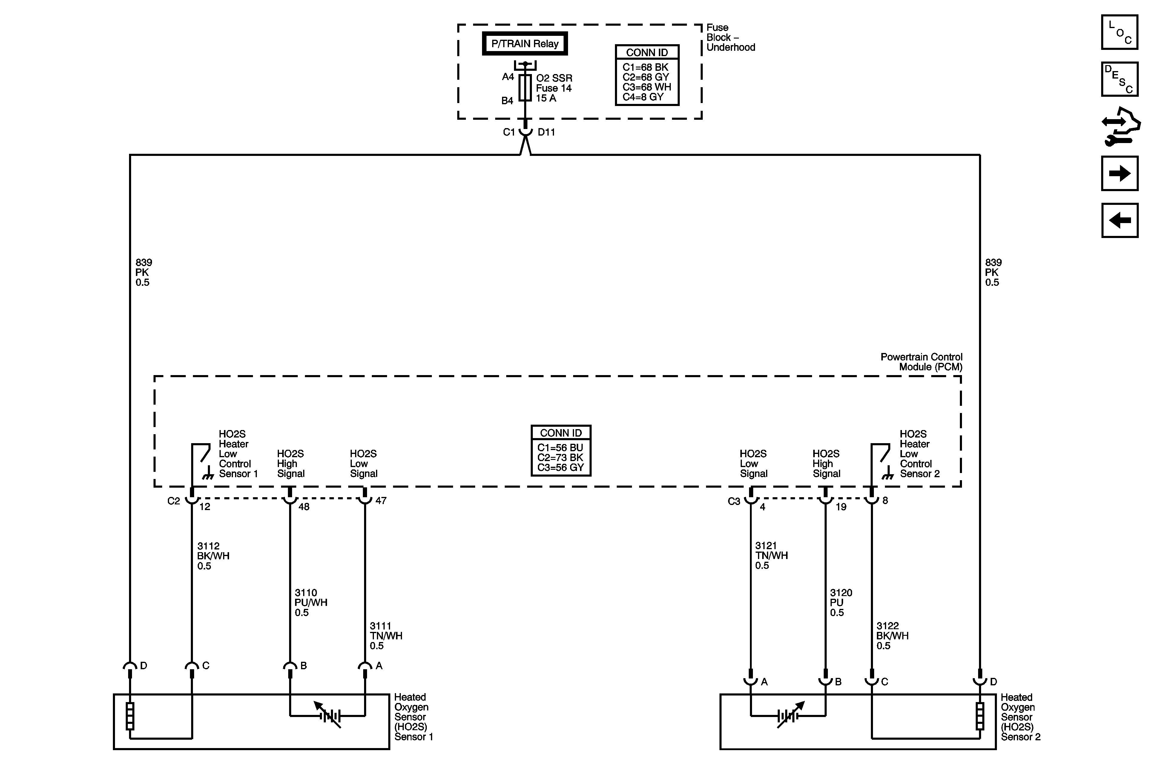
Figure 5:

Heated Oxygen Sensors


Object Number: 1797994  Size: FS
Master Electrical Component List
Control Module References
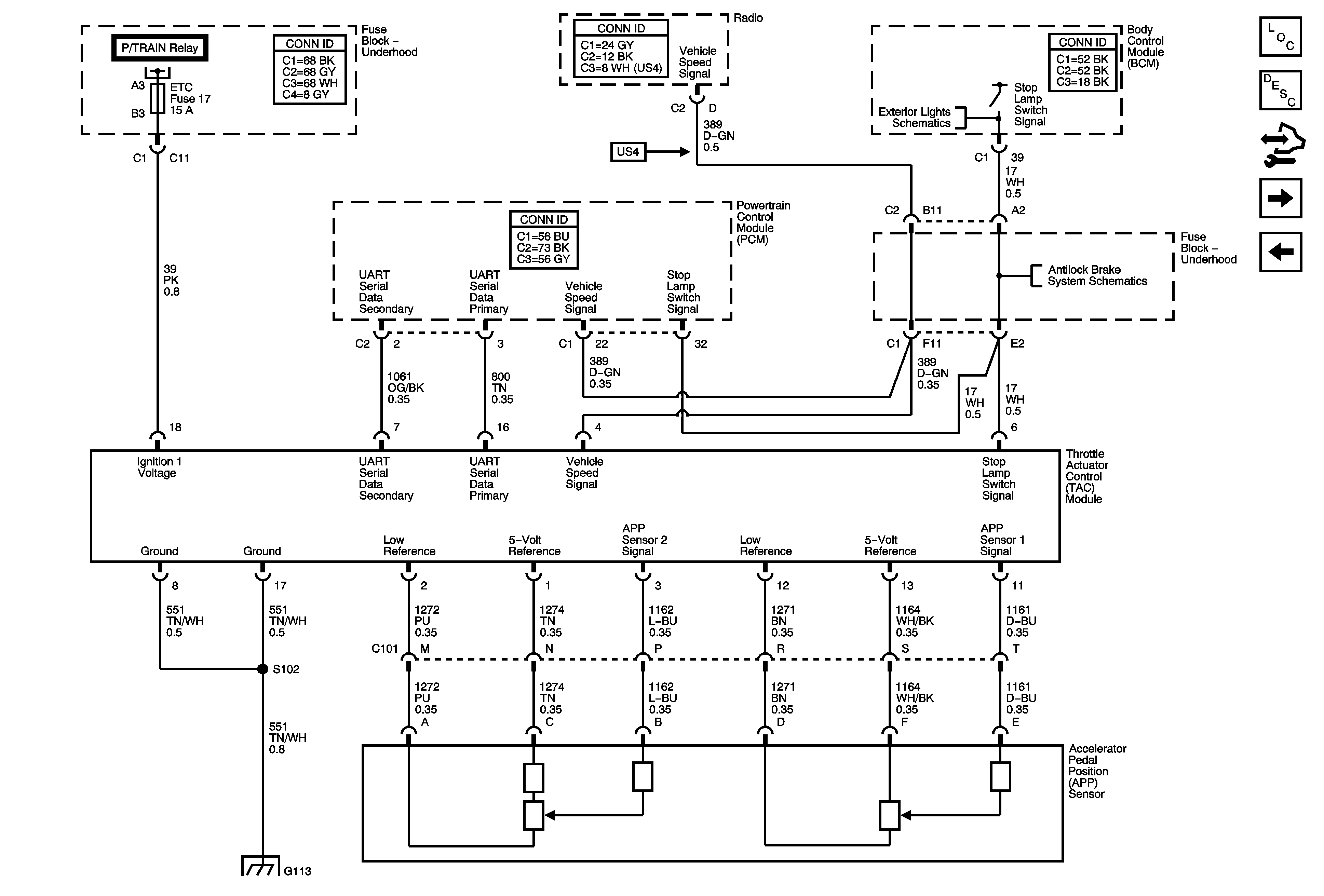
Figure 6:

Electronic Throttle Controls


Object Number: 1798007  Size: FS
Master Electrical Component List
Control Module References
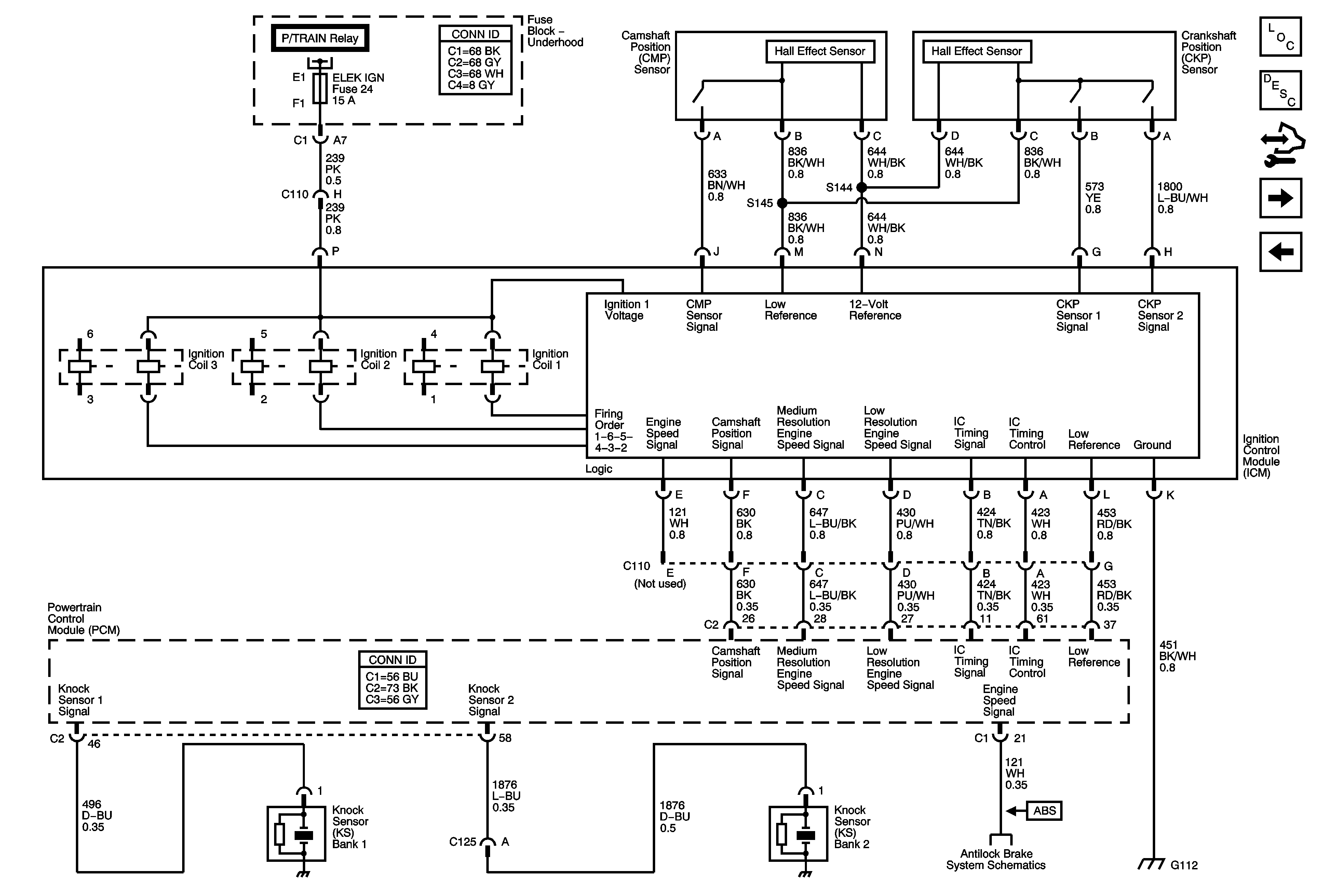
Figure 7:

Ignition Control Module


Object Number: 1798026  Size: FS
Master Electrical Component List
Control Module References
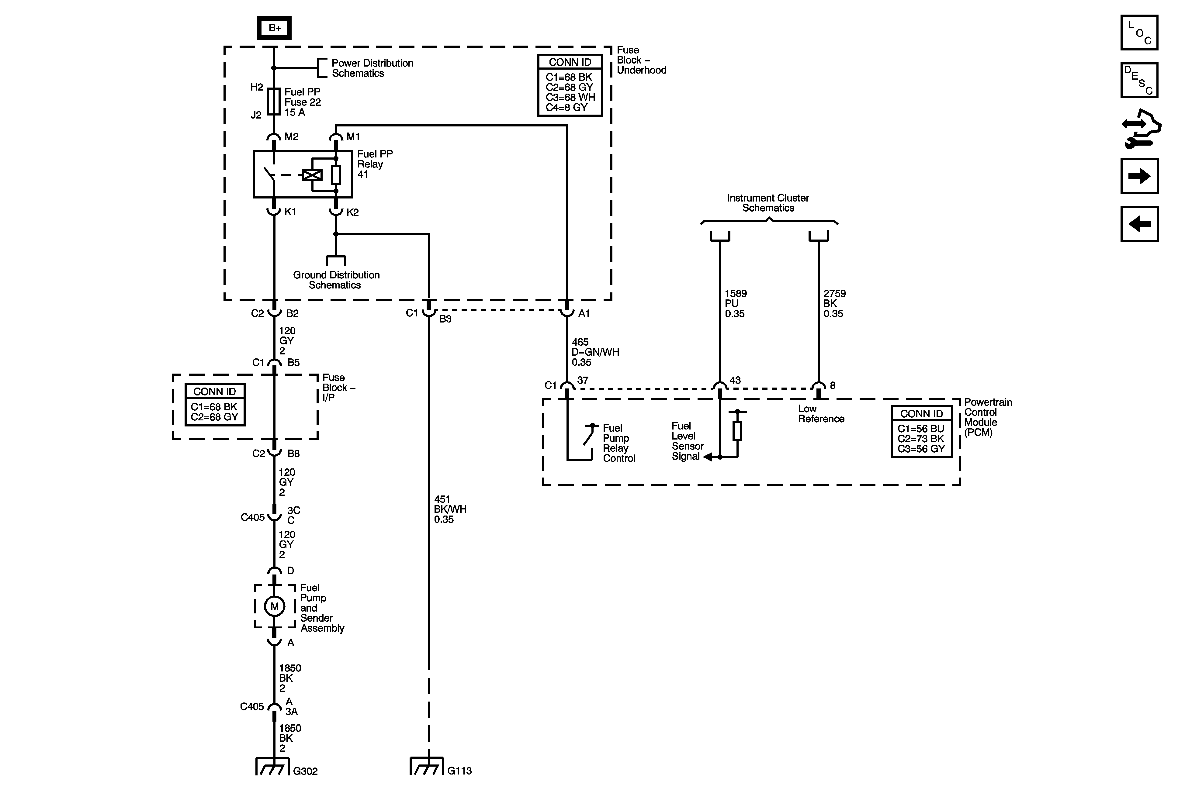
Figure 8:

Fuel Pump Controls


Object Number: 1798046  Size: FS
Master Electrical Component List
Control Module References
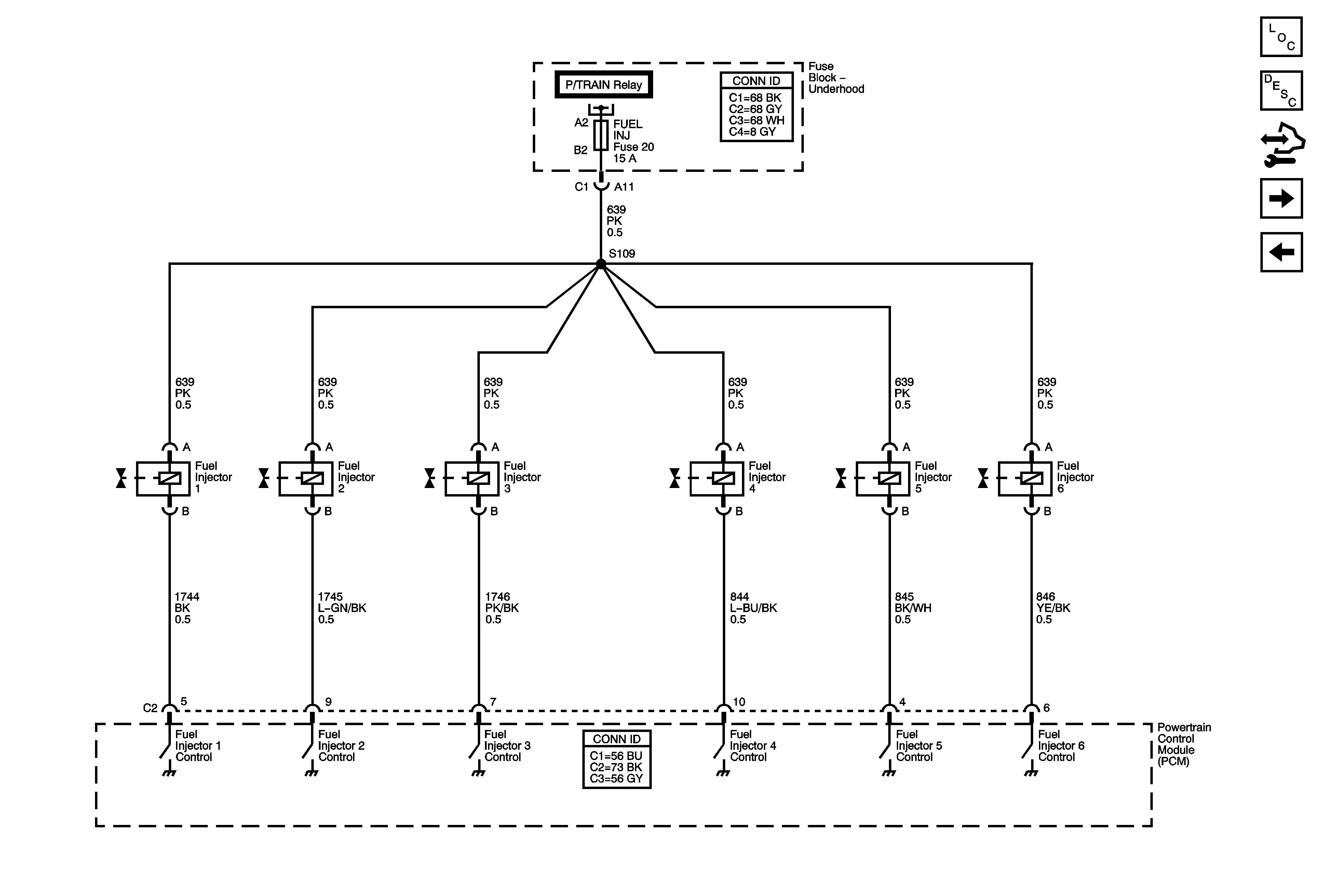
Figure 9:

Fuel Injectors


Object Number: 1798054  Size: FS
Master Electrical Component List
Control Module References
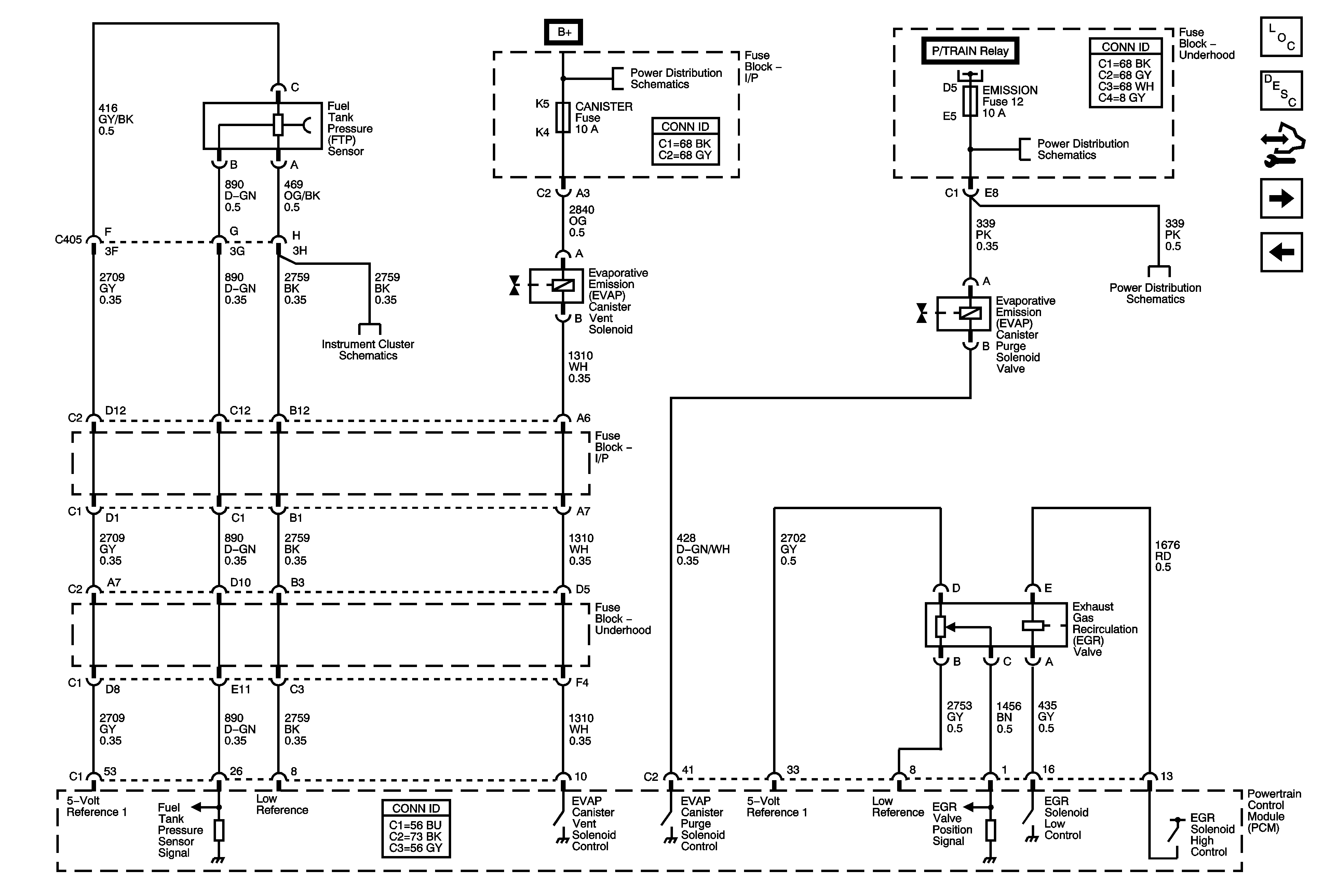
Figure 10:

EVAP Solenoids, FTP Sensor, and EGR Valve


Object Number: 1798063  Size: FS
Master Electrical Component List
Control Module References
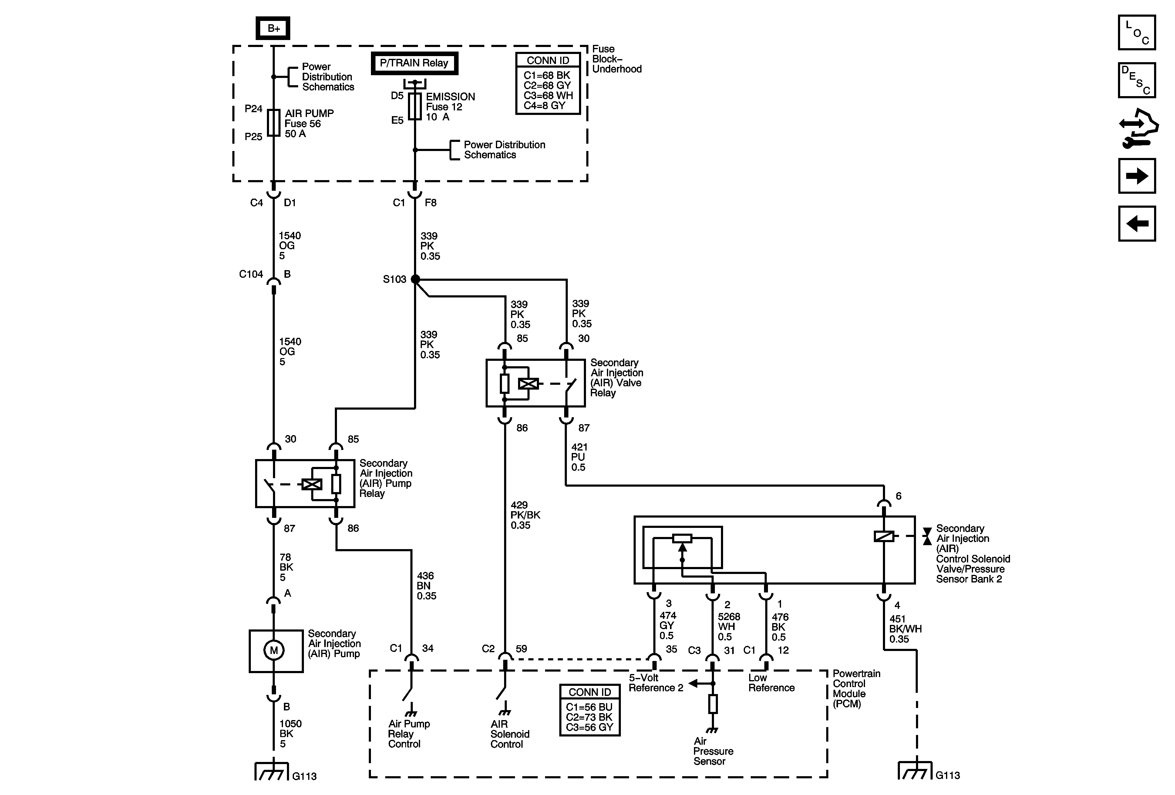
Figure 11:

Secondary Air Injection (AIR) - NU6


Object Number: 1798072  Size: FS
Master Electrical Component List
Control Module References
Figure 12:

Controlled/Monitored Subsystem References


Object Number: 1798067  Size: FS
Master Electrical Component List
Control Module References
Figure 13:

Automatic Transmission Controls References


Object Number: 1798069  Size: FS
Master Electrical Component List
Control Module References