GM Service Manual Online
For 1990-2009 cars only

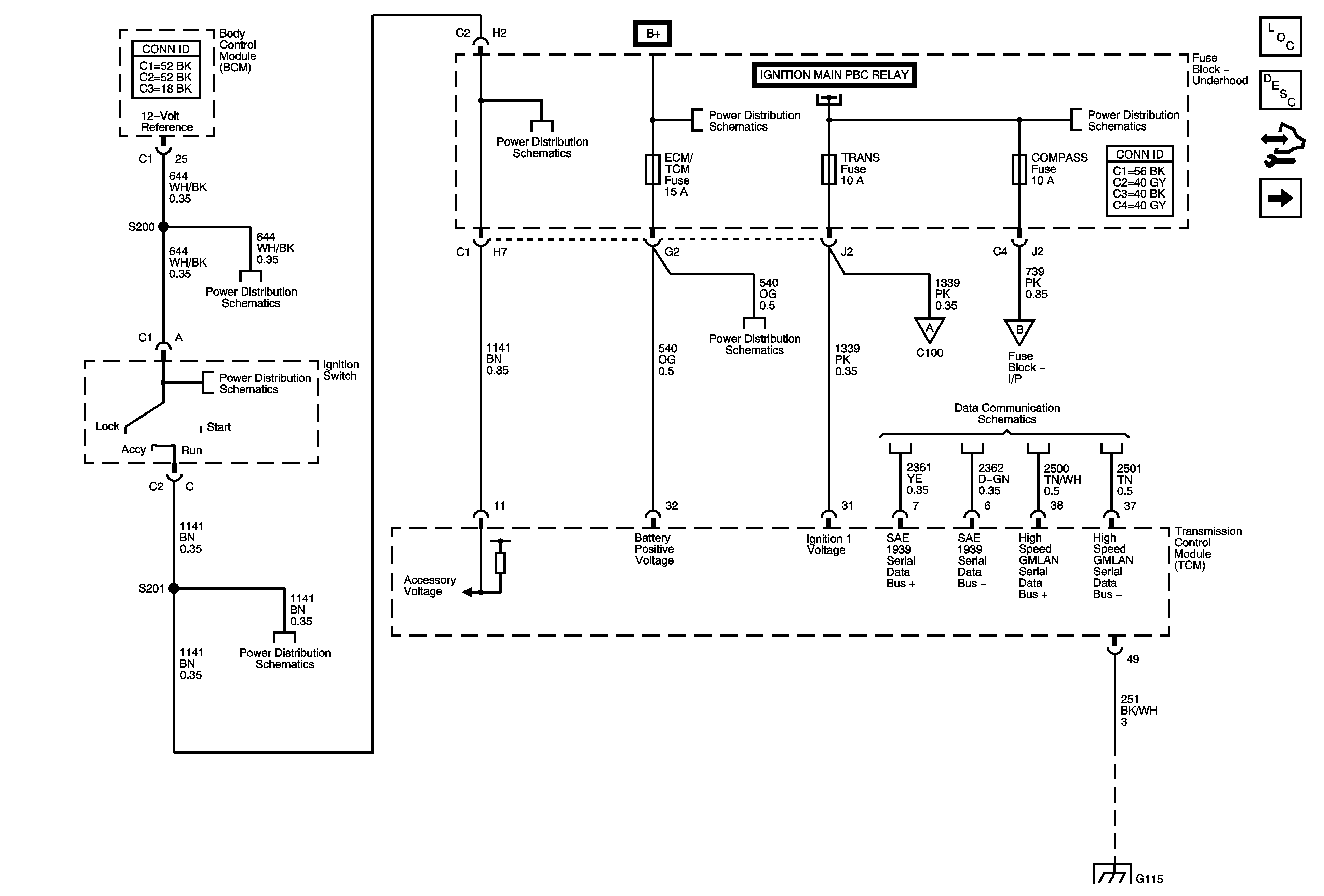
Automatic Transmission Controls Schematics LS4

Figure 1:

Power, Ground and Serial Data


Object Number: 1798174  Size: FS
Master Electrical Component List
Control Module References
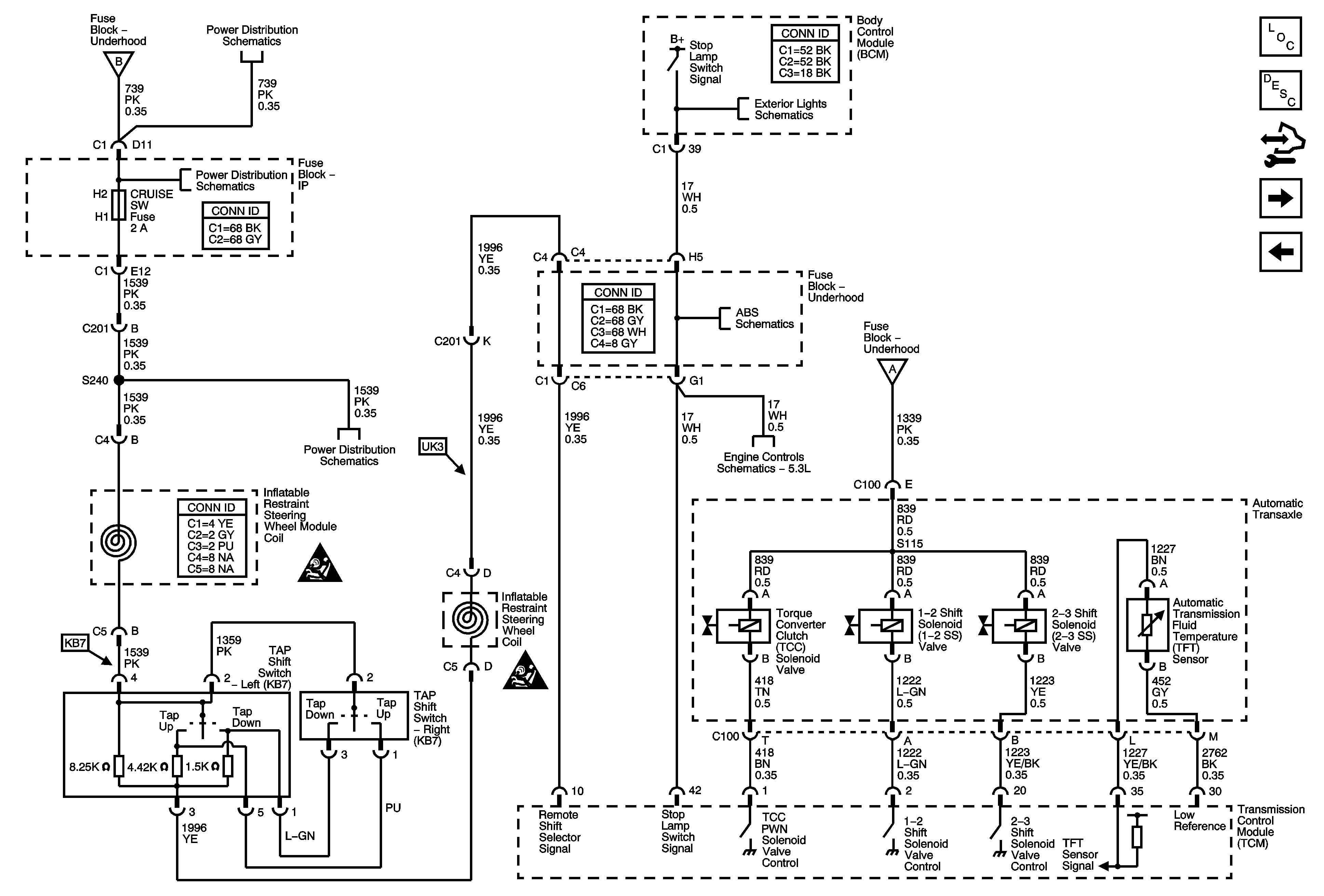
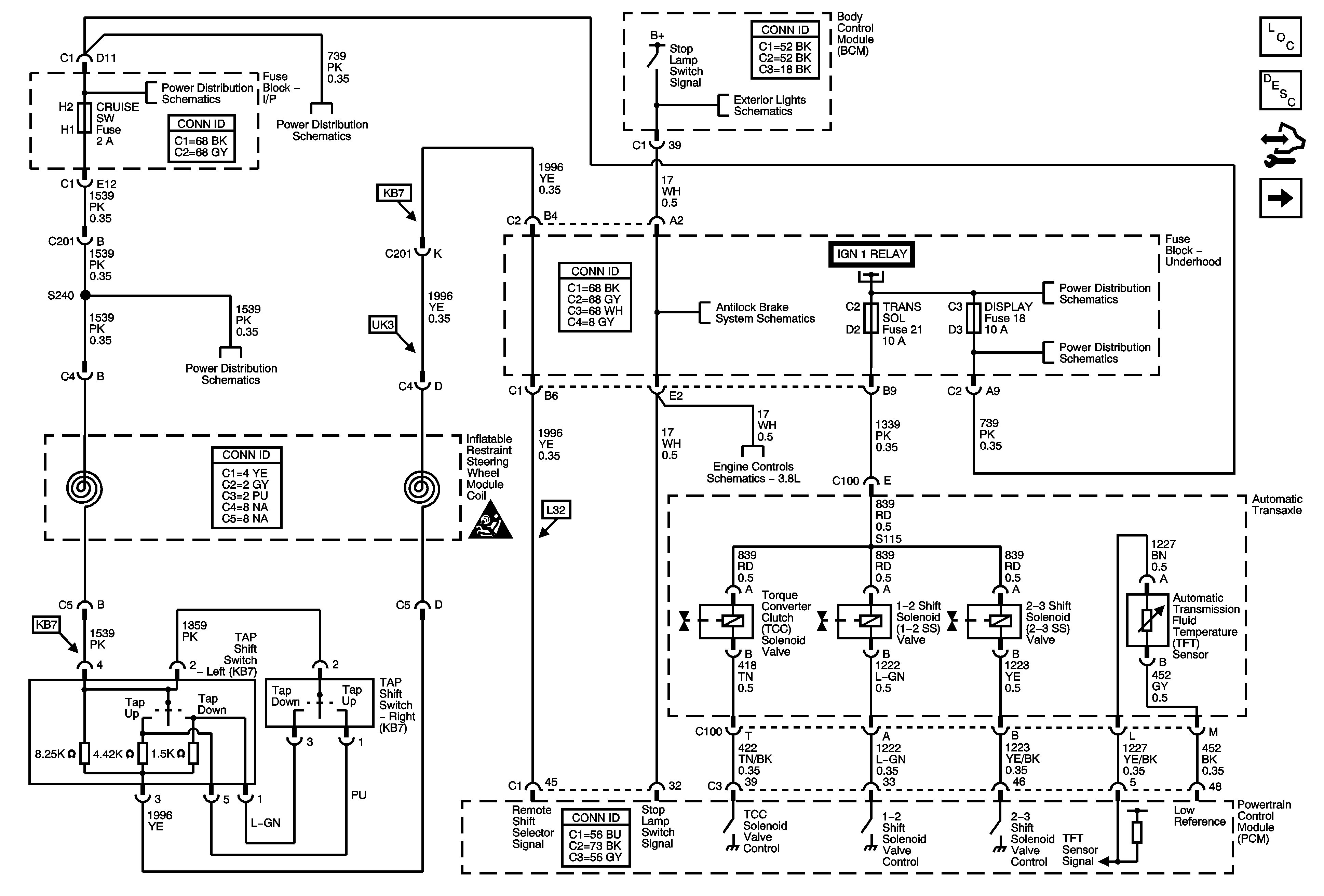
Figure 2:

Tap Shift Switches, Stop lamp Signal, TFT Sensor and TCC, Shift Solenoids


Object Number: 1798177  Size: FS
Master Electrical Component List
Control Module References
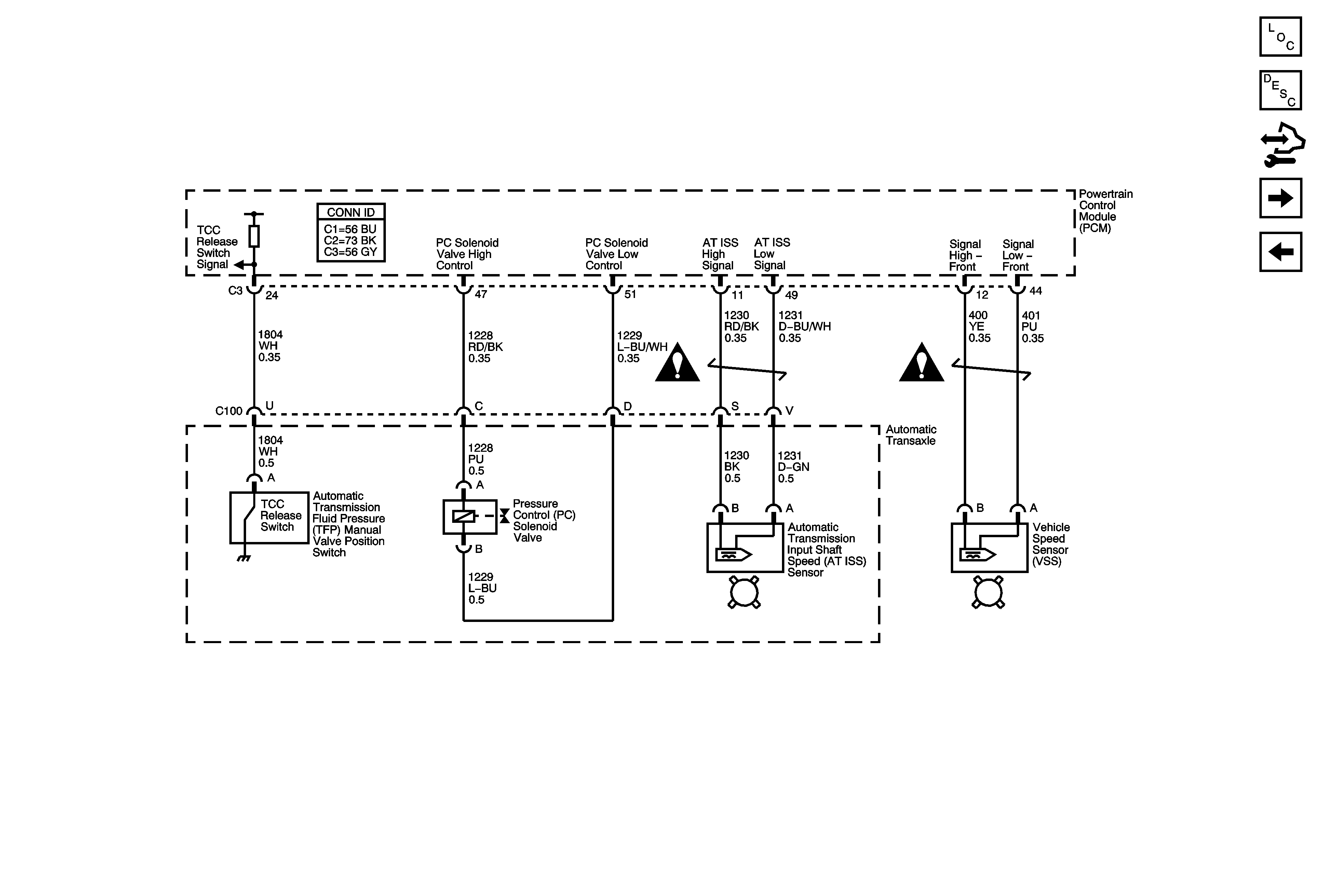
Figure 3:

VSS and ISS Sensors, Pressure Control Solenoid Valve, and TCC Release switch


Object Number: 1798181  Size: FS
Master Electrical Component List
Control Module References
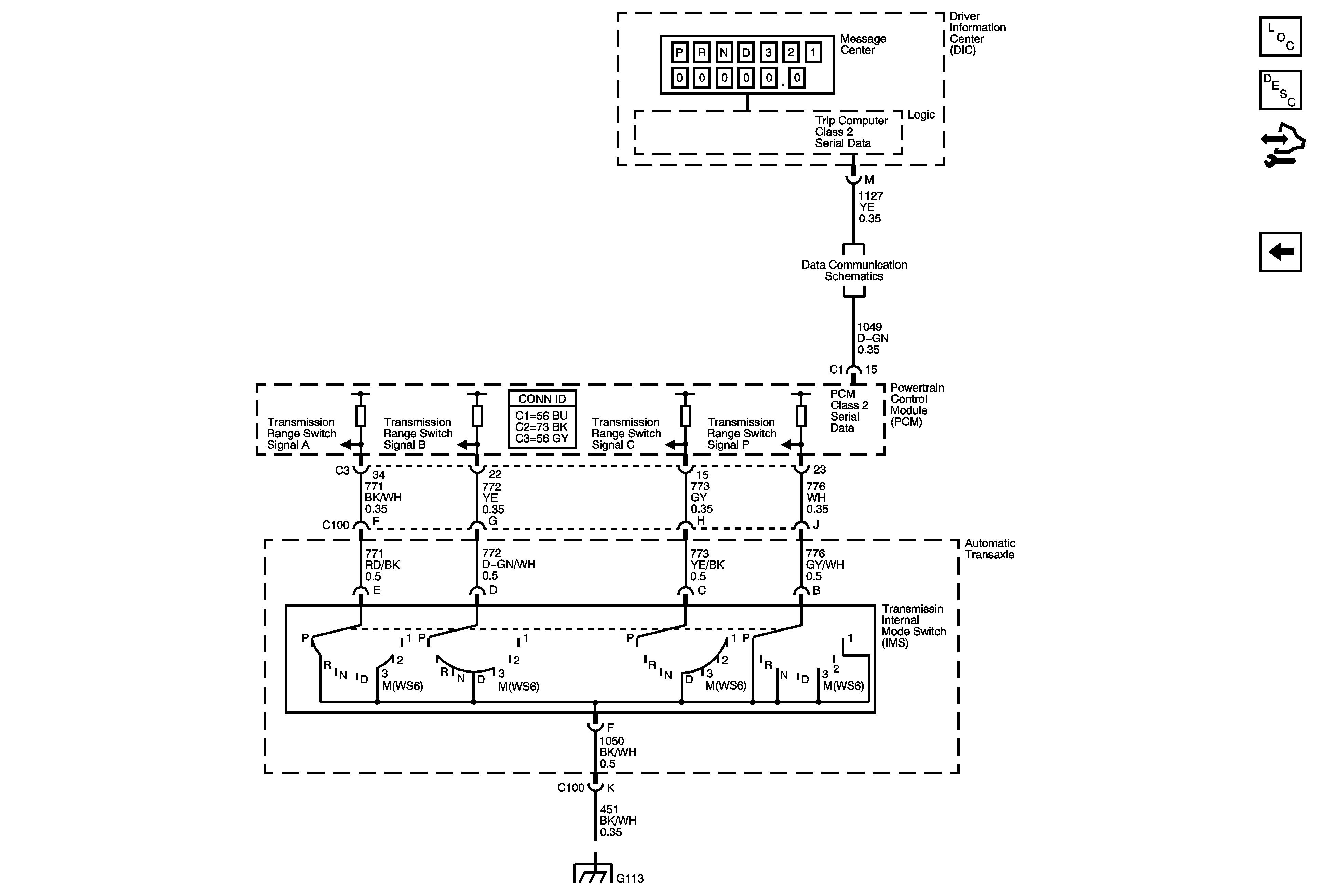
Figure 4:

PRNDL, and IMS Switch


Object Number: 1798189  Size: FS
Master Electrical Component List
Control Module References

Automatic Transmission Controls Schematics L26, L32

Figure 1:

TAP Shift Switches, Stop Lamp Signal, TFT Sensor and TCC, Shift Solenoids


Object Number: 1798211  Size: FS
Master Electrical Component List
Control Module References
Figure 2:

VSS and AT ISS Sensors, Pressure Control Solenoid Valve, and TCC Release Switch


Object Number: 1798224  Size: FS
Master Electrical Component List
Control Module References
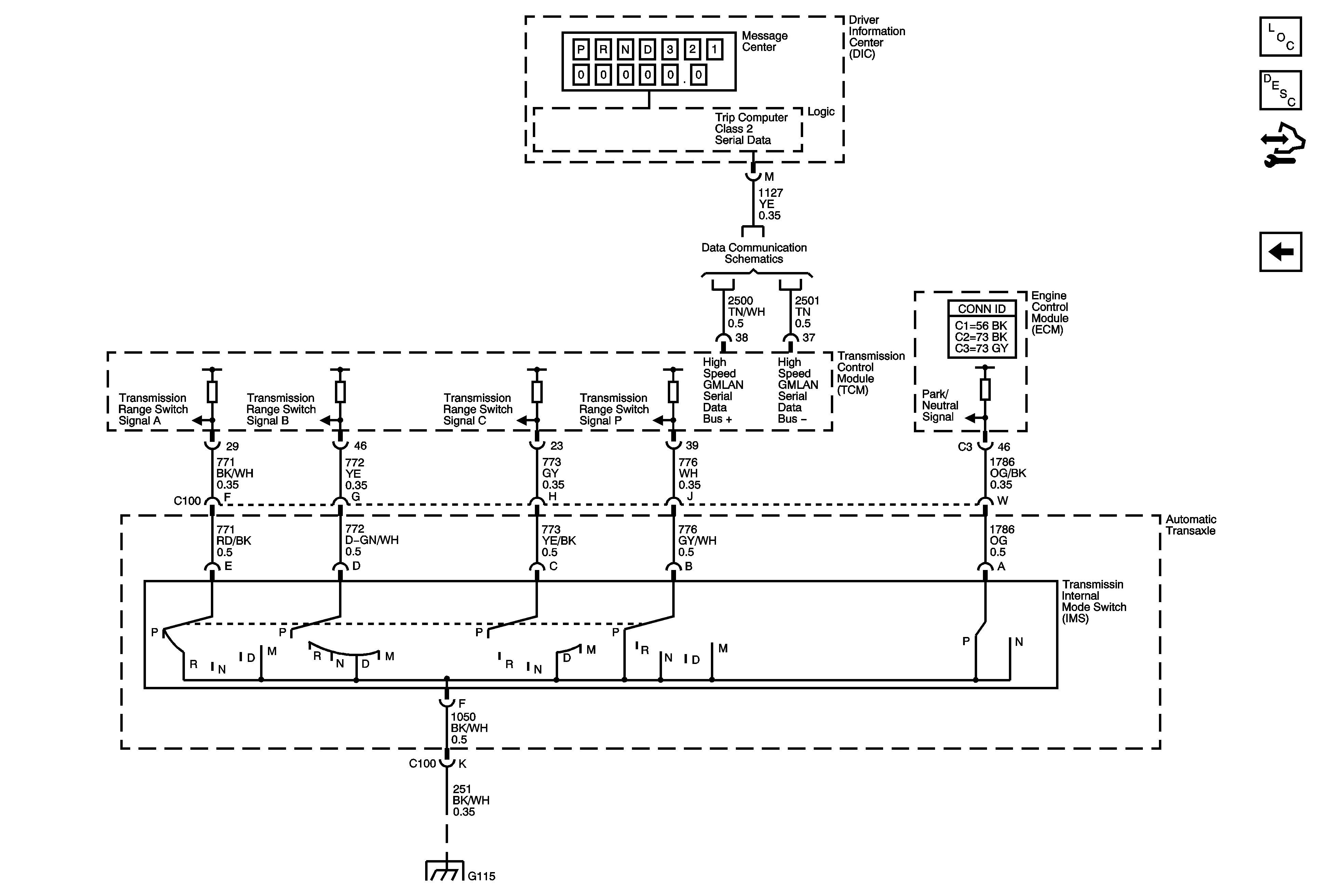
Figure 3:

PRNDL, and IMS Switch


Object Number: 1798229  Size: FS
Master Electrical Component List
Control Module References