GM Service Manual Online
For 1990-2009 cars only
Makes
🢒
Pontiac
🢒
2007
🢒
Grand Prix
🢒
Diagnostic Navigation
🢒
Vehicle Diagnostic Information
🢒 SIR Schematics
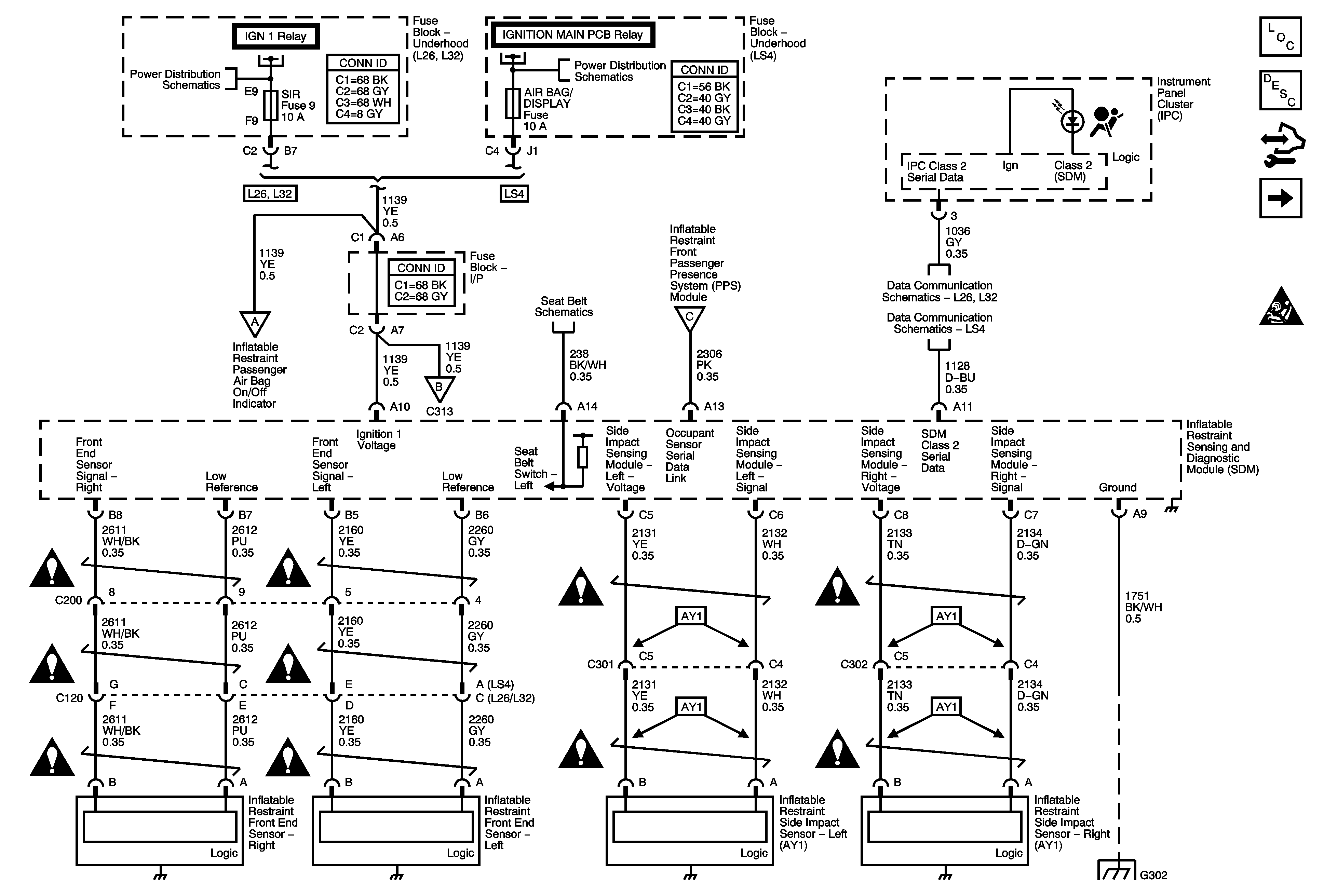
Figure
1:
Power, Ground, DLC, Indicators, Sensors and References
Master Electrical Component List
Control Module References
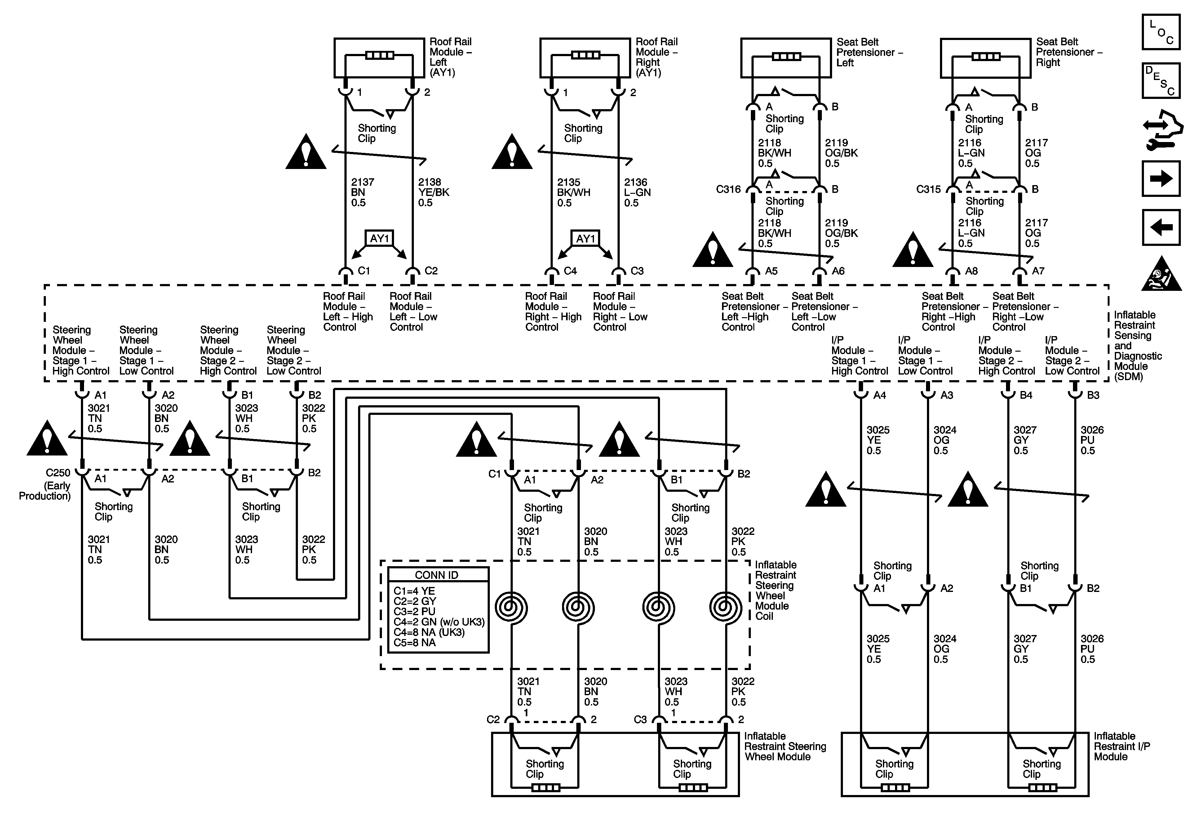
Figure
2:
Deployment Loops
Master Electrical Component List
Control Module References
Figure
3:
Passenger Presence System
Master Electrical Component List
Control Module References