GM Service Manual Online
For 1990-2009 cars only
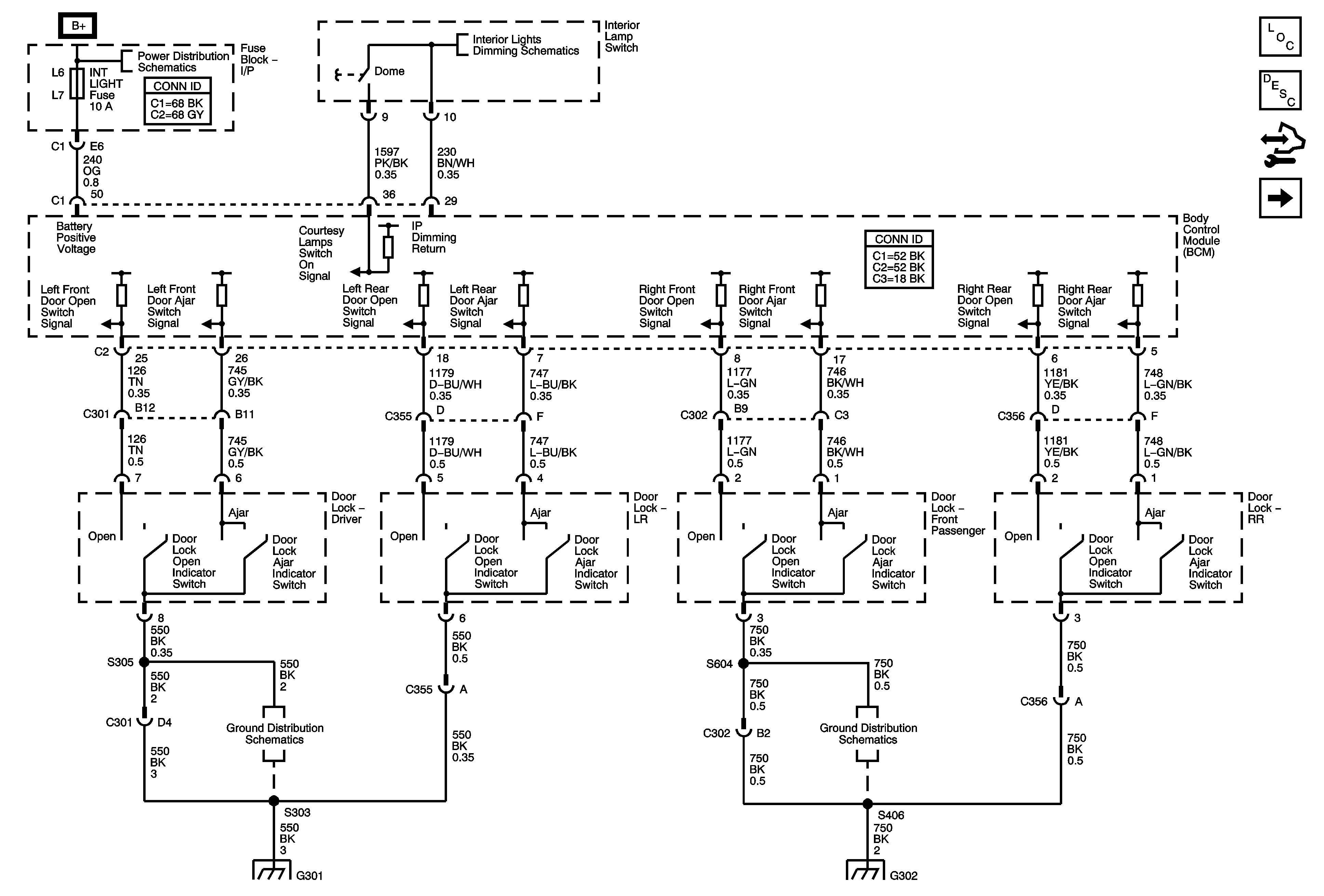
Figure 1:

Switches


Object Number: 1798457  Size: FS
Master Electrical Component List
Control Module References
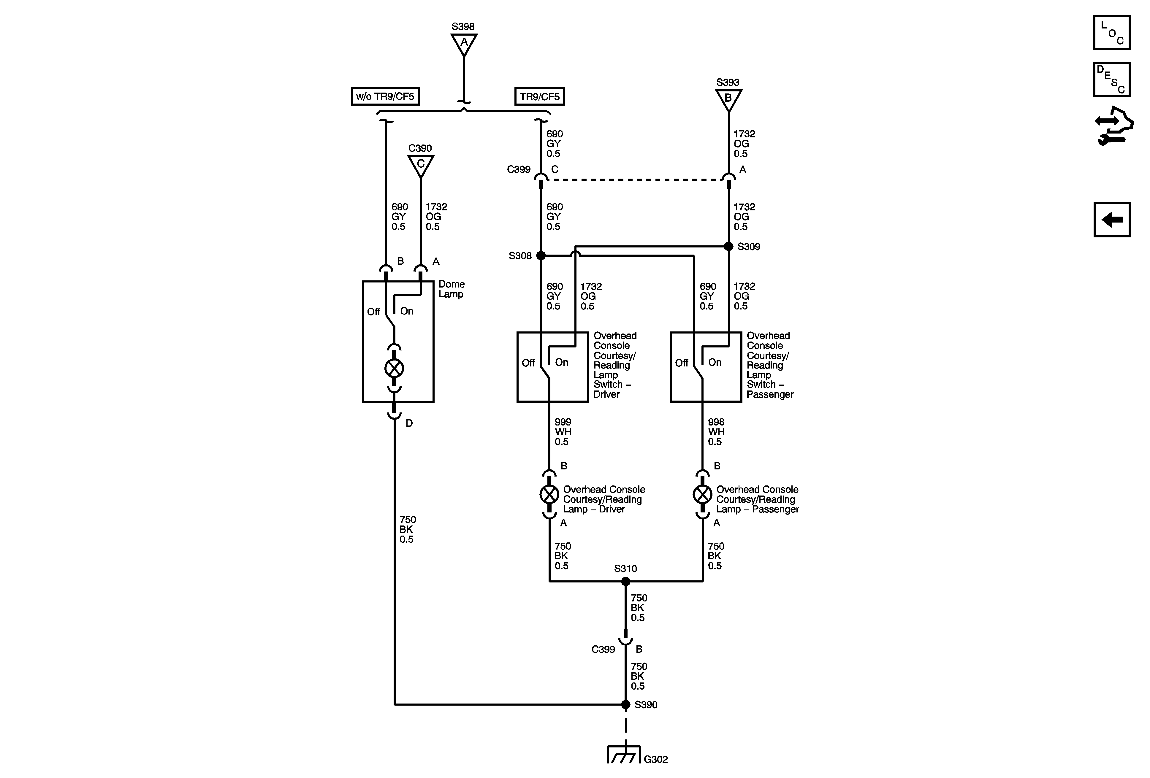
Figure 2:

Courtesy Lamps


Object Number: 1798458  Size: FS
Master Electrical Component List
Control Module References
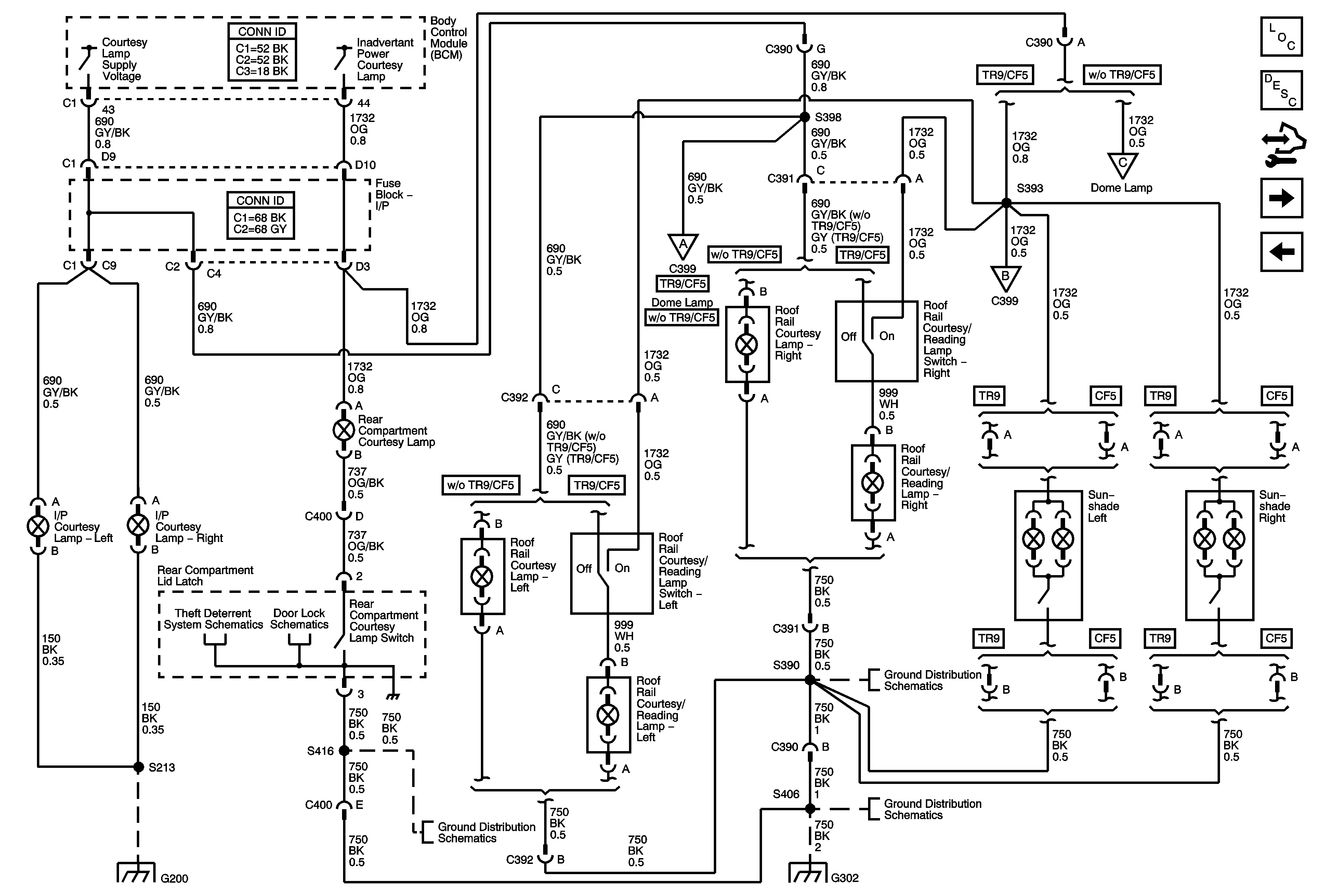
Figure 3:

Overhead Lighting


Object Number: 1798459  Size: FS
Master Electrical Component List
Control Module References