GM Service Manual Online
For 1990-2009 cars only

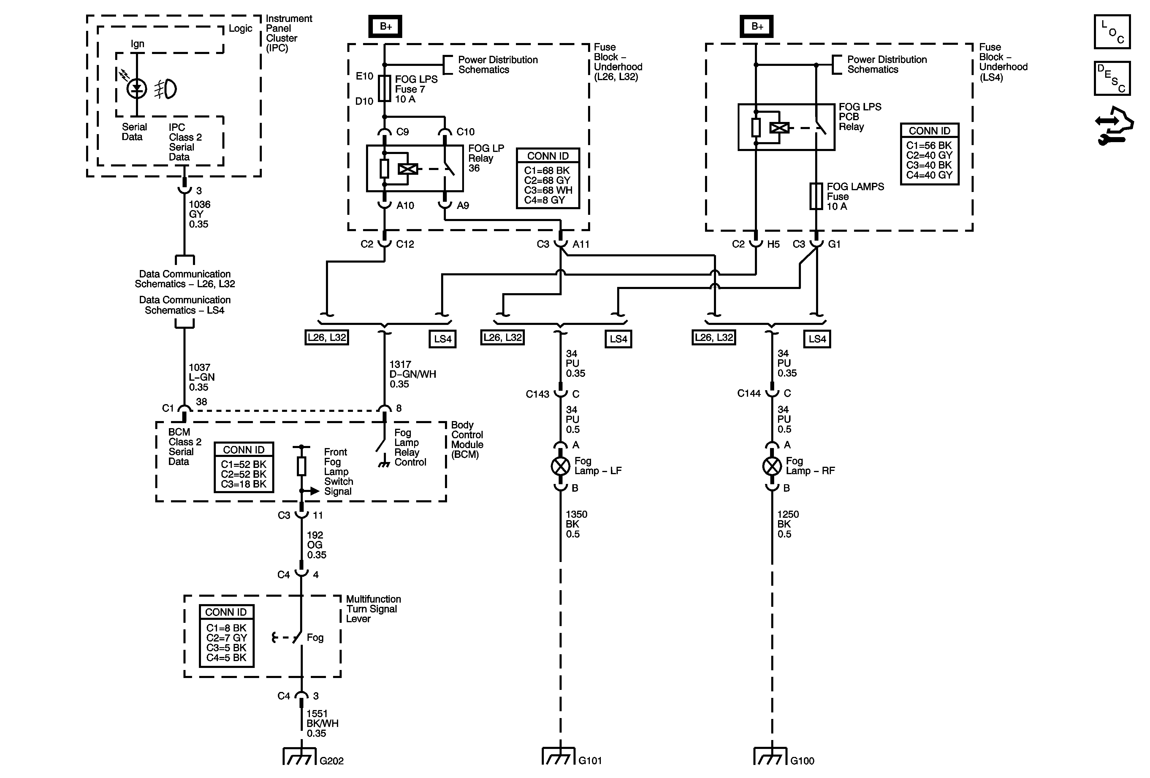
Object Number: 1798494  Size: FS
Master Electrical Component List
Control Module References