GM Service Manual Online
For 1990-2009 cars only
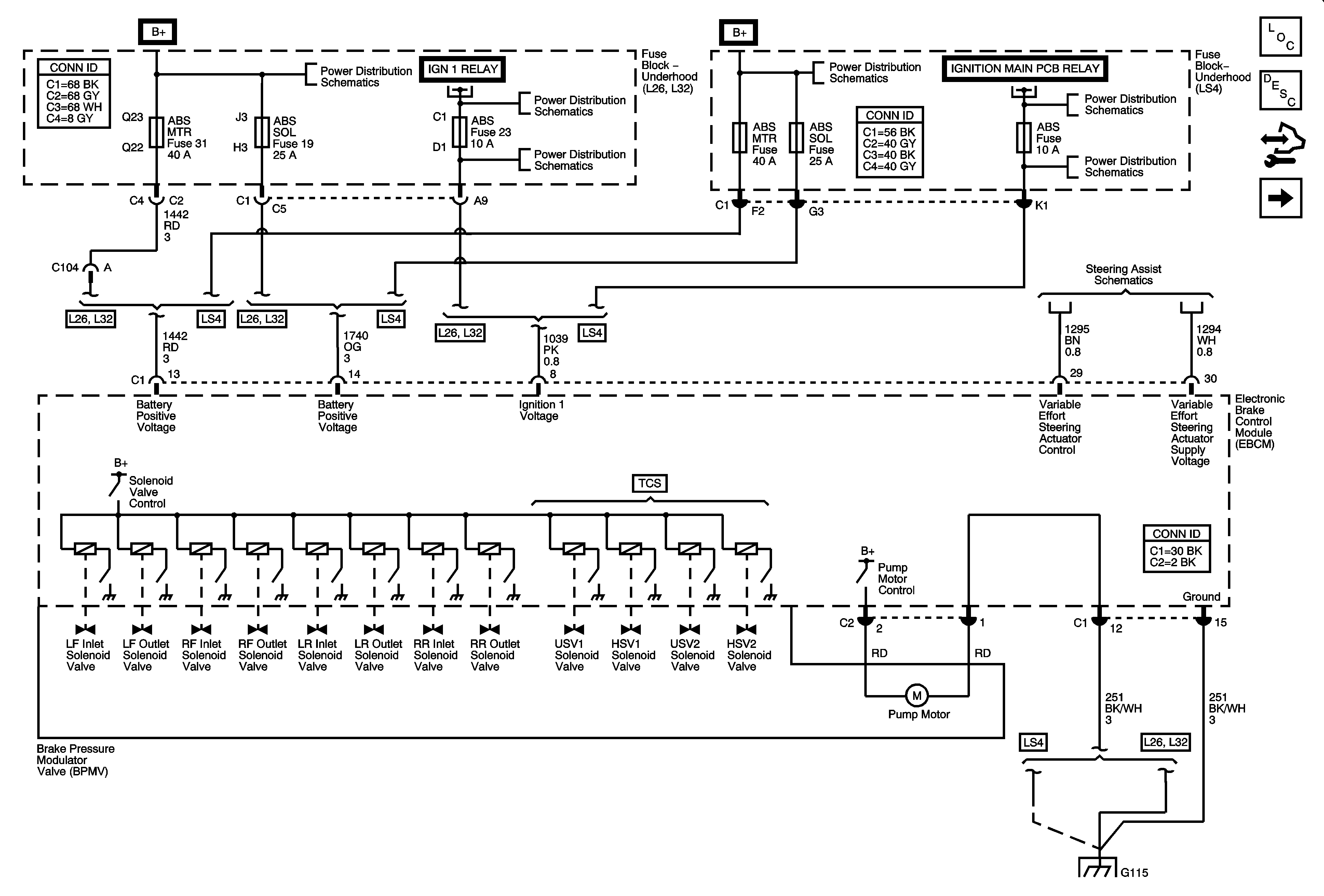
Figure 1:

Power, Ground and Brake Pressure Modulator Valves


Object Number: 1797906  Size: FS
Master Electrical Component List
Control Module References
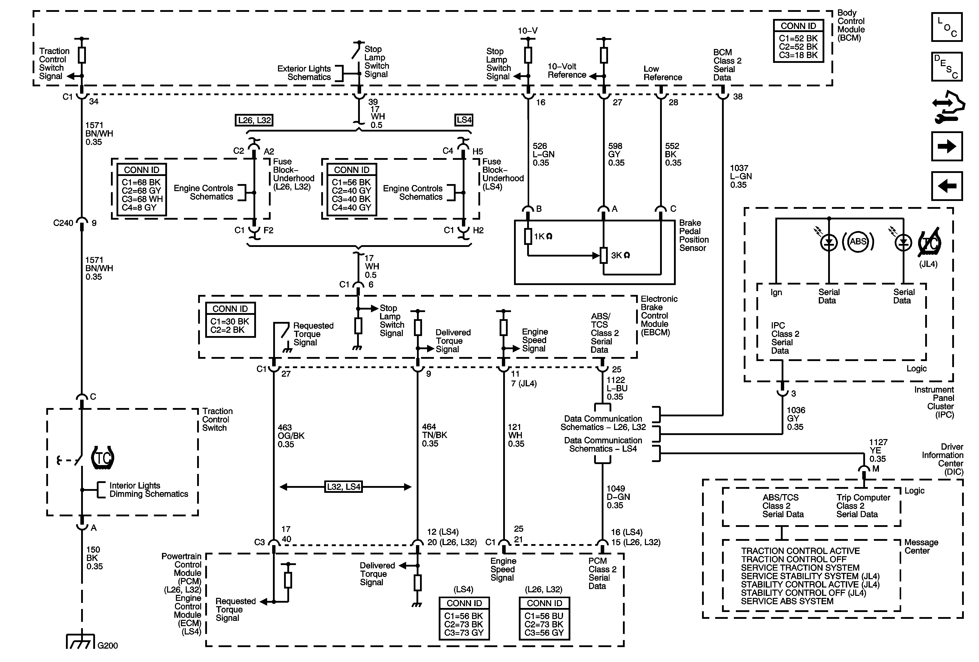
Figure 2:

Indicators, ABS, Stability and Traction Controls


Object Number: 1797908  Size: FS
Master Electrical Component List
Control Module References
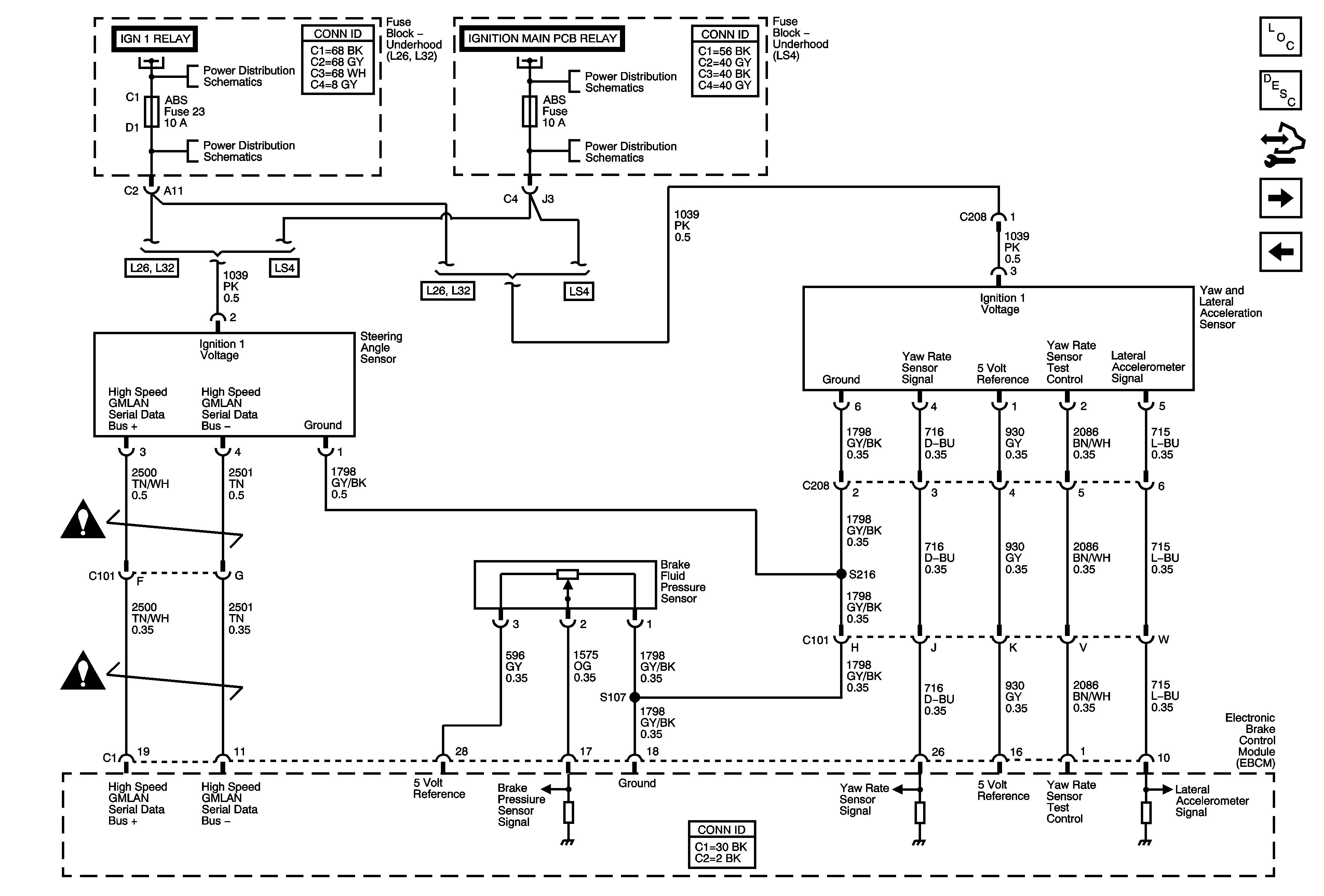
Figure 3:

Stability Control Sensors - JL4


Object Number: 1797909  Size: FS
Master Electrical Component List
Control Module References
Figure 4:

Wheel Speed Sensors


Object Number: 1797914  Size: FS
Master Electrical Component List
Control Module References