GM Service Manual Online
For 1990-2009 cars only
Makes
🢒
Pontiac
🢒
2007
🢒
Grand Prix
🢒
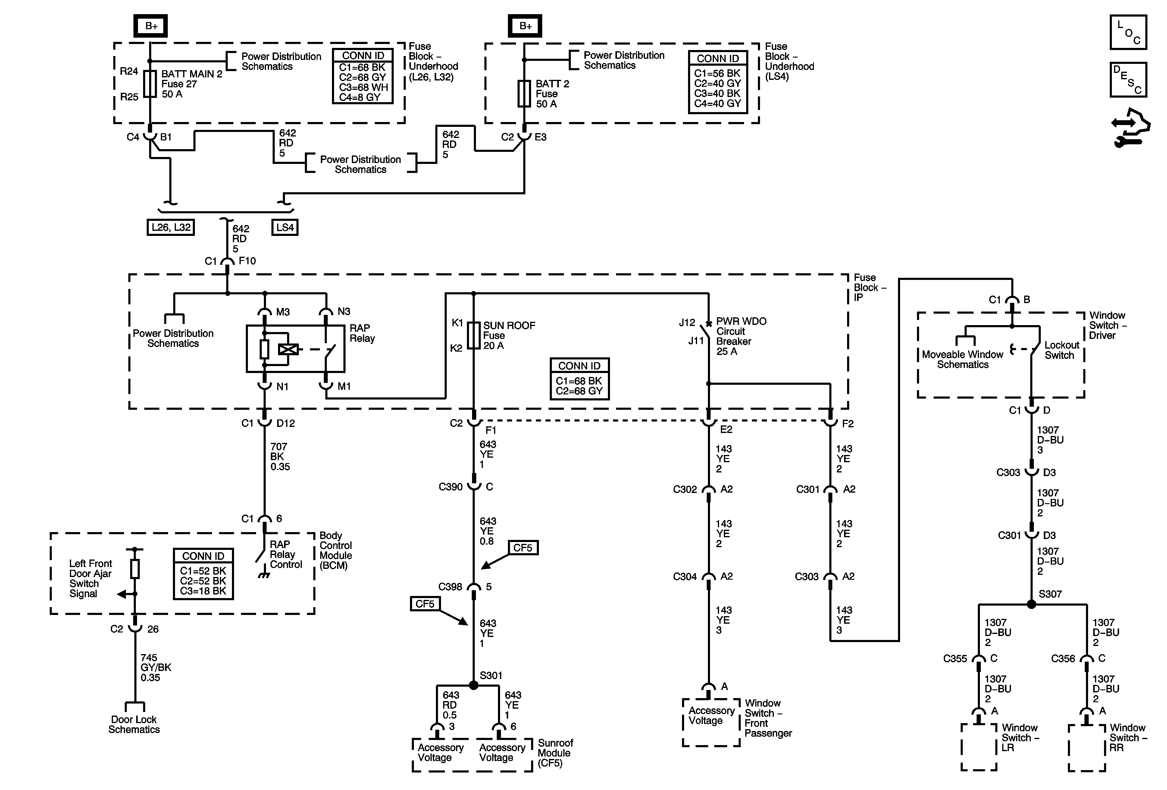
Power and Signal Distribution
🢒
Wiring Systems and Power Management
🢒 Power Moding Schematics
Master Electrical Component List
Control Module References