GM Service Manual Online
For 1990-2009 cars only
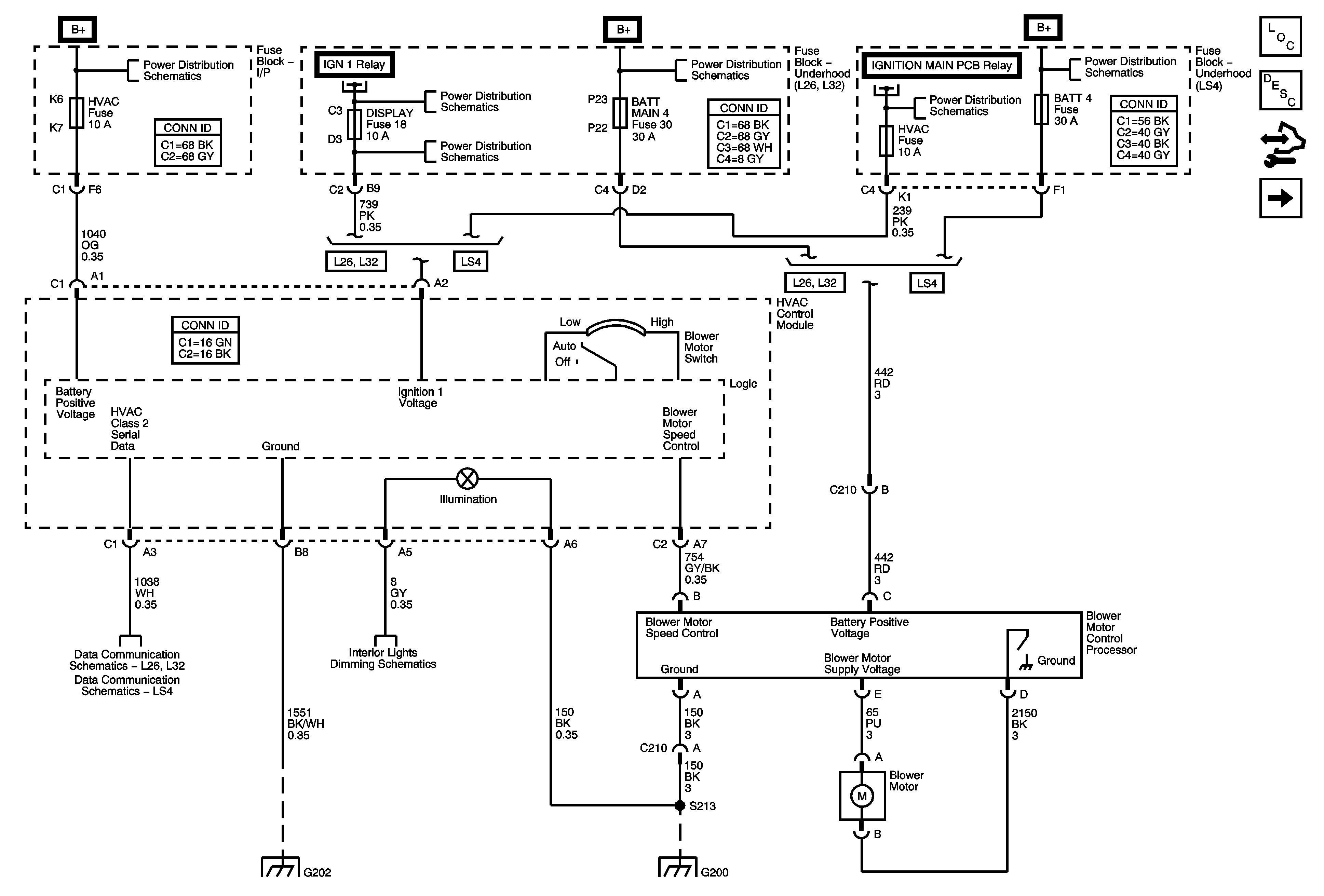
Figure 1:

Power, Ground, and Blower Motor Controls


Object Number: 1797769  Size: FS
Master Electrical Component List
Control Module References
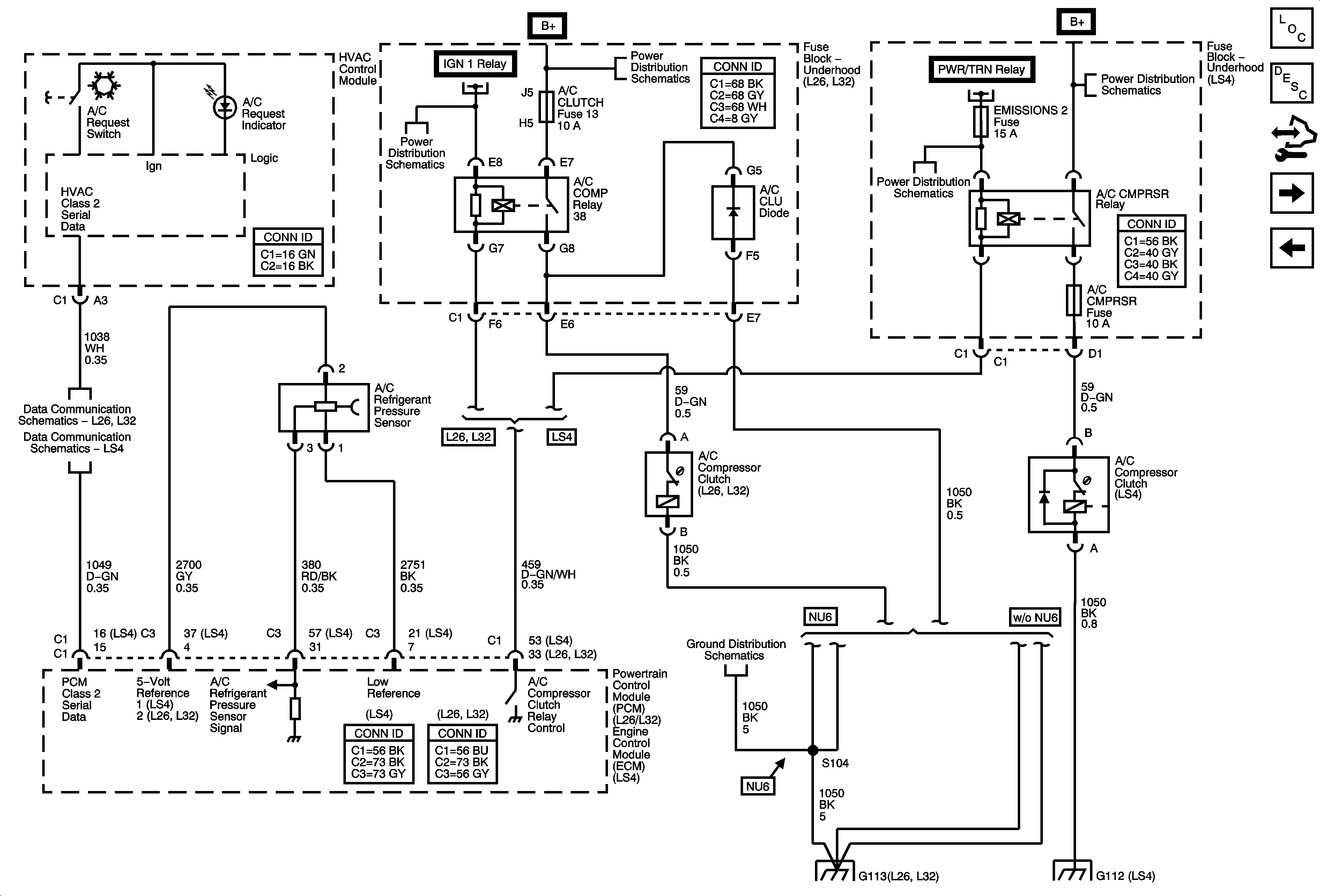
Figure 2:

A/C Compressor Controls


Object Number: 1797770  Size: FS
Master Electrical Component List
Control Module References
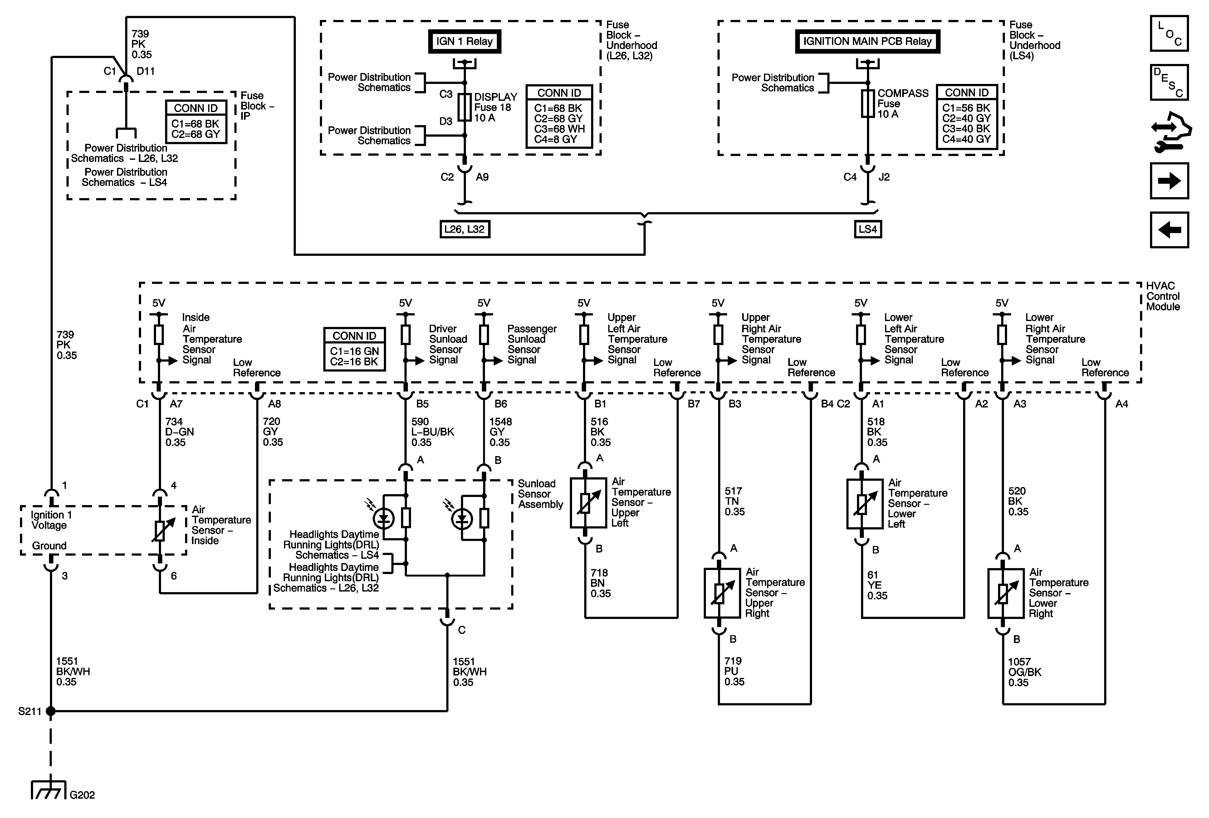
Figure 3:

Sensors


Object Number: 1797771  Size: FS
Master Electrical Component List
Control Module References
Figure 4:

Actuators


Object Number: 1797772  Size: FS
Master Electrical Component List
Control Module References