GM Service Manual Online
For 1990-2009 cars only
Figure 1:

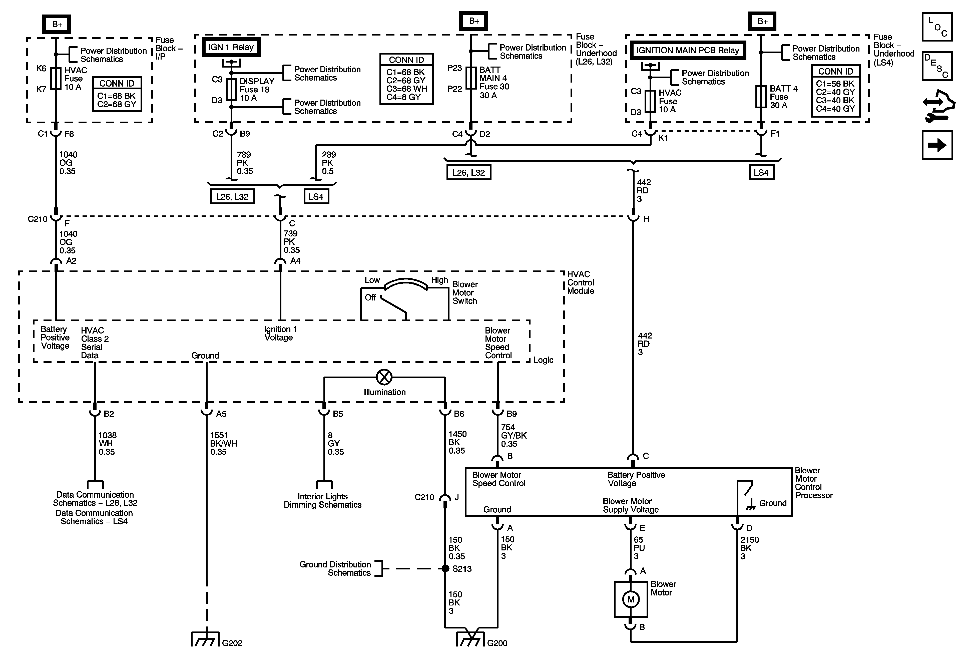
Power, Ground and Blower Motor Controls


Object Number: 1797758  Size: FS
Master Electrical Component List
Control Module References
Figure 2:

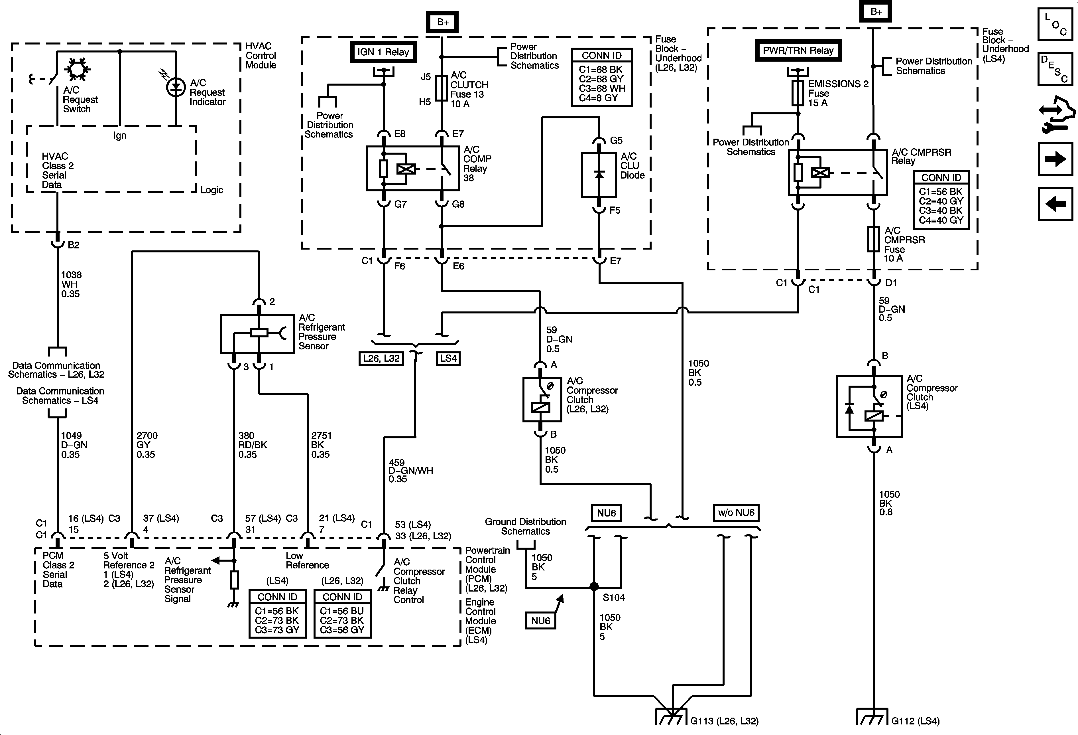
A/C Compressor Controls


Object Number: 1797762  Size: FS
Master Electrical Component List
Control Module References
Figure 3:

Mode and Air Temperature Controls


Object Number: 1797764  Size: FS
Master Electrical Component List
Control Module References