GM Service Manual Online
For 1990-2009 cars only
Makes
🢒
Pontiac
🢒
2007
🢒
Grand Prix
🢒
Safety and Security
🢒
Immobilizer
🢒 Immobilizer Schematics
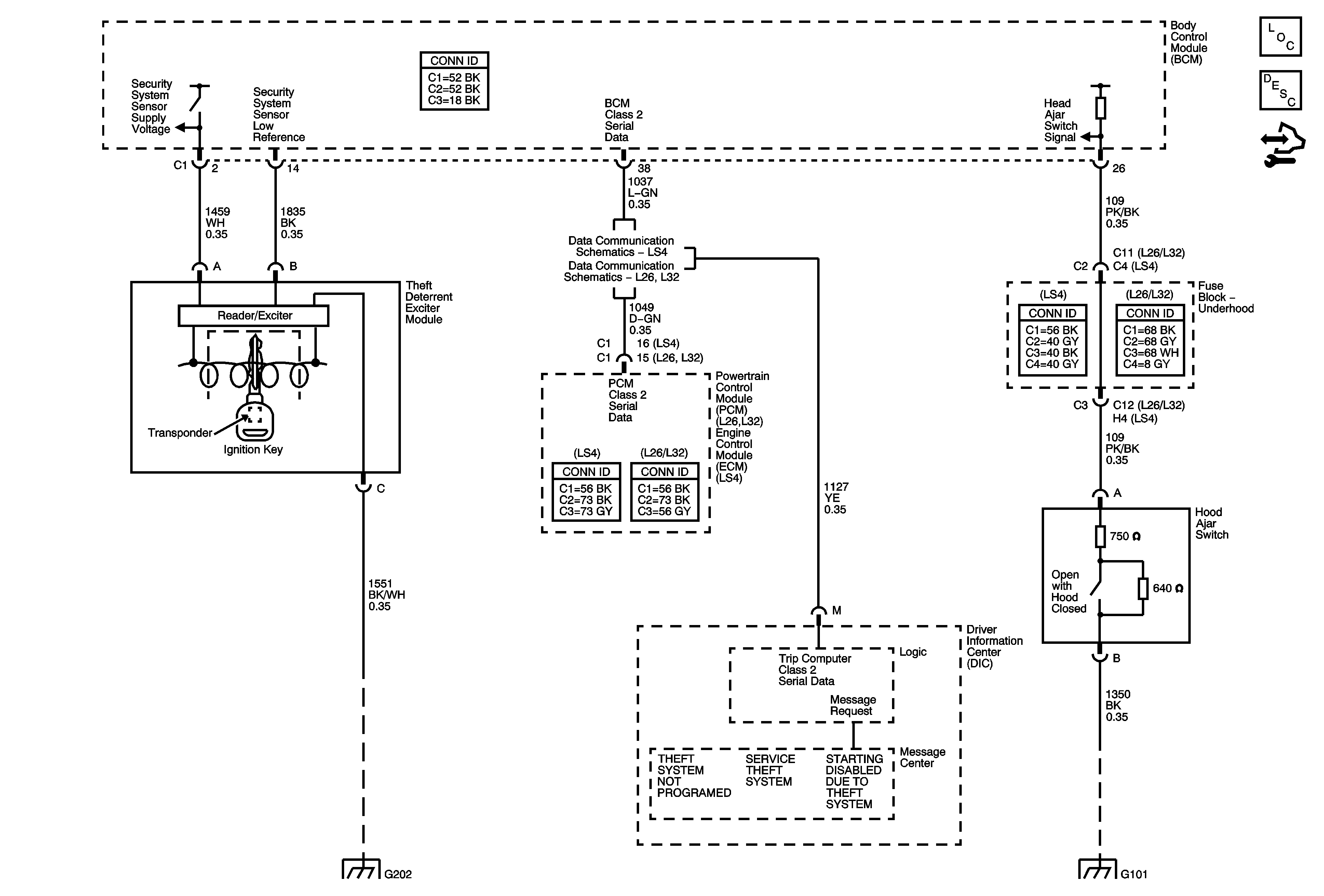
Vehicle Theft Deterrent (VTD) System
Master Electrical Component List
Control Module References