GM Service Manual Online
For 1990-2009 cars only
Makes
🢒
Pontiac
🢒
2007
🢒
Grand Prix
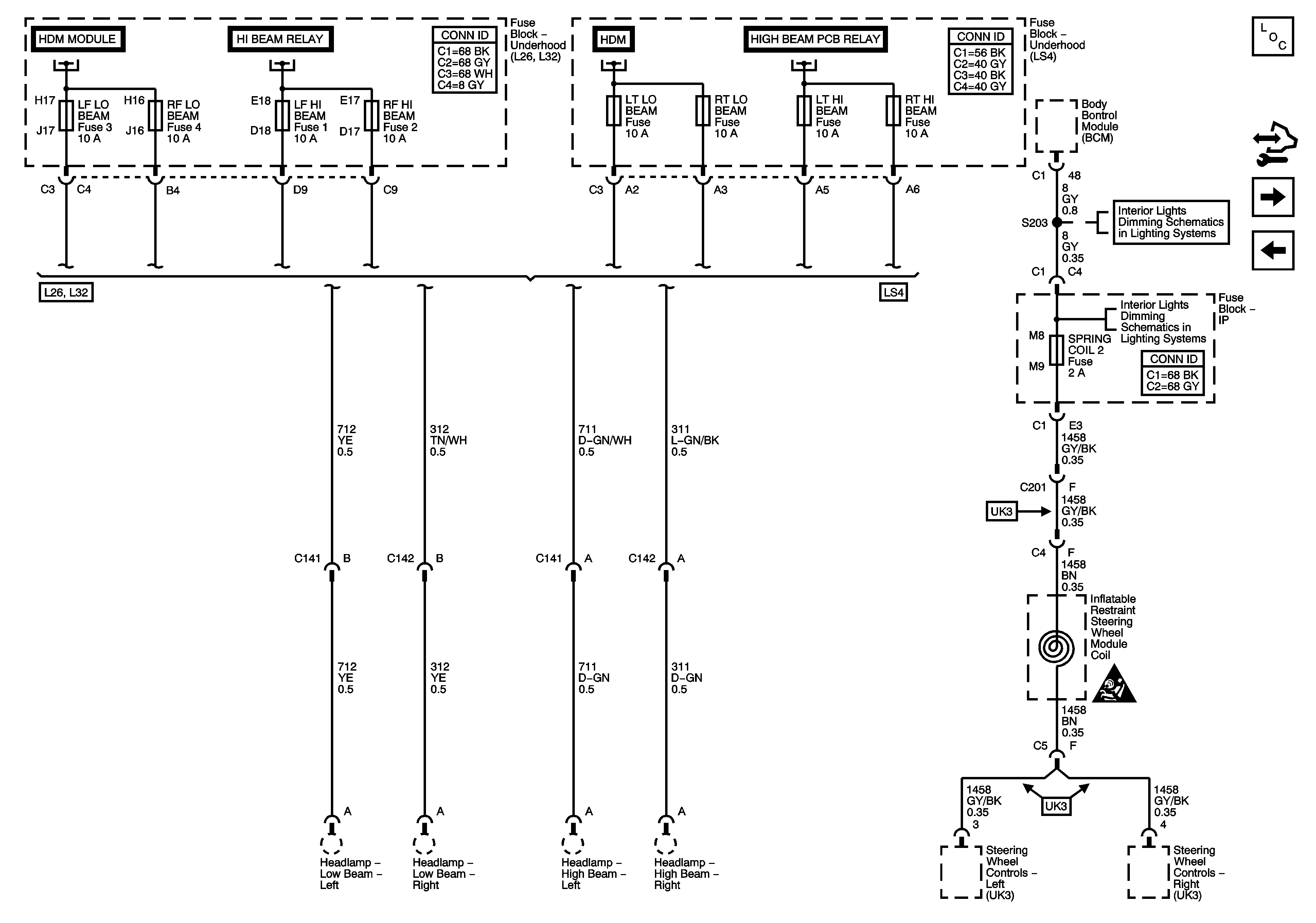
🢒 LF LOW BEAM RF LOW BEAM, LF HIGH BEAM, RF HIGH BEAM, and SPRING COIL 2 Fuses
LF LOW BEAM RF LOW BEAM, LF HIGH BEAM, RF HIGH BEAM, and SPRING COIL 2 Fuses
LF LOW BEAM, RF LOW BEAM, LF HI BEAM, RF HI BEAM, LT LOW BEAM, RT LOW BEAM, LT HI BEAM, RT HI BEAM and SPRING COIL 2 Fuses
Master Electrical Component List
Control Module References
HORN, FOG LAMPS, FUEL PUMP Fuses, HORN PCB, FOG LAMP PCB and FUEL PUMP Relays
EMISSIONS1, EMISSIONS2, A/C COMPRSR Fuses, and A/C CMPRSR Relay
Fuse Block Underhood Bussing
Fuse Block Underhood Bussing
Fuse Block - Underhood Bussing
Fuse Block - Underhood Bussing
Interior Lamp Switch, I/P and Driver Door Lighting
Interior Lamp Switch, I/P and Driver Door Lighting
Power and Grounding Schematic Icons