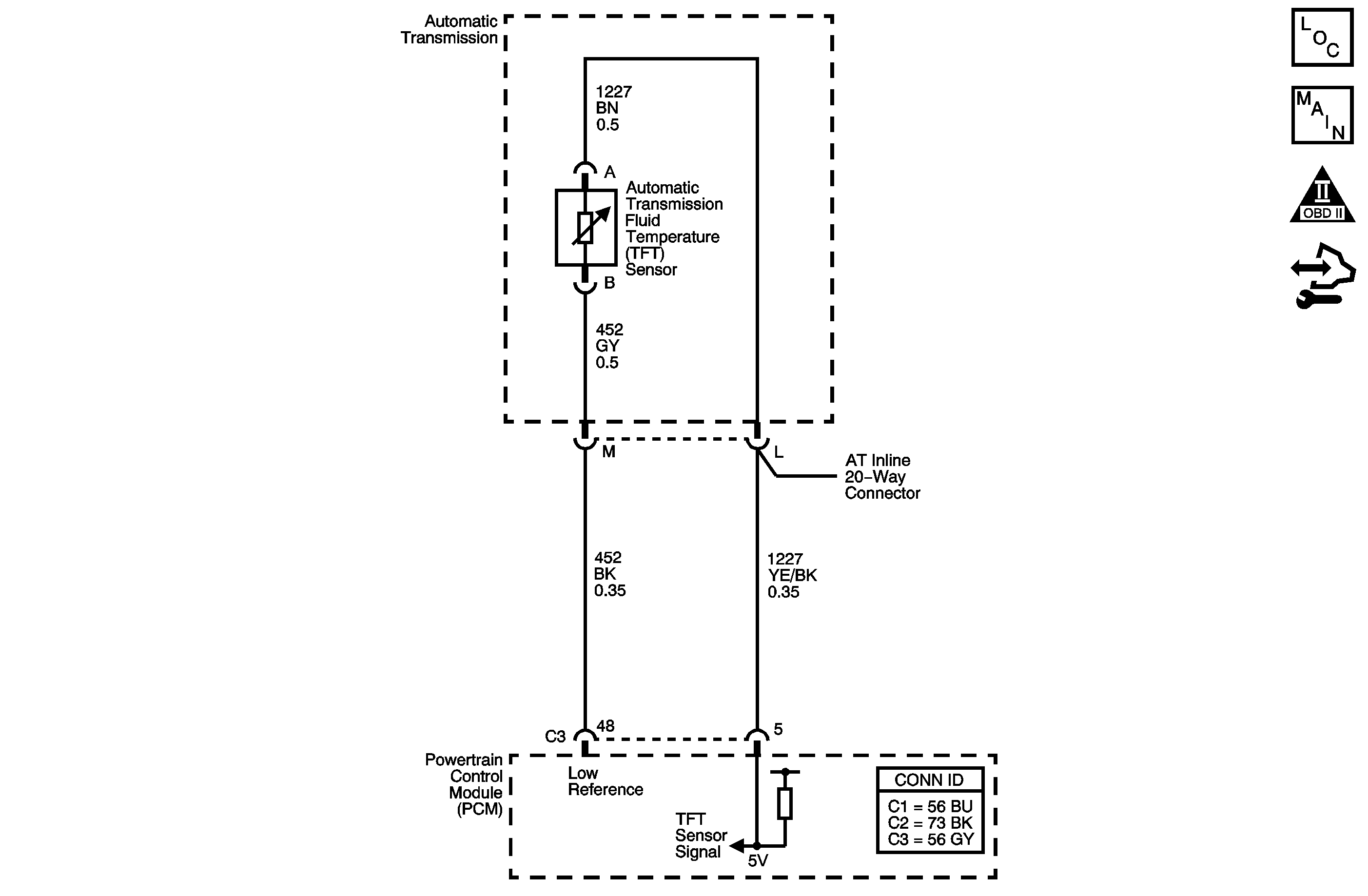
The automatic transmission fluid temperature (TFT) sensor is a negative coefficient thermistor whose resistance value changes based on temperature. The PCM provides a 5 volt reference to the sensor circuit. A high fluid temperature or a short to ground on the signal circuit results in low signal voltage. The TFT sensor operating range is -40 to +151°C (-40 to +304°F).
If the PCM detects a continuous short to ground in the TFT sensor signal circuit, then DTC P0712 sets. DTC P0712 is a type C DTC.
This diagnostic procedure supports the following DTC:
DTC P0712 Transmission Fluid Temperature (TFT) Sensor Circuit Low Voltage
The ignition is ON.
The PCM detects a TFT sensor voltage of 0.2 volts or less for 10 seconds.
| • | The PCM does not turn on the malfunction indicator lamp (MIL). |
| • | The PCM freezes transmission adaptive functions. |
| • | The PCM calculates a default TFT from the ECT sensor and the IAT sensor. |
| • | The PCM records the operating conditions when the Conditions for Setting the DTC are met. The PCM stores this information as Failure Records. |
| • | The PCM stores DTC P0712 in PCM history. |
| • | A scan tool can clear the DTC. |
| • | The PCM clears the DTC from PCM history if the vehicle completes 40 warm-up cycles without a non-emission related diagnostic fault occurring. |
| • | The PCM cancels the DTC default actions when the fault no longer exists and the DTC passes. |
The numbers below refer to the step numbers on the diagnostic table.
A value below 0.2 volts indicates the fault is present. A value above 0.2 volts indicates the fault is intermittent.
A value greater than 4.9 volts indicates the fault is in the transmission side.
For resistance at other temperatures, refer to Transmission Fluid Temperature (TFT) Sensor Specifications.
Step | Action | Value(s) | Yes | No | ||||
|---|---|---|---|---|---|---|---|---|
1 | Did you perform the Diagnostic System Check - Vehicle? | -- | Go to Step 2 | |||||
Important: Before clearing the DTCs, use the scan tool in order to record the Failure Records. Using the Clear DTC Information function erases the Failure Records from the PCM. Does the scan tool indicate that the TFT sensor voltage is less than specified? | 0.2 V | Go to Step 3 | Go to Testing for Intermittent Conditions and Poor Connections | |||||
Does the scan tool indicate that the TFT sensor voltage is greater than specified? | 4.9 V | Go to Step 5 | Go to Step 4 | |||||
4 | Test the signal circuit of the TFT sensor for a short to ground between the PCM and the AT inline 20-way connector. Refer to Testing for Short to Ground and Wiring Repairs . Did you find and correct the condition? | -- | Go to Step 11 | Go to Step 10 | ||||
Refer to Automatic Transmission Inline 20-Way Connector End View . Does the resistance measure within the range specified for the given transmission temperatures? | 3,164-3,867 ohms @ 20°C (68°F) 225-285 ohms @ 88°C (190°F) | Go to Step 6 | Go to Step 7 | |||||
6 | Test the signal circuit of the TFT sensor for a short to ground between the AT inline 20-way connector and the TFT sensor. Refer to Testing for Short to Ground and Wiring Repairs . Did you find the condition? | -- | Go to Step 9 | Go to Testing for Intermittent Conditions and Poor Connections | ||||
7 |
Did you find the condition? | -- | Go to Step 9 | Go to Step 8 | ||||
8 | Replace the TFT sensor. Refer to Fluid Temperature Sensor Replacement . Did you complete the replacement? | -- | Go to Step 11 | -- | ||||
9 | Replace the automatic transmission wiring harness. Refer to Wiring Harness Replacement . Did you complete the replacement? | -- | Go to Step 11 | -- | ||||
10 | Replace the PCM. Refer to Control Module References for replacement, setup and programming. Did you complete the replacement? | -- | Go to Step 11 | -- | ||||
11 | Perform the following procedure In order to verify the repair:
Has the test run and passed? | -- | Go to Step 12 | Go to Step 2 | ||||
12 | With a scan tool, observe the stored information, capture info and DTC info. Does the scan tool display any DTCs that you have not diagnosed? | -- | System OK |
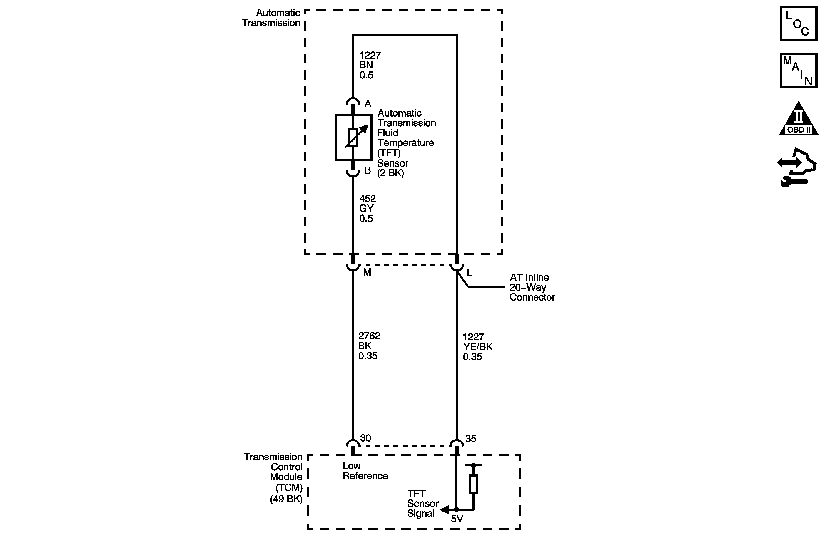
The automatic transmission fluid temperature (TFT) sensor is a negative coefficient thermistor whose resistance value changes based on temperature. The TCM provides a 5 volt reference to the sensor circuit. A high fluid temperature or a short to ground on the signal circuit results in low signal voltage. The TFT sensor operating range is -40 to +151°C (-40 to +304°F).
If the TCM detects a continuous short to ground in the TFT sensor signal circuit, then DTC P0712 sets. DTC P0712 is a type C DTC.
This diagnostic procedure supports the following DTC:
DTC P0712 Transmission Fluid Temperature (TFT) Sensor Circuit Low Voltage
The engine speed is greater than 500 RPM for 5 seconds.
The TCM detects a transmission fluid temperature greater than 150°C (302°F) for 12 seconds.
| • | The TCM does not request the ECM to illuminate the malfunction indicator lamp (MIL). |
| • | The TCM freezes transmission adaptive functions. |
| • | The TCM calculates a default TFT from the ECT sensor and the IAT sensor. |
| • | The TCM records the operating conditions when the Conditions for Setting the DTC are met. The TCM stores this information as Failure Records. |
| • | The TCM stores DTC P0712 in TCM history. |
| • | A scan tool can clear the DTC. |
| • | The TCM clears the DTC from TCM history if the vehicle completes 40 warm-up cycles without a non-emission related diagnostic fault occurring. |
| • | The TCM cancels the DTC default actions when the fault no longer exists and the DTC passes. |
The numbers below refer to the step numbers on the diagnostic table.
A value above 150°C (302°F) indicates the fault is present. A value below 150°C (302°F) indicates the fault is intermittent.
A value less than -39°C (-38°F) indicates the fault is in the transmission side.
For resistance at other temperatures, refer to Transmission Fluid Temperature (TFT) Sensor Specifications.
Step | Action | Value(s) | Yes | No | ||||
|---|---|---|---|---|---|---|---|---|
1 | Did you perform the Diagnostic System Check - Vehicle? | -- | Go to Step 2 | |||||
Important: Before clearing the DTCs, use the scan tool in order to record the Failure Records. Using the Clear Info function erases the Failure Records from the TCM. Does the scan tool indicate that the TFT is more than the specified value? | 150°C (302°F) | Go to Step 3 | Go to Testing for Intermittent Conditions and Poor Connections | |||||
Does the scan tool indicate that the TFT is less than the specified value? | 150°C (302°F) | Go to Step 5 | Go to Step 4 | |||||
4 | Test the signal circuit of the TFT sensor for a short to ground between the TCM and the AT inline 20-way connector. Refer to Testing for Short to Ground and Wiring Repairs . Did you find and correct the condition? | -- | Go to Step 11 | Go to Step 10 | ||||
Refer to Automatic Transmission Inline 20-Way Connector End View . Does the resistance measure within the range specified for the given transmission temperatures? | 3,164-3,867 ohms @ 20°C (68°F) 225-285 ohms @ 88°C (190°F) | Go to Step 6 | Go to Step 7 | |||||
6 | Test the signal circuit of the TFT sensor for a short to ground between the AT inline 20-way connector and the TFT sensor. Refer to Testing for Short to Ground . Did you find the condition? | -- | Go to Step 9 | Go to Testing for Intermittent Conditions and Poor Connections | ||||
7 |
Refer to Testing for Continuity . Did you find the condition? | -- | Go to Step 9 | Go to Step 8 | ||||
8 | Replace the TFT sensor. Refer to Fluid Temperature Sensor Replacement . Did you complete the replacement? | -- | Go to Step 11 | -- | ||||
9 | Replace the automatic transmission wiring harness. Refer to Wiring Harness Replacement . Did you complete the replacement? | -- | Go to Step 11 | -- | ||||
10 | Replace the TCM. Refer to Control Module References for replacement, setup and programming. Did you complete the replacement? | -- | Go to Step 11 | -- | ||||
11 | Perform the following procedure In order to verify the repair:
Has the test run and passed? | -- | Go to Step 12 | Go to Step 2 | ||||
12 | With a scan tool, observe the stored information, capture info and DTC info. Does the scan tool display any DTCs that you have not diagnosed? | -- | System OK |