GM Service Manual Online
For 1990-2009 cars only
Figure 1:

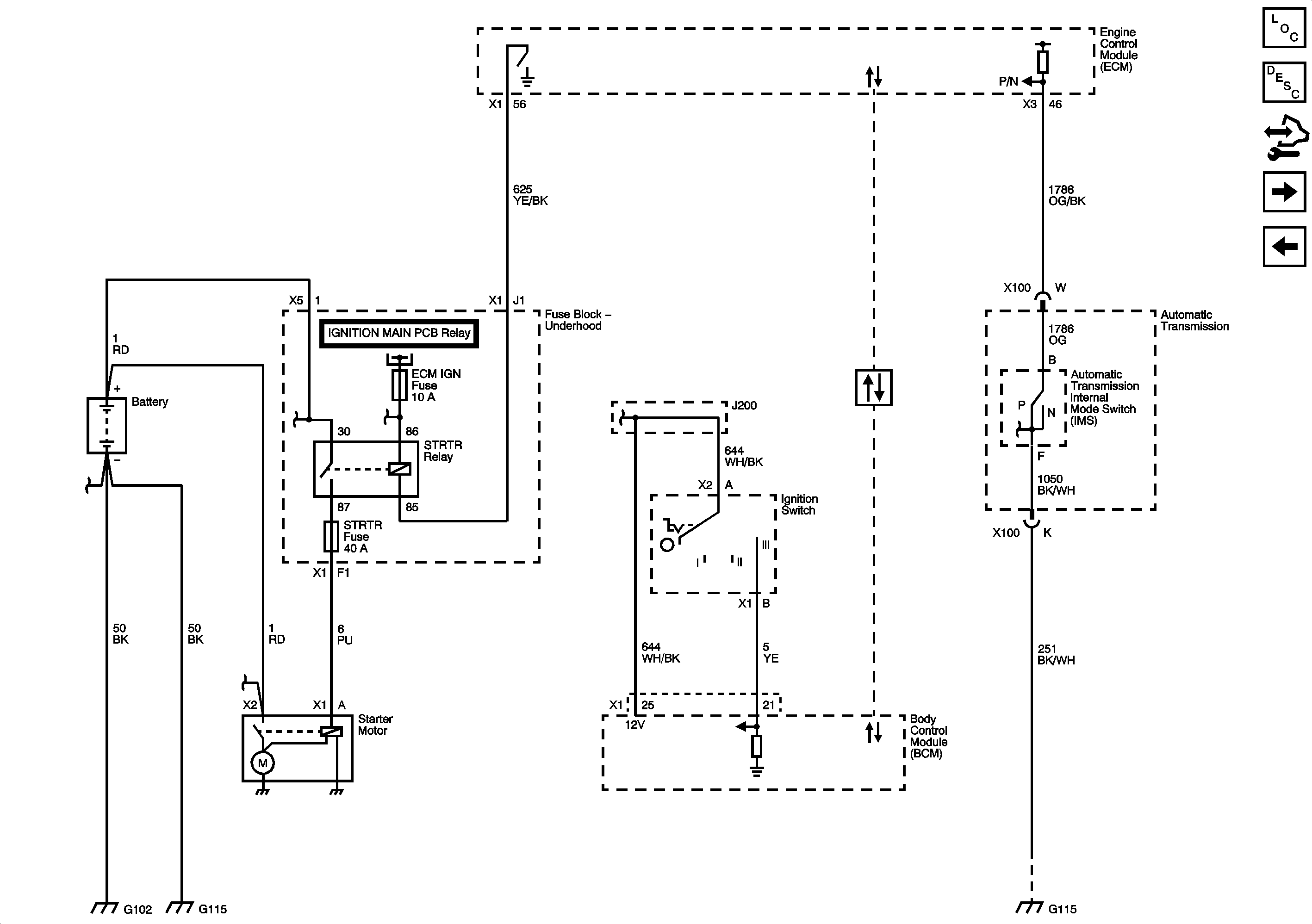
Starting - L26


Object Number: 1889016  Size: FS
Master Electrical Component List
Starting System Description and Operation
Control Module References
Generator
Figure 2:

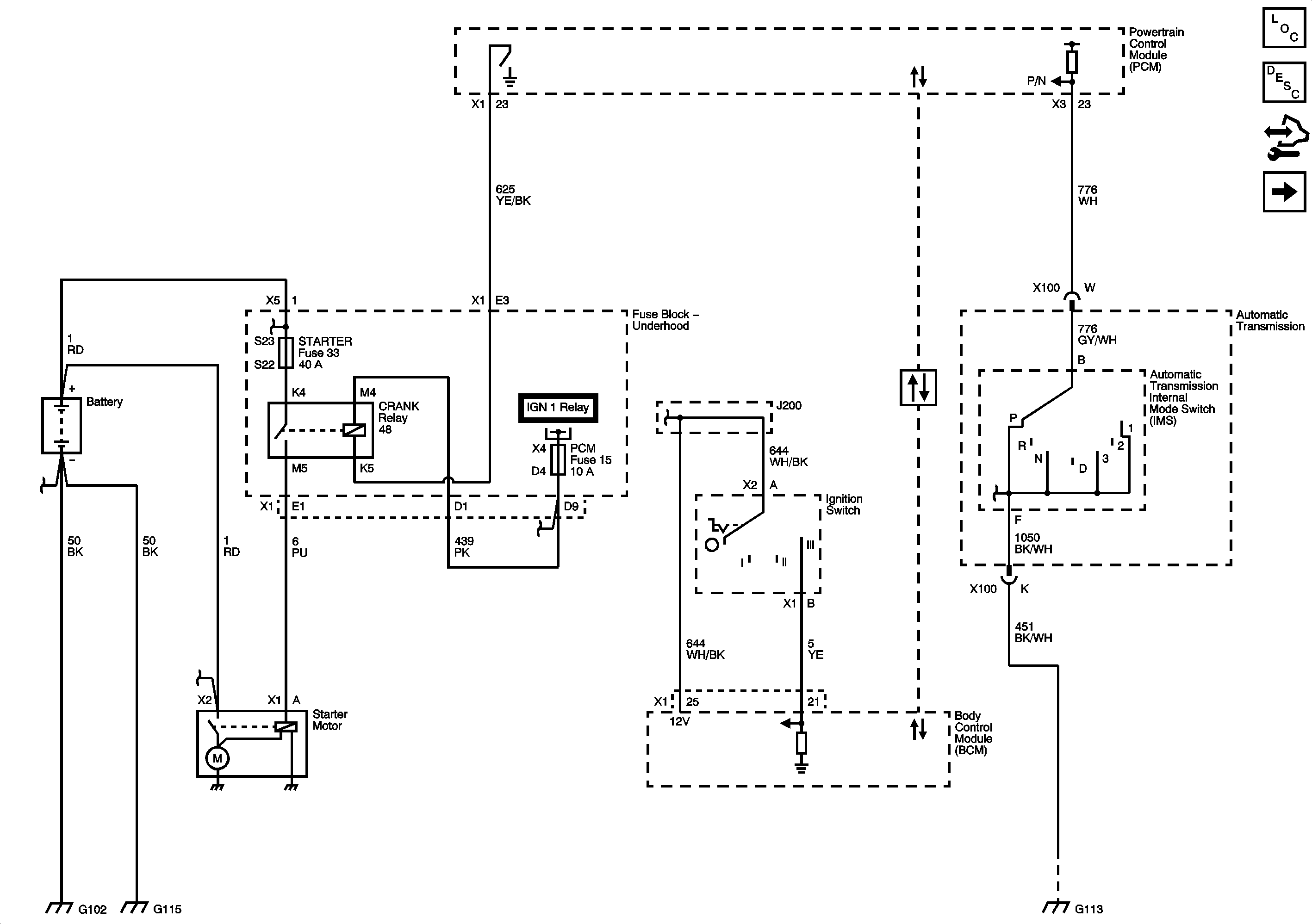
Starting - LS4


Object Number: 1889019  Size: FS
Master Electrical Component List
Starting System Description and Operation
Control Module References
Generator
Figure 3:

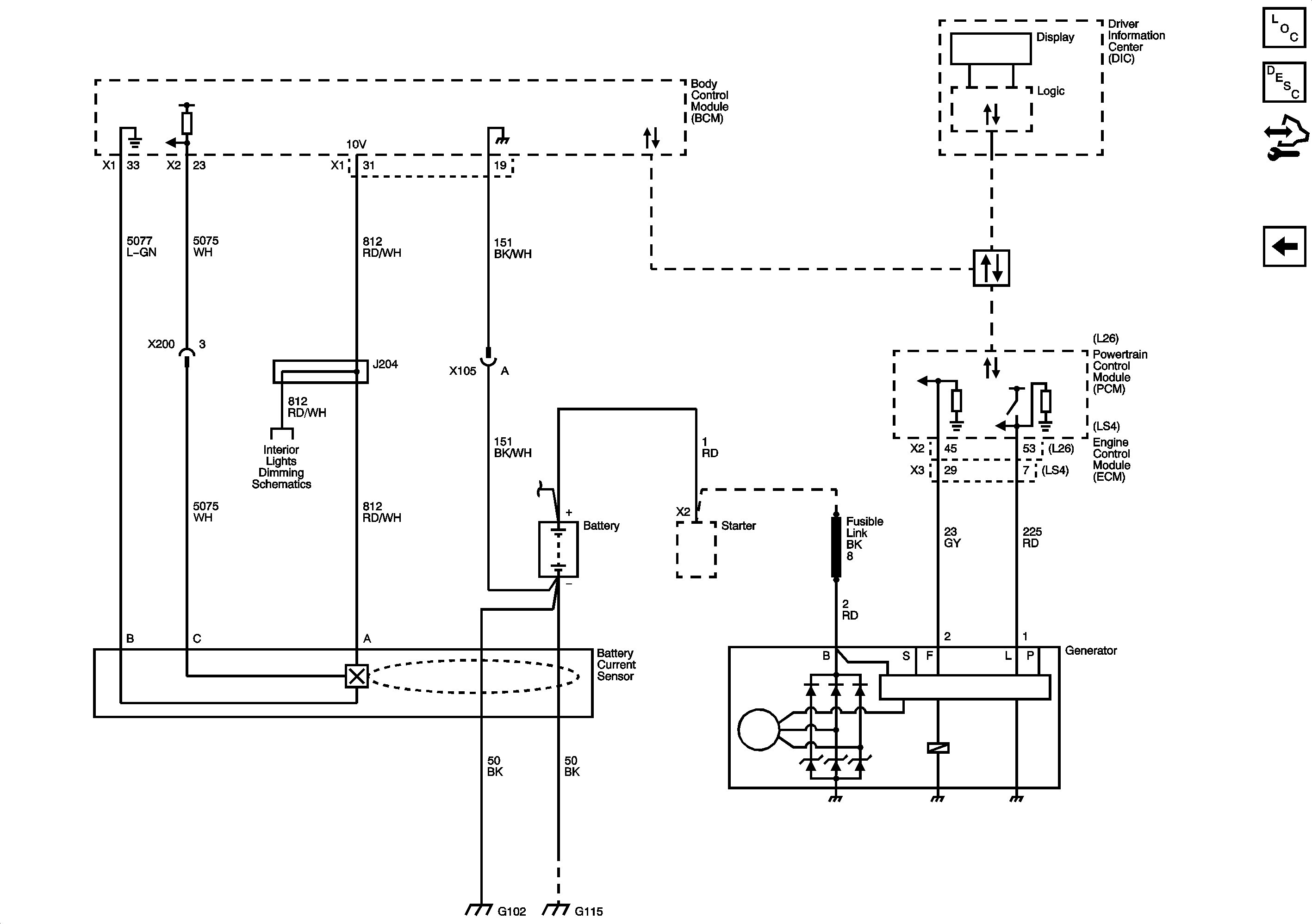
Generator


Object Number: 1889018  Size: FS
Master Electrical Component List
Charging System Description and Operation
Control Module References
Starting LS4
Starting with L26