GM Service Manual Online
For 1990-2009 cars only
Figure 1:

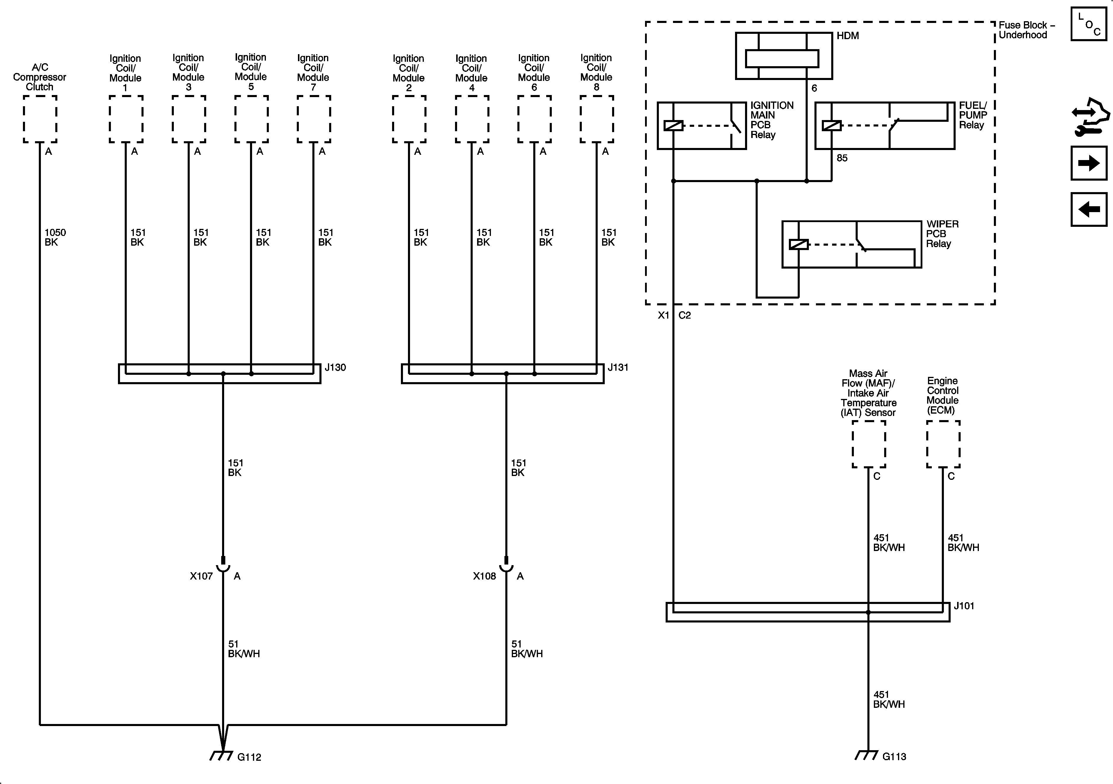
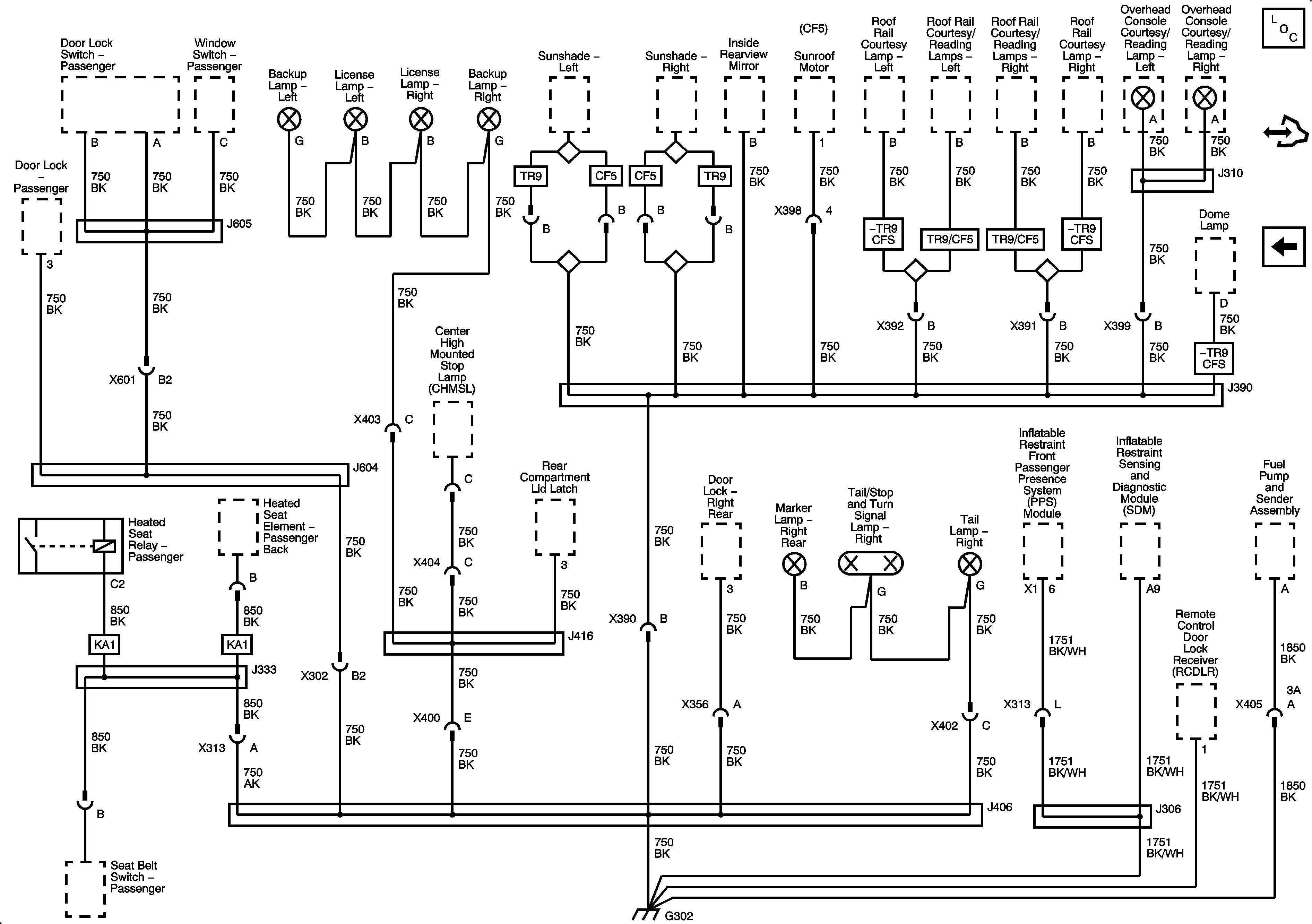
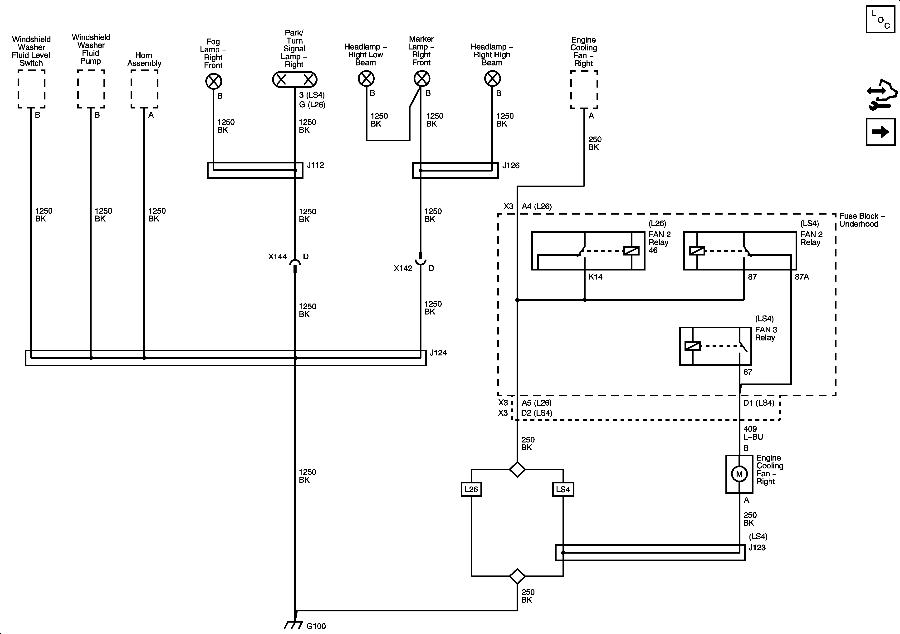
G100


Object Number: 1888901  Size: FS
Master Electrical Component List
Control Module References
G101, G112 (L26) and G113 (L26)
Figure 2:

G101, G112 and G113 - L26


Object Number: 1888902  Size: FS
Master Electrical Component List
Control Module References
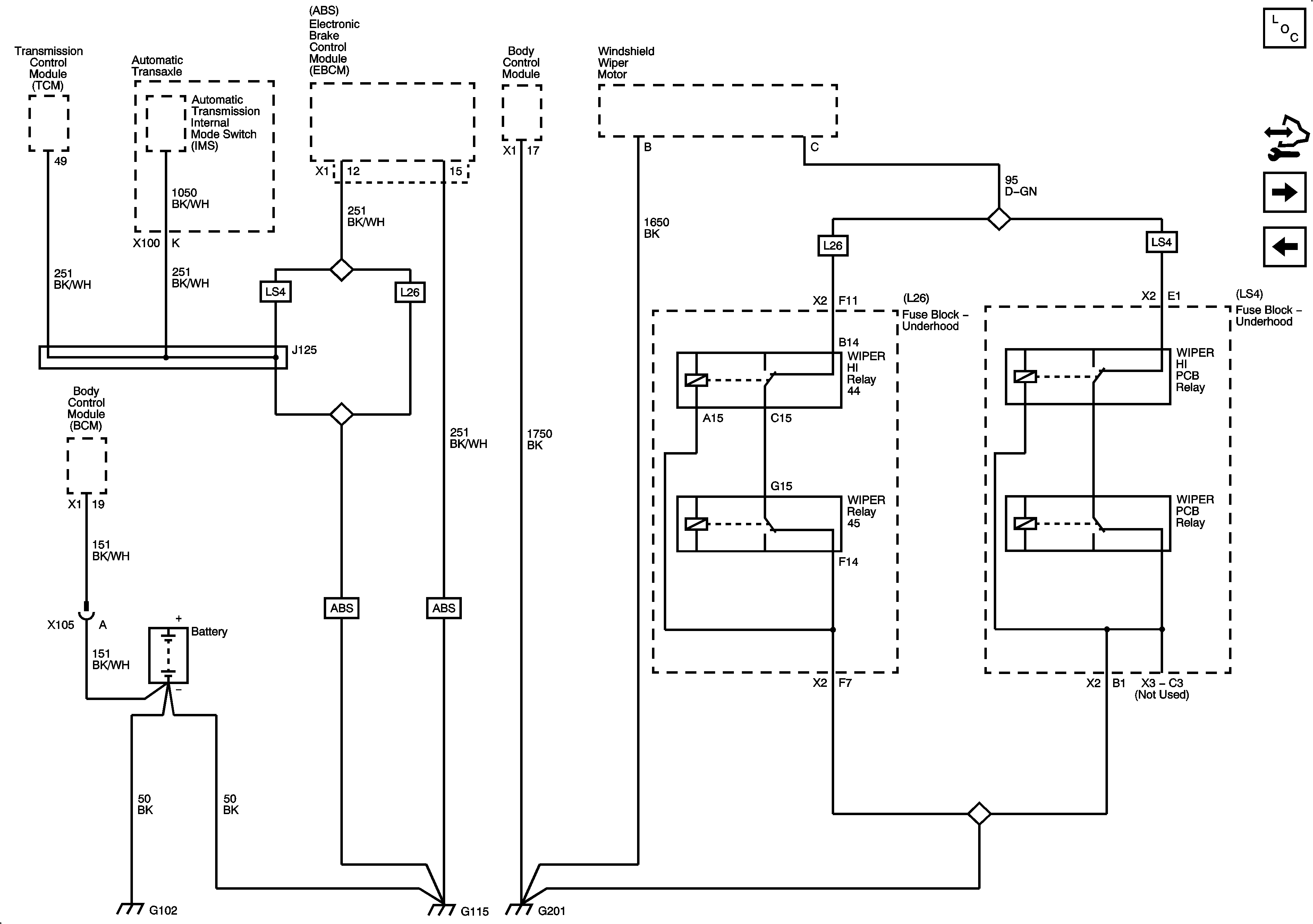
G102, G115, and G201
G100
Figure 3:

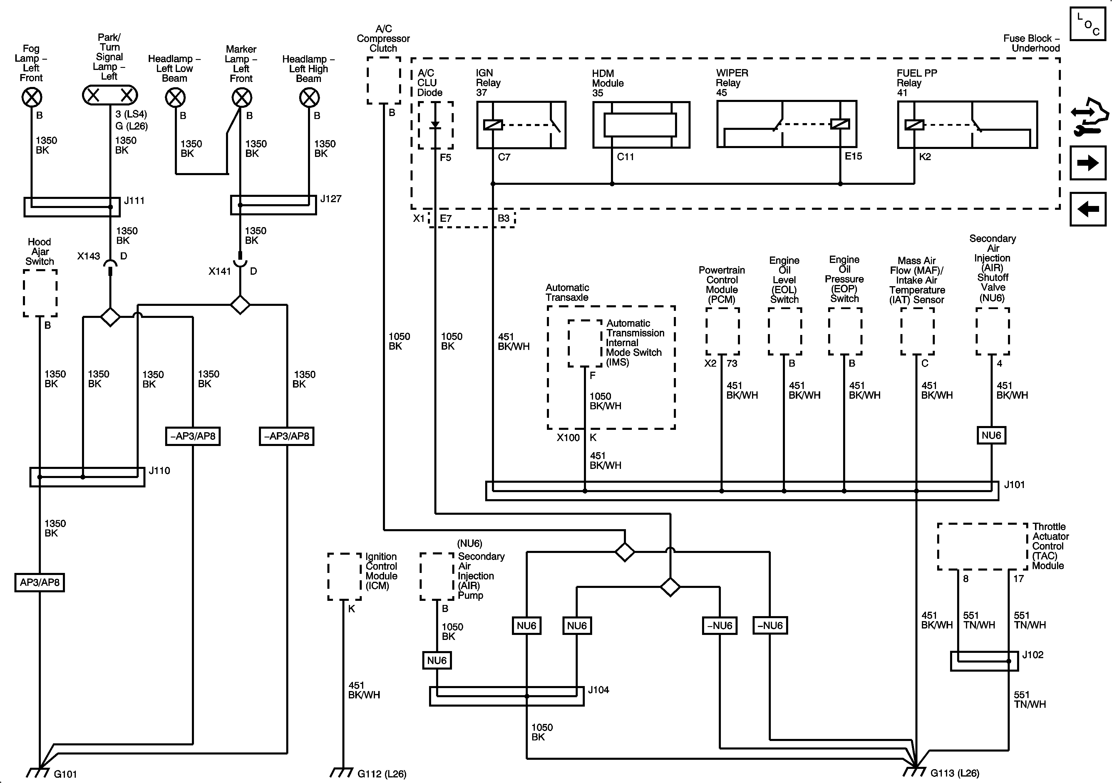
G112 and G113 - LS4


Object Number: 1888916  Size: FS
Master Electrical Component List
Control Module References
G302
Figure 4:

G102, G115 and G201


Object Number: 1888905  Size: FS
Master Electrical Component List
Control Module References
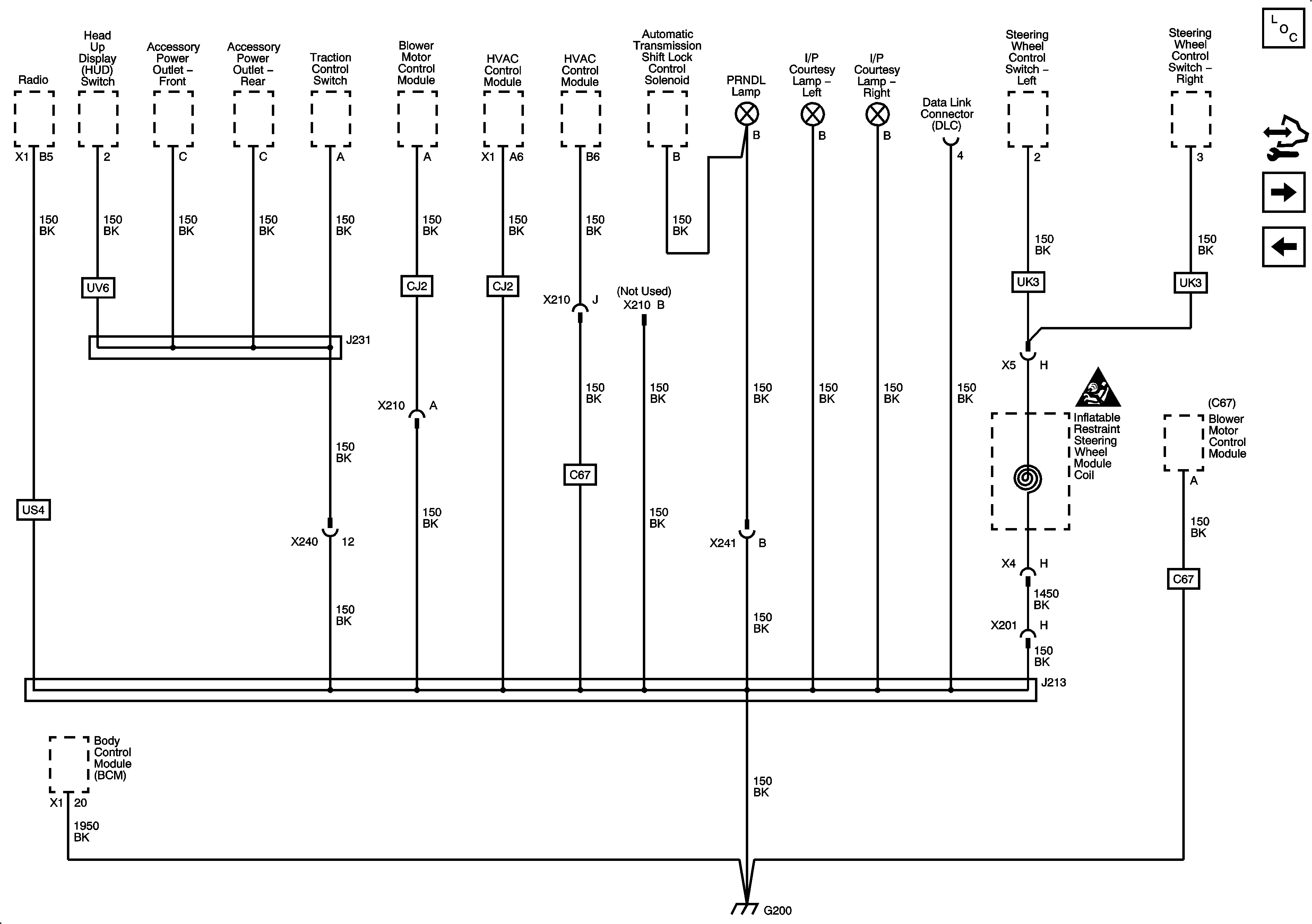
G200
G101, G112 (L26) and G113 (L26)
Figure 5:

G200


Object Number: 1888908  Size: FS
Master Electrical Component List
Control Module References
G202
G102, G115, and G201
Figure 6:

G202


Object Number: 1888909  Size: FS
Master Electrical Component List
Control Module References
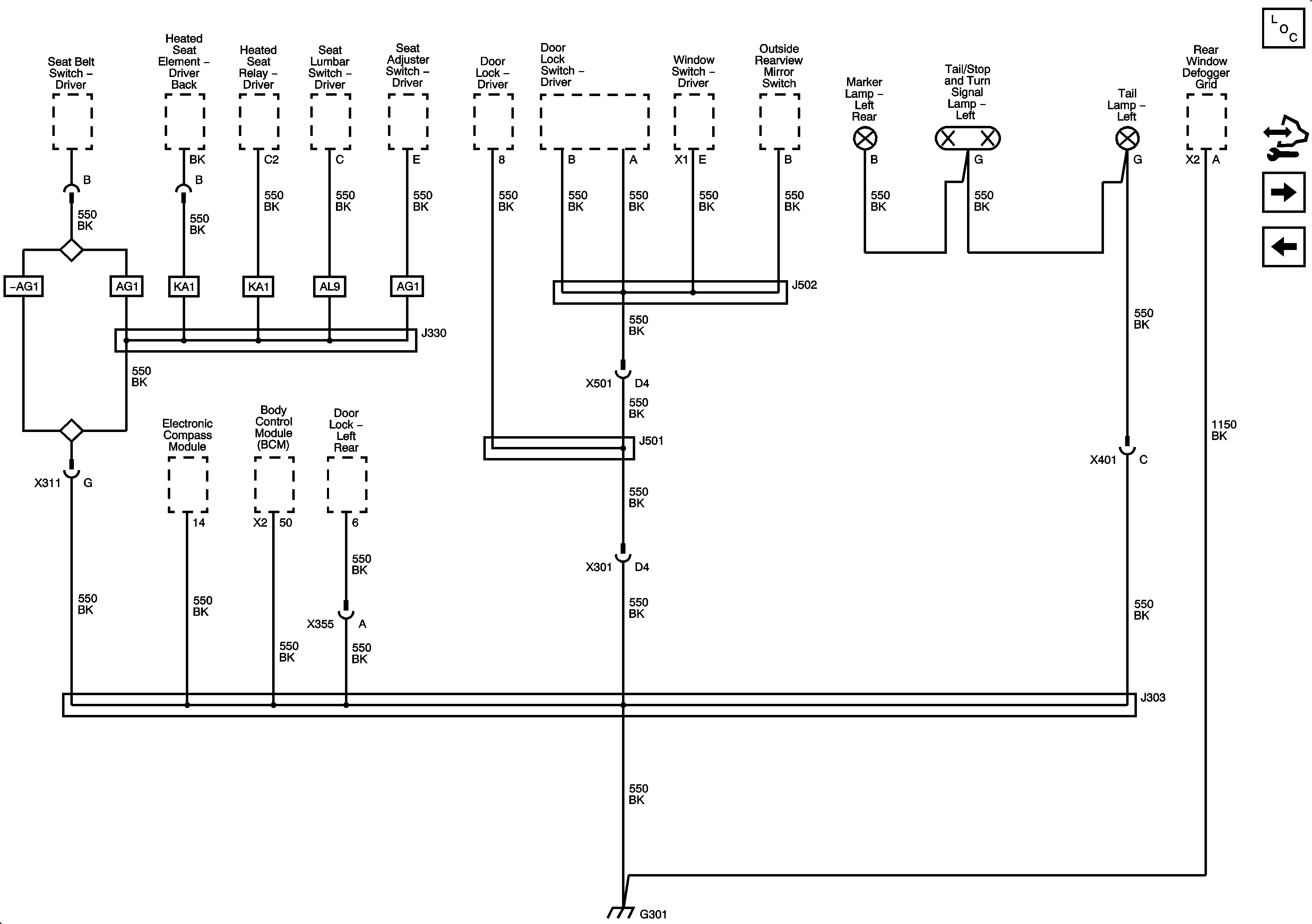
G301
G200
Figure 7:

G301


Object Number: 1888913  Size: FS
Master Electrical Component List
Control Module References
G302
G202
Figure 8:

G302


Object Number: 1888915  Size: FS
Master Electrical Component List
Control Module References
G112 (LS4) and G113 (LS4)
G301