GM Service Manual Online
For 1990-2009 cars only
Figure 1:

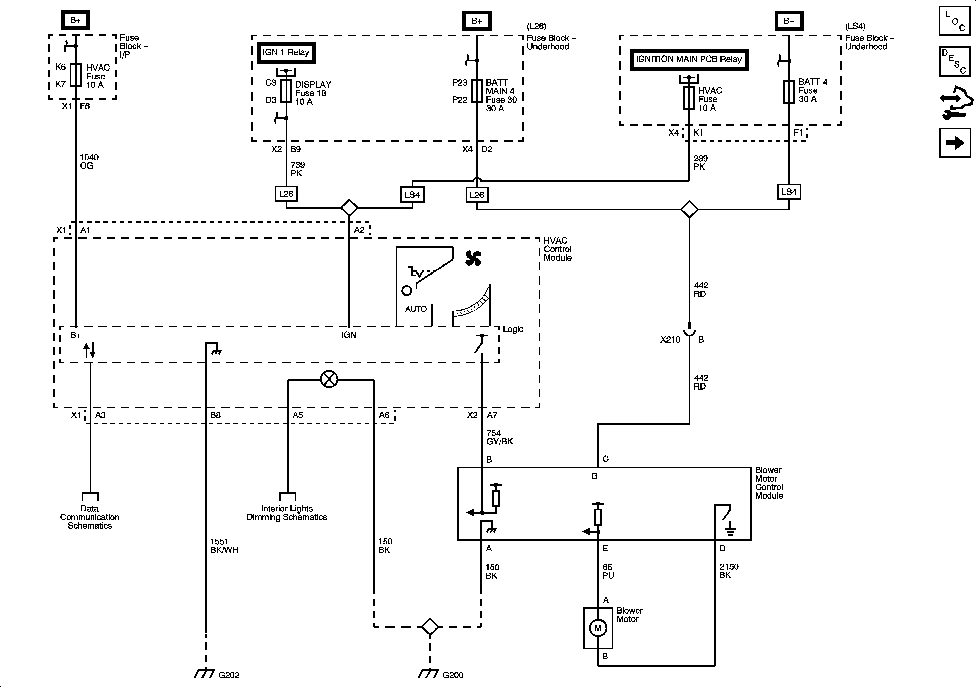
Power, Ground, and Blower Motor Controls


Object Number: 1889011  Size: FS
Master Electrical Component List
Air Delivery Description and Operation
Control Module References
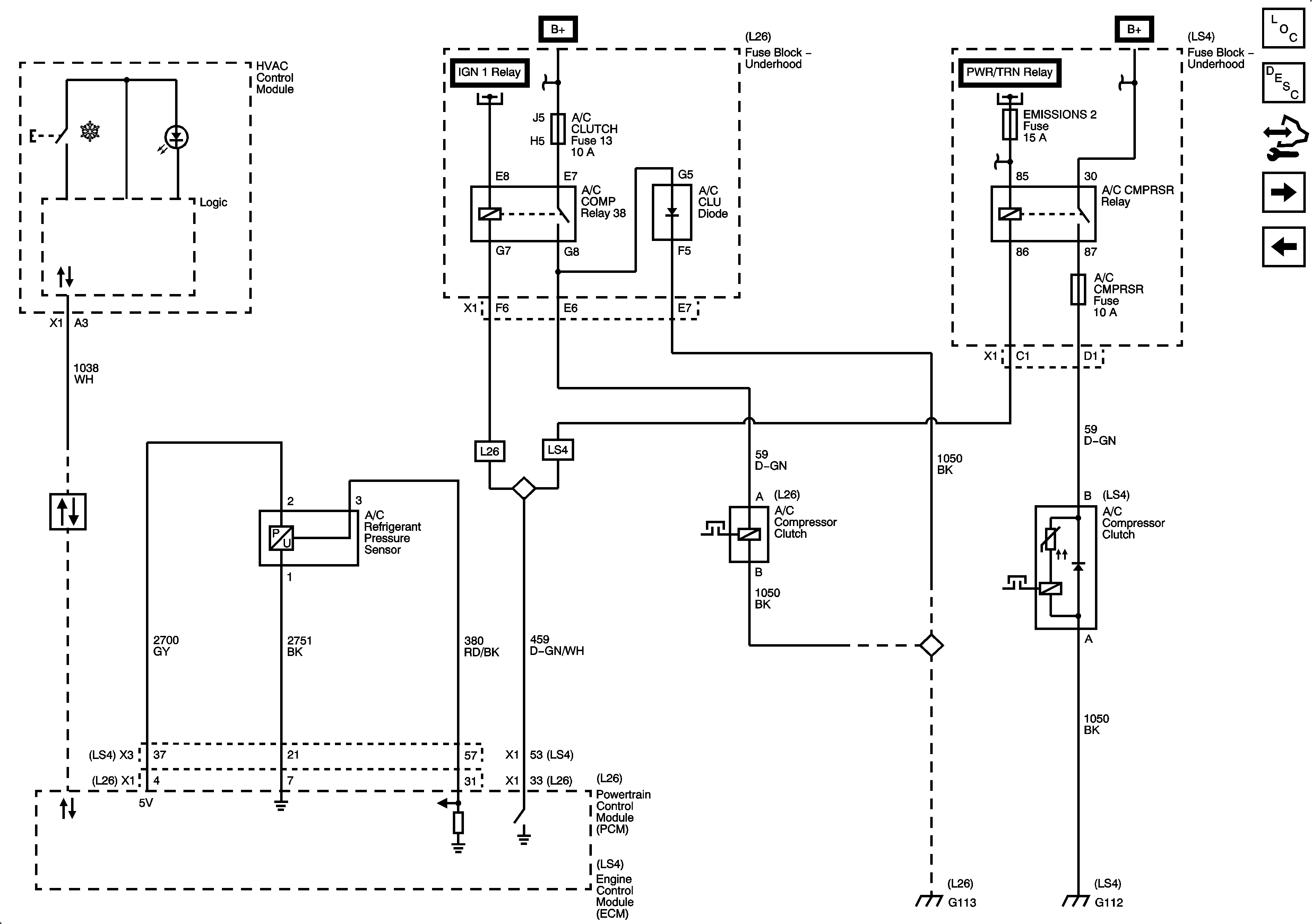
A/C Compressor Controls
Figure 2:

A/C Compressor Controls


Object Number: 1889012  Size: FS
Master Electrical Component List
Air Temperature Description and Operation
Control Module References
Sensors
Power, Ground and Blower Motor Controls
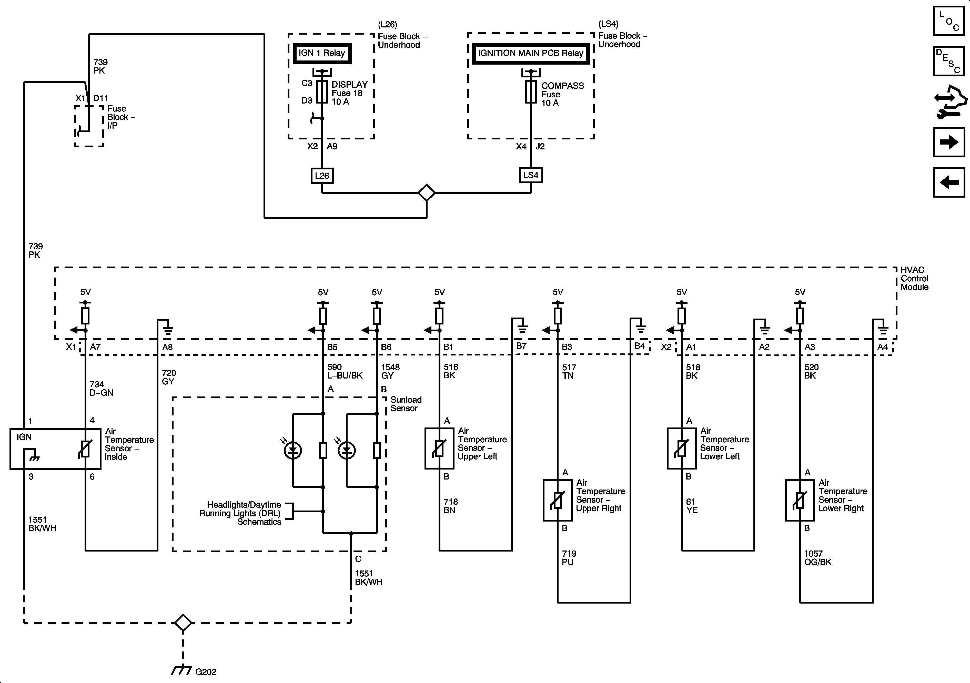
Figure 3:

Sensors


Object Number: 1889014  Size: FS
Master Electrical Component List
Air Temperature Description and Operation
Control Module References
Actuators
A/C Compressor Controls
Figure 4:

Actuators


Object Number: 1889015  Size: FS
Master Electrical Component List
Air Delivery Description and Operation
Control Module References
Sensors