GM Service Manual Online
For 1990-2009 cars only
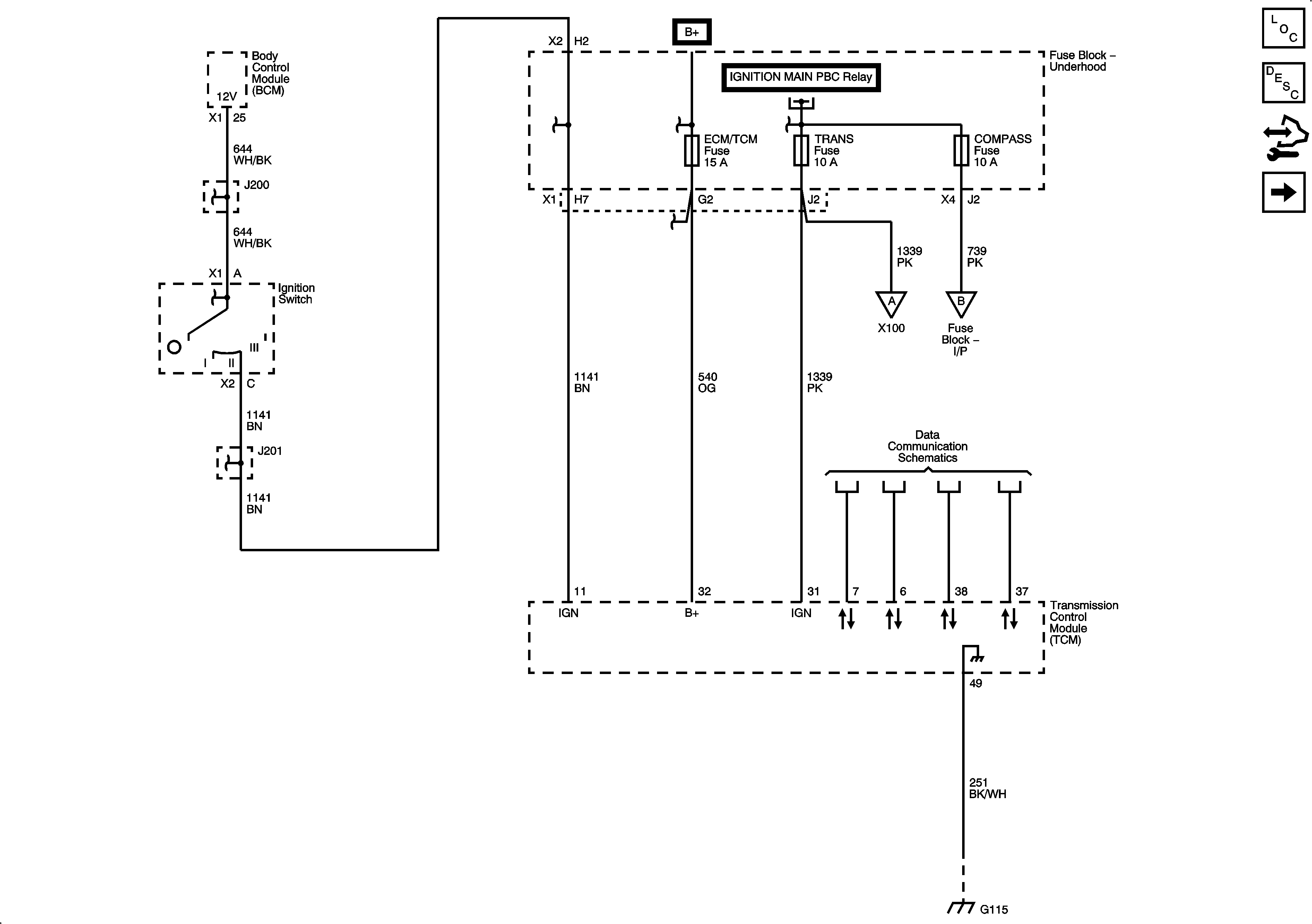
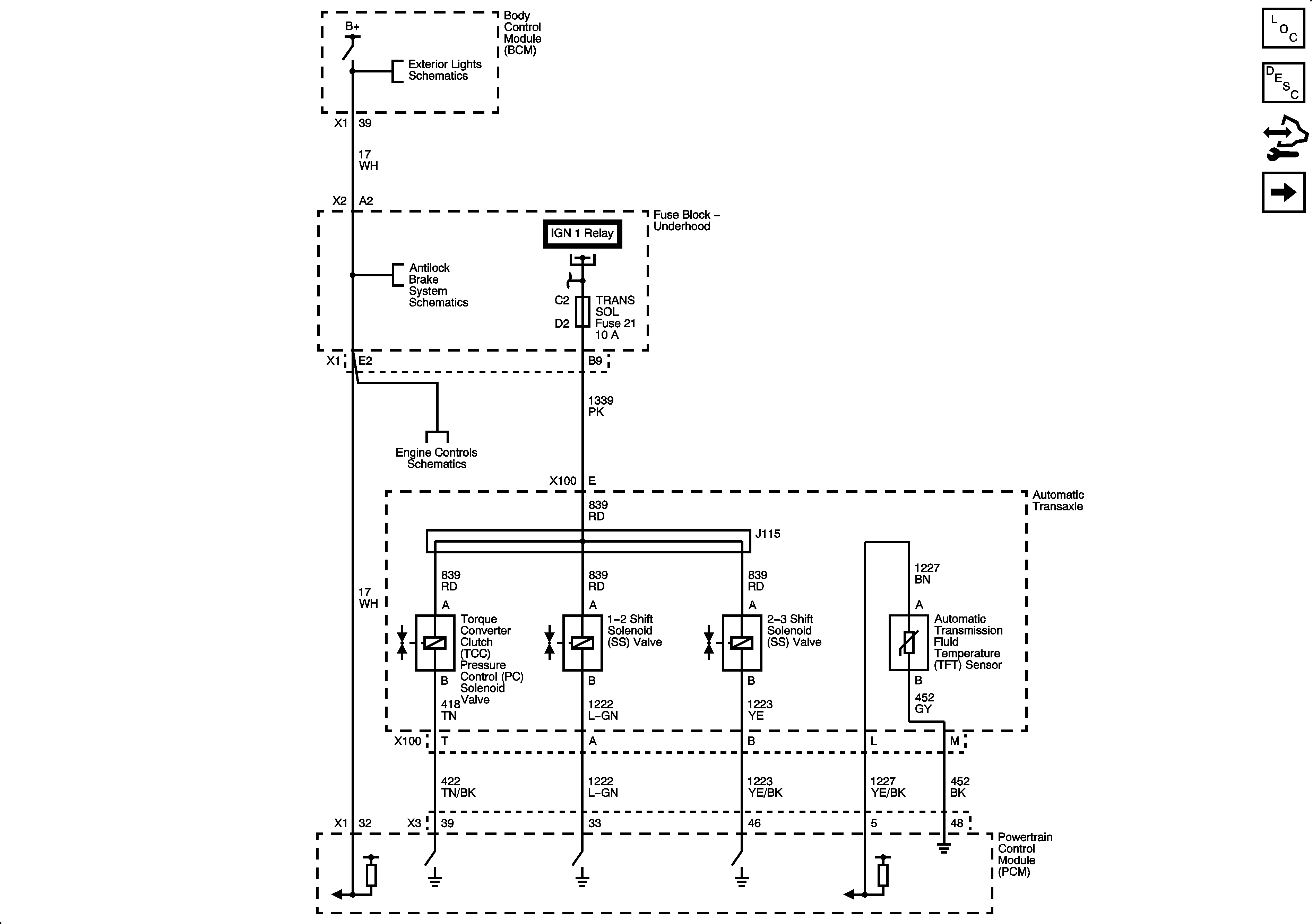
Figure 1:

Power, Ground, and Serial Data


Object Number: 1888854  Size: FS
Master Electrical Component List
Electronic Component Description
Control Module References
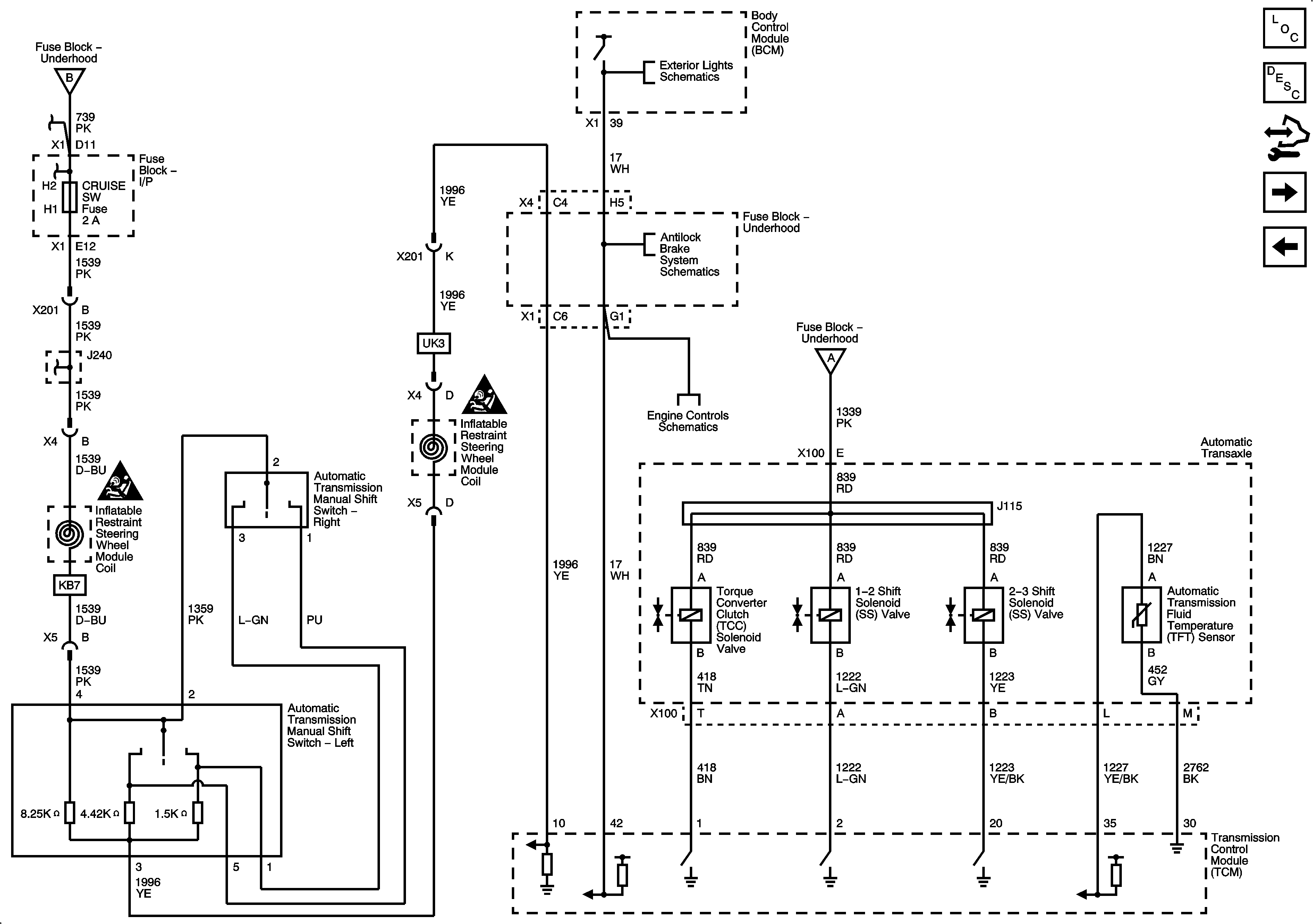
Tap Shift Switches, Stop Lamp Signal, TFT Sensor and TCC, Shift Solenoids
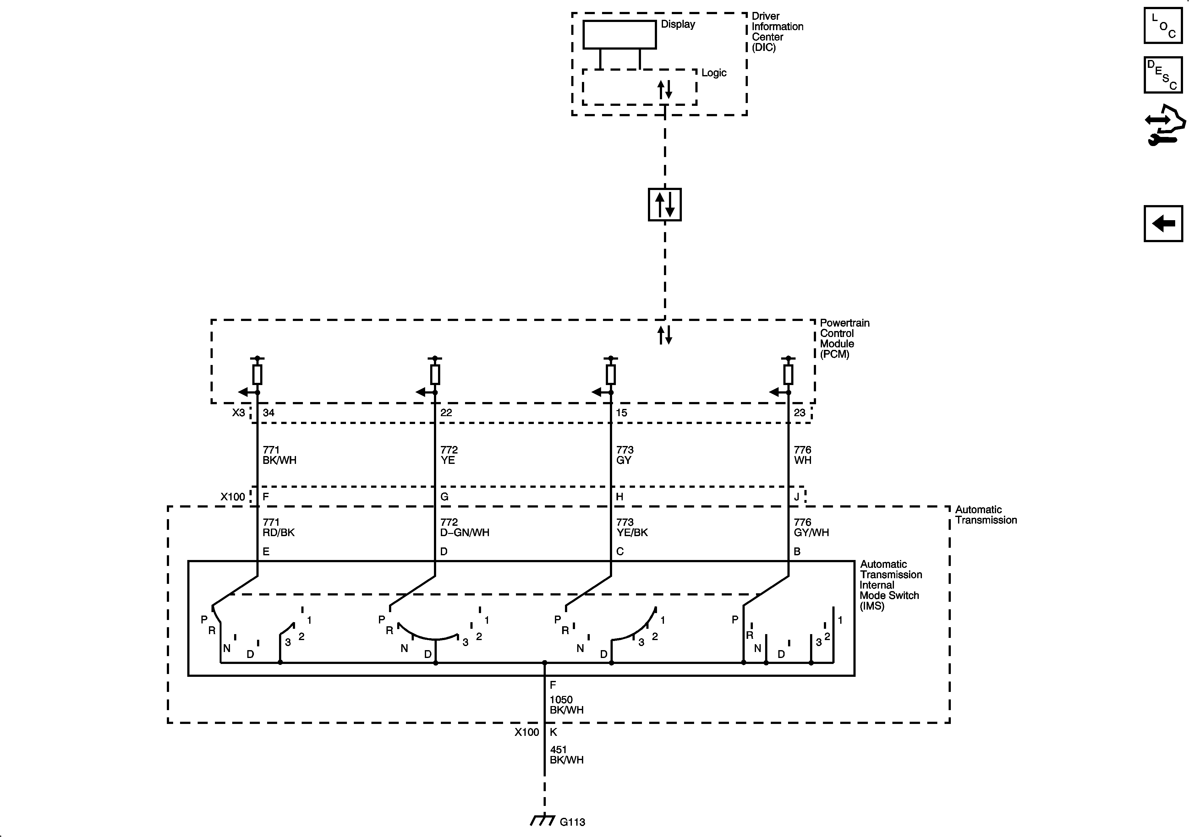
PRNDL and IMS Switch
Figure 2:

Tap Shift Switches, Stop Lamp Signal, TFT Sensor and TCC Shift Solenoids


Object Number: 1888847  Size: FS
Master Electrical Component List
Electronic Component Description
Control Module References
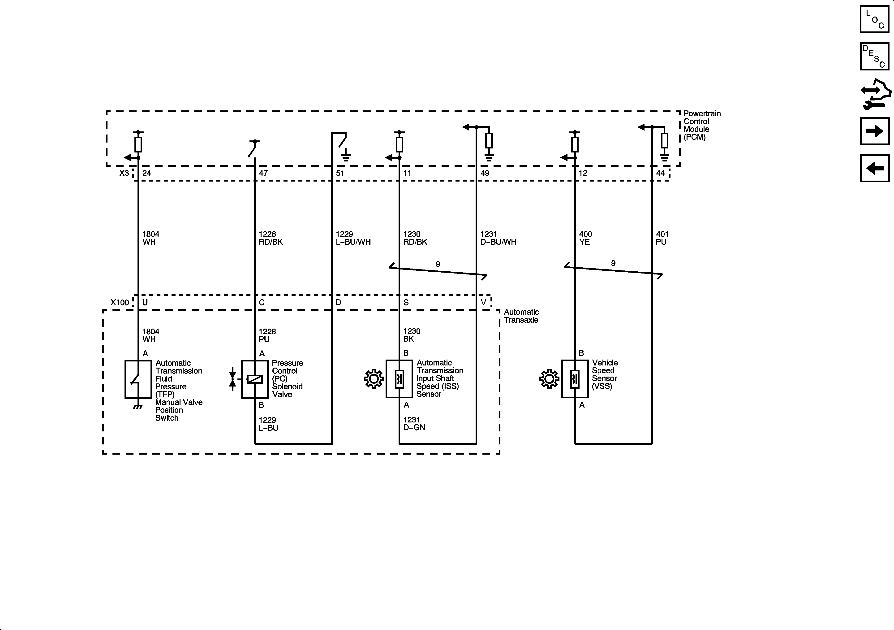
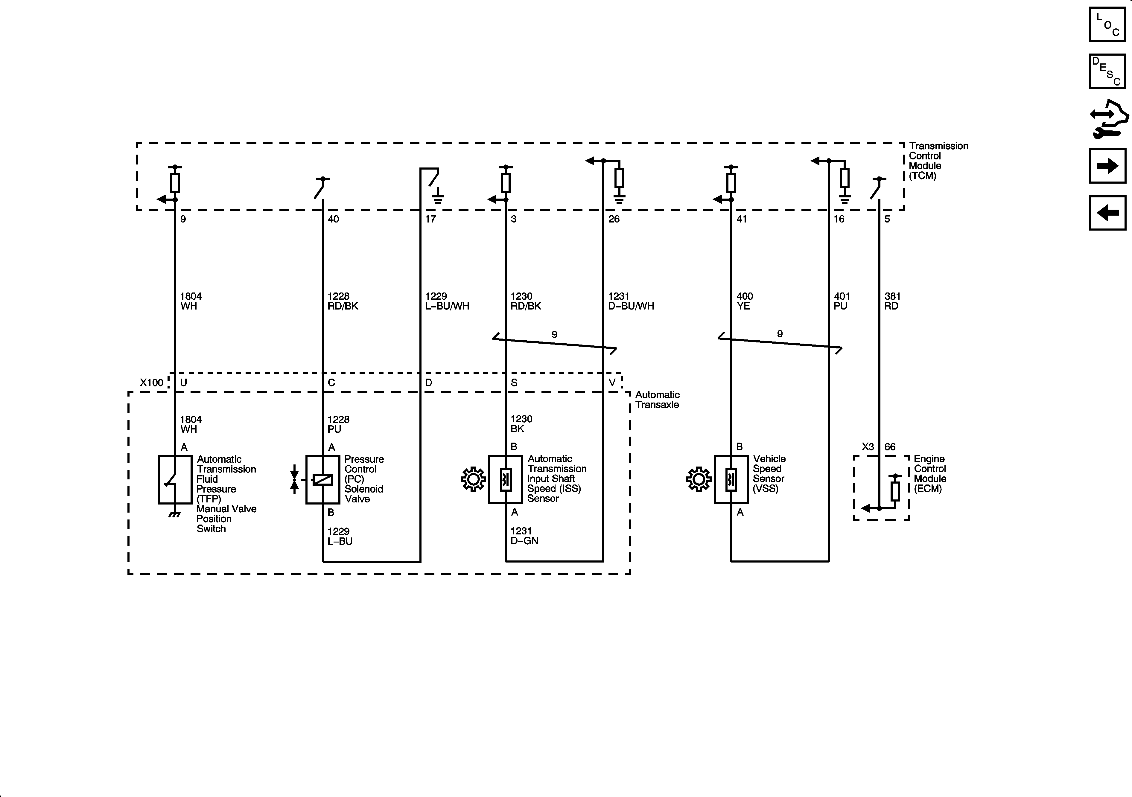
VSS and AT Sensors, Pressure Control Solenoid Valve and TCC Release Switch
Figure 3:

VSS and AT Sensors, Pressure Control Solenoid Valve and TCC Release Switch


Object Number: 1888850  Size: FS
Master Electrical Component List
Electronic Component Description
Control Module References
PRNDL and IMS Switch
Tap Shift Switches, Stop Lamp Signal, TFT Sensor and TCC Shift Solenoids
Figure 4:

PRNDL and IMS Switch


Object Number: 1888852  Size: FS
Master Electrical Component List
Electronic Component Description
Control Module References
Power, Ground, and Serial Data
VSS and AT Sensors, Pressure Control Solenoid Valve and TCC Release Switch
Figure 5:

Tap Shift Switches, Stop Lamp Signal, TFT Sensor and TCC, Shift Solenoids


Object Number: 1888855  Size: FS
Master Electrical Component List
Electronic Component Description
Control Module References
VSS and AT ISS Sensors, Pressure Control Solenoid Valve, and TCC Release Switch
Power, Ground, and Serial Data
Figure 6:

VSS and AT ISS Sensors, Pressure Control Solenoid Valve, and TCC Release Switch


Object Number: 1888857  Size: FS
Master Electrical Component List
Electronic Component Description
Control Module References
PRNDL and IMS Switch
Tap Shift Switches, Stop Lamp Signal, TFT Sensor and TCC, Shift Solenoids
Figure 7:

PRNDL and IMS Switch


Object Number: 1888861  Size: FS
Master Electrical Component List
Electronic Component Description
Control Module References
VSS and AT ISS Sensors, Pressure Control Solenoid Valve, and TCC Release Switch