GM Service Manual Online
For 1990-2009 cars only
Makes
🢒
Pontiac
🢒
2008
🢒
Grand Prix
🢒
Power and Signal Distribution
🢒
Wiring Systems and Power Management
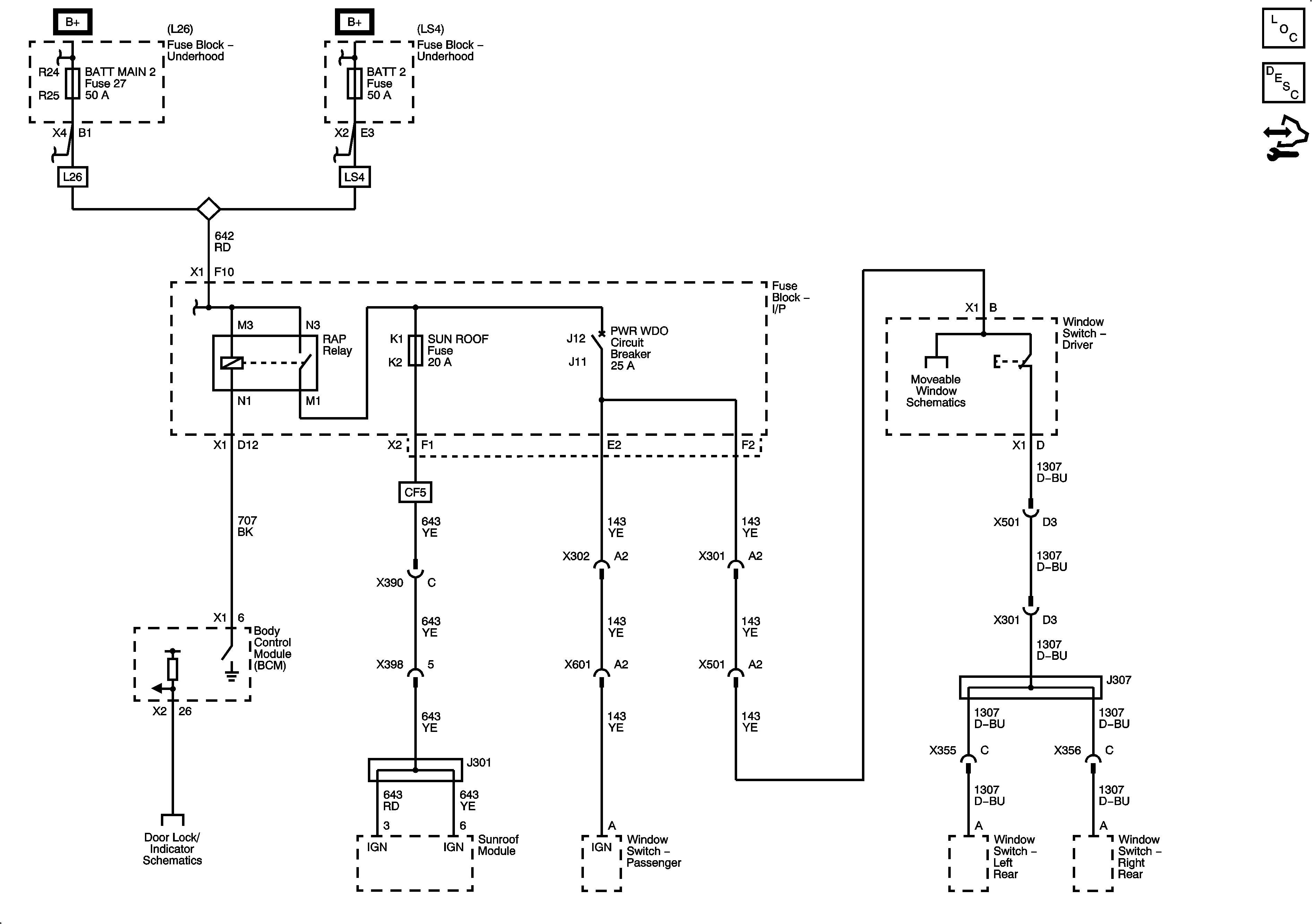
🢒 Power Moding Schematics
Retained Accessory Power (RAP)
Master Electrical Component List
Power Mode Description and Operation
Control Module References