GM Service Manual Online
For 1990-2009 cars only
Makes
🢒
Pontiac
🢒
2008
🢒
Grand Prix
🢒
Safety and Security
🢒
Seat Belts
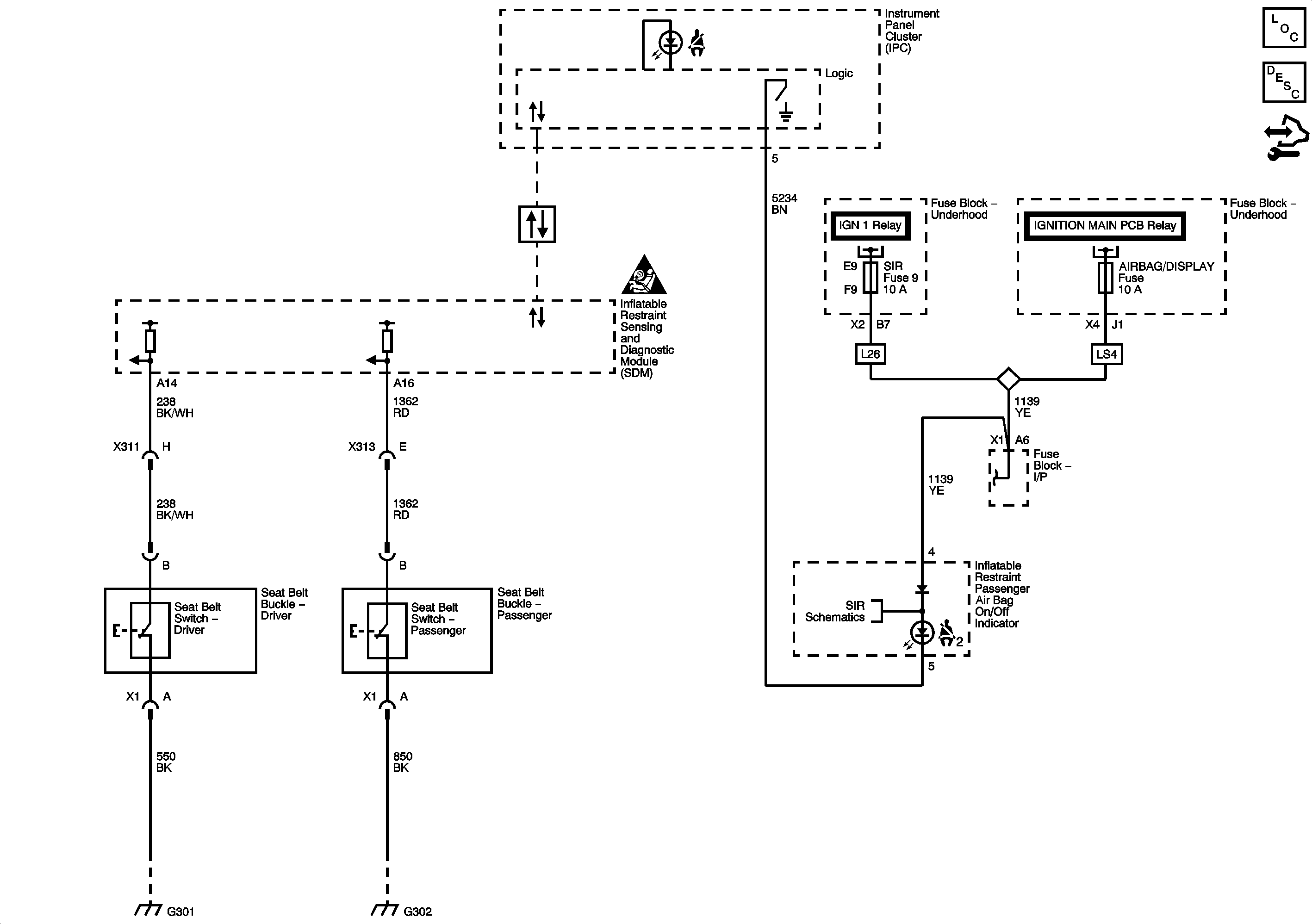
🢒 Seat Belt Schematics
Master Electrical Component List
Seat Belt System Description and Operation
Control Module References