GM Service Manual Online
For 1990-2009 cars only

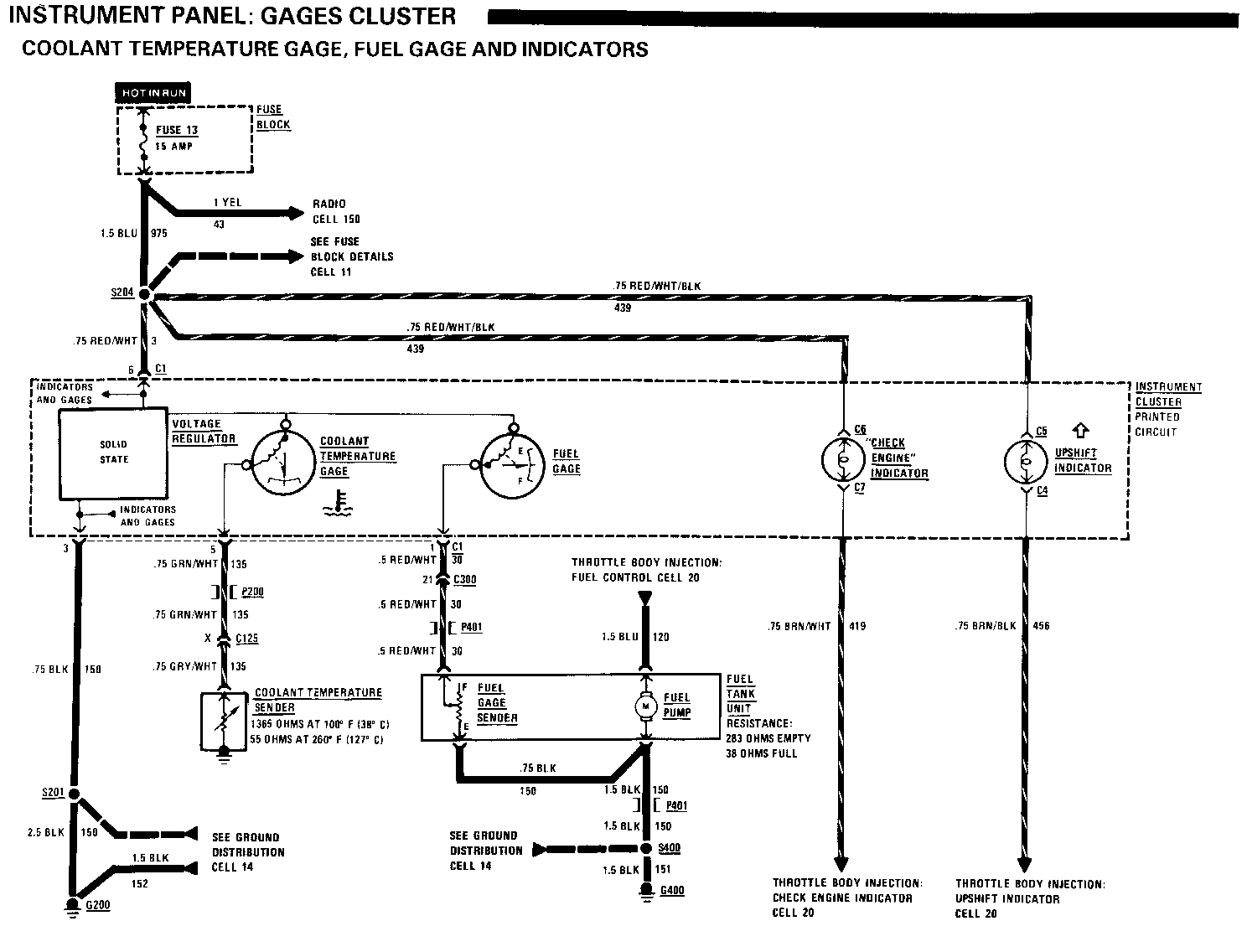
SERVICE MANUAL UPDATE FUEL GAGE SENDER RESISTANCE

Models Affected 1988 - 1989 LEMANS

The following pages (88-8A-81-3, and 89-8A-81-2) should replace current pages in the 1988 and 1989 LeMans Service Manuals.

The Fuel Gage Sender Resistance has been revised.


Object Number: 74990  Size: FS


Object Number: 75115  Size: FS

General Motors bulletins are intended for use by professional technicians, not a "do-it-yourselfer". They are written to inform those technicians of conditions that may occur on some vehicles, or to provide information that could assist in the proper service of a vehicle. Properly trained technicians have the equipment, tools, safety instructions and know-how to do a job properly and safely. If a condition is described, do not assume that the bulletin applies to your vehicle, or that your vehicle will have that condition. See a General Motors dealer servicing your brand of General Motors vehicle for information on whether your vehicle may benefit from the information.