GM Service Manual Online
For 1990-2009 cars only

System Description

The Antilock Braking System (ABS) consists of a conventional hydraulic brake system plus antilock components. The conventional brake system includes a vacuum booster, master cylinder, front disc brakes, rear drum brakes, interconnecting hydraulic brake pipes and hoses, brake fluid level sensor and the BRAKE indicator.

The ABS components include a hydraulic unit, an electronic brake control module (EBCM), 2 system fuses, 4 wheel speed sensors, 1 at each wheel, interconnecting wiring, the ABS indicator, and the rear drum brake. For the general layout of the ABS system, refer to Antilock Brake System Component Views .

Service Precautions

Caution: Refer to Brake Fluid Irritant Caution in the Preface section.

Caution: Refer to Brake Fluid Caution in the Preface section.

Caution: To help avoid personal injury due to poor braking, DO NOT tap into the vehicle's brake hydraulic system to operate a trailer brake system.

Notice: Refer to Brake Fluid Effects on Paint and Electrical Components Notice in the Preface section.

Notice: Refer to Fastener Notice in the Preface section.

Take care to avoid EBCM circuit overloading. In testing for opens or shorts, do not ground or apply voltage to any circuit unless instructed to do so by the diagnostic procedure. Test circuits only with a high-impedance multimeter. Never remove or apply power to any control module with the ignition switch in the ON position. Always turn the ignition to the OFF position before removing or connecting battery cables, fuses, or connectors.

General Service Precautions

Caution: Refer to ABS Component Handling Caution in the Preface section.

    • Disconnect the EBCM connector before performing any vehicle welding work using an electric arc welder.
    • Do not attempt to disassemble any component designated as nonserviceable. The hydraulic modulator and the EBCM can be separated from each other and replaced separately but cannot be serviced. They have no replaceable parts, and there is no access to the components they contain.

Hydraulic Unit

The hydraulic unit with the attached EBCM is located between the surge tank and the fire wall on the right side of the vehicle. The basic hydraulic unit configuration consists of the return pump motor, the return pump, 4 isolation valves, 4 dump valves, 2 low pressure accumulators (LPA), and 2 high pressure attenuators (HPA). The hydraulic unit controls hydraulic pressure to the front calipers and rear wheel cylinders by modulating hydraulic pressure to prevent wheel lockup.

Isolation Valve


Object Number: 1224822  Size: SH

The isolation valve is placed in the brake fluid path from the master cylinder to the relevant brake caliper. The isolation valve allows free flow as commanded by the driver during normal braking and reapply phases.

In the isolation phase the coil moves the armature down, which closes the normally open isolation orifice and prevents any further increase of pressure in the brake. The valve also remains closed during the dump phase.

The lip seal provides a one way return path for brake fluid to flow through in:

    • Foot off pedal during isolation
    • Residual LPA fluid

Dump Valve


Object Number: 1224821  Size: SH

The dump valve creates a flow path from the isolation cartridge, brake side, to the LPA. The valve keeps this path permanently closed except during the dump phase in the ABS mode. On activation, dump phase, the coil moves up the armature which opens the normally closed dump orifice and allow to drain the pressure in the brake line with the brake fluid flowing into the LPA.

The lip seal provides a return path for the residual brake fluid in the LPA.

Low Pressure Accumulator (LPA)


Object Number: 1224824  Size: SH

The LPA provides a variable chamber for brake fluid to be quickly pushed into through the dump valve at the beginning of a departure. This chamber then acts as a reservoir which buffers the pump.

High Pressure Attenuator (HPA)


Object Number: 1224817  Size: SH

The HPA is located between the pump and the ISO valve, master cylinder side. The HPA uses the bulk mode of the contained plastic damper and orifice size to dump out the pressure oscillations from the pump to reduce the feed back to the master cylinder and brake pedal.

Return Pump Motor

The motor drives 2 pump elements through the eccentric wheel on its shaft.

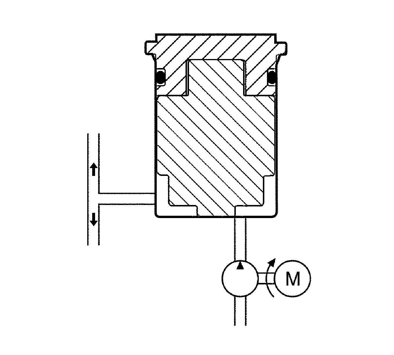
Return Pump Description

Each pump element consists of a fixed displacement piston driven by an eccentric on the end of the eccentric motor. It has 2 check valves, inlet and outlet, and is supplied with fluid by the LPA.

Return Pump Operation


Object Number: 1224819  Size: SH

Compression stroke: the return pump (1) is filled via the inlet ball seat, then the return pump motor (2) eccentric rotates, moving the piston to displace the fluid. After the pressure build-up closes the inlet valve, the piston displacement increases the pressure until the outlet ball opens. The outlet pressure will continue to increase for the rest of the piston stroke.

Return Stroke: The piston retracts, forced by its spring, as the motor eccentric returns to its low end position. The pressure at the inlet side of the outlet ball then decreases because of the displaced volume. The pressure difference across the outlet ball holds it closed.

The pressure at the outlet side of the inlet ball seat, which is set to open at a certain pressure level, also decreases until this valve opens. With the outlet ball closed, the pump is filled with additional fluid from the LPA.

The pressure will continue until a stall point is reached and compression of the piston cannot generate enough differential pressure anymore to open the outlet ball seat.

Electronic Brake Control Module (EBCM)


Object Number: 1224813  Size: SH

Important: The EBCM is not serviceable. The EBCM must be replaced as an assembly.

The EBCM is attached to the hydraulic unit in the engine compartment. The controlling element of the ABS is a microprocessor-based EBCM. Inputs to the system include the 4 wheel speed sensors, the stoplamp switch, the ignition switch, and the unswitched battery voltage. There is an output to a bi-directional serial data link, located in pin M of the assembly line diagnostic link (ALDL), for service diagnostic tools and assembly plate testing.

The EBCM monitors the speed of each wheel. If any wheel begins to approach lockup and the brake switch is closed (brake pedal depressed), the EBCM controls the dump valve to reduce brake pressure to the wheel approaching lockup. Once the wheel regains traction, brake pressure is increased until the wheel begins to approach lockup again. The cycle repeats until the vehicle comes to a stop, the brake pedal is released, or no wheels approach lockup.

Additionally, the EBCM monitors itself, each input, except the serial data link, and each output for proper operation. If it detects any system malfunction, the EBCM will store a DTC in nonvolatile memory. DTCs will not disappear if the battery is disconnected.

Wheel Speed Sensors and Rings


Object Number: 1224811  Size: SH

Object Number: 1224809  Size: SH

Front wheel speed sensors are installed to the front knuckle. Rear wheel speed sensors are installed to the backing plate.

Notice: Avoid prying or contacting wheel speed sensor rings. Excessive contact may cause damage to one or more teeth.

Wheel speed sensors are not serviceable. The air cap is not adjusted. The front wheel speed sensor ring is pressed onto the drive axle shaft. Each ring contains 40 equally spaced teeth.

Rear wheel speed sensor rings are incorporated into the hub drum.

Electronic Brake Distribution


Object Number: 1224816  Size: SH
(1)Critical Brake Points
(2)Ideal Distribution, Fully Loaded Vehicle
(3)Ideal Distribution, Lightly Loaded
(4)Vehicle
(5)Advanced Distribution with ABS
(6)Regular Distribution without Dynamic Rear Proportioning
(7)Relative Front Brake Force
(8)Relative Rear Brake Force

The ABS features an enhanced algorithm which includes control of the brake force distribution between the front and rear axles. This is called Electronic Brake Distribution or dynamic rear proportioning (DRP) valve. In an unladen car condition, the brake efficiency is comparable to the conventional system. For a fully loaded vehicle, the efficiency of the DRP system is higher because of the better use of rear axle braking capability.

No indication is given to the driver when DRP is activated. Also, DRP remains active even in such cases where the anti-lock function of the ABS is disabled.

Indicator


Object Number: 1224808  Size: SH

The indicator illuminates for 4 seconds immediately after the ignition has been turned on to show that the ABS self-test is being carried out. If the light does not go off after this time, there may be a problem and ABS operation is not available.

If any malfunction or error, including an unplugged EBCM connector, is detected during vehicle operation, the light will come on, warning the driver that the ABS is not operative and brake operation is in conventional, non-ABS mode.

EBCM Connector


Object Number: 1224807  Size: CH

A connector has 31 pins which are shown in the figure. A connector includes a warning switch (1). If there is no EBCM unit plugged in, the warning switch grounds and lights the ABS warning lamp, indicating the ABS is not available.

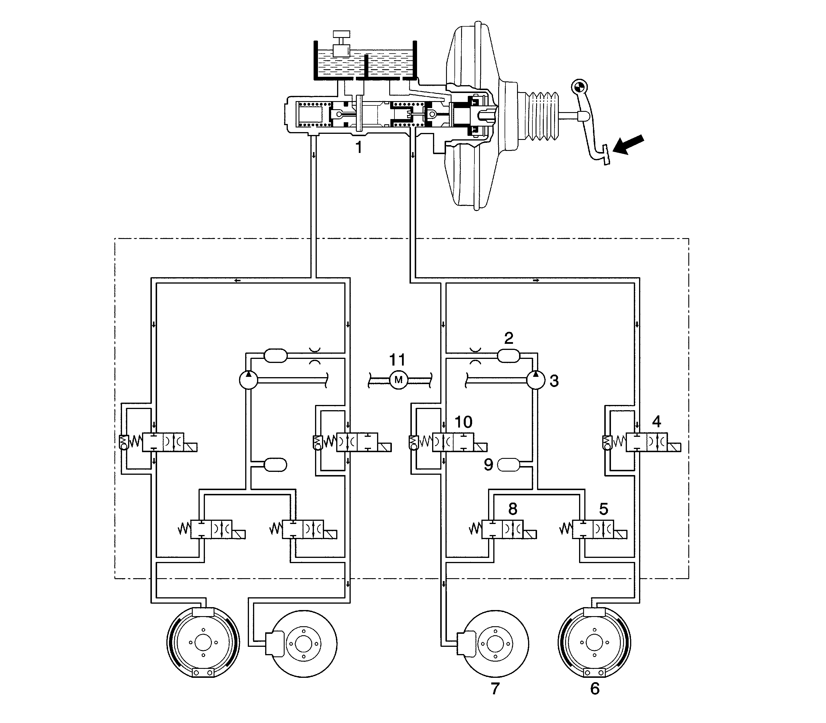
Hydraulic Fluid Flow Diagrams

Normal Brake Mode


Object Number: 1225537  Size: LF
(1)Master Cylinder
(2)High Pressure Actuator
(3)Return Pump
(4)Left Rear Isolation Valve
(5)Left Rear Dump Valve
(6)Left Rear Brake
(7)Right Front Brake
(8)Right Front Dump Valve
(9)Low Pressure Accumulator
(10)Right Front Isolation Valve
(11)Return Pump Motor

During non-antilock braking, pressure is applied through the brake pedal and fluid comes from the master cylinder into the hydraulic unit. The normally open isolation cartridge and normally closed dump cartridge would remain in these positions to allow fluid pressure to the calipers and the wheel cylinders. Each wheel begins locking.

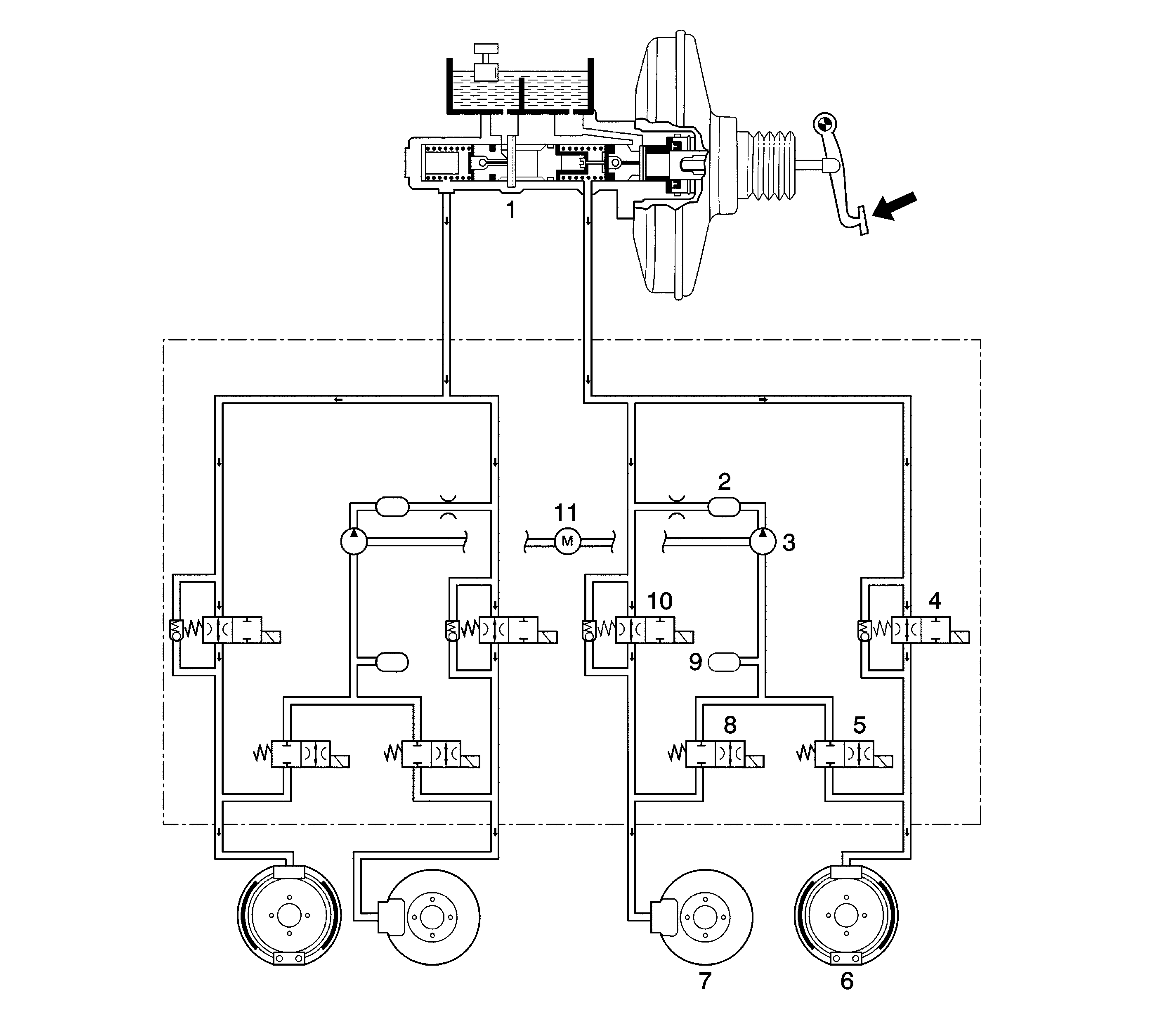
Isolation Mode (Pressure Maintain)


Object Number: 1225535  Size: LF
(1)Master Cylinder
(2)High Pressure Actuator
(3)Return Pump
(4)Left Front Isolation Valve
(5)Left Rear Dump Valve
(6)Left Rear Brake
(7)Right Front Brake
(8)Right Front Dump Valve
(9)Low Pressure Accumulator
(10)Right Front Isolation Valve
(11)Return Pump Motor

If the information from the wheel speed sensors indicate excessive wheel deceleration, imminent lockup, the first step in the antilock sequence is to isolate the brake pressure being applied by the driver. The EBCM sends a voltage to the coil to energize and close the isolation valves by pulling down on the armature. This prevents any additional fluid pressure applied by the driver from reaching the wheel. Though each channel of the 4-channel system can operate independently, once any front channel, brake, sees excessive deceleration, both front isolation valves are energized and close. With the isolation valves closed, further unnecessary increases in the brake pressure will be prohibited.

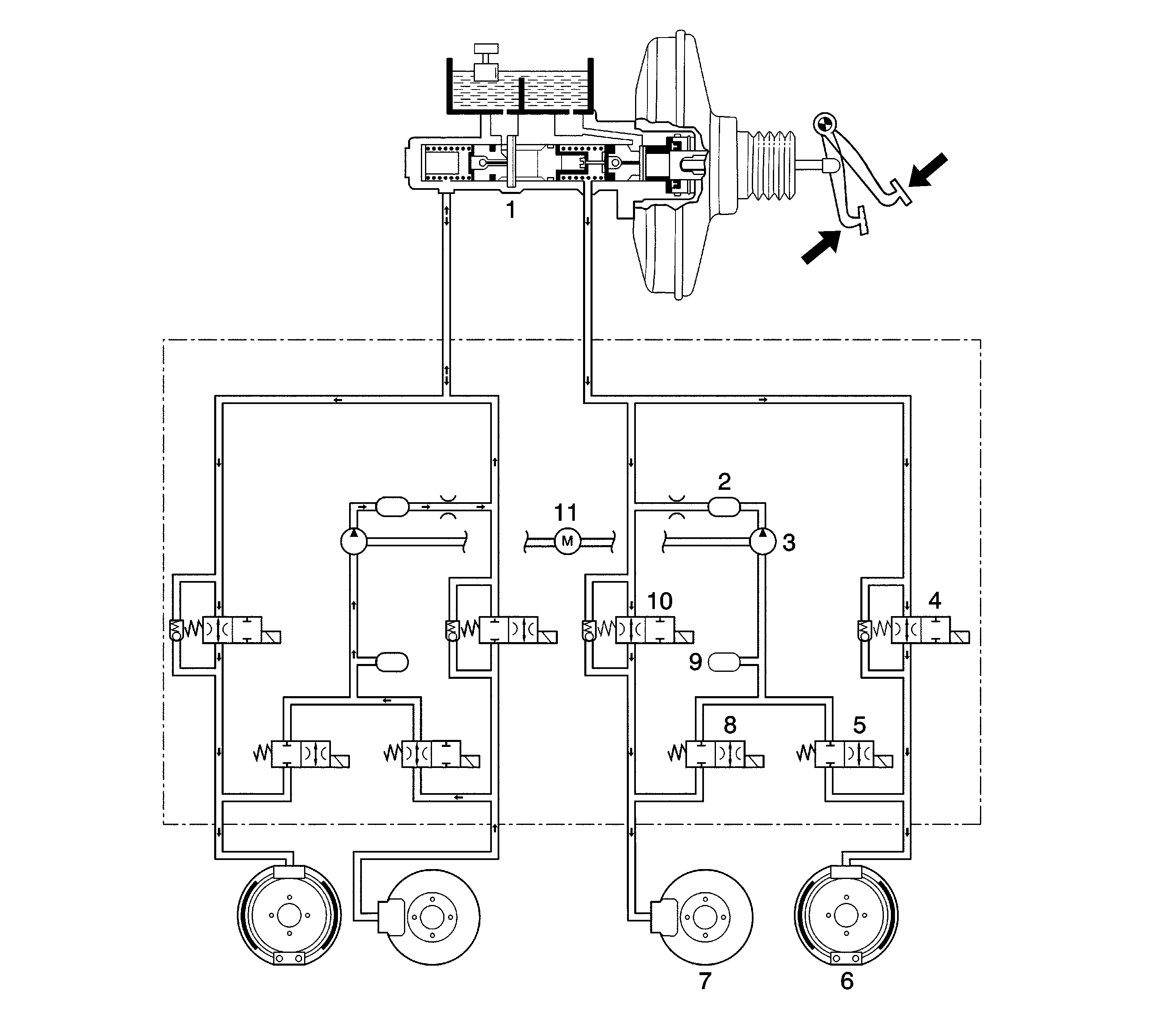
Dump Mode (Pressure Decrease)


Object Number: 1225533  Size: LF
(1)Master Cylinder
(2)High Pressure Actuator
(3)Return Pump
(4)Left Front Isolation Valve
(5)Left Rear Dump Valve
(6)Left Rear Brake
(7)Right Front Brake
(8)Right Front Dump Valve
(9)Low Pressure Accumulator
(10)Right Front Isolation Valve
(11)Return Pump Motor

Once the pressure is isolated, it must be reduced to get the wheels rolling once again. This is accomplished by dumping a portion of the brake fluid pressure into a LPA.

The EBCM energizes the dump cartage coil(s) to open the dump cartridge, allowing fluid from the wheels to be dumped into the LPA. This is done with very short activation pulses opening and closing the dump cartridge passageway. Brake pressure is lowered at the wheel and allows the wheel to begin spinning again.

The fluid taken from the wheels forces the spring back and is stored in the LPA. A portion of the fluid also primes the pump. The dump cartridges are operated independently to control the deceleration of the wheel.

Reapply Mode (Pressure Increase)


Object Number: 1225532  Size: LF
(1)Master Cylinder
(2)High Pressure Actuator
(3)Return Pump
(4)Left Front Isolation Valve
(5)Left Rear Dump Valve
(6)Left Rear Brake
(7)Right Front Brake
(8)Right Front Dump Valve
(9)Low Pressure Accumulator
(10)Right Front Isolation Valve
(11)Return Pump Motor

This reapply sequence is initiated to obtain optimum braking. The isolation valve is momentarily pumped open to allow the master cylinder and the pump pressure to reach the brakes. This controlled pressure rise continues until the wheel is at optimum brake output or until the brake pressure is brought up to the master cylinder output pressure.

If more pressure is required, more fluid is drawn from the master cylinder and applied to the brakes. The driver may feel slight pedal pulsations, or pedal drop. This is normal and is expected.

As fluid is reapplied to the wheel, they begin to slow down. If they approach imminent lockup again, the EBCM will isolate, dump and reapply again. The control cycle, isolation, dump, reapply, occurs in milli-second intervals, allowing several cycles to occur each second.

It is a much faster and more controlled way of "pumping the pedal".

Proportioning Function


Object Number: 1225529  Size: LF
(1)Master Cylinder
(2)High Pressure Actuator
(3)Return Pump
(4)Left Front Isolation Valve
(5)Left Rear Dump Valve
(6)Left Rear Brake
(7)Right Front Brake
(8)Right Front Dump Valve
(9)Low Pressure Accumulator
(10)Right Front Isolation Valve
(11)Return Pump Motor

If the rear wheels lock formerly during braking, the vehicle may lose the stability. To prevent this, the ECM processes the speed sensor signal and brake signal to determine when the rear wheels are tending to lock up. The EBCM then actuates the rear wheel isolation valves to reduce the rear brake pressure and keep the wheels rolling.