GM Service Manual Online
For 1990-2009 cars only
Makes
🢒
Pontiac
🢒
2004
🢒
Matiz
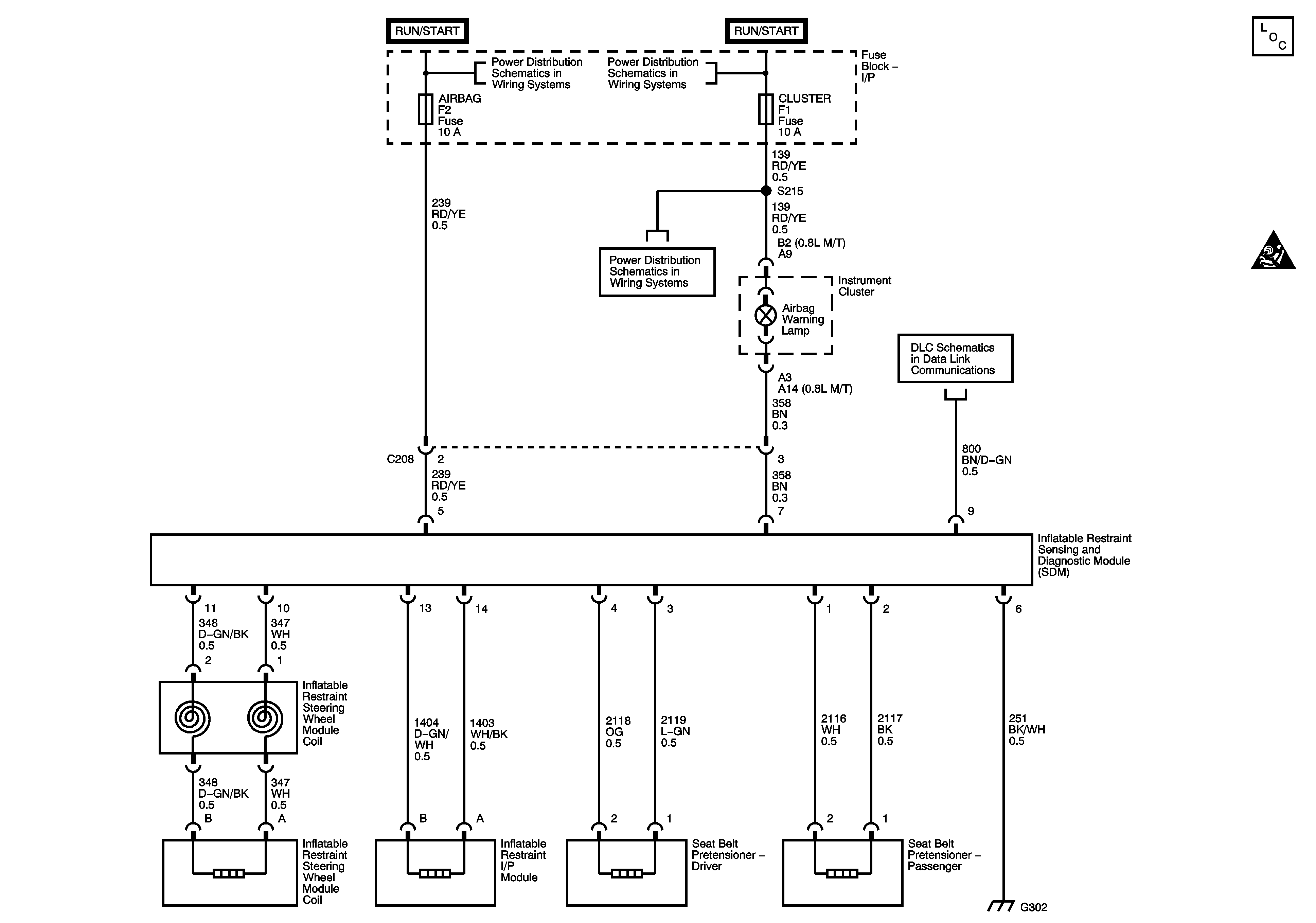
🢒 Power. Grounds, Data Link Connector (DLC), SIR Modules, Sensing and Diagnostic Module (SDM)
Power. Grounds, Data Link Connector (DLC), SIR Modules, Sensing and Diagnostic Module (SDM)
Power, Grounds, Data Link Connector (DLC), SIR Modules, Sensing and Diagnostic Module (SDM)
Master Electrical Component List
SIR Schematic Icons
Instrument Panel Fuse Block - ECM and TCM Fuses, Underhood Fuse Block - AUDIO, CIGAR LIGHTER, CLUSTER, AIRBAG, POWER WINDOW and TURN SIGNAL Fuses
Instrument Panel Fuse Block - ECM and TCM Fuses, Underhood Fuse Block - AUDIO, CIGAR LIGHTER, CLUSTER, AIRBAG, POWER WINDOW and TURN SIGNAL Fuses
Instrument Panel Fuse Block - ECM and TCM Fuses, Underhood Fuse Block - AUDIO, CIGAR LIGHTER, CLUSTER, AIRBAG, POWER WINDOW and TURN SIGNAL Fuses
Data Link Connector (DLC) (Sirius-D3)