GM Service Manual Online
For 1990-2009 cars only
Makes
🢒
Pontiac
🢒
2004
🢒
Matiz
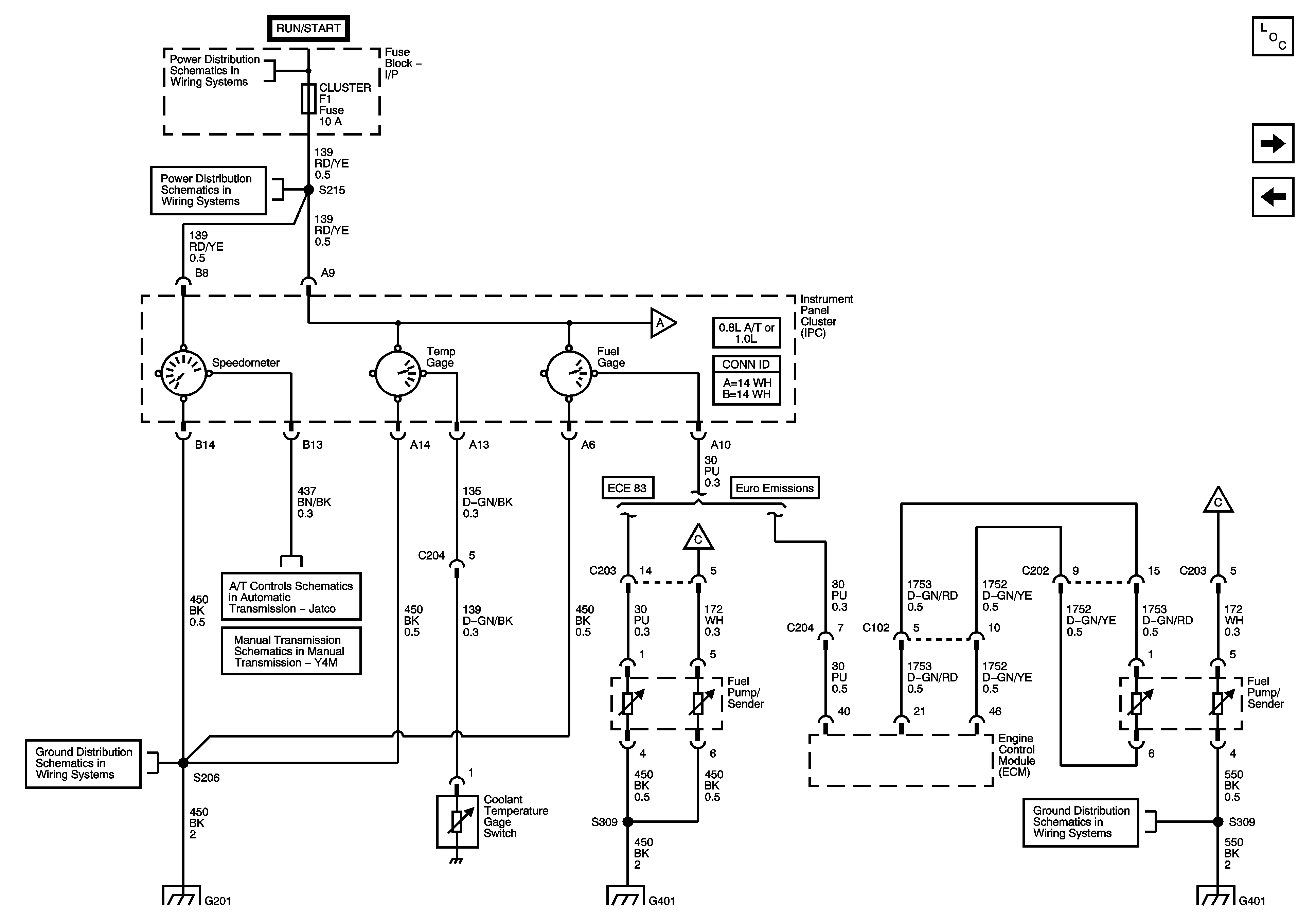
🢒 Instrument Cluster Gages (0.8L A/T or 1.0L)
Instrument Cluster Gages (0.8L A/T or 1.0L)
Instrument Cluster Gages (0.8L A/T or 1.0L)
Master Electrical Component List
Warning Lamps
Instrument Cluster Gages (0.8L Sirius-D3)
Underhood Fuse Block - Battery Feeds
Instrument Panel Fuse Block - ECM and TCM Fuses, Underhood Fuse Block - AUDIO, CIGAR LIGHTER, CLUSTER, AIRBAG, POWER WINDOW and TURN SIGNAL Fuses
Warning Lamps
Warning Lamps
Warning Lamps
Vehicle Speed Sensor (VSS)
Vehicle Speed Sensor (VSS)
G201 (0.8L)
G401, G402, G403, and G404