GM Service Manual Online
For 1990-2009 cars only
Makes
🢒
Pontiac
🢒
2004
🢒
Matiz
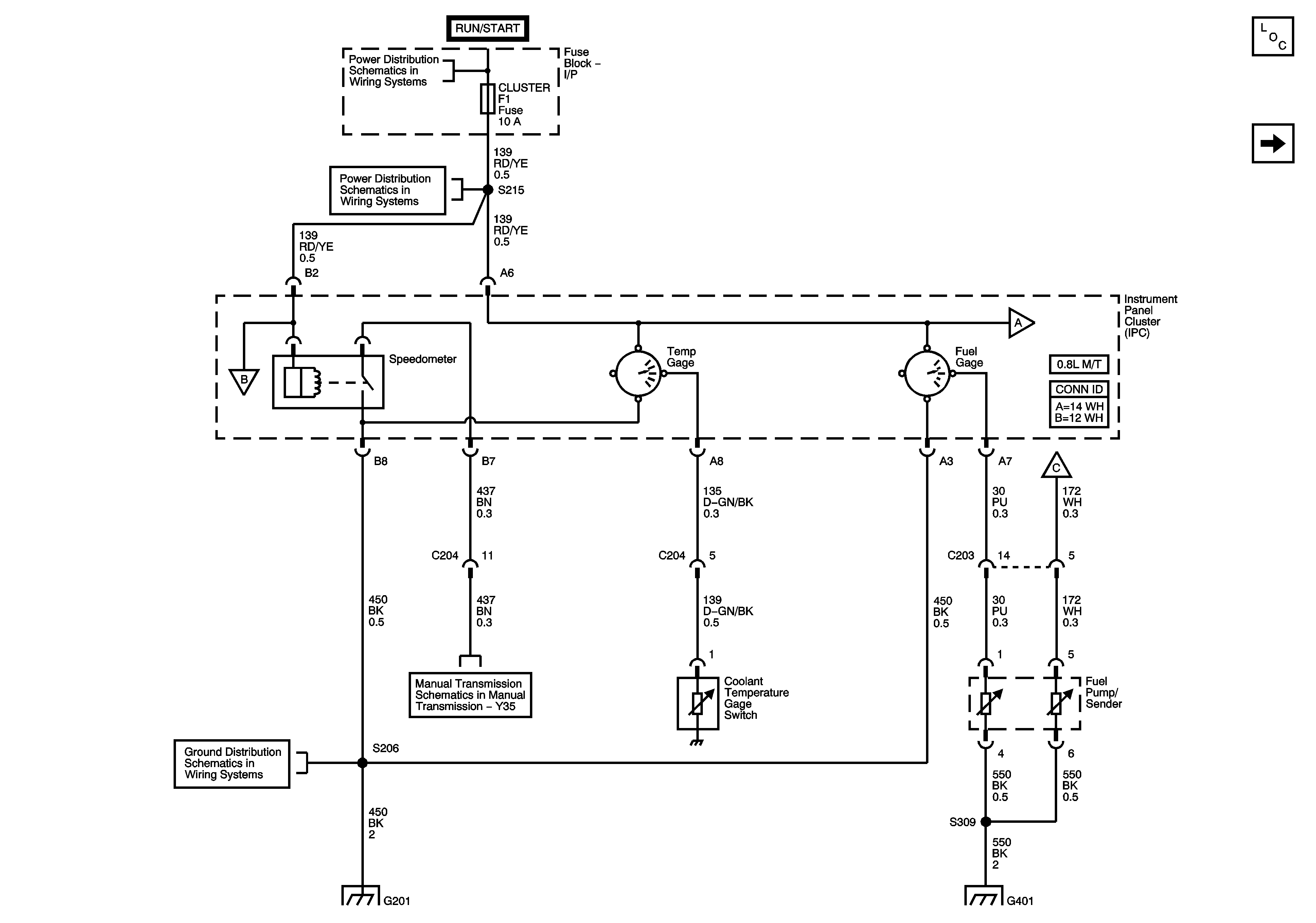
🢒 Instrument Cluster Gages (0.8L Fenix - M/T)
Instrument Cluster Gages (0.8L Fenix - M/T)
Instrument Cluster Gages (0.8L Fenix - M/T)
Master Electrical Component List
Instrument Cluster Gages (0.8L Sirius-D3)
Underhood Fuse Block - Battery Feeds
Instrument Panel Fuse Block - ECM and TCM Fuses, Underhood Fuse Block - AUDIO, CIGAR LIGHTER, CLUSTER, AIRBAG, POWER WINDOW and TURN SIGNAL Fuses
Instrument Cluster Gages (0.8L Sirius-D3)
Instrument Cluster Gages (0.8L Sirius-D3)
Instrument Cluster Gages (0.8L Sirius-D3)
Vehicle Speed Sensor (VSS) (Sirus-D3)
G201 (0.8L) (Contd)