GM Service Manual Online
For 1990-2009 cars only
Makes
🢒
Pontiac
🢒
2004
🢒
Matiz
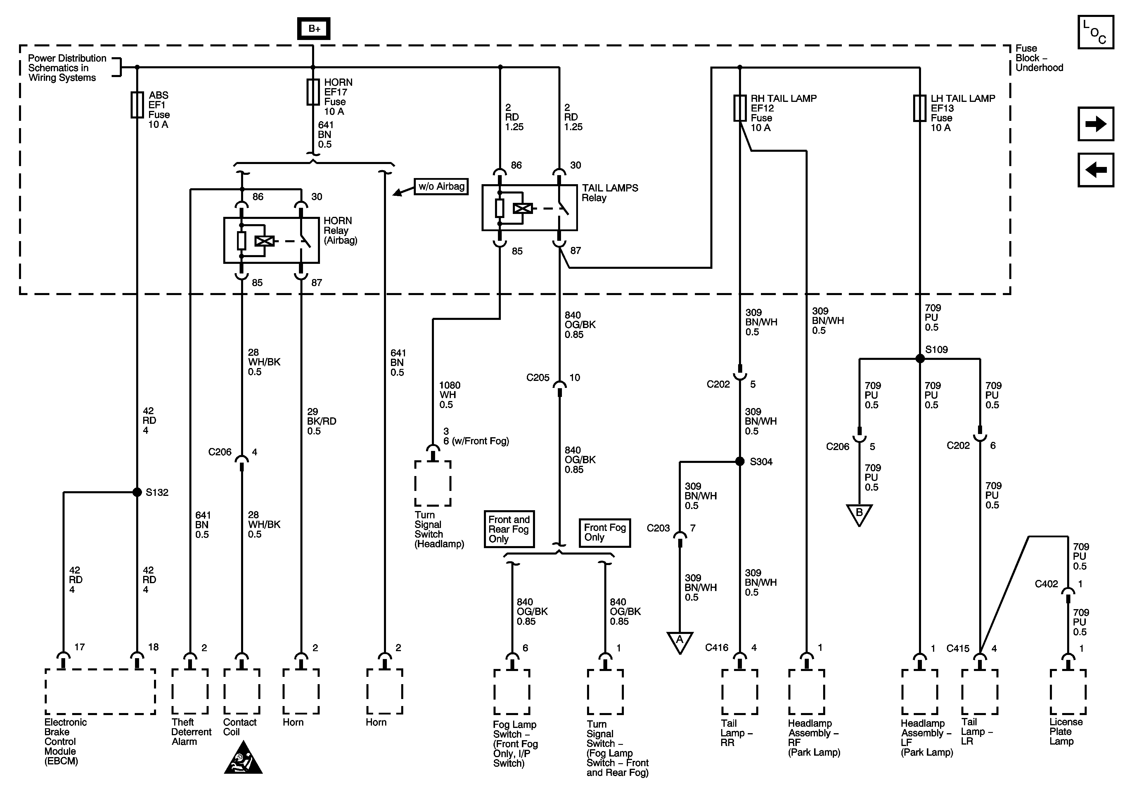
🢒 Underhood Fuse Block - ABS - RH TAIL LAMP, LH TAIL LAMP and HORN Fuses
Underhood Fuse Block - ABS - RH TAIL LAMP, LH TAIL LAMP and HORN Fuses
Underhood Fuse Block - ABS - RH TAIL LAMP, LH TAIL LAMP and HORN Fuses
Master Electrical Component List
RH TAIL LAMP, LH TAIL LAMP Fuses (Continued)
Underhood Fuse Block (1.0L) - HEADLAMPS, LH LO BEAM, RH LO BEAM, LH HI BEAM, and RH HI BEAM Fuses