GM Service Manual Online
For 1990-2009 cars only
Makes
🢒
Pontiac
🢒
2004
🢒
Matiz
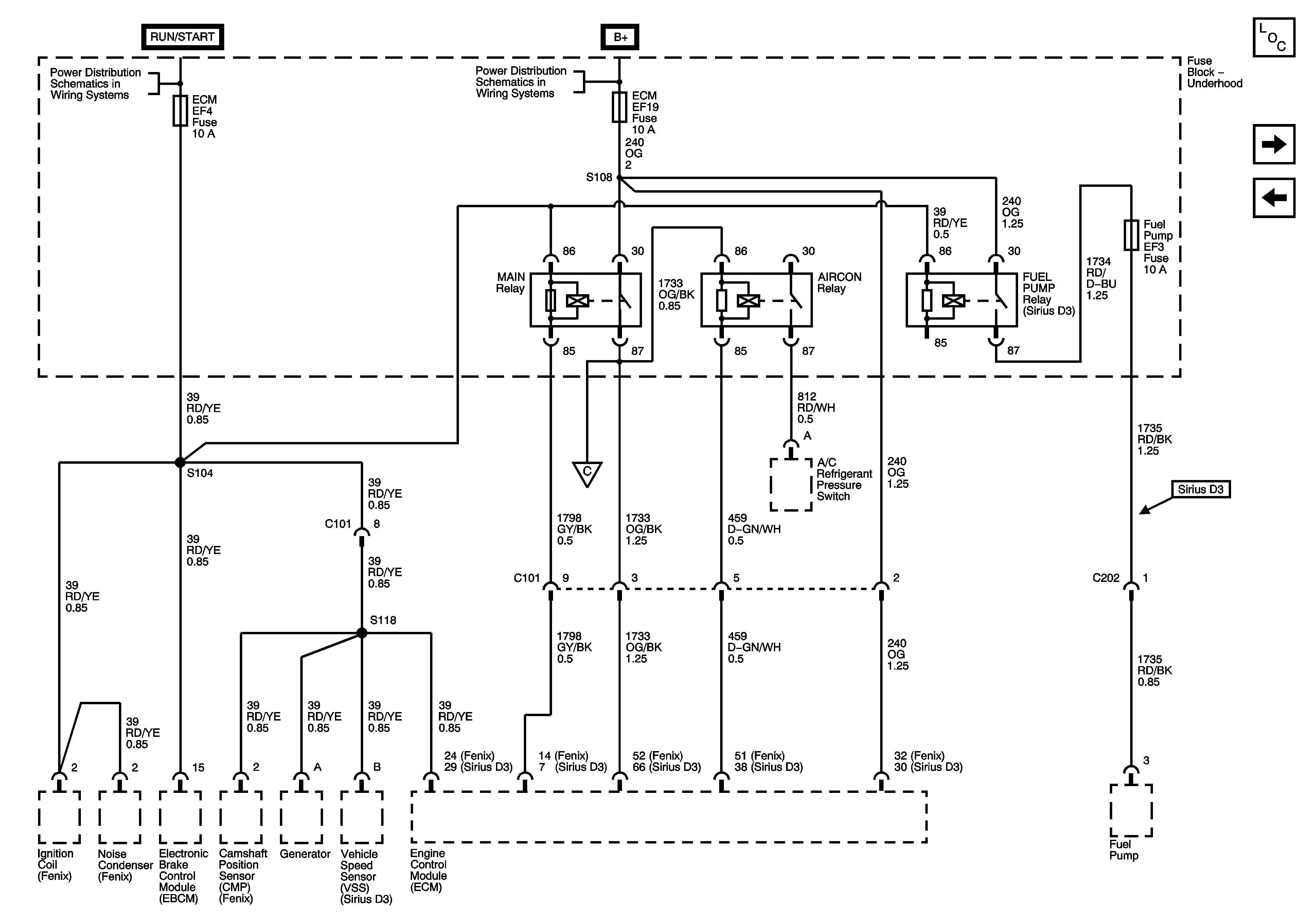
🢒 Underhood Fuse Block (0.8L) - ECM and FUEL PUMP Fuses
Underhood Fuse Block (0.8L) - ECM and FUEL PUMP Fuses
Underhood Fuse Block (0.8L) - ECM and FUEL PUMP Fuses
Master Electrical Component List
Underhood Fuse Block (1.0L) - ECM, FUEL PUMP Fuses
Underhood Fuse Block (1.0L) BLOWER MOTOR, HEATED GLASS, COOLING FAN, and AIRCON Fuses