GM Service Manual Online
For 1990-2009 cars only
Makes
🢒
Pontiac
🢒
2004
🢒
Matiz
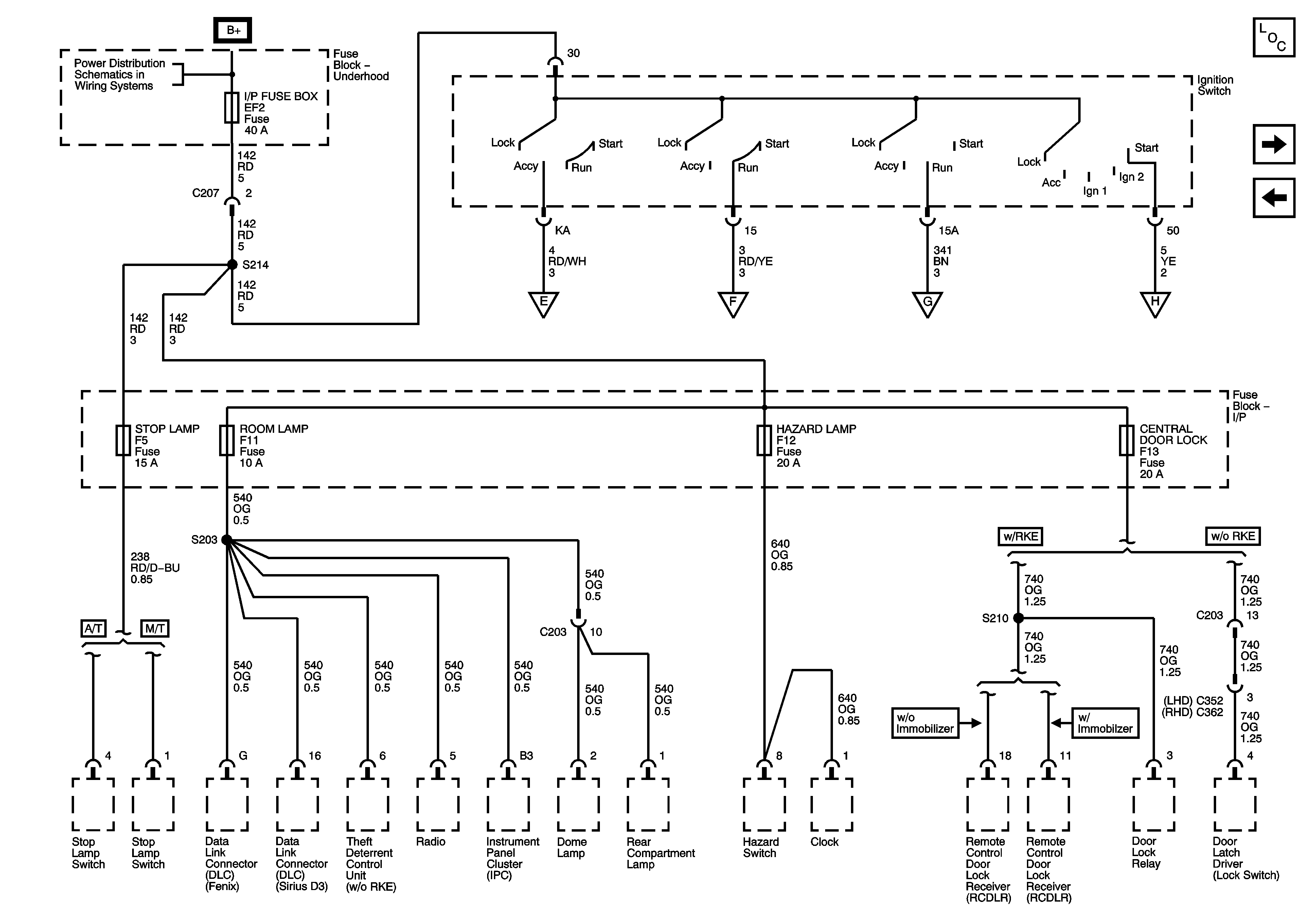
🢒 Underhood Fuse Block (0.8L) - IP FUSEBOX Fuse, IGNITION SWITCH, IP FUSE BLOCK (0.8L) - STOP LAMPS, ROOM LAMP, HAZARD LAMP and CENTRAL DOOR LOCK Fuses
Underhood Fuse Block (0.8L) - IP FUSEBOX Fuse, IGNITION SWITCH, IP FUSE BLOCK (0.8L) - STOP LAMPS, ROOM LAMP, HAZARD LAMP and CENTRAL DOOR LOCK Fuses
Underhood Fuse Block (0.8L) - IP FUSEBOX Fuse, IGNITION SWITCH, IP Fuse Block (0.8L) - STOP LAMPS, ROOM LAMP, HAZARD LAMP, and CENTRAL DOOR LOCK Fuses
Master Electrical Component List
Underhood Fuse Block (1.0L) - IP FUSEBOX Fuse, IGNITION SWITCH, IP FUSE Block (1.0L) - STOP LAMPS, ROOM LAMP, HAZARD LAMP, and CENTRAL DOOR LOCK Fuses
Underhood Fuse Block (1.0L) - FRONT FOG LAMPS Fuse