GM Service Manual Online
For 1990-2009 cars only
Makes
🢒
Pontiac
🢒
2004
🢒
Matiz
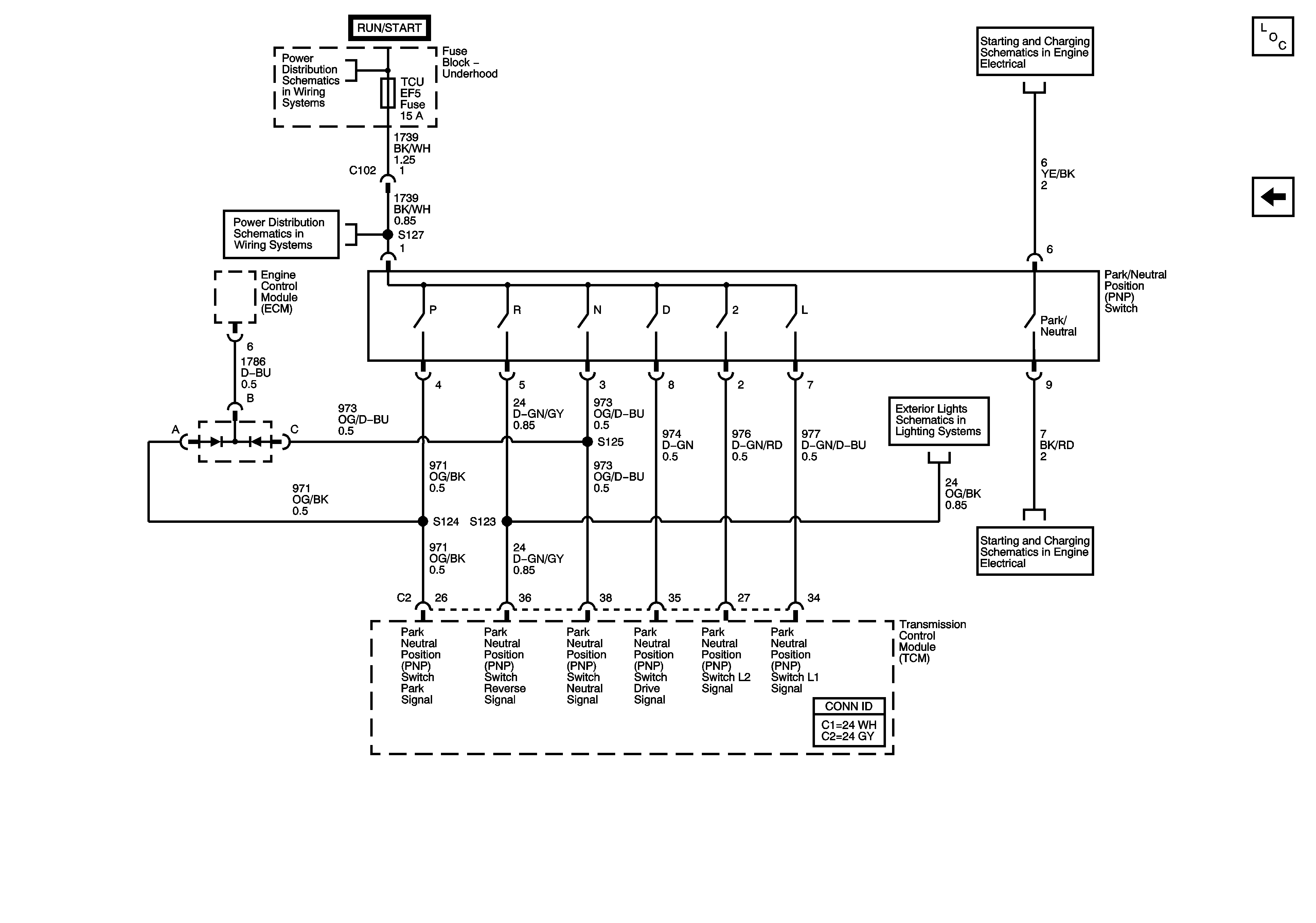
🢒 Park/Neutral Position (PNP) Switch
Park/Neutral Position (PNP) Switch
Park/Neutral Position (PNP) Switch
Master Electrical Component List
Vehicle Speed Sensor (VSS)
Instrument Panel Fuse Block - START MOTOR Fuse, Underhood Fuse Block (0.8L) - TCM Fuse
Starting System
Instrument Panel Fuse Block - START MOTOR Fuse, Underhood Fuse Block (0.8L) - TCM Fuse
Park Lamps
Starting System