GM Service Manual Online
For 1990-2009 cars only
Makes
🢒
Pontiac
🢒
2004
🢒
Matiz
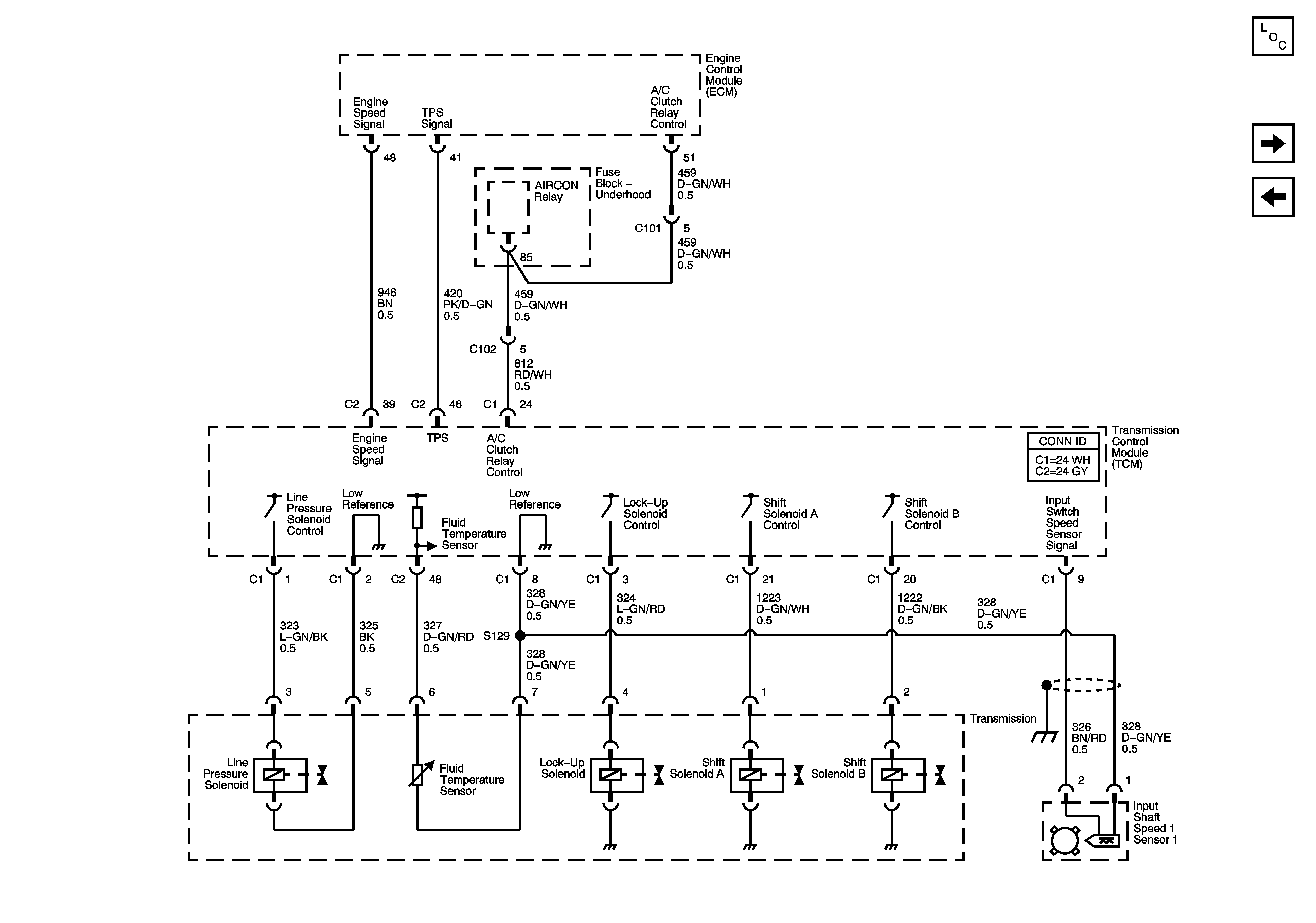
🢒 Transmission Solenoids, Engine Control Signals
Transmission Solenoids, Engine Control Signals
Transmission Solenoids, Engine Control Signals
Master Electrical Component List
Vehicle Speed Sensor (VSS)
Power, Grounds, Serial Data, Malfunction Indicator Lamp (MIL), Switches