GM Service Manual Online
For 1990-2009 cars only
Makes
🢒
Pontiac
🢒
2004
🢒
Matiz
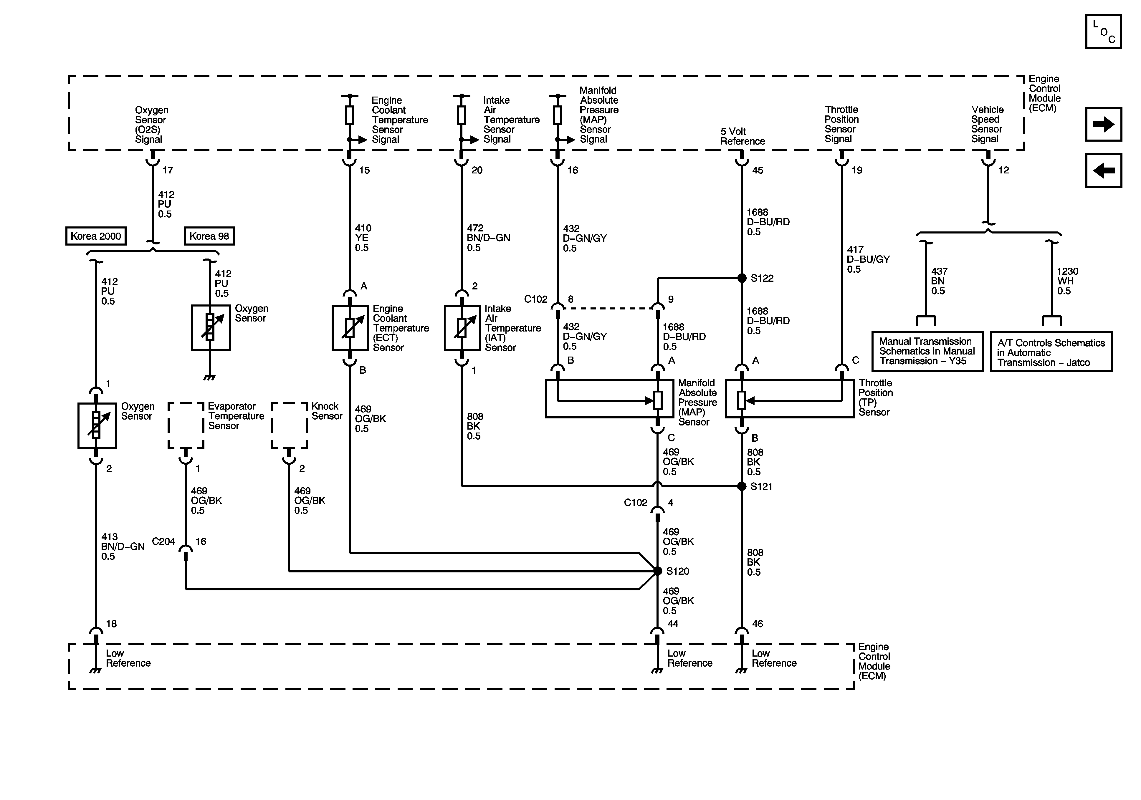
🢒 Engine Data Sensors - Pressure and Temperature, Oxygen Sensor
Engine Data Sensors - Pressure and Temperature, Oxygen Sensor
Engine Data Sensors - Pressure and Temperature, Oxygen Sensor
Master Electrical Component List
Ignition Controls - Sensors
Module Power, Ground, Serial Data, Malfuntion Indicator Lamp (MIL)
Vehicle Speed Sensor (VSS) (Sirus-D3)
Vehicle Speed Sensor (VSS)