GM Service Manual Online
For 1990-2009 cars only
Makes
🢒
Pontiac
🢒
2004
🢒
Matiz
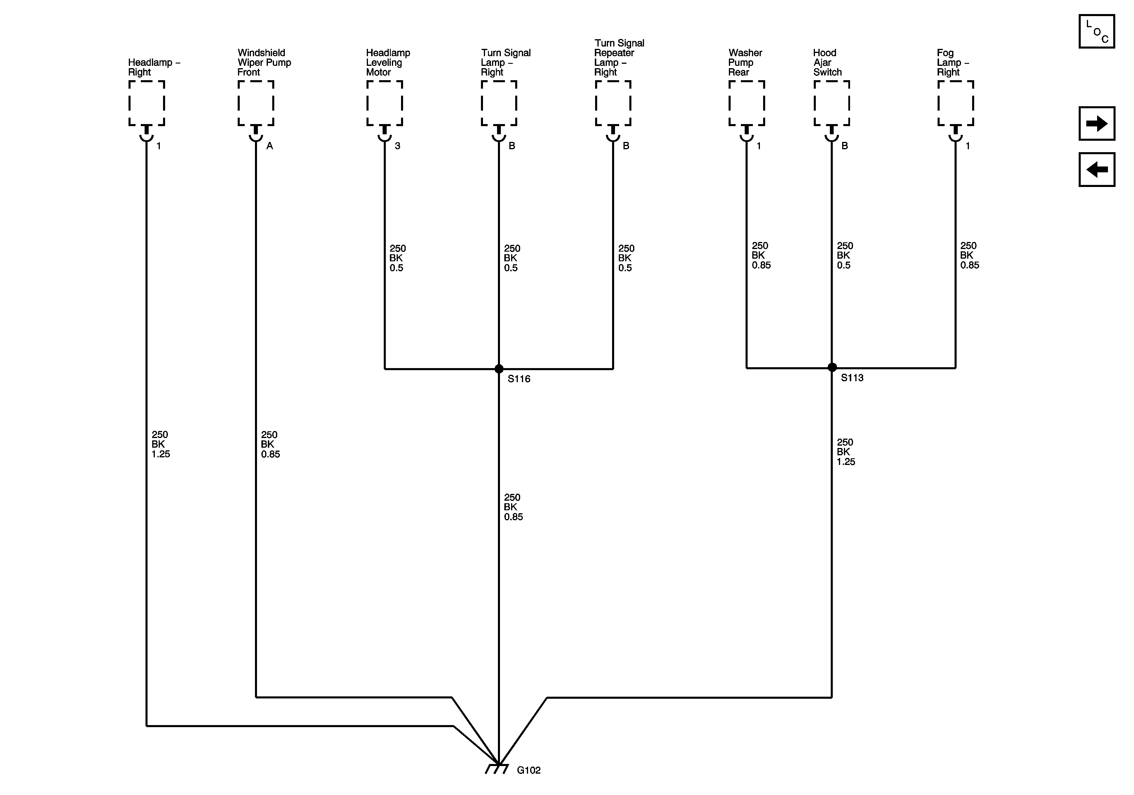
🢒 G102
G102
G102
Master Electrical Component List
G103 (0.8L Sirius-D3)
G101