GM Service Manual Online
For 1990-2009 cars only
Makes
🢒
Pontiac
🢒
2004
🢒
Matiz
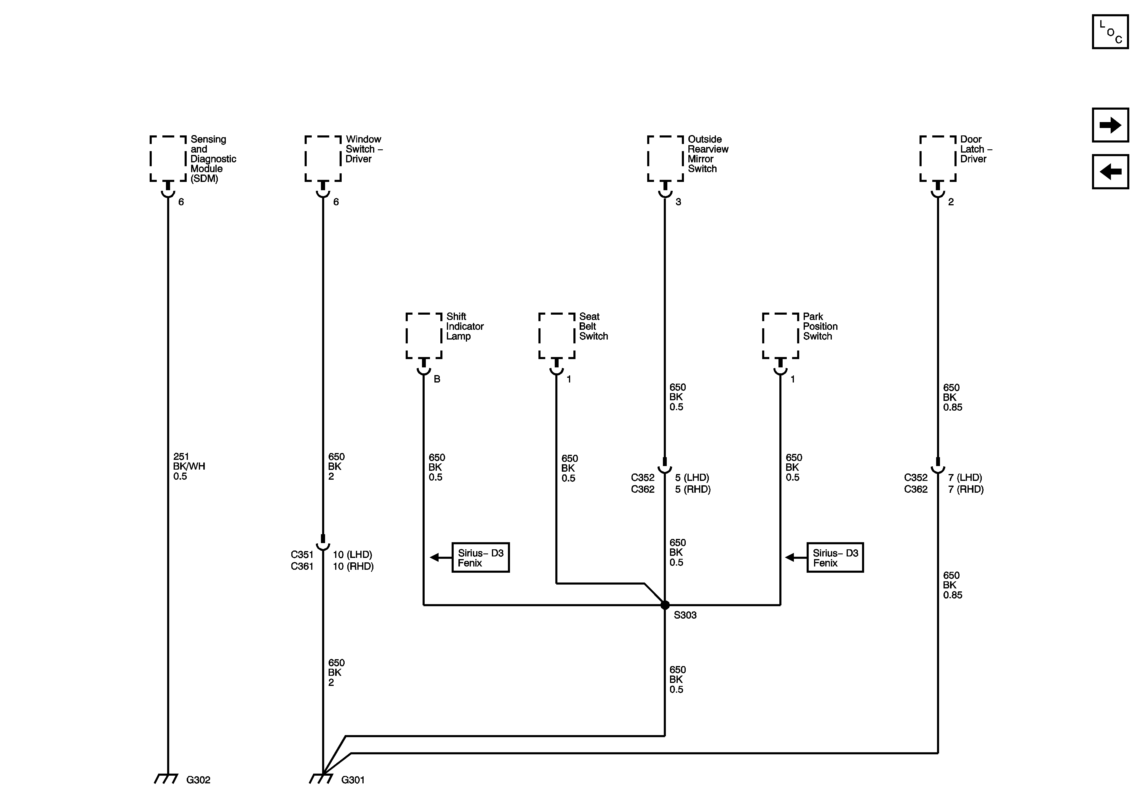
🢒 G301 and G302
G301 and G302
G301 and G302
Master Electrical Component List
G401, G402, G403, and G404
G201 (1.0L) (Contd)