GM Service Manual Online
For 1990-2009 cars only

Engine Controls Schematics Euro Emissions

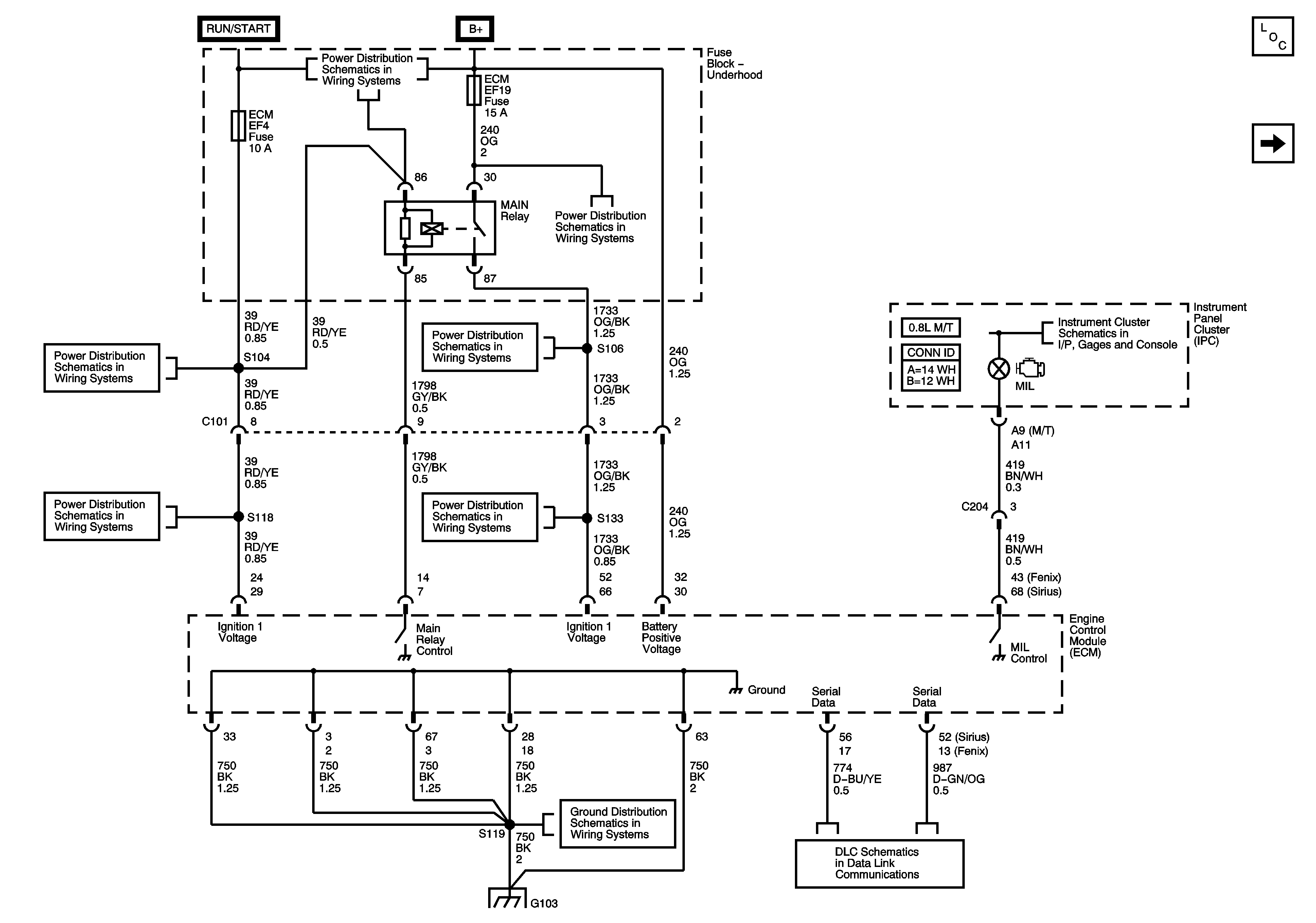
Figure 1:

Module Power, Ground, Serial Data, Malfunction Indicator Lamp (MIL)


Object Number: 1242499  Size: FS
Master Electrical Component List
Engine Data Sensors - Pressure and Temperature
Underhood Fuse Block - Battery Feeds
Underhood Fuse Block (0.8L) - ECM and FUEL PUMP Fuses
Underhood Fuse Block (0.8L) - ECM and FUEL PUMP Fuses
Underhood Fuse Block (0.8L) - ECM and FUEL PUMP Fuses
Underhood Fuse Block (0.8L) - ECM and FUEL PUMP Fuses
Underhood Fuse Block (0.8L) - ECM and FUEL PUMP Fuses
G103 (0.8L Sirius-D3)
Instrument Panel Fuse Block - ECM and TCM Fuses, Underhood Fuse Block - AUDIO, CIGAR LIGHTER, CLUSTER, AIRBAG, POWER WINDOW and TURN SIGNAL Fuses
Figure 2:

Engine Data Sensors - Pressure and Temperature


Object Number: 1242925  Size: FS
Master Electrical Component List
Engine Data Sensors - Oxygen Sensors
Module Power, Ground, Serial Data, Malfunction Indicator Lamp (MIL)
Vehicle Speed Sensor (VSS) (Sirus-D3)
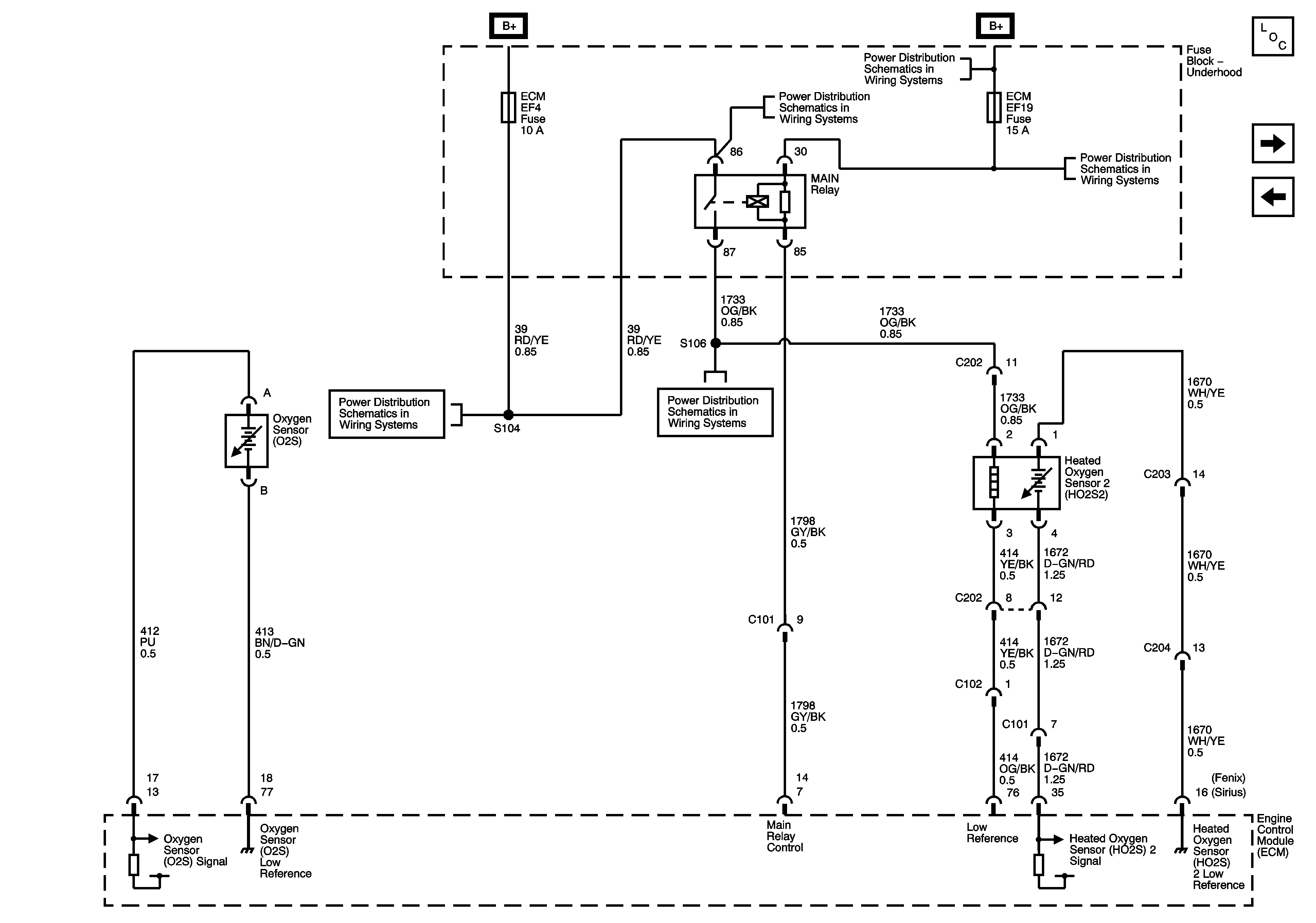
Figure 3:

Engine Data Sensors - Oxygen Sensors


Object Number: 1511832  Size: FS
Master Electrical Component List
Ignition Controls - Ignition System
Engine Data Sensors - Pressure and Temperature
Underhood Fuse Block - Battery Feeds
Underhood Fuse Block (0.8L) - ECM and FUEL PUMP Fuses
Underhood Fuse Block (0.8L) - ECM and FUEL PUMP Fuses
Underhood Fuse Block (0.8L) - ECM and FUEL PUMP Fuses
Underhood Fuse Block (0.8L) - ECM and FUEL PUMP Fuses
Figure 4:

Ignition Controls - Ignition System


Object Number: 1511834  Size: FS
Master Electrical Component List
Ignition Controls - Sensors
Engine Data Sensors - Oxygen Sensors
Underhood Fuse Block - Battery Feeds
Underhood Fuse Block (0.8L) - ECM and FUEL PUMP Fuses
Underhood Fuse Block (0.8L) - ECM and FUEL PUMP Fuses
Underhood Fuse Block (0.8L) - ECM and FUEL PUMP Fuses
Underhood Fuse Block (0.8L) - ECM and FUEL PUMP Fuses
Figure 5:

Ignition Controls - Sensors


Object Number: 1242517  Size: FS
Master Electrical Component List
Fuel Controls - Fuel Pump Controls and Fuel Injectors
Ignition Controls - Ignition System
Underhood Fuse Block - Battery Feeds
Underhood Fuse Block (0.8L) - ECM and FUEL PUMP Fuses
Underhood Fuse Block (0.8L) - ECM and FUEL PUMP Fuses
Underhood Fuse Block (0.8L) - ECM and FUEL PUMP Fuses
Underhood Fuse Block (0.8L) - ECM and FUEL PUMP Fuses
Wheel Speed Sensor Circuits
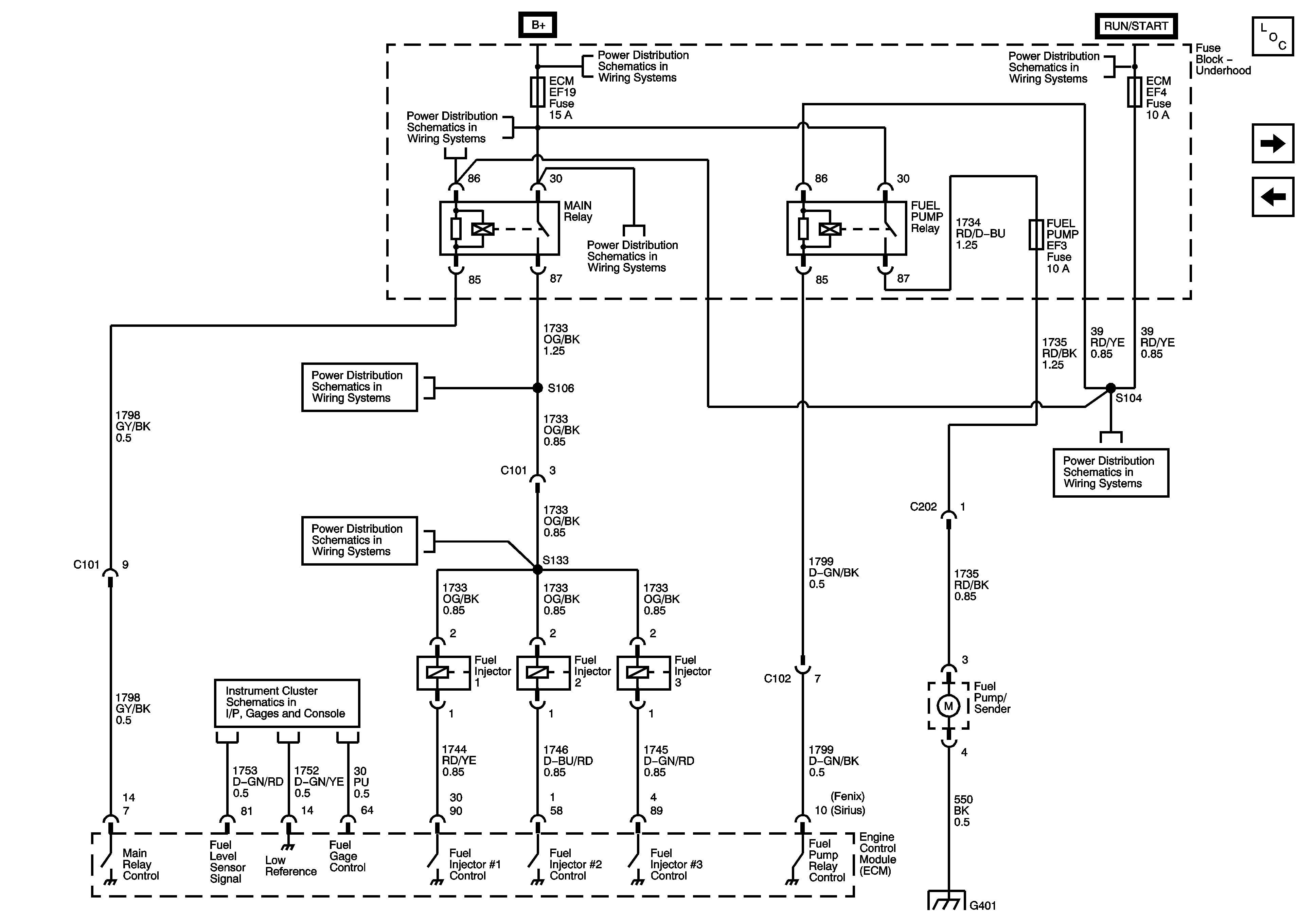
Figure 6:

Fuel Controls - Fuel Pump Controls and Fuel Injectors


Object Number: 1244363  Size: FS
Master Electrical Component List
Evaporative Emissions (EVAP) and Device Controls
Ignition Controls - Sensors
Underhood Fuse Block - Battery Feeds
Underhood Fuse Block - Battery Feeds
Underhood Fuse Block (0.8L) - ECM and FUEL PUMP Fuses
Underhood Fuse Block (0.8L) - ECM and FUEL PUMP Fuses
Underhood Fuse Block (0.8L) - ECM and FUEL PUMP Fuses
Data Link Connector (DLC) (Sirius-D3)
Underhood Fuse Block (0.8L) - ECM and FUEL PUMP Fuses
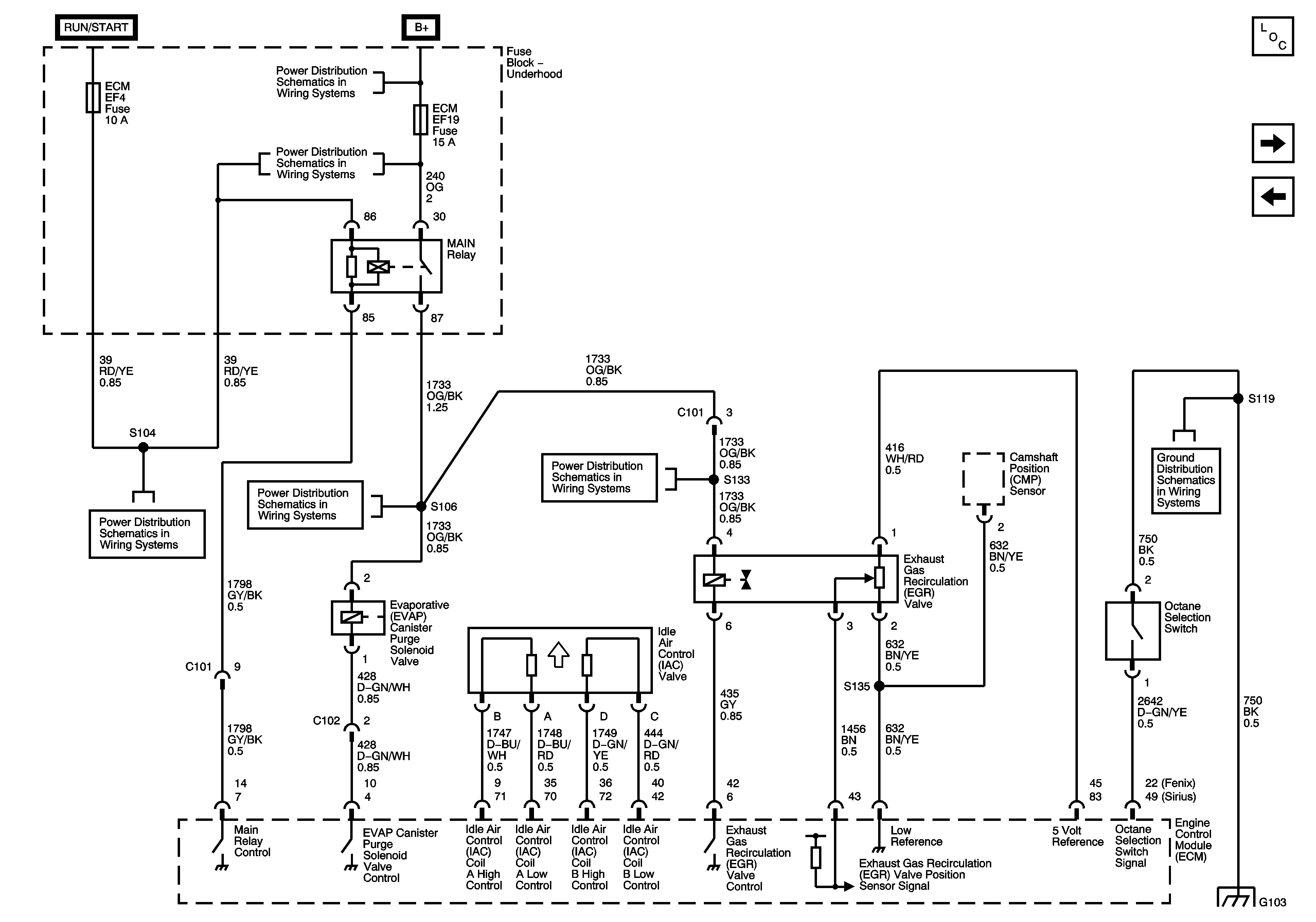
Figure 7:

Evaporative Emissions (EVAP) and Device Controls


Object Number: 1244622  Size: FS
Master Electrical Component List
Controlled/Monitored Subsystem References
Fuel Controls - Fuel Pump Controls and Fuel Injectors
Underhood Fuse Block - Battery Feeds
Underhood Fuse Block (0.8L) - ECM and FUEL PUMP Fuses
Underhood Fuse Block (0.8L) - ECM and FUEL PUMP Fuses
Underhood Fuse Block (0.8L) - ECM and FUEL PUMP Fuses
Underhood Fuse Block (0.8L) - ECM and FUEL PUMP Fuses
G103 (0.8L Sirius-D3)
Figure 8:

Controlled/Monitored Subsystem References


Object Number: 1511836  Size: FS
Master Electrical Component List
Evaporative Emissions (EVAP) and Device Controls
Headlamps
Colling Fan Controls 0.8L
Compressor Controls (Sirius D3/D4)