GM Service Manual Online
For 1990-2009 cars only
Makes
🢒
Pontiac
🢒
2006
🢒
Matiz
🢒
Vehicle Control Systems
🢒
Computer/Integrating Systems
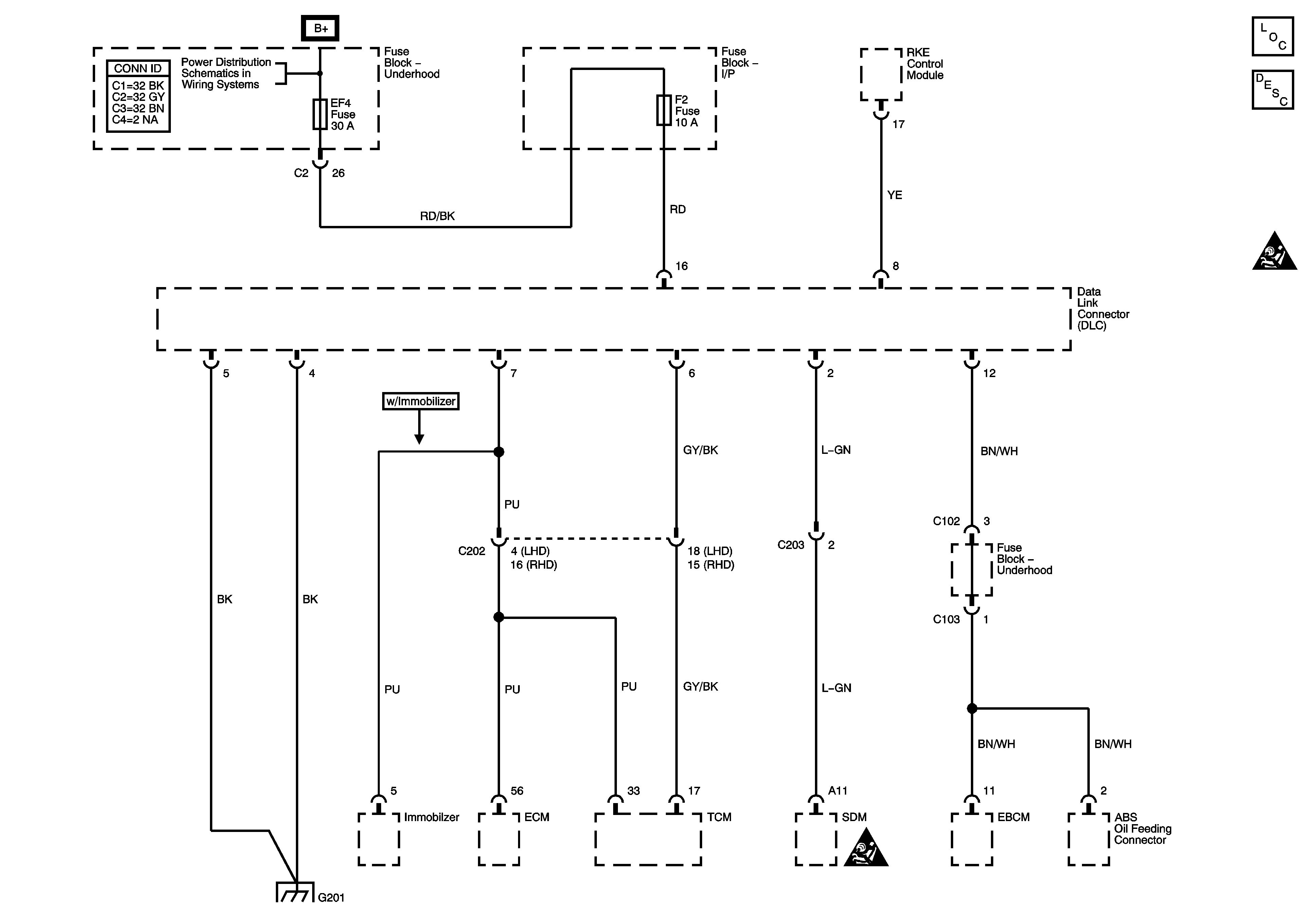
🢒 Data Link Connector Schematics