GM Service Manual Online
For 1990-2009 cars only
Makes
🢒
Pontiac
🢒
2006
🢒
Matiz
🢒
Body
🢒
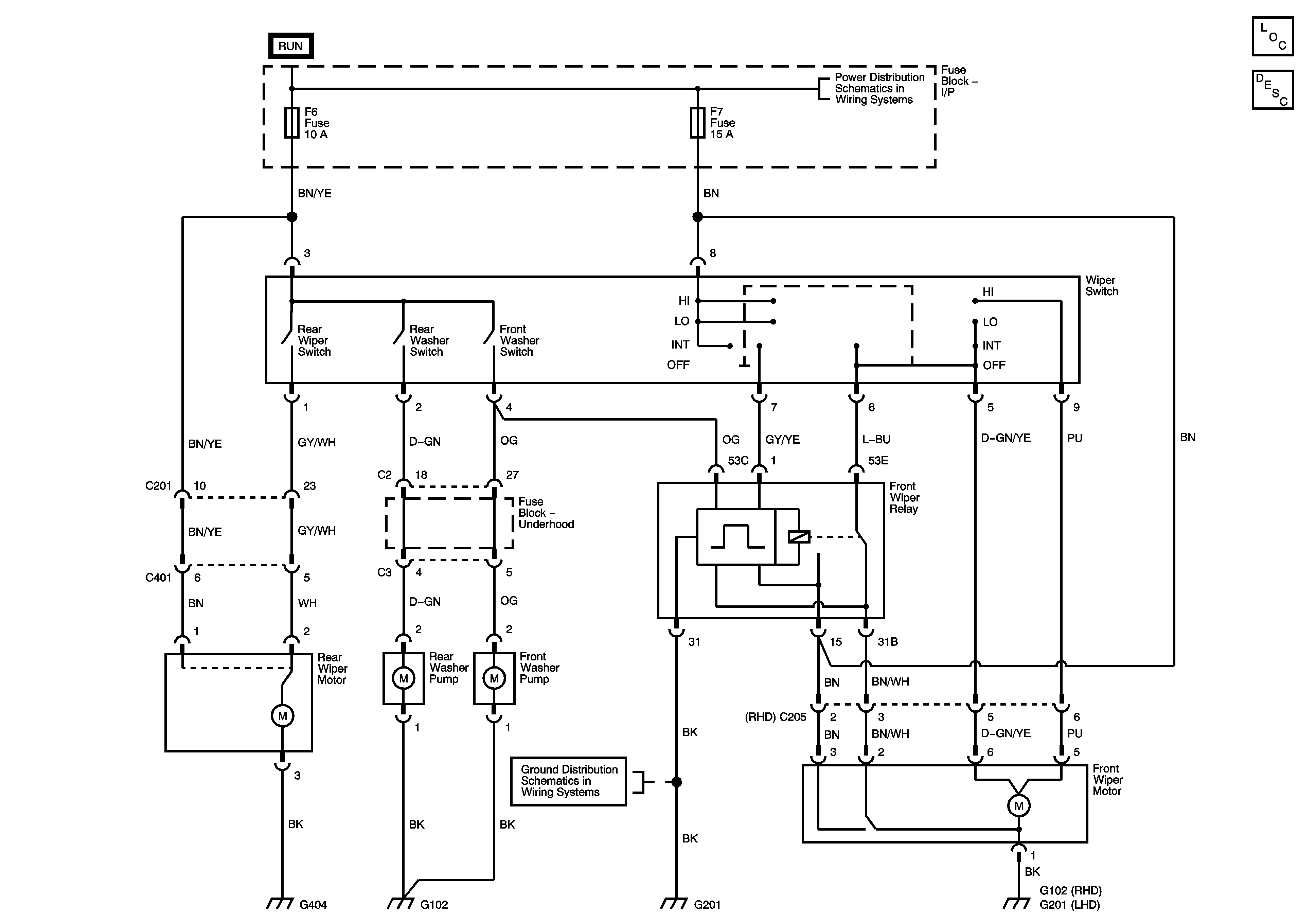
Wipers/Washer Systems
🢒 Wiper/Washer Schematics