GM Service Manual Online
For 1990-2009 cars only
Makes
🢒
Pontiac
🢒
2006
🢒
Matiz
🢒
Accessories
🢒
Keyless Entry
🢒 Keyless Entry Schematics
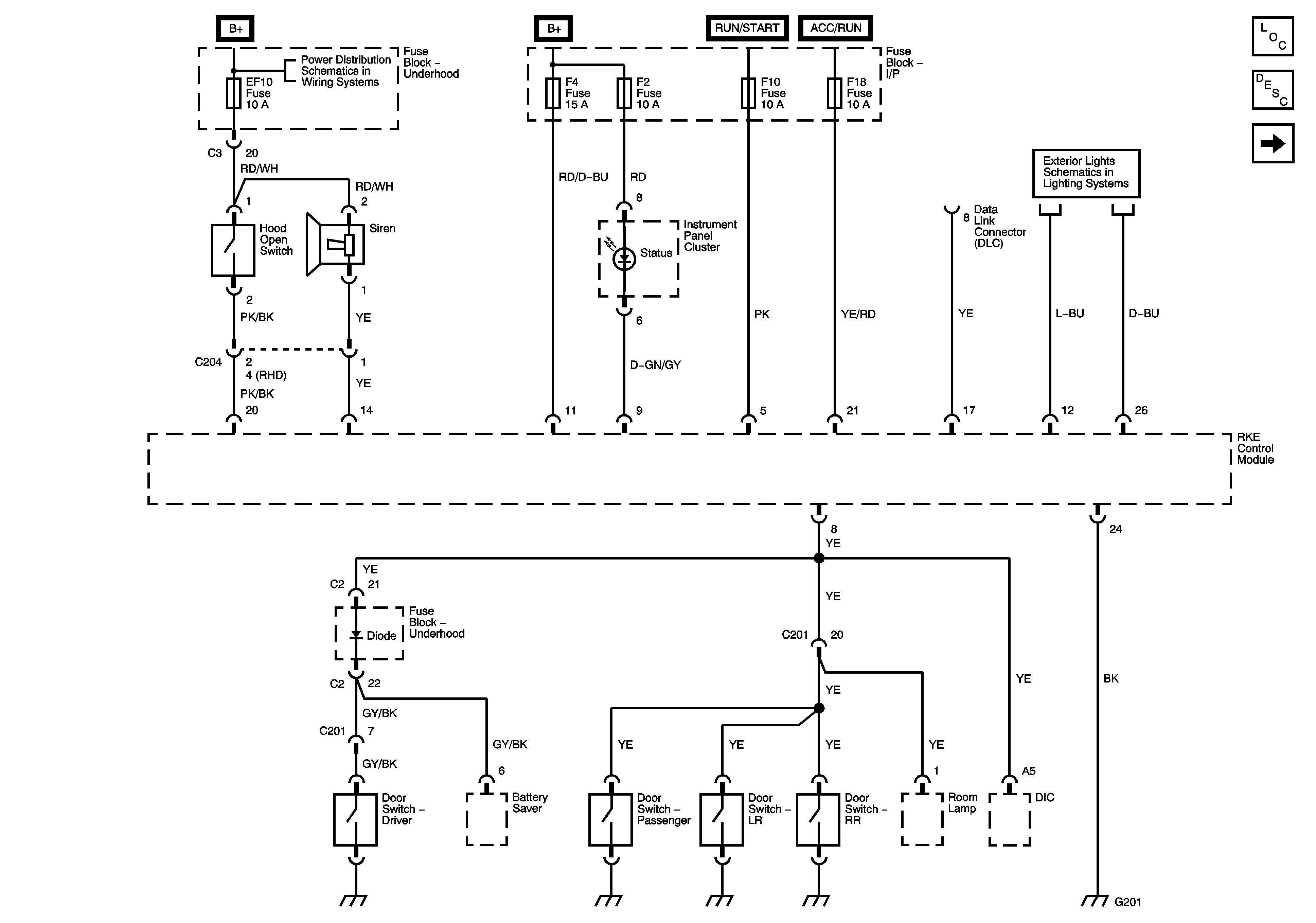
Figure
1:
System Controls
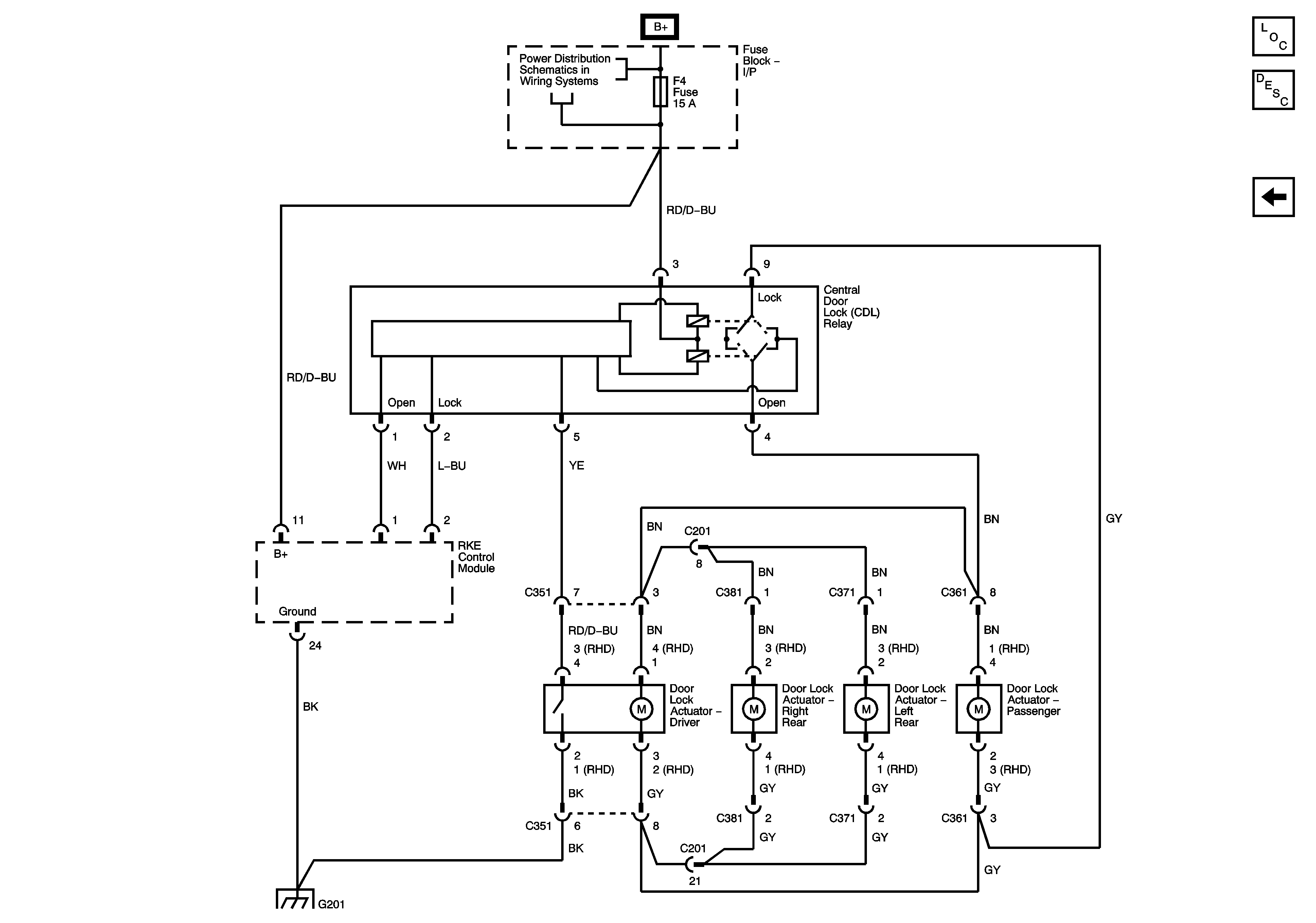
Figure
2:
Door Locks System