GM Service Manual Online
For 1990-2009 cars only
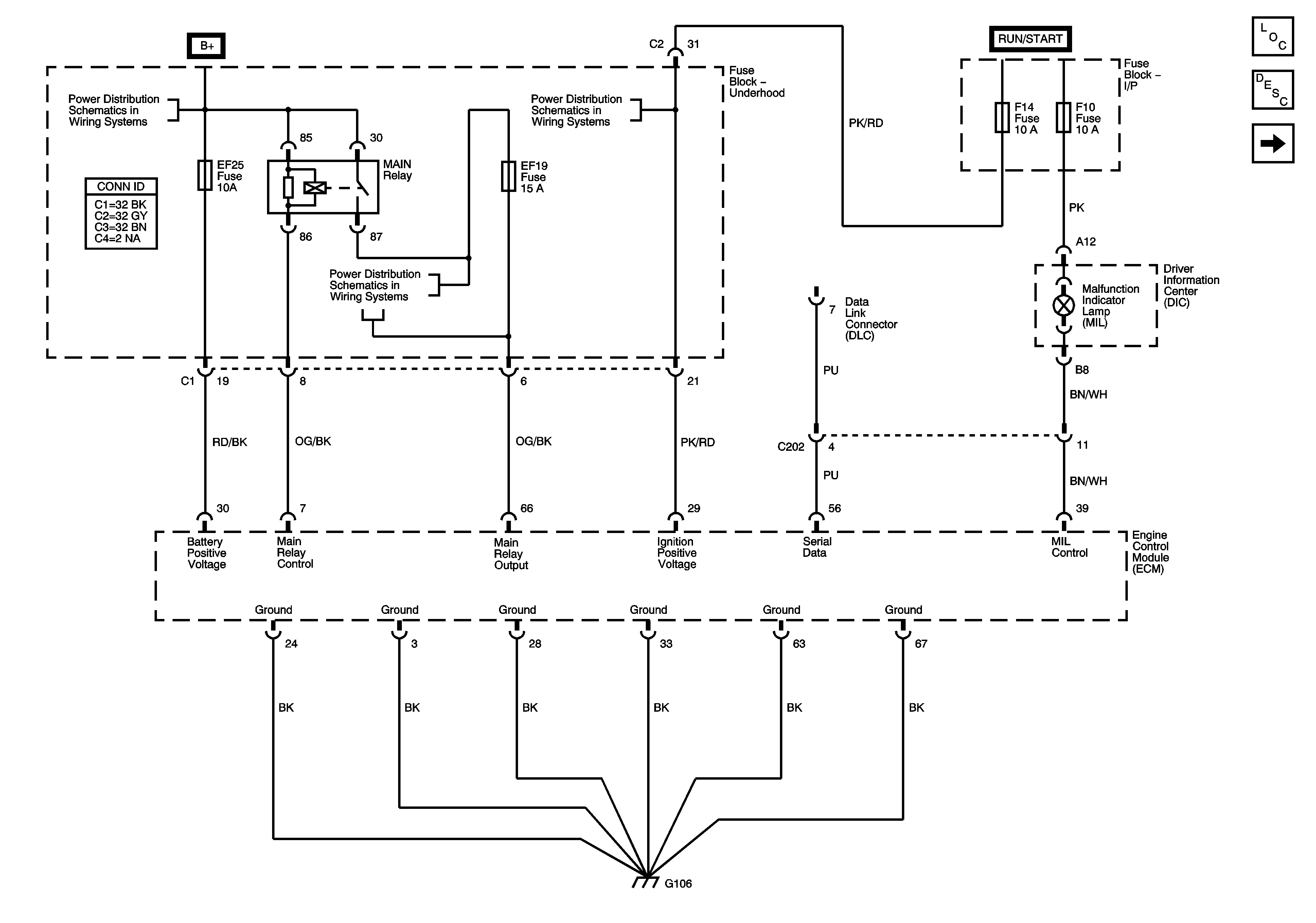
Figure 1:

Power, Ground, DLC and MIL


Object Number: 1649437  Size: FS
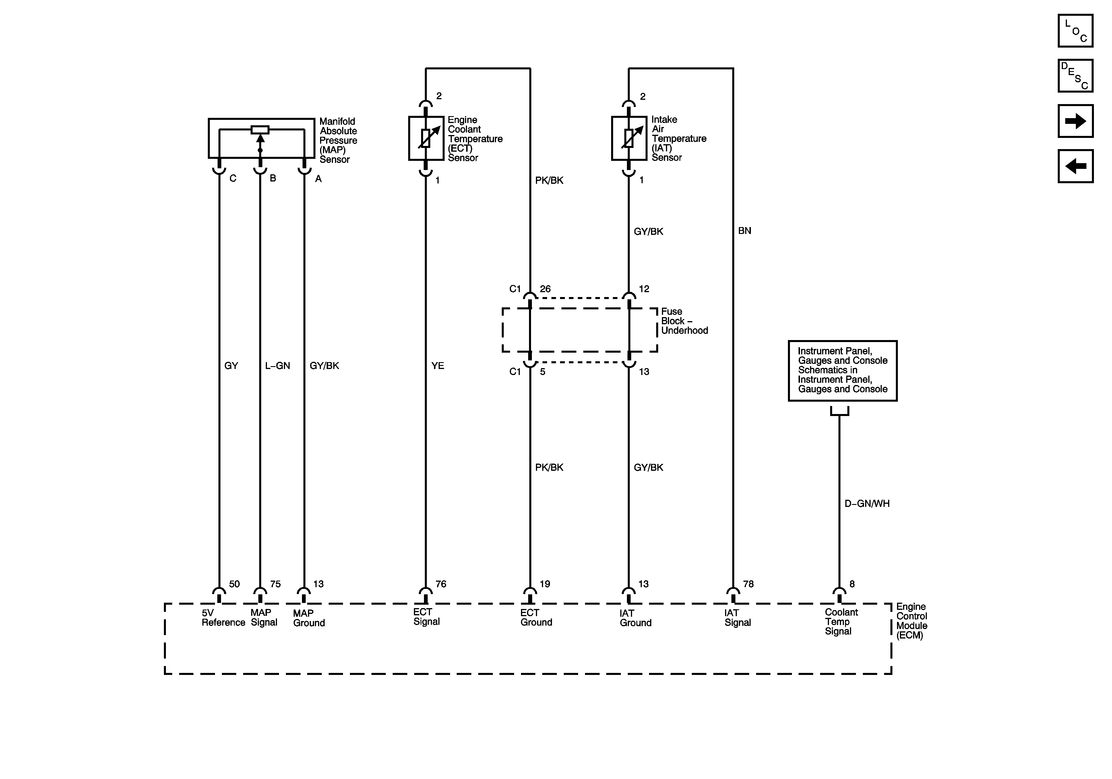
Figure 2:

MAP, ECT and IAT Sensors


Object Number: 1649439  Size: FS
Figure 3:

HO2S1, HO2S2 and O2S


Object Number: 1649444  Size: FS
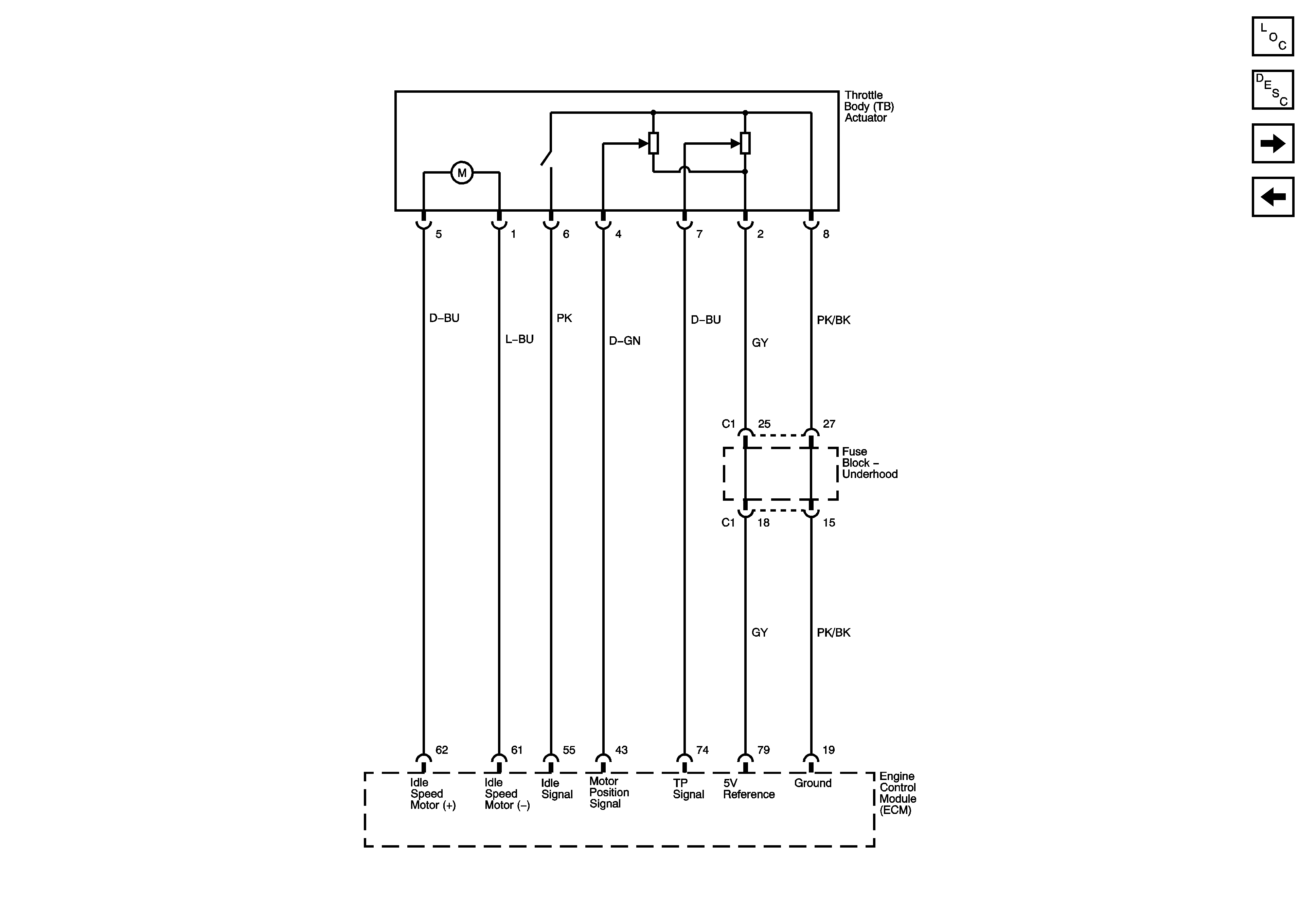
Figure 4:

Throttle Body Actuator


Object Number: 1649445  Size: FS
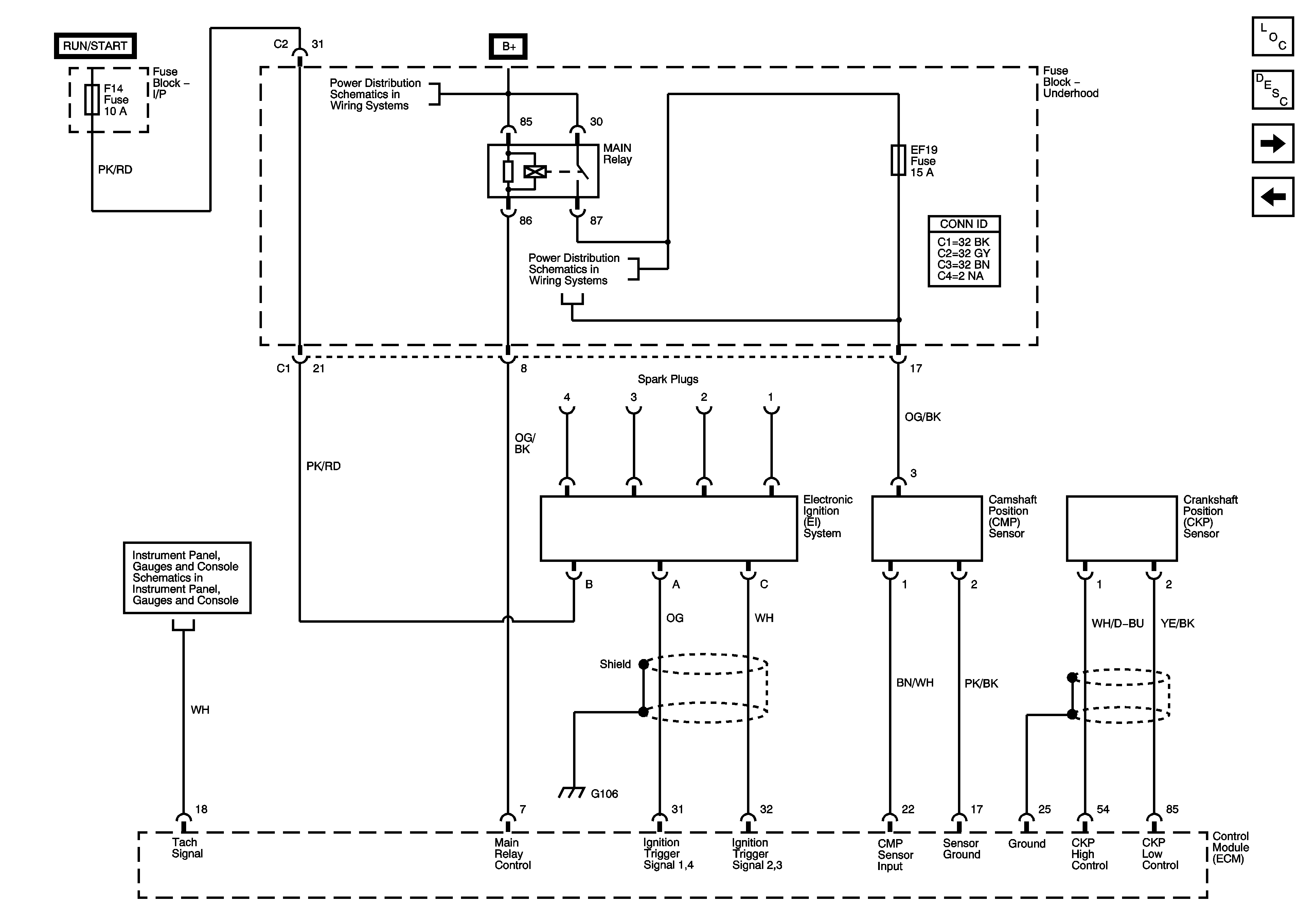
Figure 5:

Ignition, CMP and CKP Sensors


Object Number: 1649448  Size: FS
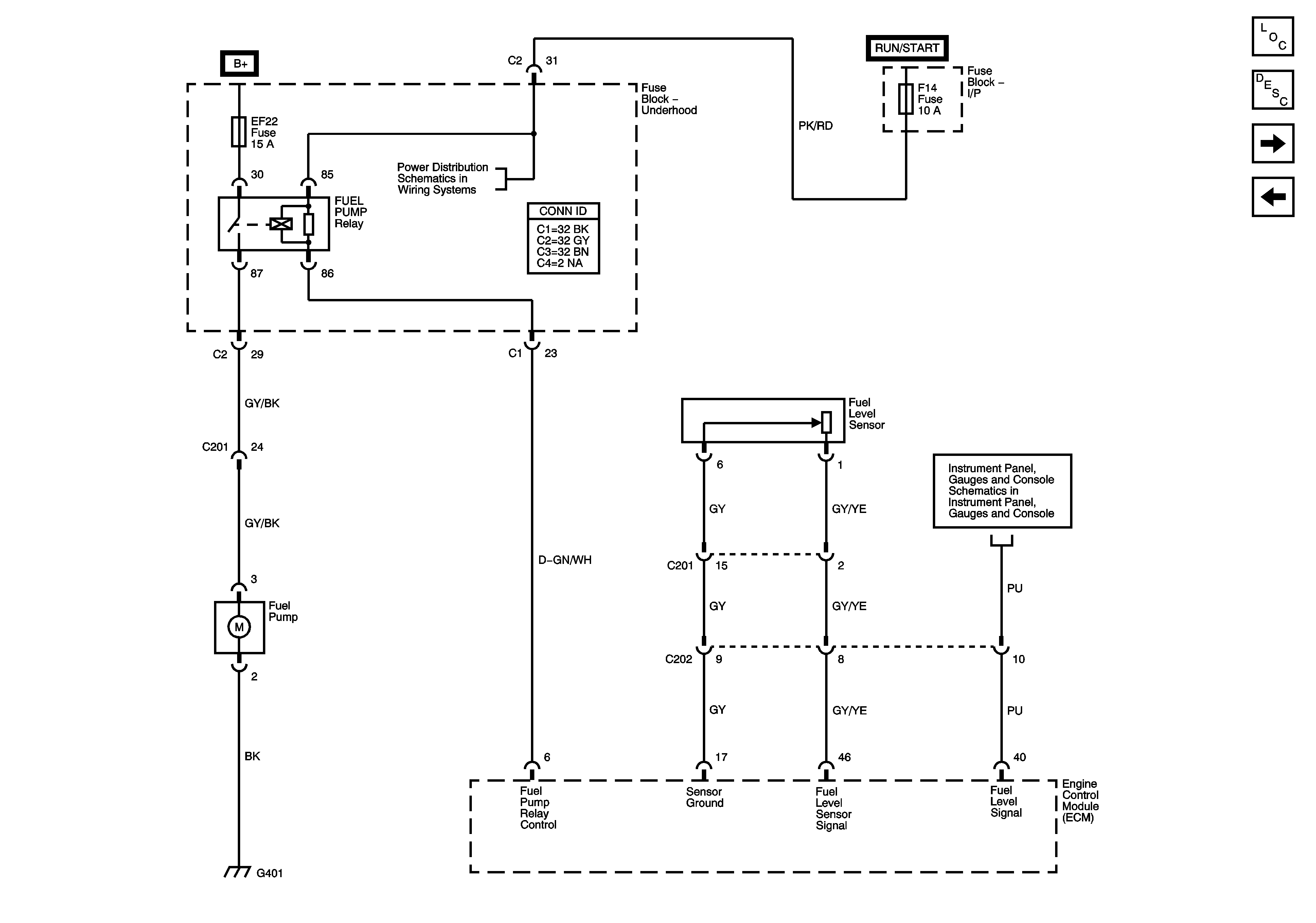
Figure 6:

Fuel Pump Controls and Fuel Level Sensor


Object Number: 1649452  Size: FS
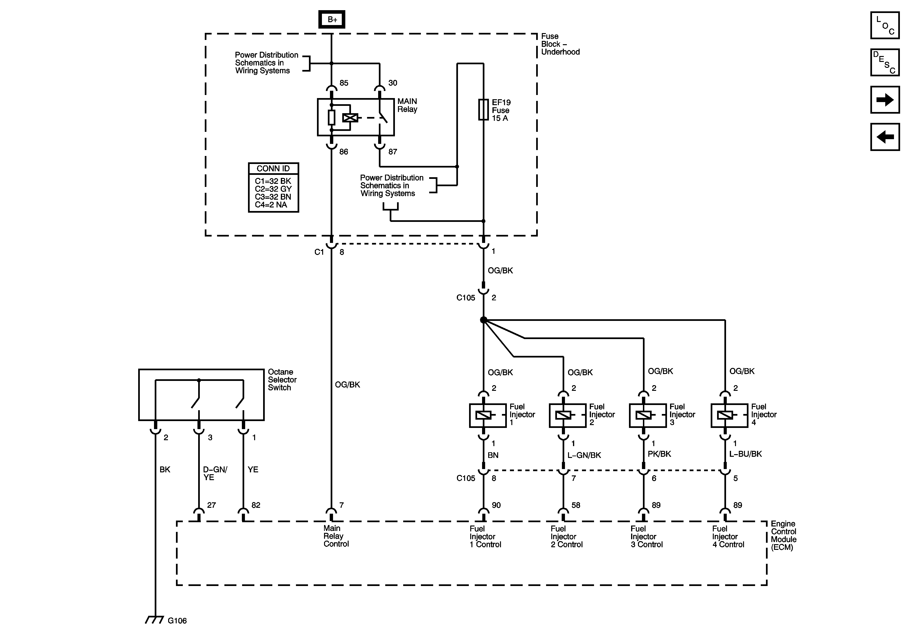
Figure 7:

Fuel Injectors and Octane Selector


Object Number: 1649454  Size: FS
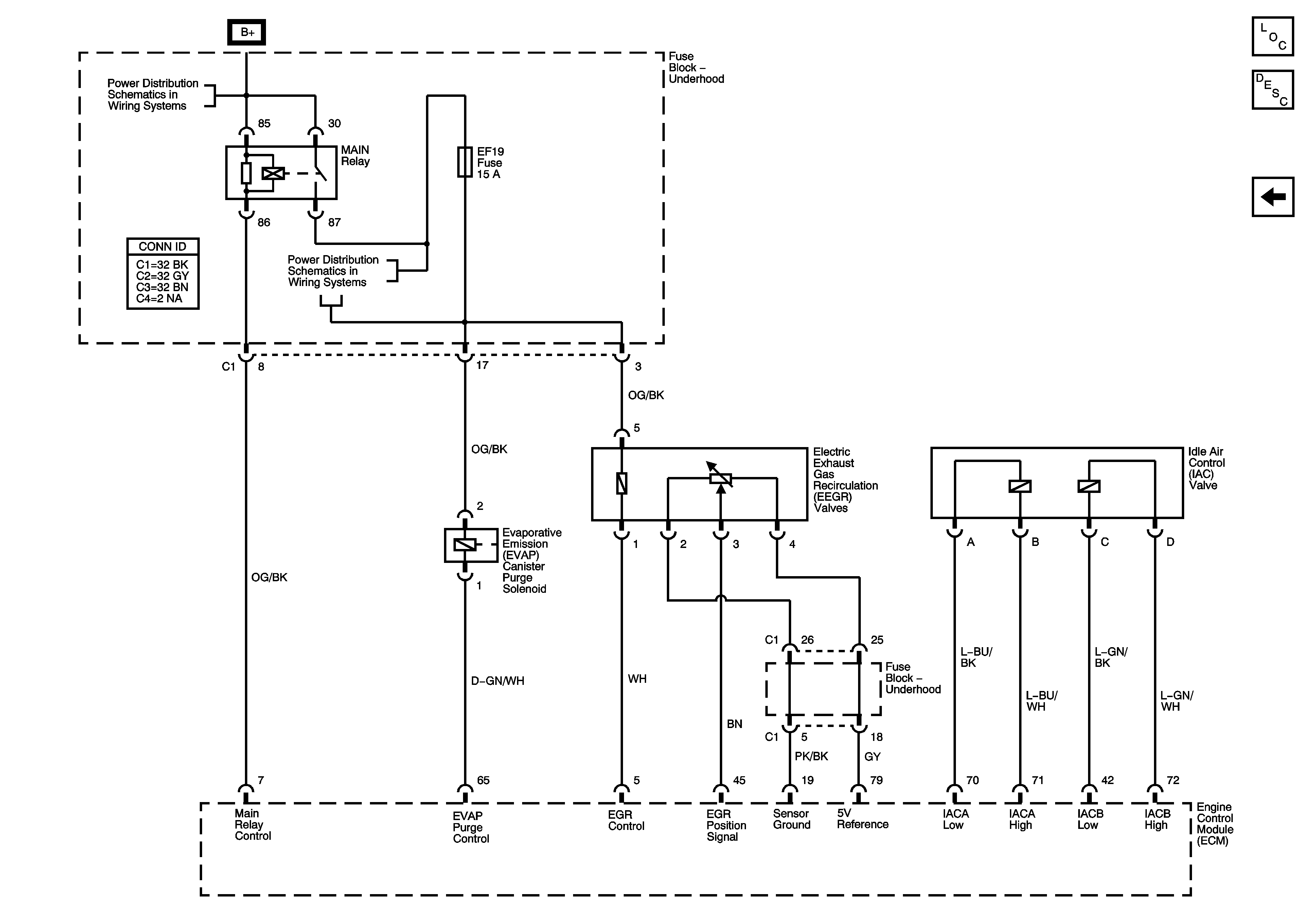
Figure 8:

EVAP, EEGR and IAC Valve


Object Number: 1649455  Size: FS