GM Service Manual Online
For 1990-2009 cars only
Makes
🢒
Pontiac
🢒
2007
🢒
Matiz
🢒
Body Systems
🢒
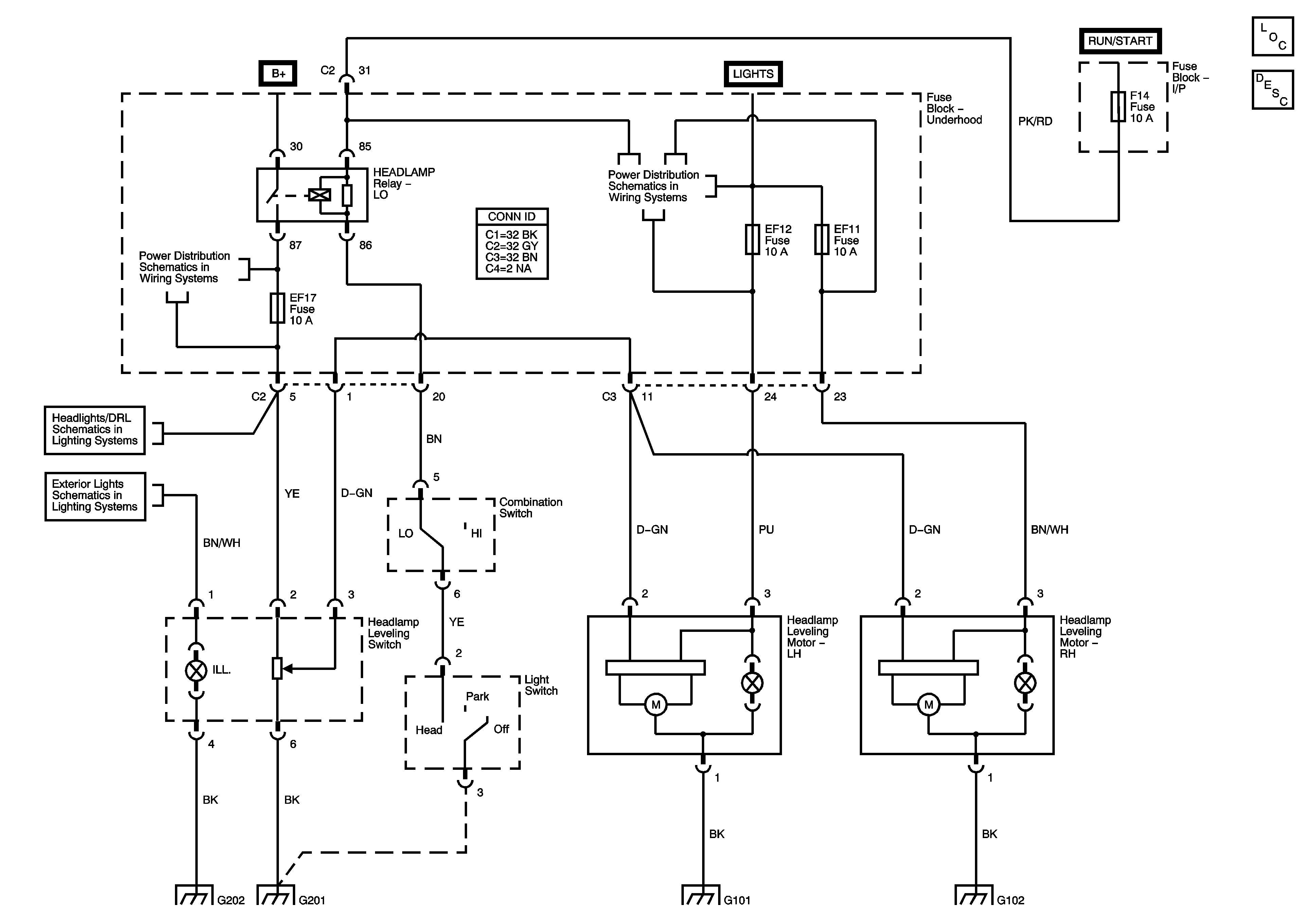
Lighting
🢒 Headlight Leveling Schematics