GM Service Manual Online
For 1990-2009 cars only
Figure 1:

Fuse Block - Underhood B+ Bus - 1 of 2


Object Number: 1649459  Size: FS
Figure 2:

Fuse Block Underhood - B+ Bus 2 of 2


Object Number: 1649461  Size: FS
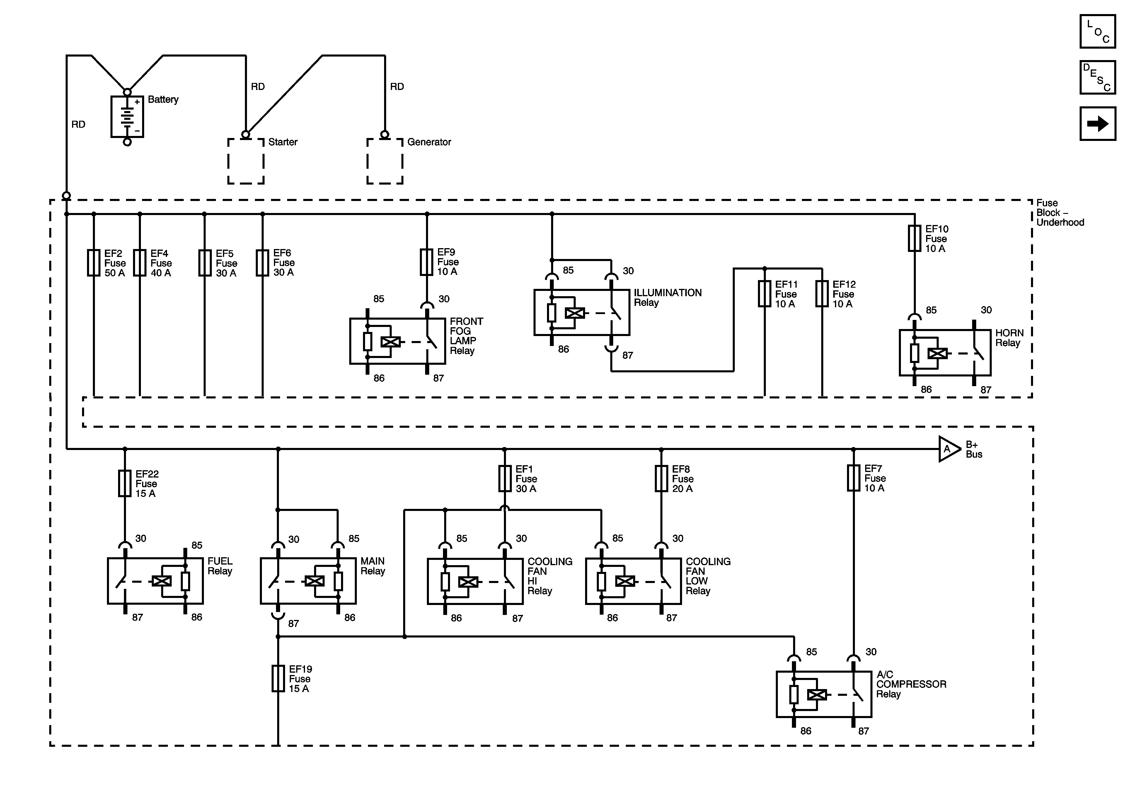
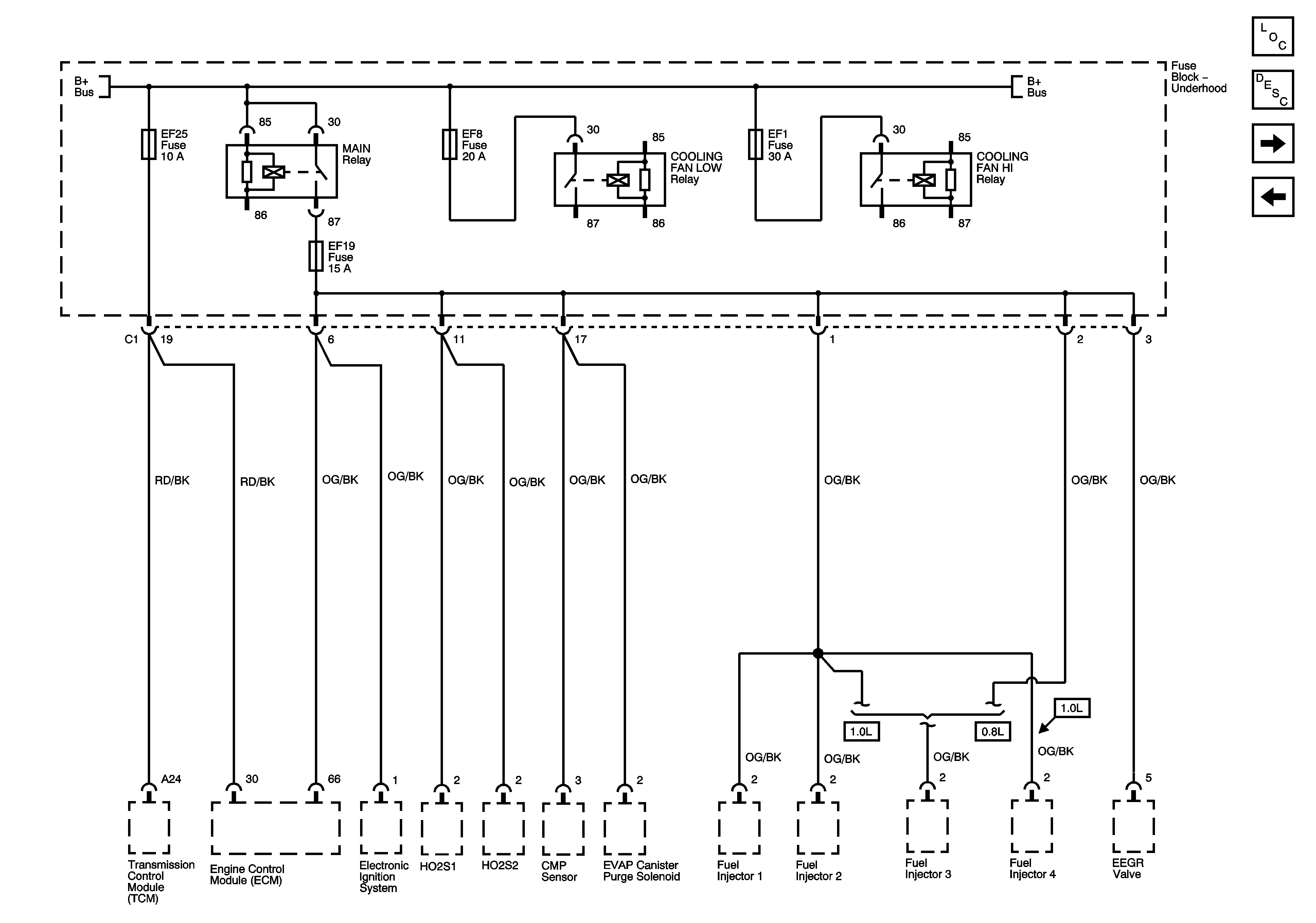
Figure 3:

Fuse Block - Underhood EF19 and 25 Fuses and Main Relay


Object Number: 1649463  Size: FS
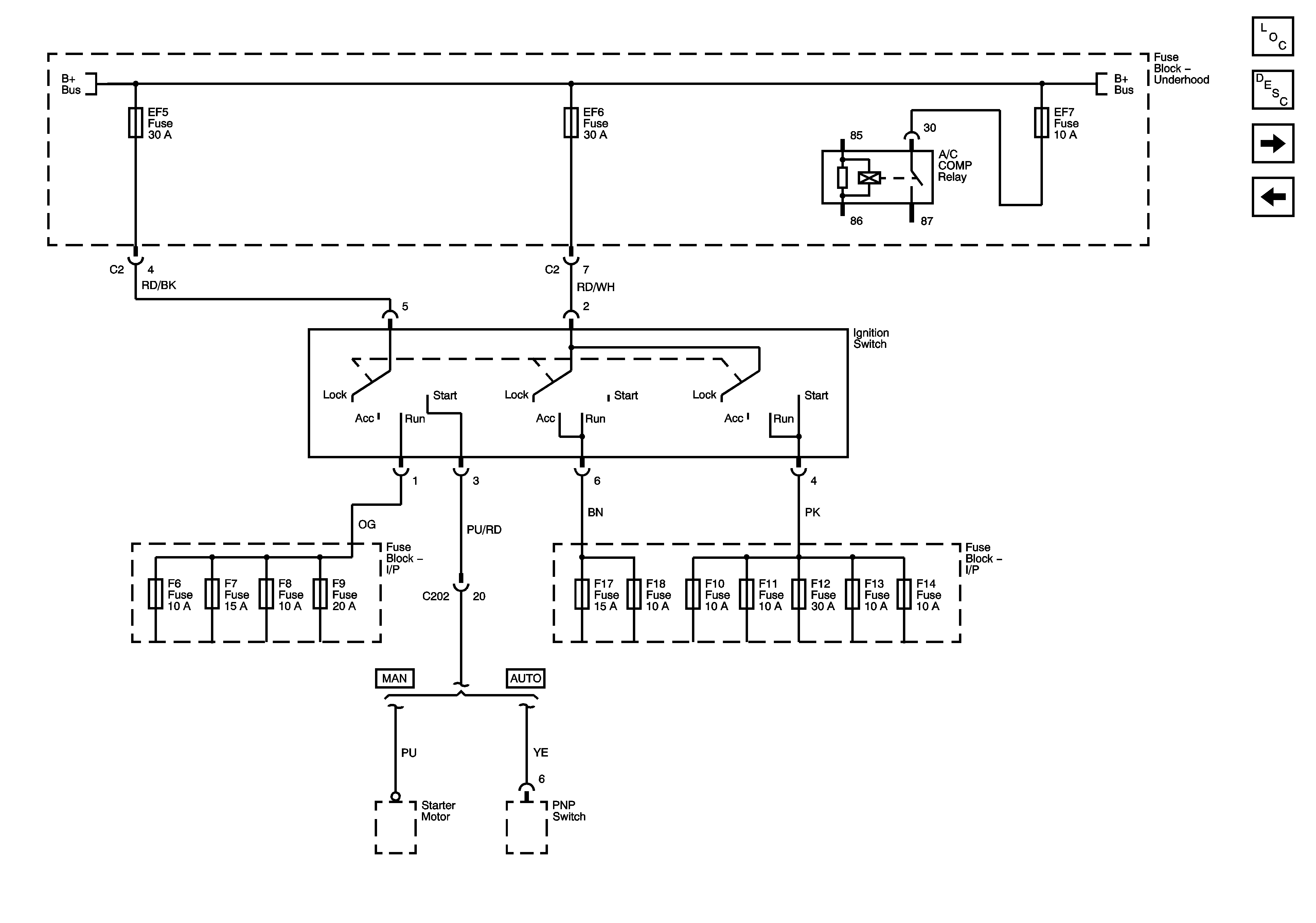
Figure 4:

Fuse Block - Underhood EF5,and 6 Fuses and Ignition Switch


Object Number: 1649469  Size: FS
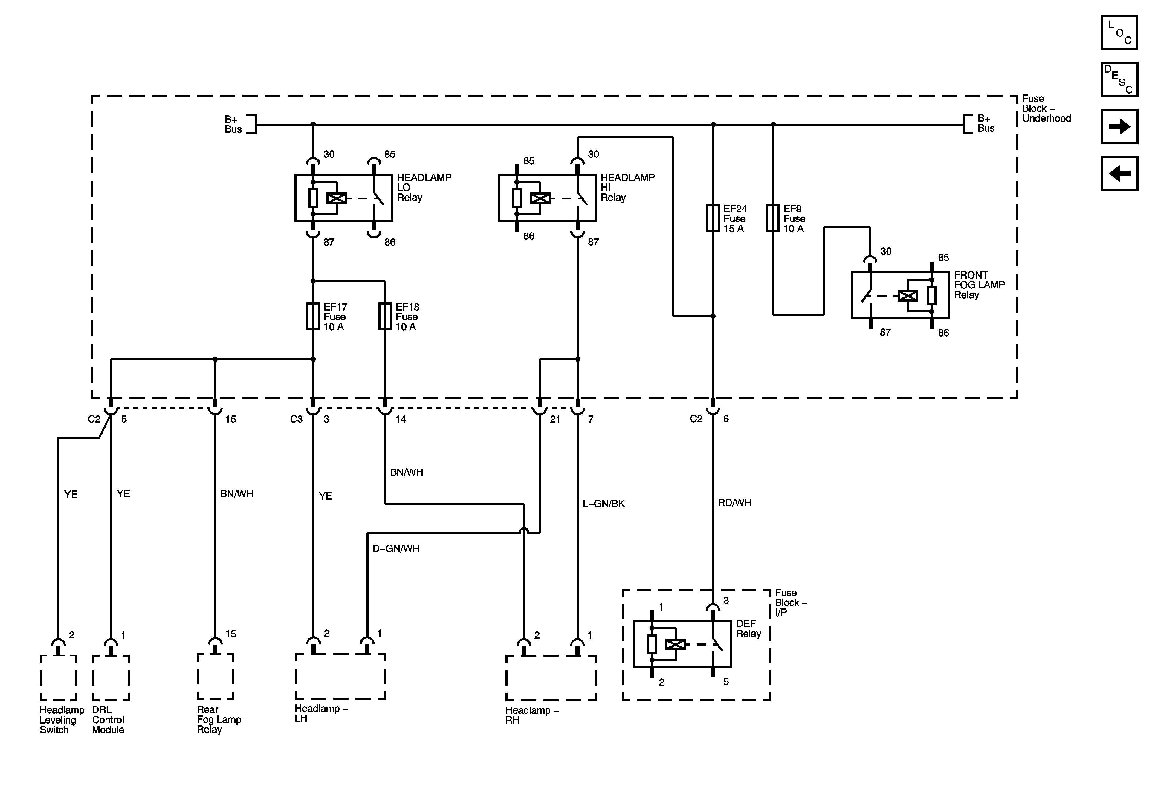
Figure 5:

Fuse Block - Underhood EF17, 18 and 24 Fuses


Object Number: 1649471  Size: FS
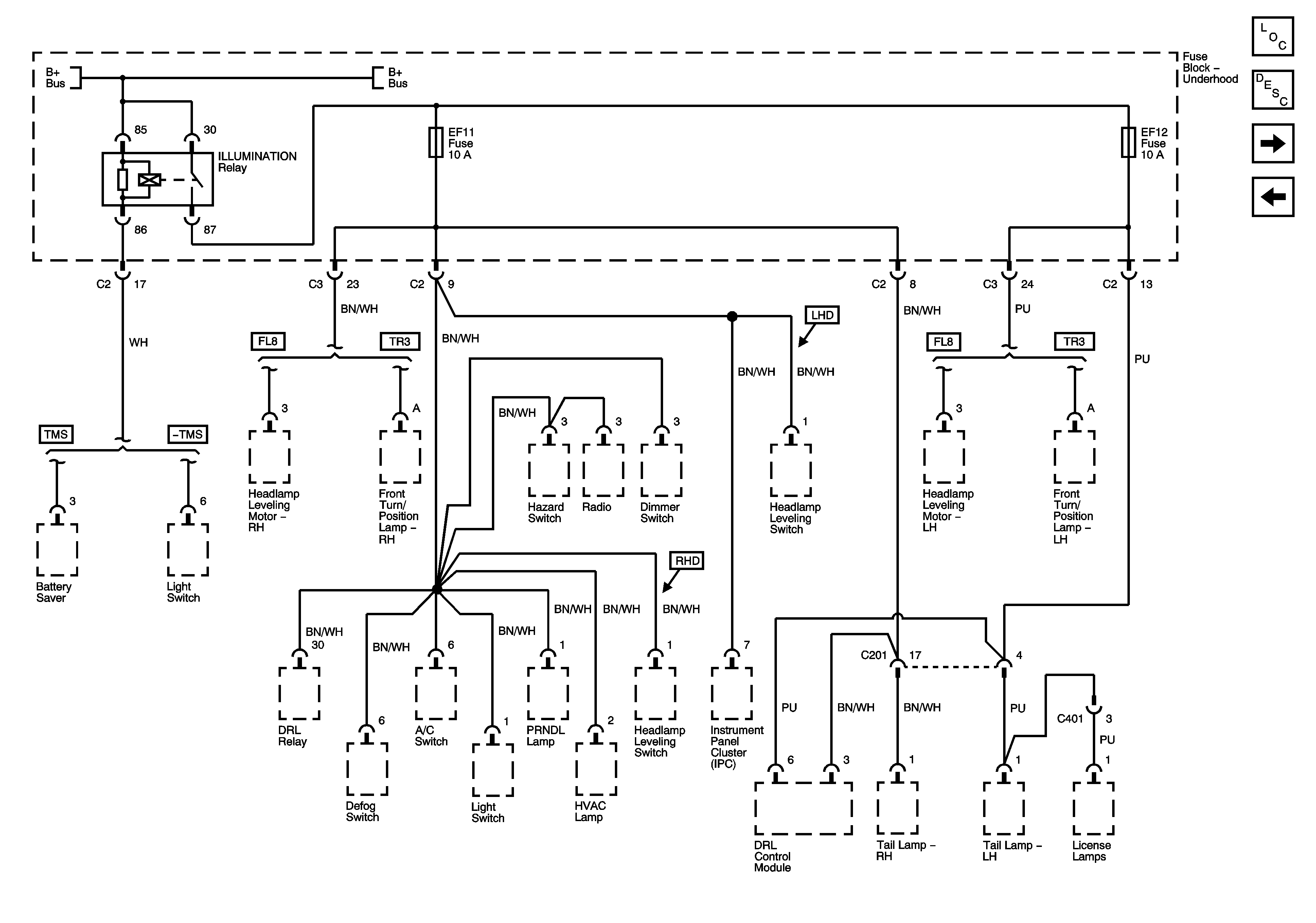
Figure 6:

Fuse Block - Underhood EF11 and 12 Fuses and ILLUM Relay


Object Number: 1649475  Size: FS
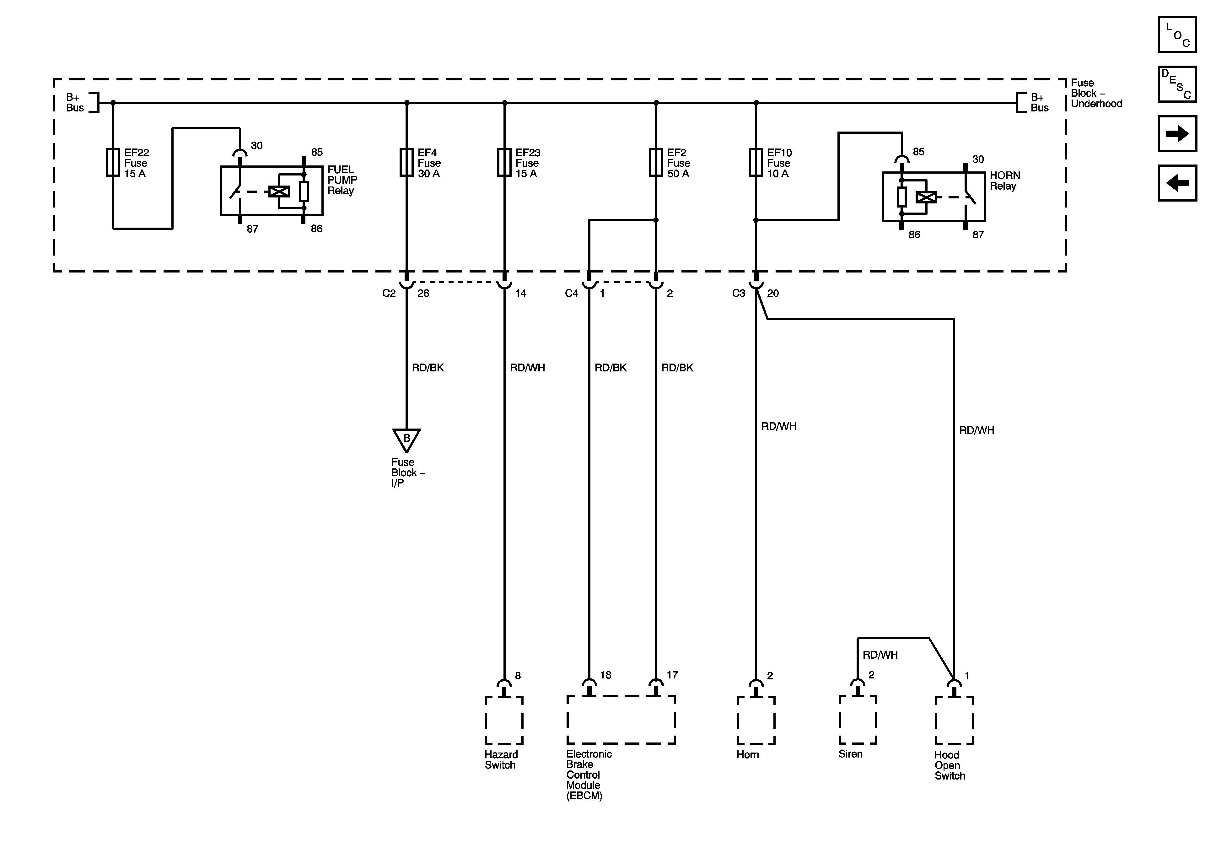
Figure 7:

Fuse Block - Underhood EF2, 4, 10, 22 and 23 Fuses


Object Number: 1649477  Size: FS
Figure 8:

Fuse Block - I/P F1, F2, F3, F4 and F5 Fuses


Object Number: 1649480  Size: FS
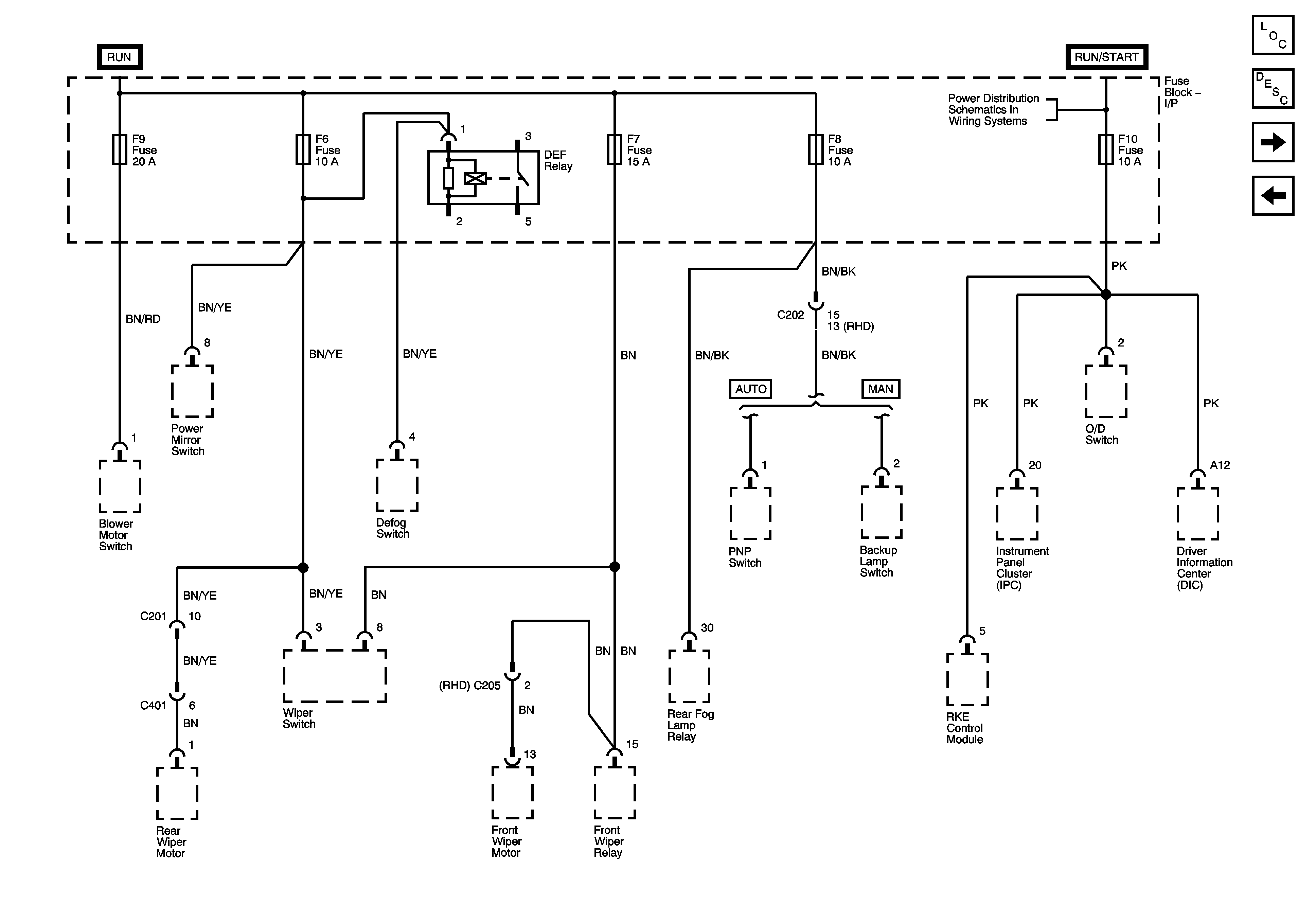
Figure 9:

Fuse Block - I/P F6, F7, F8, F9 and F10 Fuses


Object Number: 1649482  Size: FS
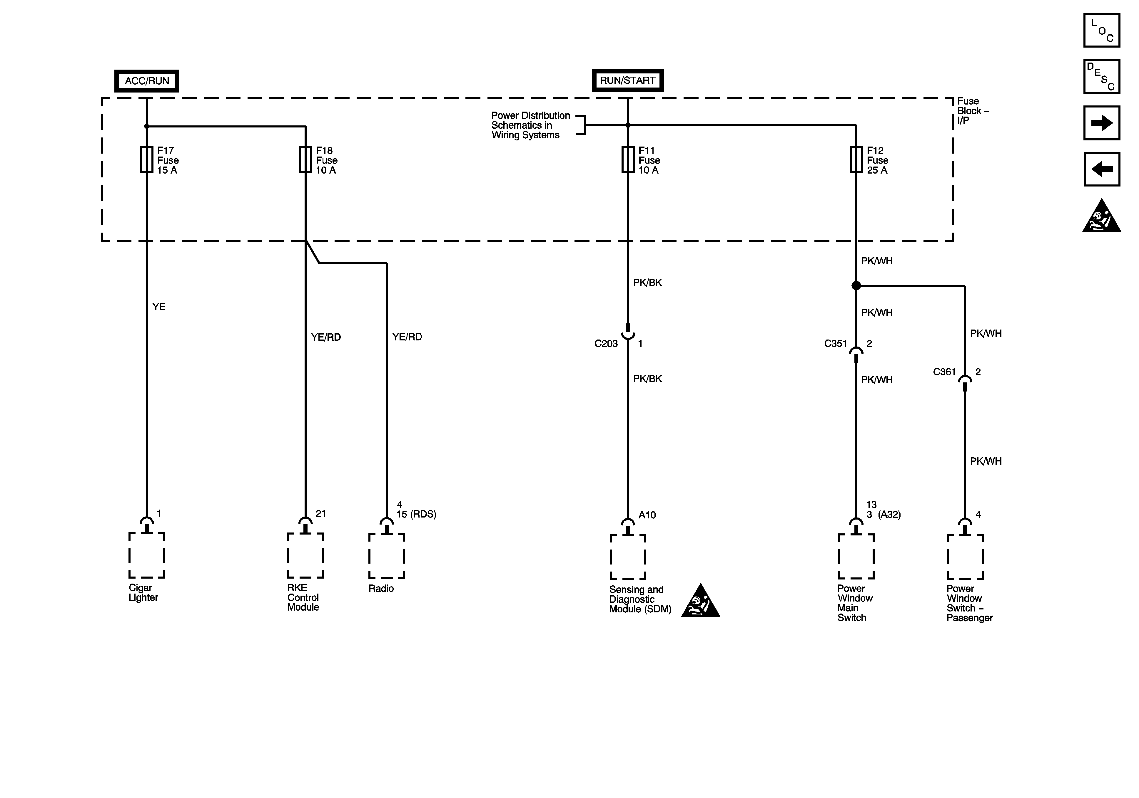
Figure 10:

Fuse Block - I/P F11, F12, F17 and F18 Fuses


Object Number: 1649485  Size: FS
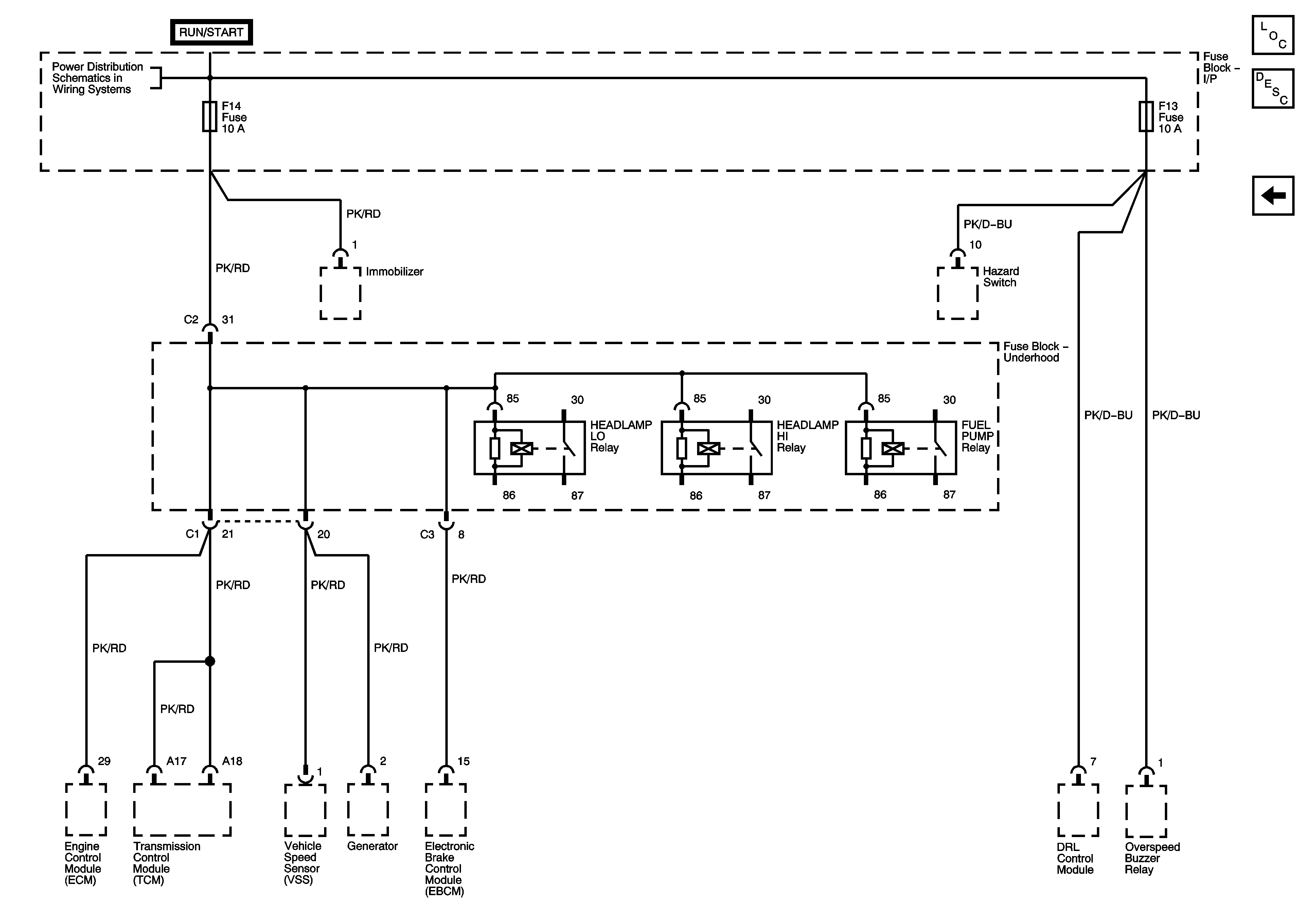
Figure 11:

Fuse Block - I/P F13 and F14 Fuses


Object Number: 1649488  Size: FS