GM Service Manual Online
For 1990-2009 cars only
Figure 1:

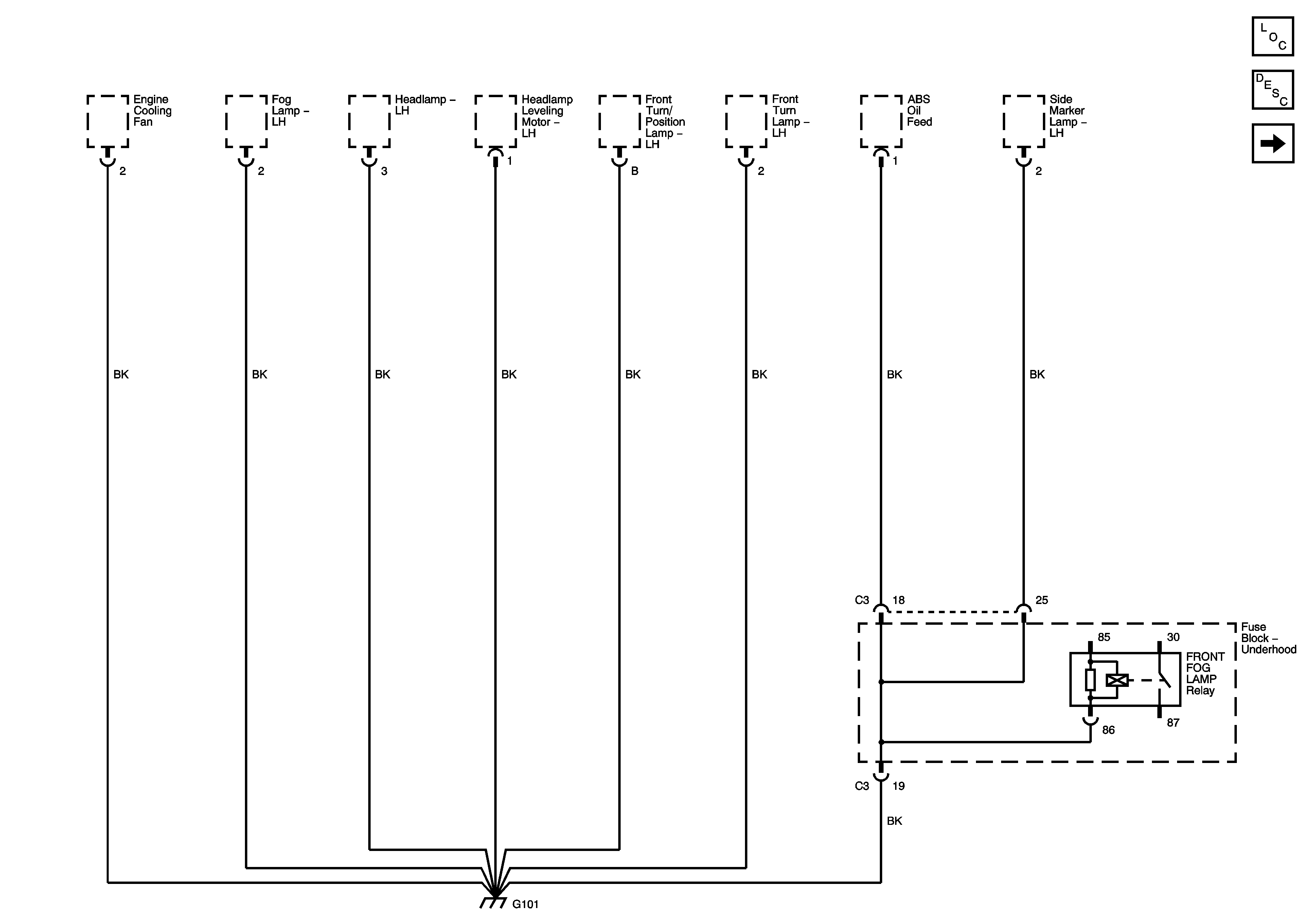
G101


Object Number: 1649489  Size: FS
Figure 2:

G102 and G103


Object Number: 1649491  Size: FS
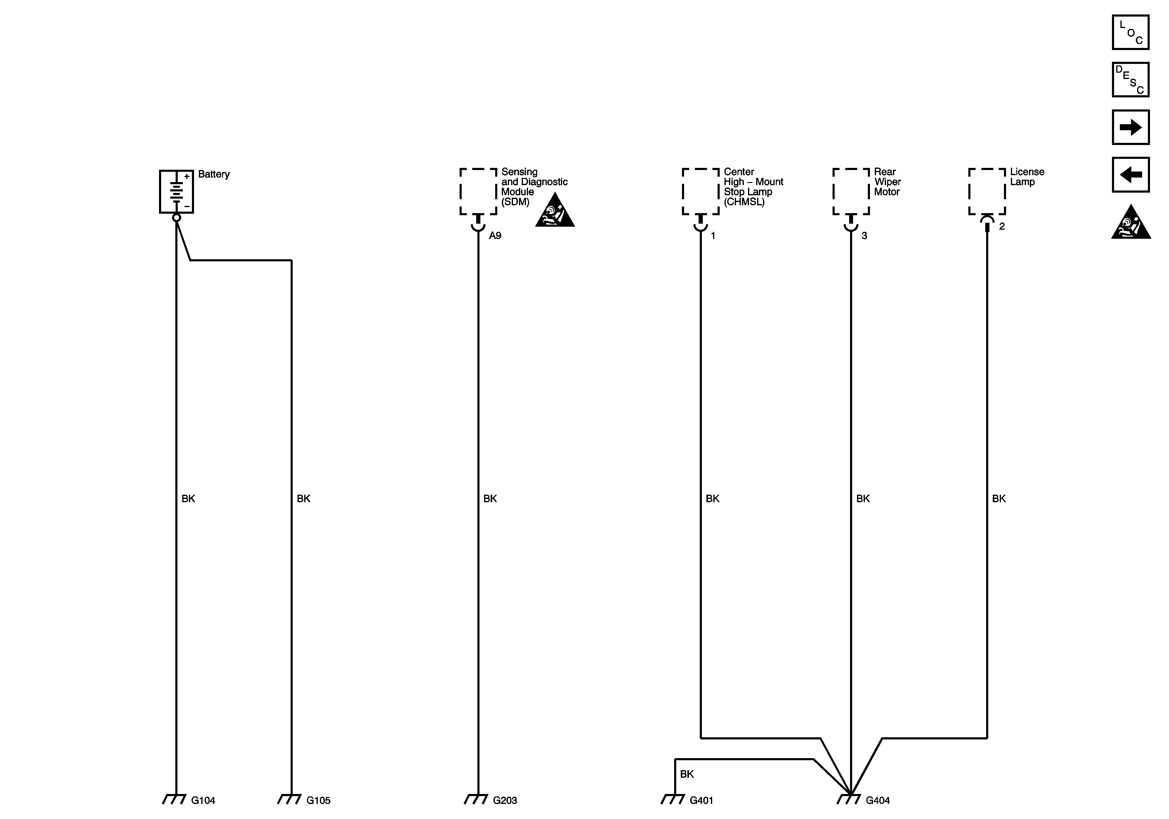
Figure 3:

G104, G105, G203, G401 and G404


Object Number: 1649492  Size: FS
Figure 4:

G106


Object Number: 1649494  Size: FS
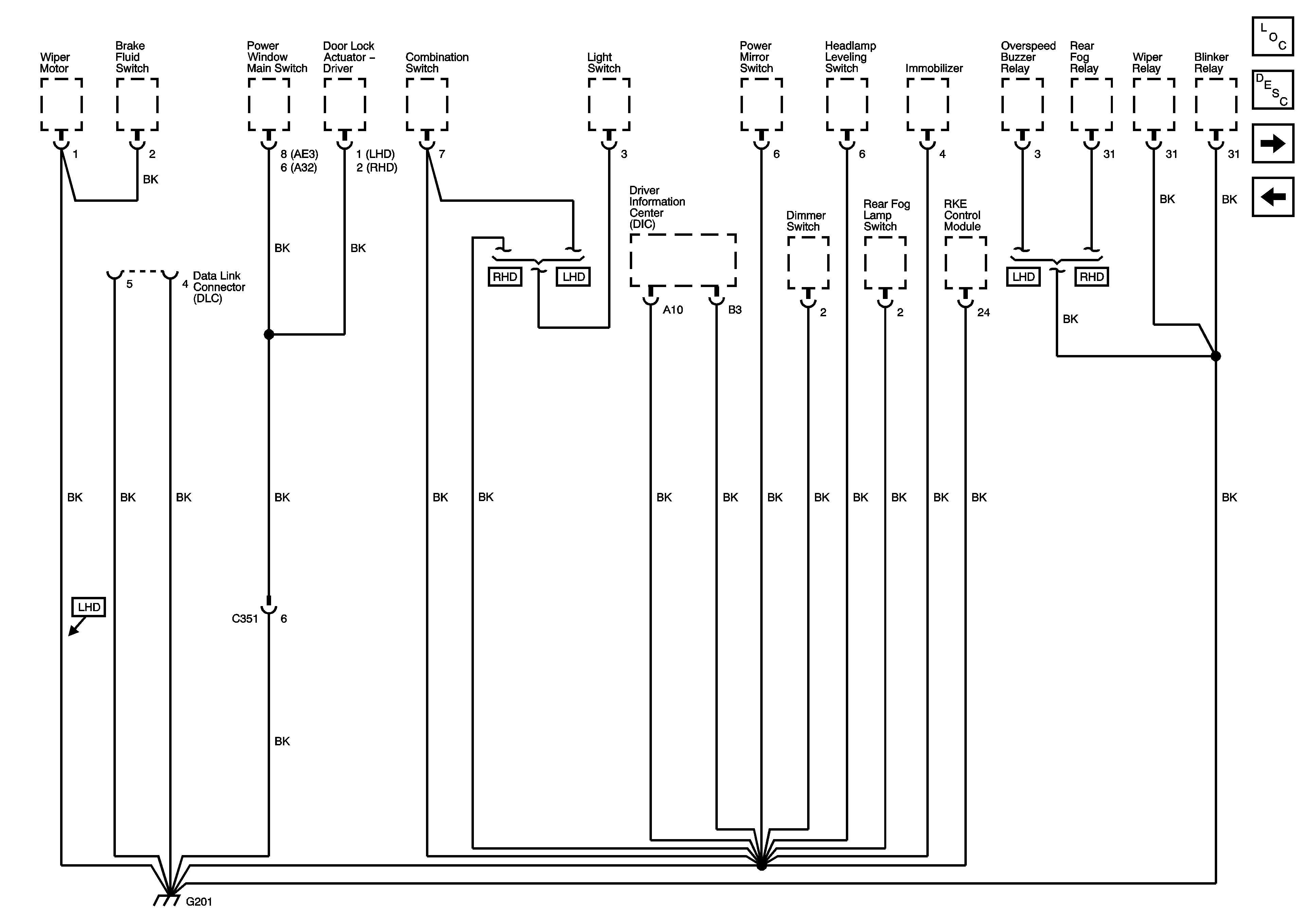
Figure 5:

G201


Object Number: 1649496  Size: FS
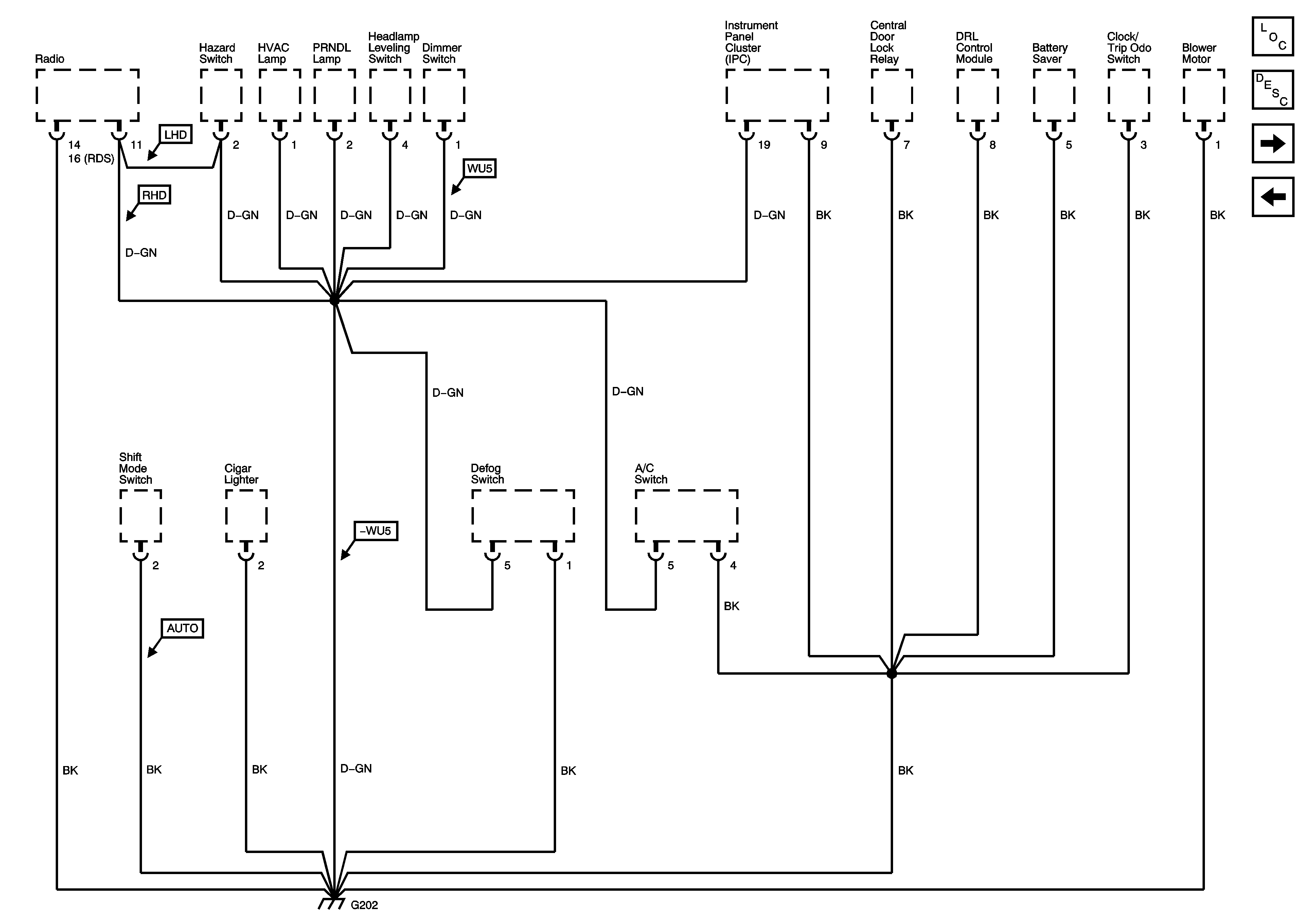
Figure 6:

G202


Object Number: 1649498  Size: FS
Figure 7:

G401 and G402


Object Number: 1649499  Size: FS