GM Service Manual Online
For 1990-2009 cars only
Makes
🢒
Pontiac
🢒
2007
🢒
Matiz
🢒
HVAC
🢒
HVAC - Manual
🢒 Cooling System Component Views
Figure
1:
Coolant Hose and Components
(1)
Radiator Coolant Return Hose
(2)
Upper Radiator Hose
(3)
Radiator Assembly
(4)
Surge Tank Hose
(5)
Surge Tank
(6)
Surge Tank Return Hose
(7)
Water Inlet Cap
(8)
Heater Outlet Hose
(9)
Heater Inlet Hose
(10)
Thermostat
(11)
Thermostat Housing
(12)
Distributor Case
(13)
Engine Coolant Temperature (ECT) Sensor
(14)
Engine Coolant Temperature Gage Sensor
(15)
Lower Radiator Hose
(16)
Throttle Body Outlet Hose
(17)
Throttle Body Assembly
(18)
Throttle Body Inlet Hose
(19)
Hose Bracket
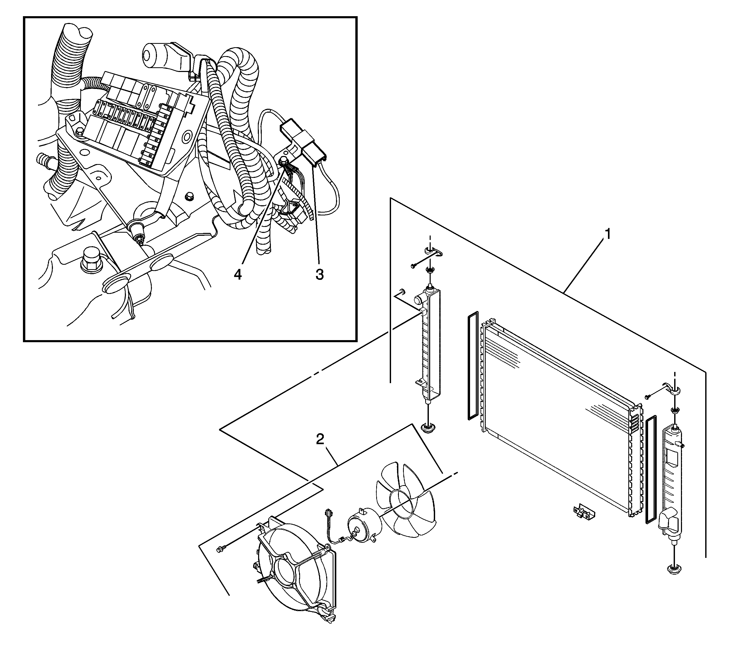
Figure
2:
Radiator/Fan
(1)
Radiator Assembly
(2)
Cooling Fan
(3)
Cooling Fan Resistor
(4)
G101