GM Service Manual Online
For 1990-2009 cars only

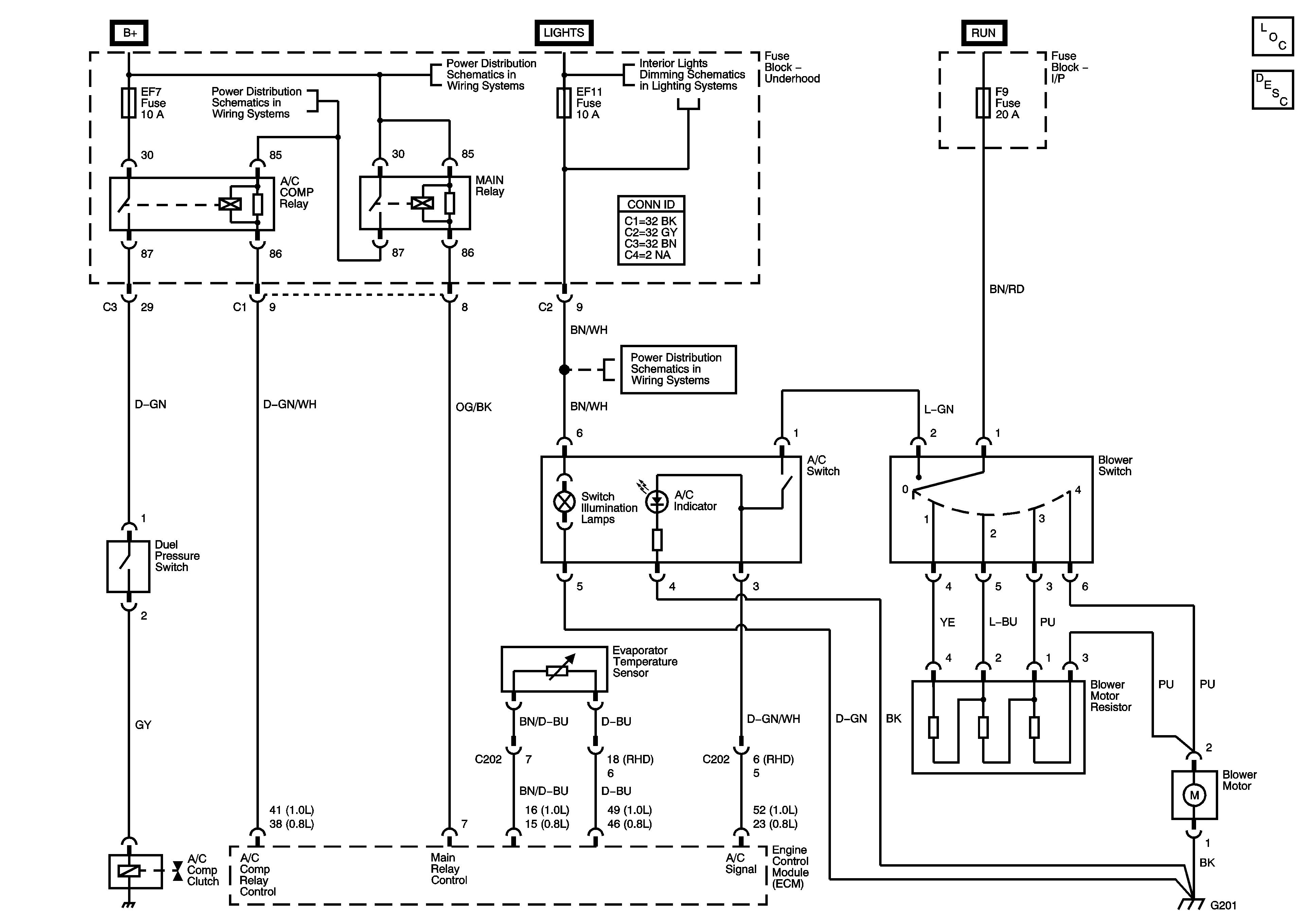
HVAC Schematics HVAC - Manual


Object Number: 1649536  Size: FS

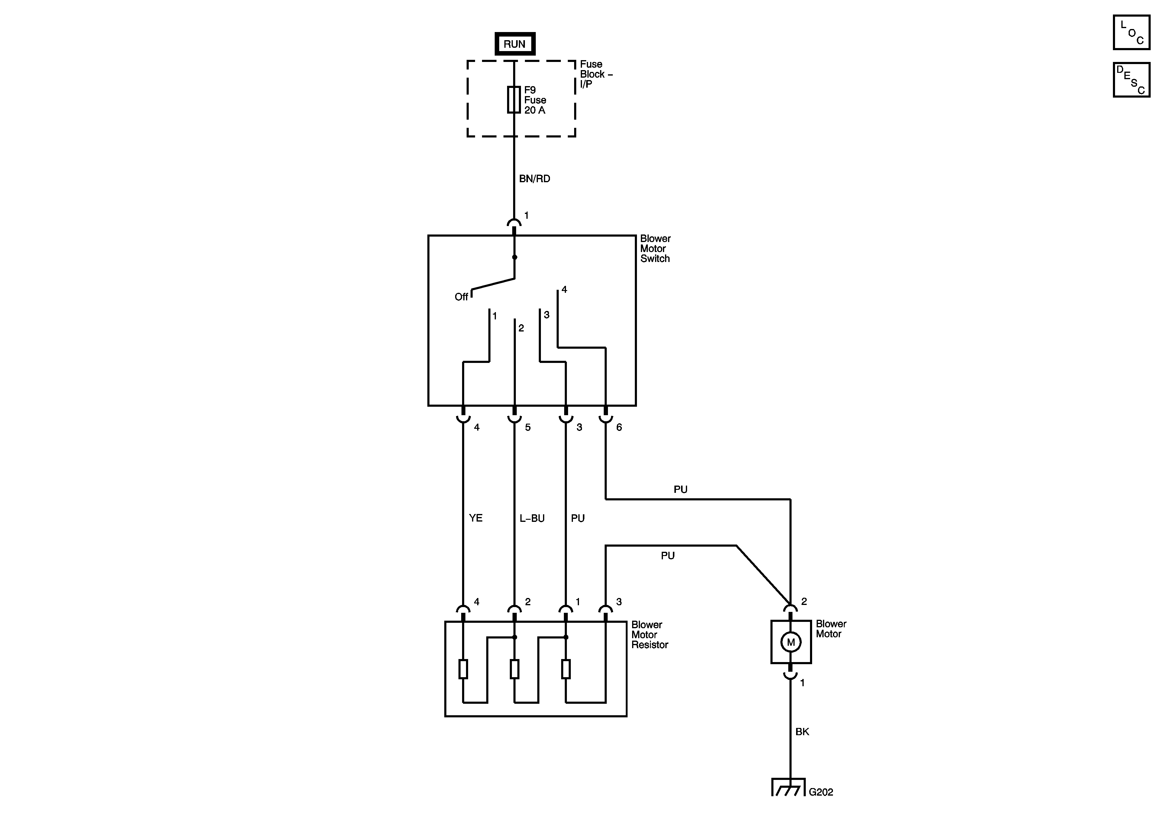
HVAC Schematics Heater Controls (w/o A/C)

HVAC Heater Controls


Object Number: 1649535  Size: FS