GM Service Manual Online
For 1990-2009 cars only
Makes
🢒
Pontiac
🢒
2008
🢒
Matiz
🢒
Engine
🢒
Engine Electrical
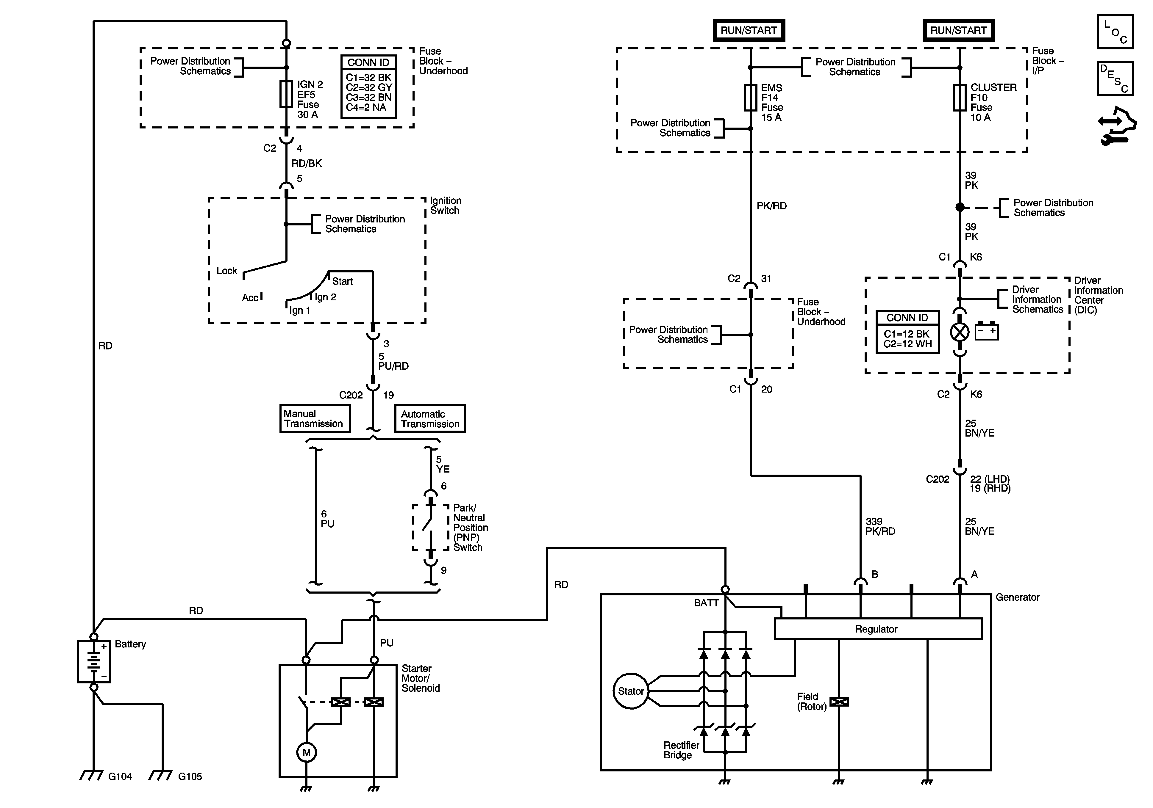
🢒 Starting and Charging Schematics