GM Service Manual Online
For 1990-2009 cars only
Makes
🢒
Pontiac
🢒
2009
🢒
Matiz
🢒
Engine
🢒
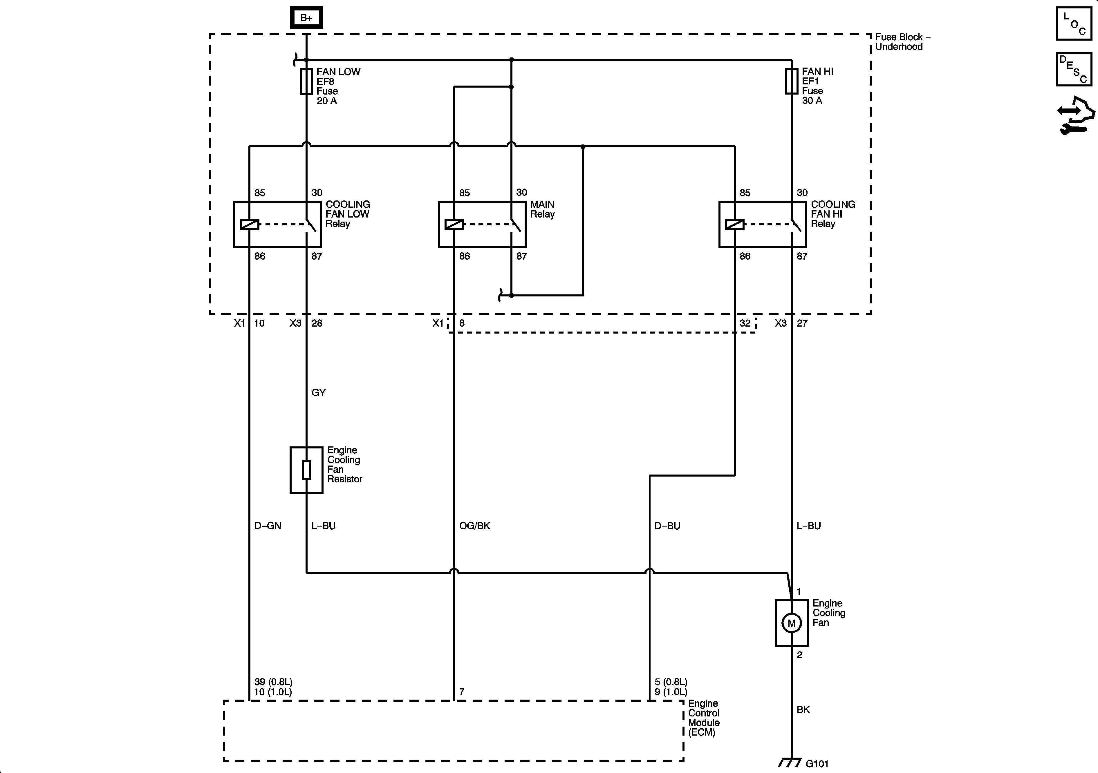
Engine Cooling
🢒 Engine Cooling Schematics