GM Service Manual Online
For 1990-2009 cars only
Figure 1:

Power, Ground, DLC and MIL


Object Number: 2108828  Size: FS
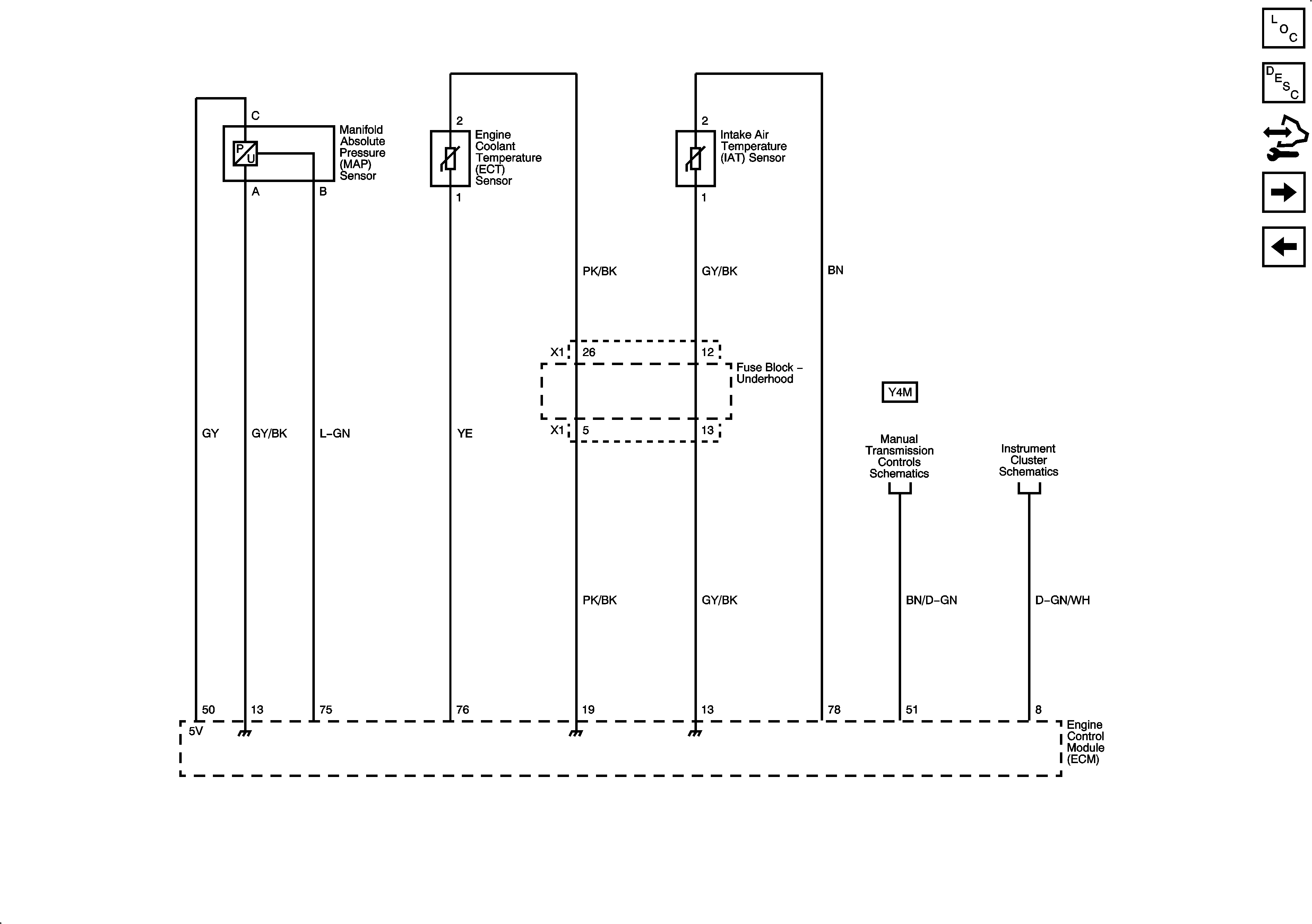
Figure 2:

Engine Data Sensors - Pressure, Temperature and VSS


Object Number: 2108830  Size: FS
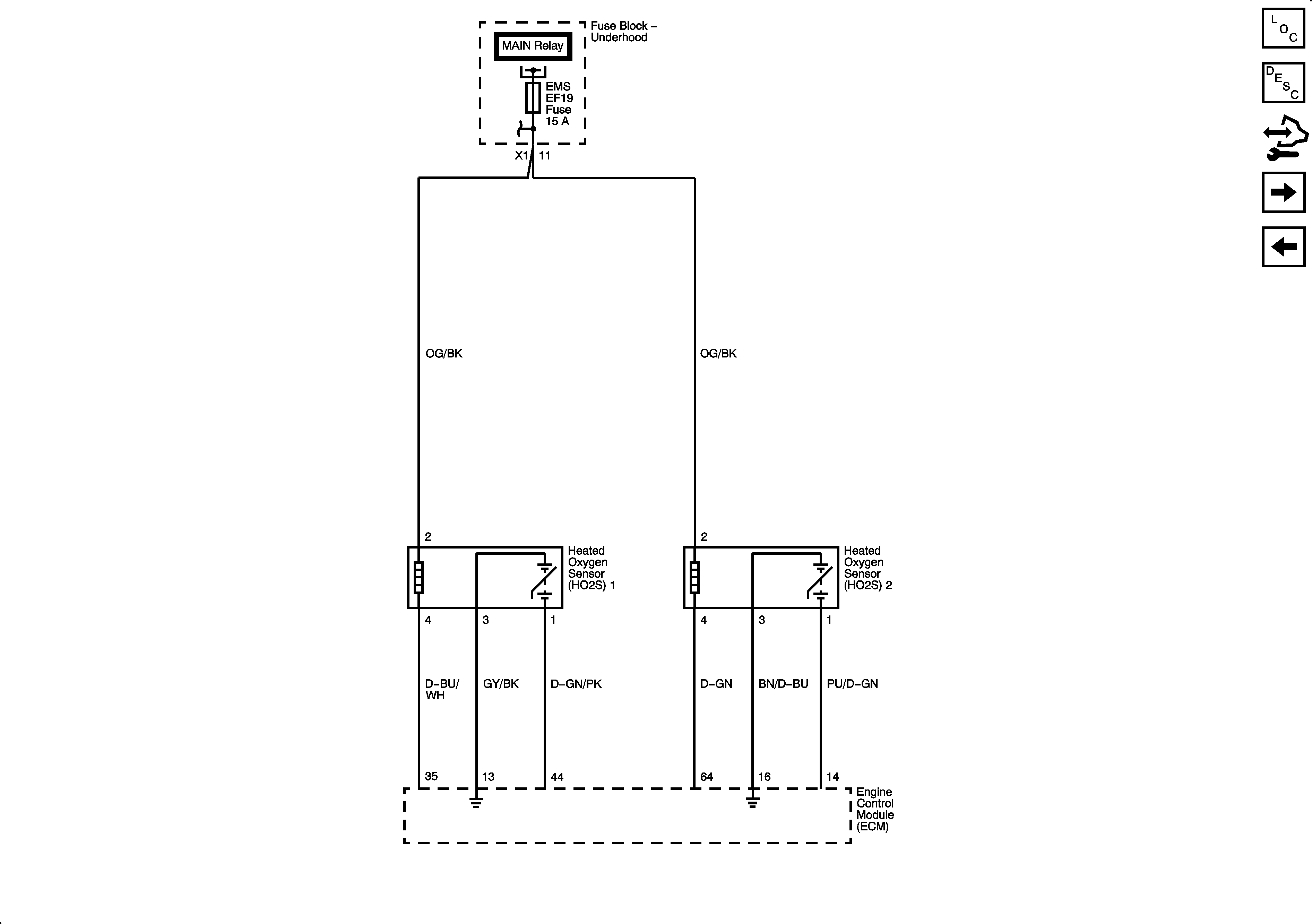
Figure 3:

Engine Data Sensors - Oxygen Sensors


Object Number: 2108831  Size: FS
Figure 4:

Throttle Body Actuator


Object Number: 2108832  Size: FS
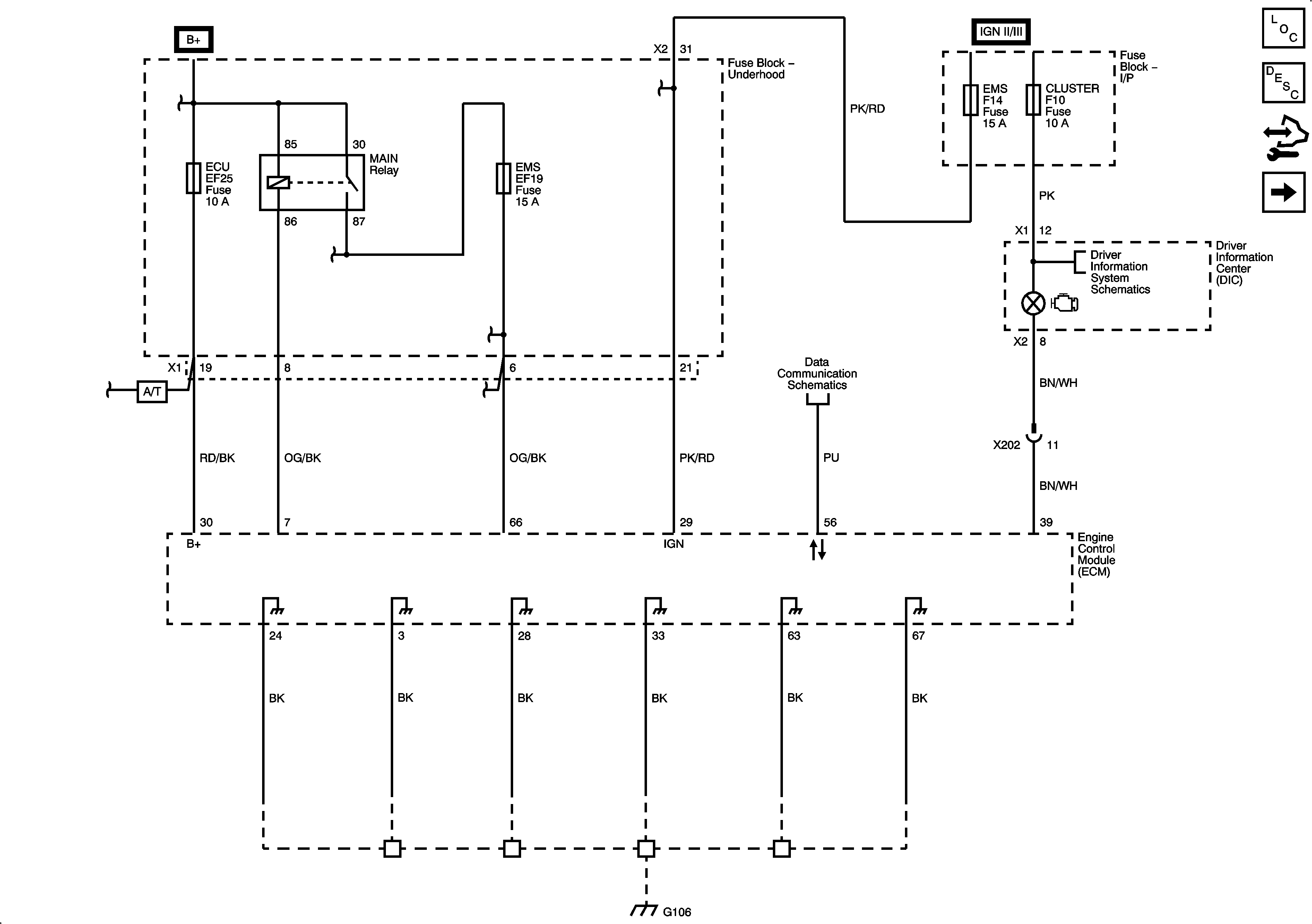
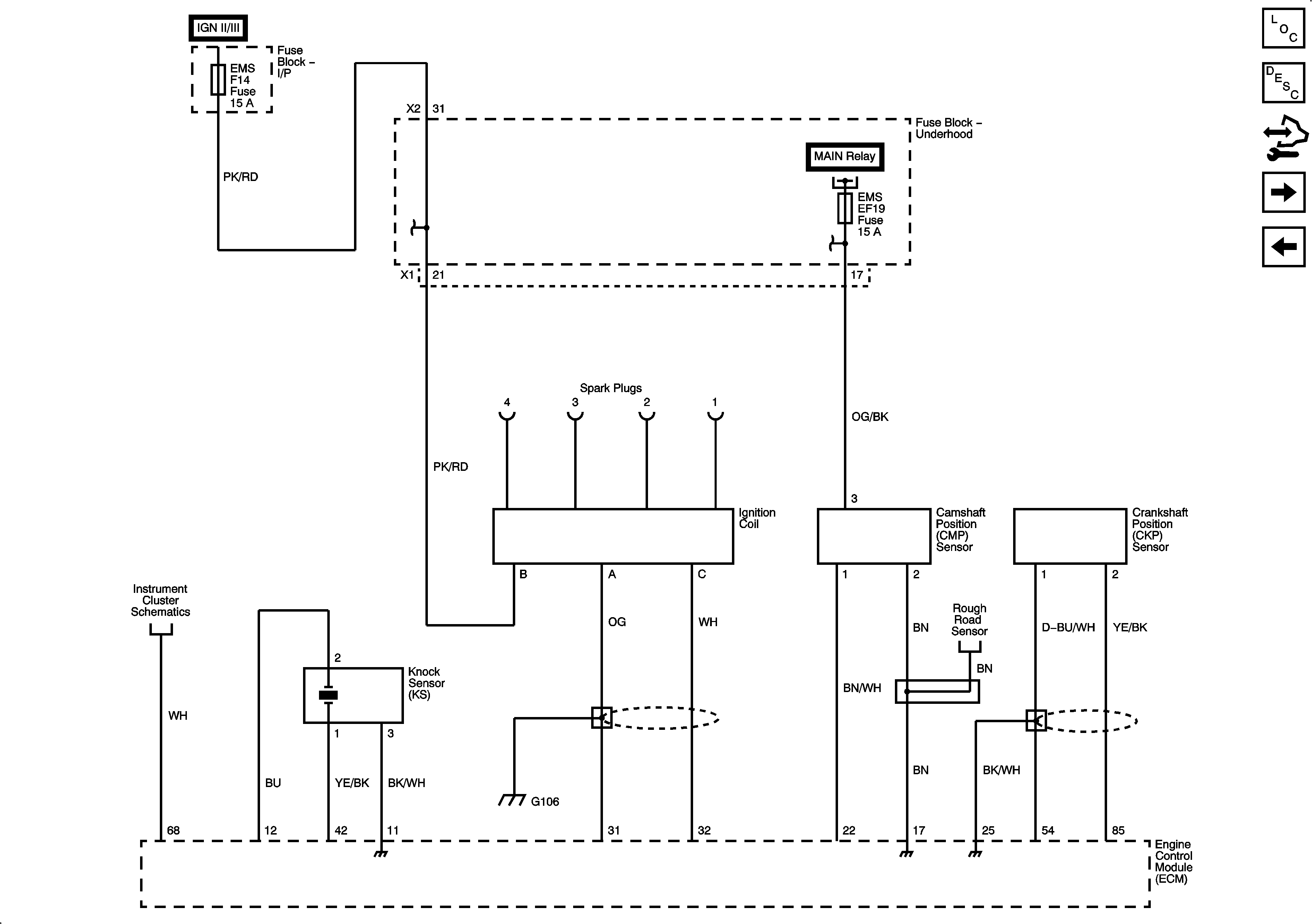
Figure 5:

Ignition Controls


Object Number: 2108833  Size: FS
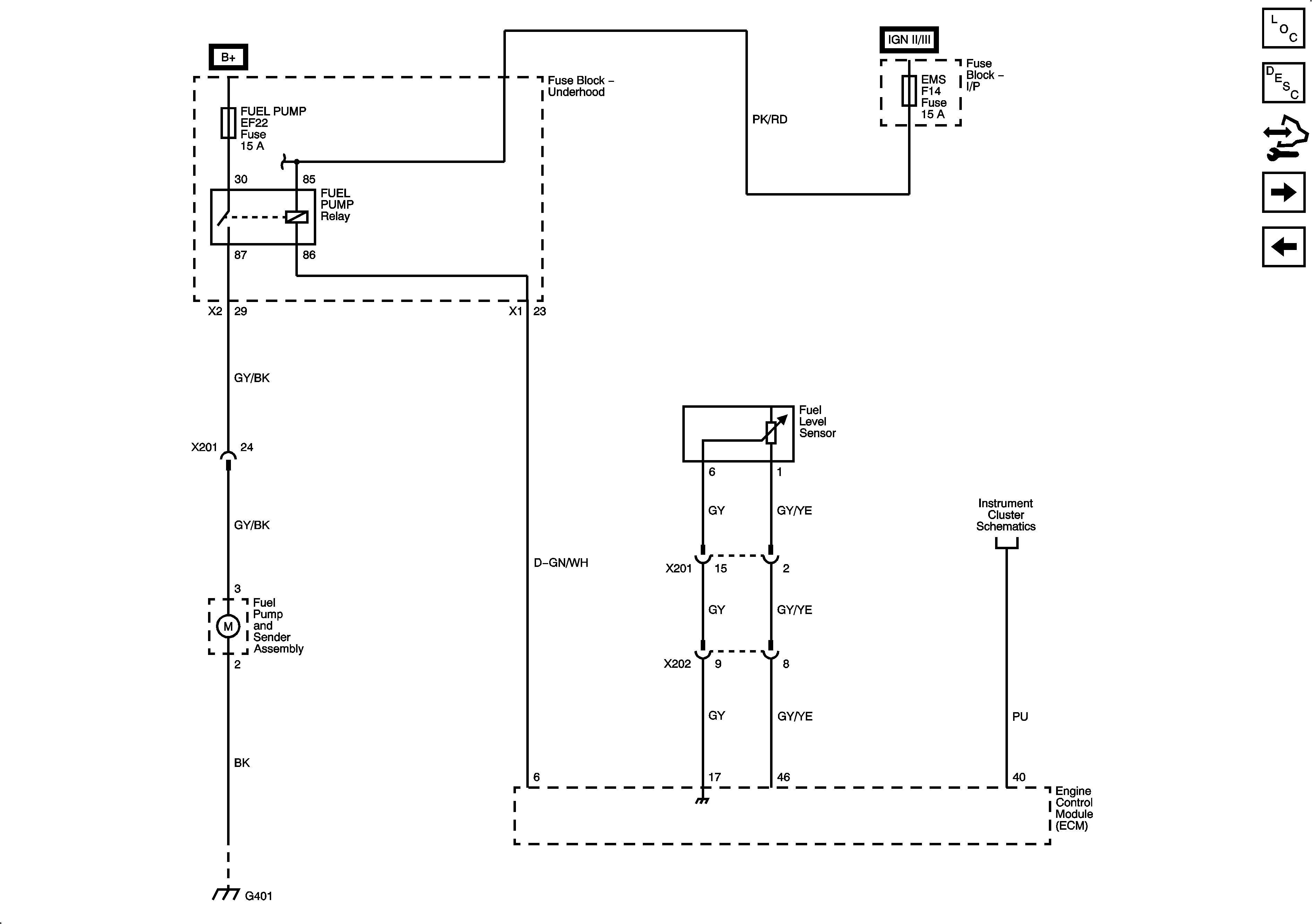
Figure 6:

Fuel Pump Controls


Object Number: 2108836  Size: FS
Figure 7:

Fuel Injectors, Octane Selector and Rough Road WSS


Object Number: 2108973  Size: FS
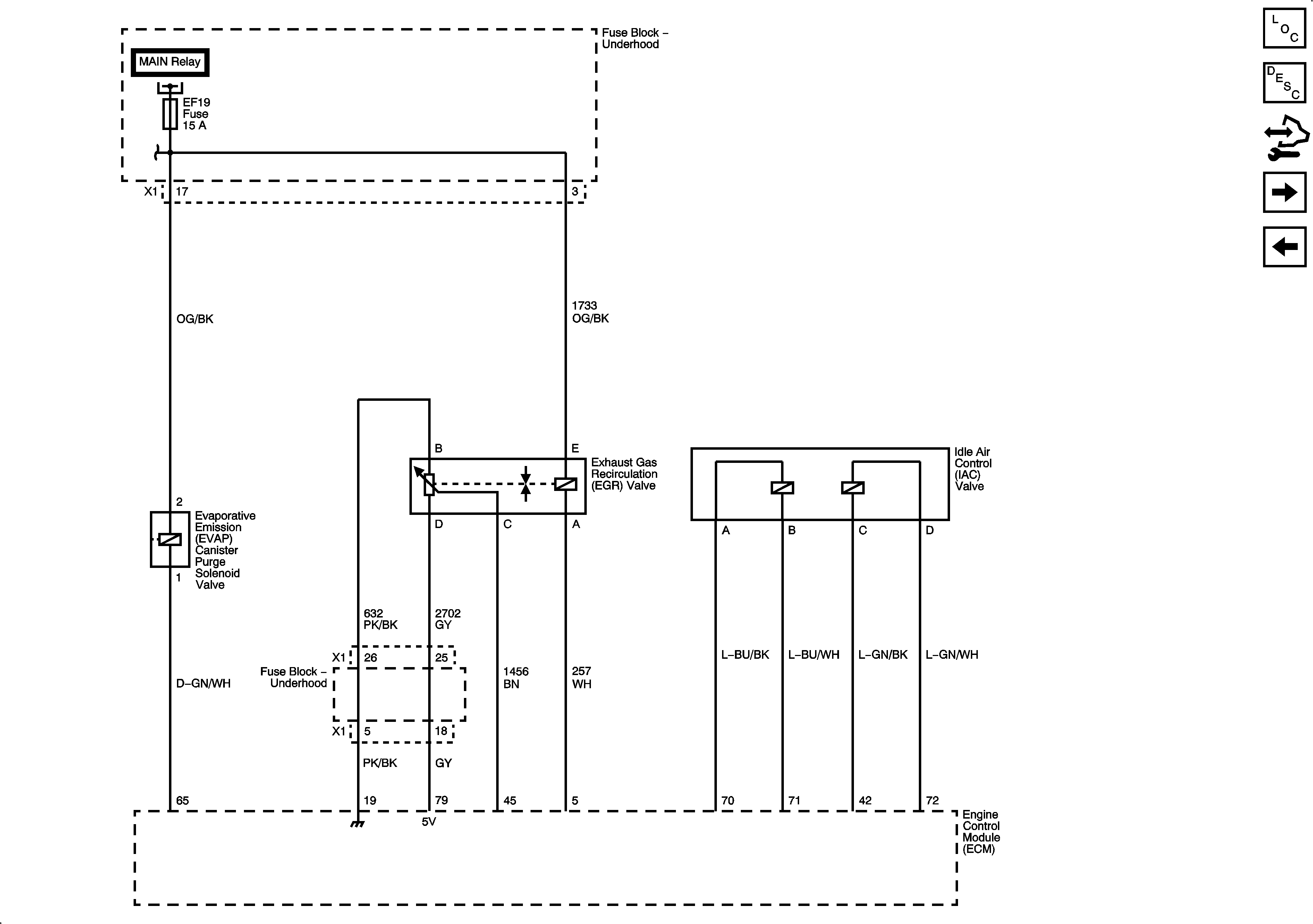
Figure 8:

EVAP and Device Controls


Object Number: 2108837  Size: FS
Figure 9:

Controlled/Monitored Subsystem References


Object Number: 2108839  Size: FS