GM Service Manual Online
For 1990-2009 cars only
Makes
🢒
Pontiac
🢒
2009
🢒
Matiz
🢒
Transmission
🢒
Automatic Transmission - Jatco
🢒 Automatic Transmission Controls Schematics
Figure
1:
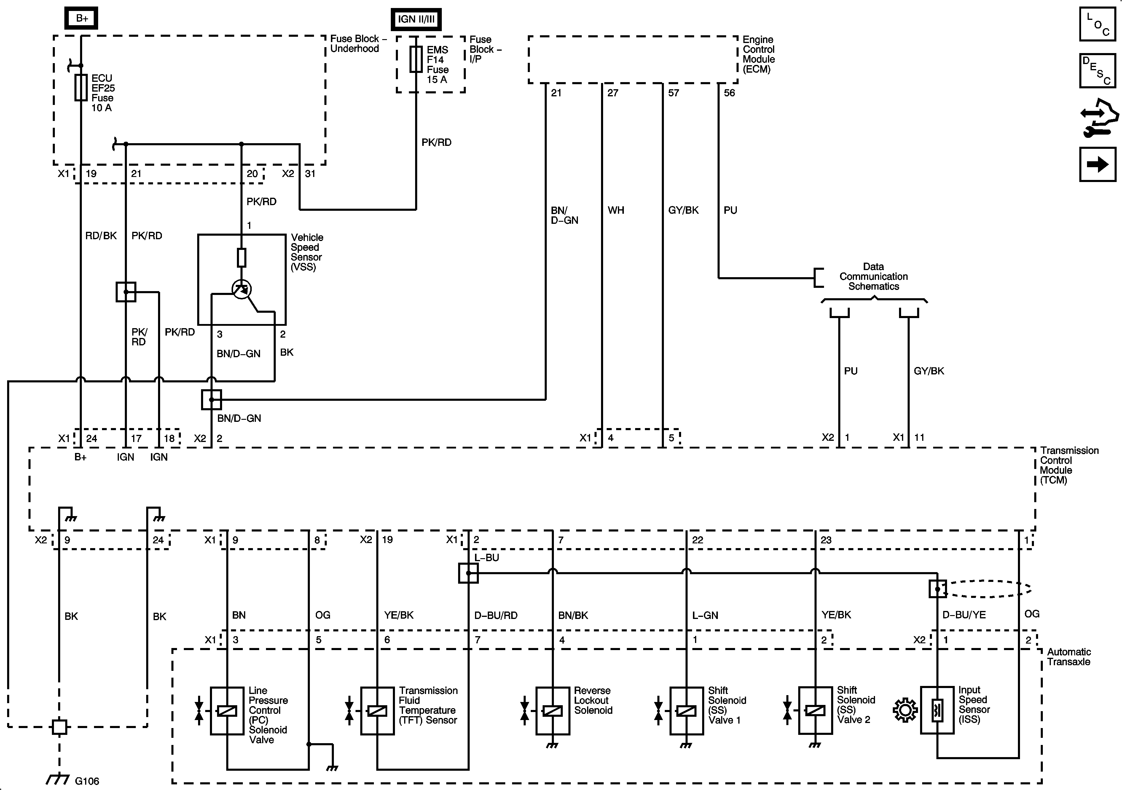
DLC, Ground, Power, Transaxle and VSS
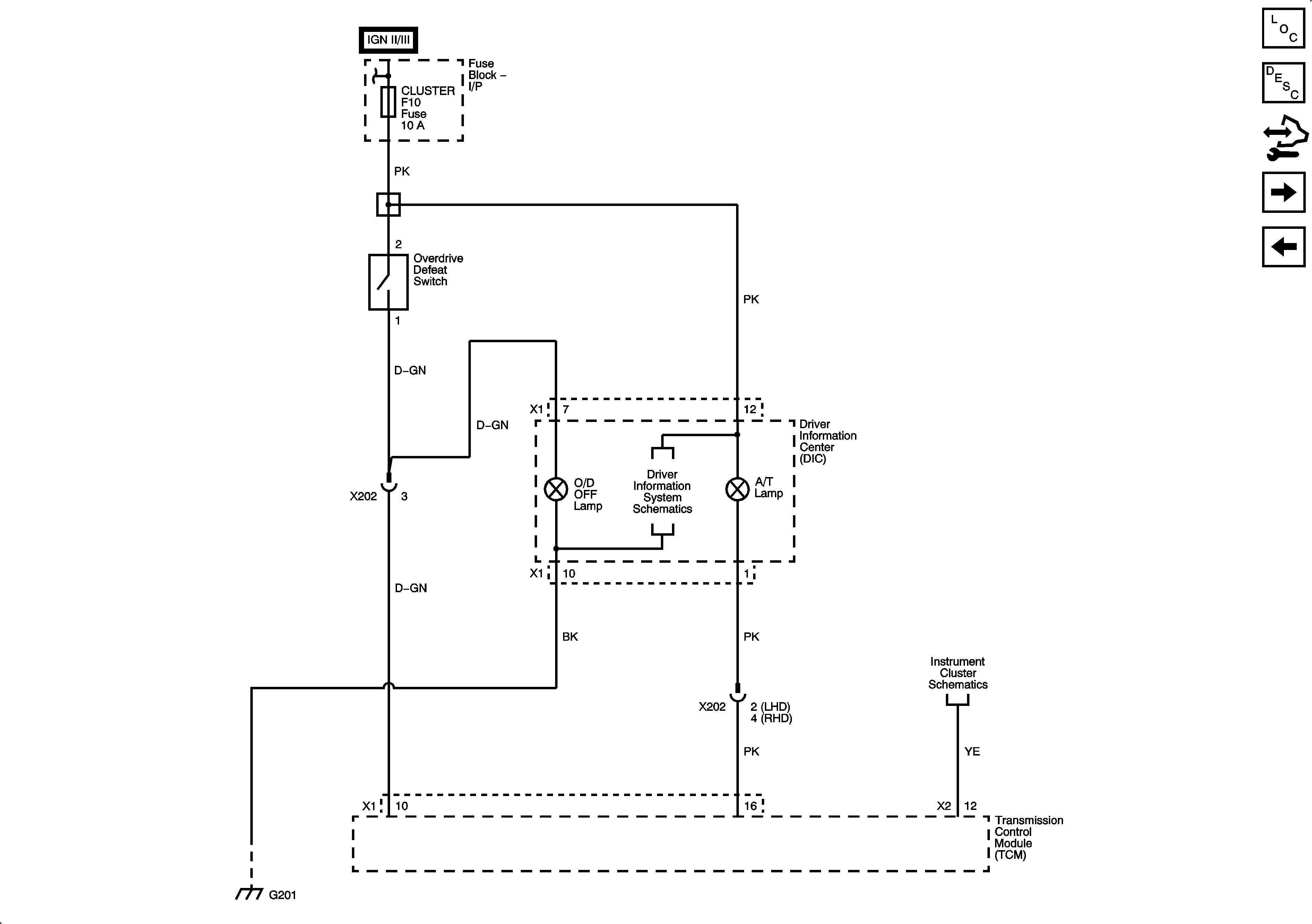
Figure
2:
DIC and O/D Switch
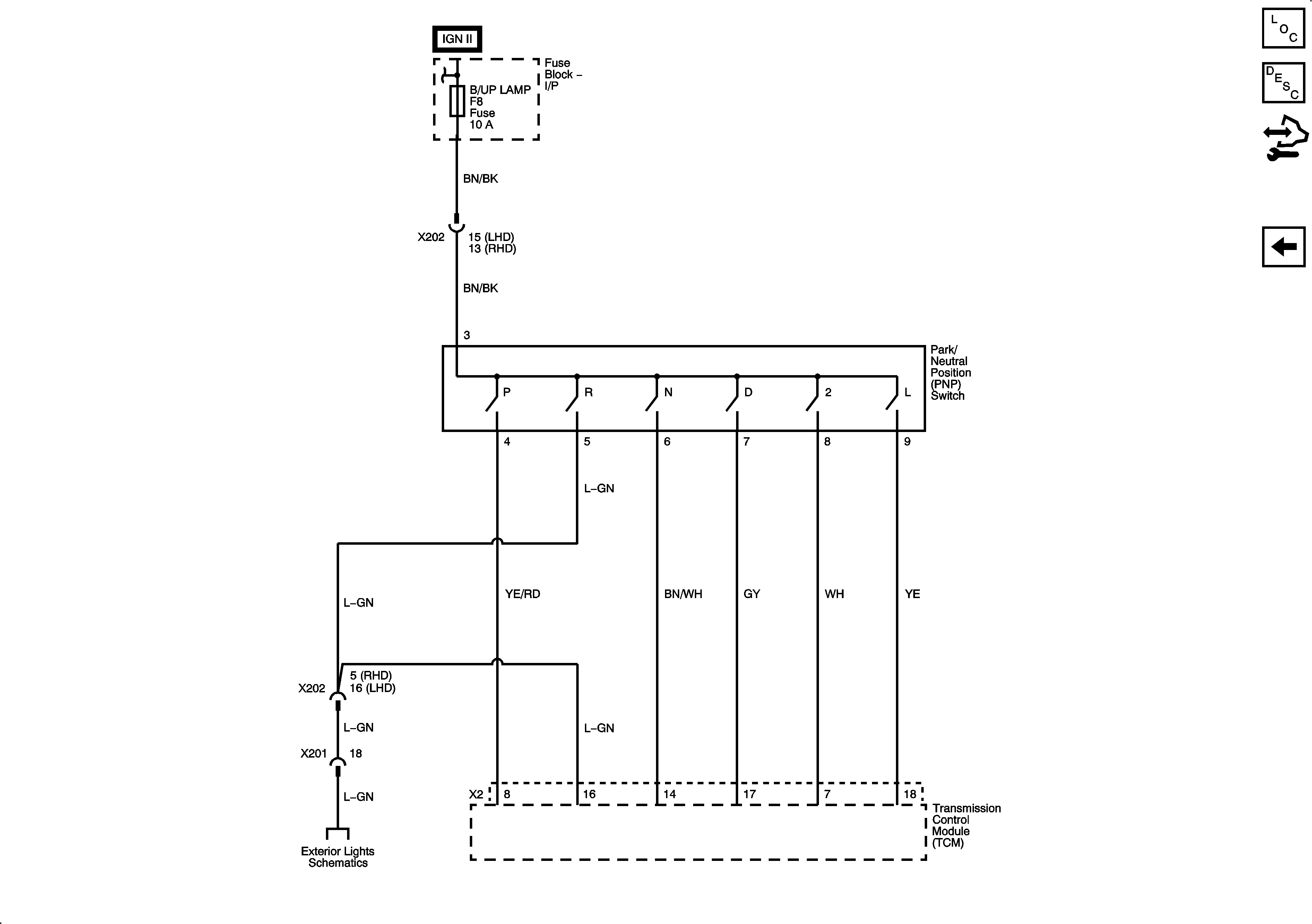
Figure
3:
PNP Switch